ALLEN-BRADLEY

Wyłączniki bezkontaktowe RFID SensaGuard 18/30

Dzięki najnowszej technologii kodowania RFID oraz technologii indukcyjnej stosowanej do odczytu, SensaGuard z dużym zakresem działania i dużą tolerancją niewspółosiowości jest ekonomicznie efektywnym rozwiązaniem, idealnie pasującym do szerokiego zakresu aplikacji bezpieczeństwa. Gama produktów SensaGuard spełnia wymagania kat. 4 zgodnie z EN 954-1 i SIL3 zgodnie z IEC61508, co potwierdza certyfi kat TÜV. Gama kodowanych bezdotykowych wyłączników SensaGuard przeznaczona jest do stosowana z osłonami ruchomymi z dostępem całego lub części ciała. W szczególności odpowiednia jest dla maszyn, gdzie należy monitorować wiele osłon ruchomych zgodnie z kategorią 4/SIL3.

 

Podłączanie

 

Pokaż więcej
  • Duża tolerancja na niedopasowanie klapy/bramy
  • 2 wyjścia bezpieczeństwa PNP
  • 1 wyjście sygnałowe PNP
  • Kategoria 4 nawet przy łączeniu szeregowym

Wybrany wariant produktu

Wybrany wariant produktu

Specyfikacja techniczna

Czas wyłączania 54 ms, każdy następny czujnik + 18 ms
Częstotliwość radiowa IEC61000-4-3, IEC61000-4-6
Dopuszczenia CE, cULus, TÜV
Materiał Valox DR48
Max. temperatura pracy 55 °C
Min. temperatura pracy -10 °C
Montaż Otwór Ø18 mm + 2xM4
Napięcie zasilania 24 V DC
Normy IEC60947-5-3, EN61508, EN ISO 14119:2013
Odporność na wibracje IEC68-2-6 10-55 Hz
Odporność na wstrząsy IEC68-2-27 30 g, 11 ms
PL e (SS-EN ISO 13849-1)
Podłączenie kabla Kabel 3 m
SIL 3 (EN IEC 62061)
Stopień ochrony IP IP69K
Strefa działania 15 mm
Tolerancja napięcia +10/-15 %
Trwałość >10x10^6
Wilgotność 5-95 %
Wskazywanie statusu Zielona i czerwona dioda LED
Wyjścia bezpieczne Tranzystorowe 2 PNP 0,2 A
Wyjście sygnałowe Tranzystorowe 1 PNP 0,2 A
Zgodność z EMC, LVD, MD

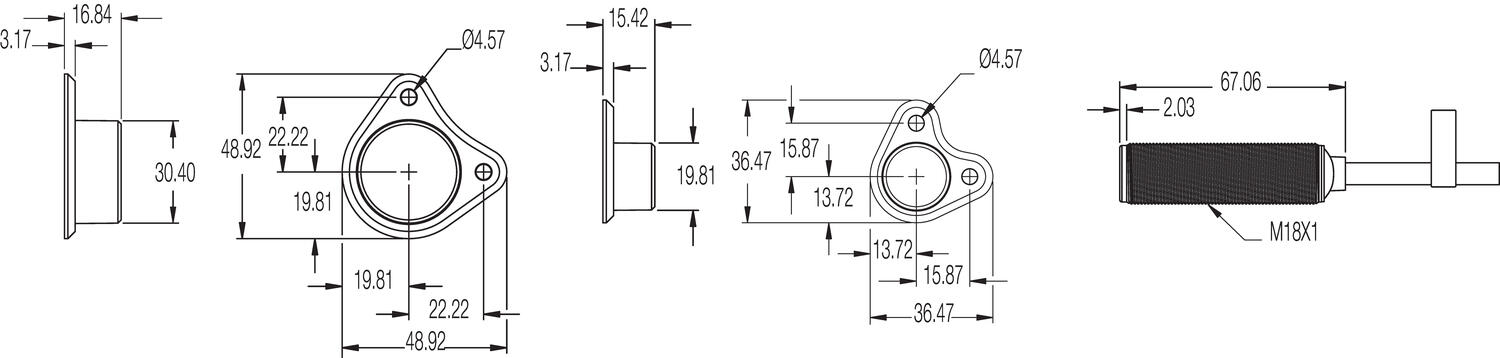
Wymiary i połączenia

Dimension Powiększ

Wymiary (mm)

Inkoppling_SG_SI_8.eps Powiększ

Podlaczenie do przekaznika bezpieczenstwa.
GSR SI z Sensaguard.
Nadzorowane kasowanie reczne.

Inkoppling_SG_DI_8.eps Powiększ

Podlaczenie do przekaznika bezpieczenstwa.
GSR DI z 2 Sensaguard.
Nadzorowane kasowanie reczne.
Nadzorowanie styczników zewnetrznych.

sensaguard_inkopplingsschema_1.eps Powiększ

Podlaczenie do przekaznika bezpieczenstwa.
GSR SI z 3 Sensaguard.
Kasowanie automatyczne.

sensaguard_inkopplingsschema_2.eps Powiększ

Podlaczenie do przekaznika bezpieczenstwa.
GSR DI z SensaGuard i wylacznikiem awaryjnym.
Nadzorowane kasowanie reczne.

Rysunki techniczne

Tolerance diagram Powiększ

Tolerancja (mm) dla aktywatora 18 mm

Status indication Powiększ

Wykrywanie i usuwanie usterek.

Reaction time Powiększ

Czas reakcji (nie obejmuje czasu reakcji przekaznika bezpieczenstwa)

Construction Powiększ

Minimalna odleglosc miedzy czujnikami dla aktywatora 18 mm.

Sensor Powiększ

Kierunek aktywacji bezposrednio z przodu.

Sensor Powiększ

UWAGA!
Musi byc zapewniony minimalny odstep 4 mm (aktywator 30 mm) oraz 7 mm (aktywator 30 mm) jezeli powierzchnie urzadzenia uruchamiajacego i czujnika zblizaja sie poprzecznie.
To zapobiega falszywemu uruchamianiu z powodu bocznych platów.

Opis produktu

Dzięki najnowszej technologii kodowania RFID oraz technologii indukcyjnej stosowanej do odczytu, SensaGuard z dużym zakresem działania i dużą tolerancją niewspółosiowości jest ekonomicznie efektywnym rozwiązaniem, idealnie pasującym do szerokiego zakresu aplikacji bezpieczeństwa. Gama produktów SensaGuard spełnia wymagania kat. 4 zgodnie z EN 954-1 i SIL3 zgodnie z IEC61508, co potwierdza certyfi kat TÜV. Gama kodowanych bezdotykowych wyłączników SensaGuard przeznaczona jest do stosowana z osłonami ruchomymi z dostępem całego lub części ciała. W szczególności odpowiednia jest dla maszyn, gdzie należy monitorować wiele osłon ruchomych zgodnie z kategorią 4/SIL3.

 

Podłączanie

 

Akcesoria

Podobne produkty

Powiązane

Nowości

Wielofunkcyjne urządzenie dostępu UGB-KLTM

UGB-KLTM to wielofunkcyjne urządzenie, zapewniające zintegrowaną ochronę i kompleksową kontrolę dostępu. Produkt jest przeznaczony do aplikacji, w których operator ma pełny dostęp do niebezpiecznej strefy.

Nowości

Nowy Skaner laserowy bezpieczeństwa UAM-05LPA z rozszerzoną funkcjonalnością

Popularny skaner laserowy bezpieczeństwa UAM-05 został zmodernizowany i teraz jest dostępny w nowej, ulepszonej wersji – UAM-05LPA. Dzięki zastosowaniu najnowocześniejszych technologii i udoskonalonym funkcjom jest on dostosowany do przyszłych wymagań w automatyce przemysłowej.

Akademia OEM

Systemy kontroli dostępu

Mechaniczne systemy kontroli dostępu są łatwe w instalacji i służą do otwierania włazów i bram w aplikacjach, w których występuje zagrożenie powodowane przez ruchome części maszyn. W tym artykule dowiesz się więcej o zaletach systemów kontroli dostępu.

Nowości

Kurtyny świetlne bezpieczeństwa w przemyśle

Seria SH4 to kompletna rodzina kurtyn świetlnych bezpieczeństwa, które nie tylko spełniają wysokie wymagania dotyczące działania i odporności na warunki otoczenia w przemyśle, ale także przenoszą bezpieczeństwo na nowy poziom.

Nowości

Programowalny sterownik bezpieczeństwa HSC-A100-ENC do aplikacji AGV

HSC-A100-ENC jest programowalnym sterownikiem bezpieczeństwa, który umożliwia sterowanie pracą do 6 skanerów bezpieczeństwa połączonych interfejsem komunikacyjnym. Zawiera interfejsy pozwalające na podłączenie do 4 enkoderów. Posiada 16 cyfrowych wejść bezpieczeństwa, 6 bezpiecznych wyjść cyfrowych, 2 wyjścia przekaźnikowe oraz 2 wyjścia testowe.

Nowości

Safety Netbox – rozproszone We/Wy poprzez Profinet, PROFIsafe lub Ethernet/IP, CIP Safety

Netboxy marki IDEM mają w pełni konfigurowalne We/Wy, które mogą być ustawione jako 3 dwukanałowe wejścia bezpieczne lub wejścia sygnałowe. Modułowe przyciski można skonfigurować poprzez CIP Safety lub PROFIsafe.

Warianty produktu Czas wyłączania Podłączenie kabla Strefa działania Cena
54 ms, każdy następny czujnik + 18 ms
Kabel 3 m
15 mm
54 ms, każdy następny czujnik + 18 ms
Kabel 10 m
15 mm
54 ms, każdy następny czujnik + 18 ms
Złącze M12, 8-pin
15 mm
54 ms
Złącze M12, 5-pin
15 mm
54 ms, każdy następny czujnik + 18 ms
Kabel 3 m
25 mm
54 ms, każdy następny czujnik + 18 ms
Kabel 10 m
25 mm
54 ms, każdy następny czujnik + 18 ms
Złącze M12, 8-pin
25 mm

Wybrany wariant

Wybierz wariant produktu z listy

Wsparcie techniczne

Jarosław Kalista

Business Area Manager BEZPIECZEŃSTWO

Wsparcie Klienta
Aby uzyskać informacje dotyczące zamówień i dostępności produktów, skontaktuj się z działem obsługi Klienta:
22 863 27 22
Wyślij e-mail
Potrzebujesz pomocy?
Logo

Ustawienia plików cookie w serwisie oemautomatic.pl

Pliki cookie pomagają nam usprawniać serwis i dostosowywać go do Państwa oczekiwań. Wykorzystujemy pliki cookie aby móc obsługiwać dane logowania i oferować spersonalizowane treści. Niektóre pliki cookie są wymagane dla podstawowej funkcjonalności witryny.

Informacje uzyskane za pośrednictwem plików cookie nigdy nie będą przedmiotem sprzedaży.

Mogą Państwo zaakceptować wszystkie pliki cookie lub spersonalizować swoje preferencje dotyczące określonych plików cookie. Mogą Państwo również zmienić ustawienia dotyczące plików cookie w dowolnym momencie, odwiedzając naszą stronę kontaktową.

Niezbędne pliki cookie

Te pliki cookie są niezbędne dla funkcjonowania strony internetowej i nie mogą być wyłączone w naszych systemach. Są one zazwyczaj ustawiane tylko w odpowiedzi na działania podejmowane przez użytkownika, które sprowadzają się do zapytania o usługi, takie jak ustawienie preferencji prywatności, logowanie lub wypełnianie formularzy. Te pliki cookie nie przechowują żadnych danych osobowych.

Pliki cookie dotyczące wydajności

Te pliki cookie umożliwiają nam zliczanie wizyt i źródeł ruchu, dzięki czemu możemy mierzyć i poprawiać wydajność naszej witryny. Pomagają ustalić, które strony są najbardziej i najmniej popularne i zobaczyć, jak odwiedzający poruszają się po stronie. Wszystkie informacje zbierane przez te pliki cookie są agregowane i tym samym anonimowe. Jeśli użytkownik nie zezwoli na stosowanie tych plików cookie, nie będziemy wiedzieli, kiedy odwiedził naszą stronę internetową.

Pliki cookie związane z reklamami i ich odbiorcami

Te pliki cookie mogą być ustawiane przez naszych partnerów reklamowych za pośrednictwem naszej strony internetowej. Mogą one być wykorzystywane przez te firmy do budowania profilu zainteresowań użytkownika i wyświetlania odpowiednich reklam na innych stronach. Nie przechowują one bezpośrednio danych osobowych, lecz opierają się na jednoznacznej identyfikacji przeglądarki i sprzętu internetowego. Jeśli użytkownik nie zezwoli na stosowanie tych plików cookie, doświadcza mniej ukierunkowanych reklam.