MOLEX

Molex - Centralki połączeniowe UltraLock™/M12

System Ultra-Lock wprowadza nową jakość w połączeniach przemysłowych. W przeciwieństwie do systemów z gwintem nie trzeba kręcić żeby uzyskać pewne połączenie - wystarczy wcisnąć, aby połączyć i wyciągnąć, aby rozłączyć. Nowy system zapewnia szybkie, pewne, zawsze powtarzalne połączenie i przeznaczony jest do ciężkich warunków przemysłowych (IP 68).

Dane techniczne

Zakres napięć

10-30 V DC, PNP

Max. prąd

2 A (na port)

Max. prąd

12 A (całkowity)

Przekrój przewodów

0,75 mm² (zasilanie)

0,34 mm² (sygnał)

Materiał obudowy

Żółty PBT

Materiał złącza

Mosiądz niklowany

Powłoka przewodu

PUR

Sygnalizacja LED

Zielona (zasilanie)

Żółta (sygnał)

Zakres temperatur

-25 °C do +90 °C

Stopień ochrony

IP69K (przewód zalewany)

IP67 (złącze)

 

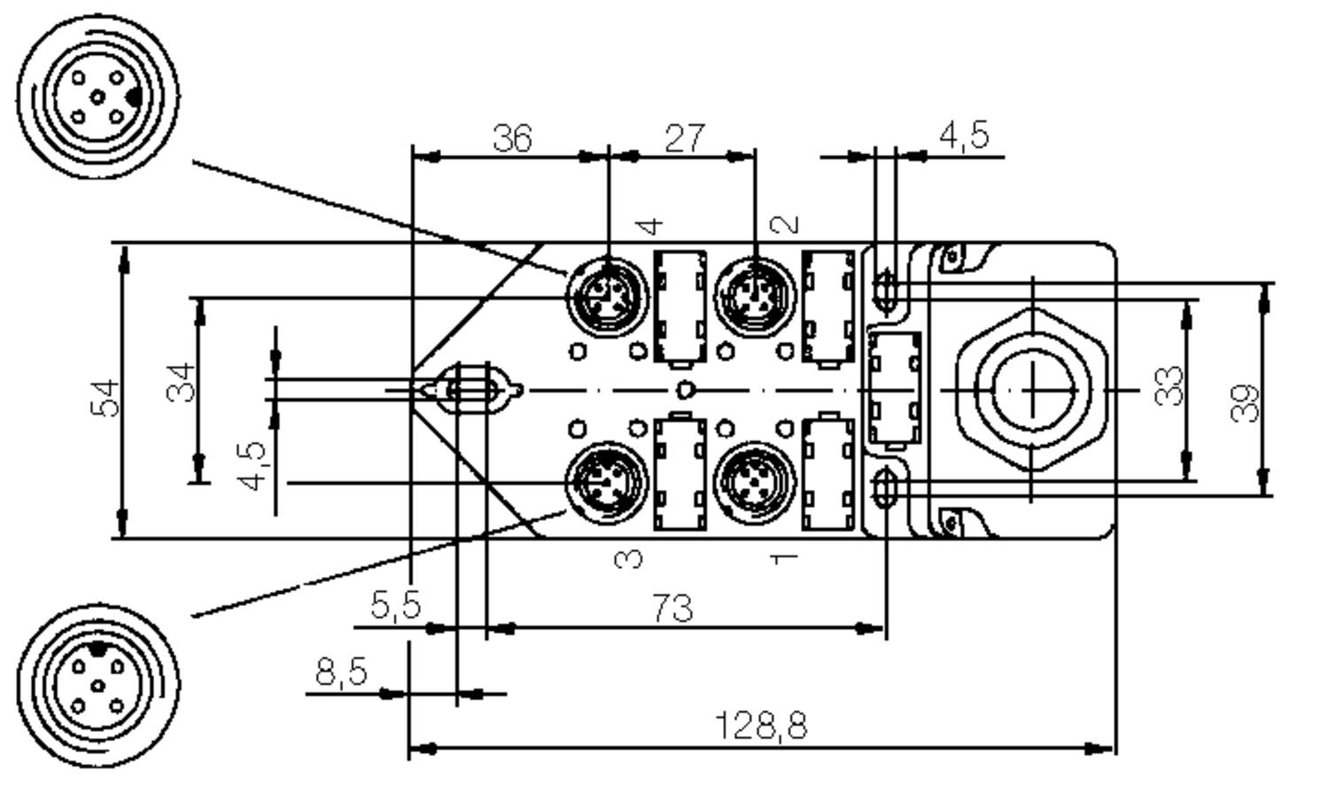
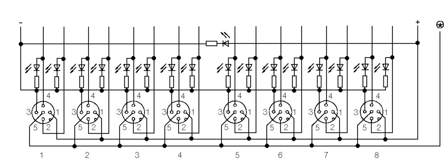
3-piny/pojedyncze I/O

 

Z przewodem osadzonym

Kolor przewodu

Nr portu

Pin

Brązowy (+)

1-8

(1)

Niebieski (-)

1-8

(3)

Żółto-zielony

1-8

(5)

Biały

1

(4)

Zielony

2

(4)

Żółty

3

(4)

Szary

4

(4)

Różowy

5

(4)

Czerwony

6

(4)

Czarny

7

(4)

Fioletowy

8

(4)

 

Ze złączem M23

Styk

Nr portu

Pin

11 (+)

1-8

(1)

9 (-)

1-8

(3)

10 (-)

1-8

(3)

12

1-8

(5)

1

1

(4)

2

2

(4)

3

3

(4)

4

4

(4)

5

5

(4)

6

6

(4)

7

7

(4)

8

8

(4)

 

4-piny/podwójne I/O

4-poles drawing

 

Z przewodem osadzonym

Kolor przewodu

Nr portu

Pin

Brązowy (+)

1-8

(1)

Niebieski (-)

1-8

(3)

Żółto-zielony ( )

1-8

(5)

Szaro-różowy

1

(2)

Biały

1

(4)

Czerwono-niebieski

2

(2)

Zielony

2

(4)

Biało-zielony

3

(2)

Żółty

3

(4)

Brązowo-zielony

4

(2)

Szary

4

(4)

Biało-żółty

5

(2)

Różowy

5

(4)

Żółto-brązowy

6

(2)

Czerwony

6

(4)

Biało-szary

7

(2)

Czarny

7

(4)

Szaro-brązowy

8

(2)

Fioletowy

8

(4)

 

Ze złączem M23

Styk

Nr portu

Pin

17 (+)

1-8

(1)

18 (-)

1-8

(3)

19 ( )

1-8

(5)

9

1

(2)

1

1

(4)

10

2

(2)

2

2

(4)

11

3

(2)

3

3

(4)

12

4

(2)

4

4

(4)

13

5

(2)

5

5

(4)

14

6

(2)

6

6

(4)

15

7

(2)

7

7

(4)

16

8

(2)

8

8

(4)

 

Z terminalem połączeniowym

Styk

Nr portu

Pin

17 (+)

1-8

(1)

18 (-)

1-8

(3)

19 ( )

1-8

(5)

9

1

(2)

1

1

(4)

10

2

(2)

2

2

(4)

11

3

(2)

3

3

(4)

12

4

(2)

4

4

(4)

13

5

(2)

5

5

(4)

14

6

(2)

6

6

(4)

15

7

(2)

7

7

(4)

16

8

(2)

8

8

(4)

 

Centralki z kablem

4 porty

6 portów

8 portów

 

 

4 porty

 

Opis

Nr katalogowy

Nr katalogowy

Przewód PUR

pojedyncze I/O

podwójne I/O

5 m

BKY400PFBP05

BKY405PFBP05

10 m

BKY400PFBP10

BKY405PFBP10

 

6 portów

 

Opis

Nr katalogowy

Nr katalogowy

Przewód PUR

pojedyncze I/O

podwójne I/O

5 m

BKY600PFBP05

BKY605PFBP05

10 m

BKY600PFBP10

BKY605PFBP10

 

8 portów

 

Opis

Nr katalogowy

Nr katalogowy

Przewód PUR

pojedyncze I/O

podwójne I/O

5 m

BKY800PFBP05

BKY805PFBP05

10 m

BKY800PFBP10

BKY805PFBP10

Inne długości przewodów na zamówienie.

Centralki ze złączem

4 porty

6 portów

8 portów

 

 

4 porty

 

Pojedyncze I/O

 

Nr katalogowy

Nr katalogowy

Nr katalogowy

BKY401PFBC

 

 

Przewód PUR

Złącze proste

Złącze 90º

5 m przewód PUR

K02300P80M050

K02301P80M050

10 m przewód PUR

K02300P80M100

K02301P80M100

 

4 porty

 

Podwójne l/O

 

Nr katalogowy

Nr katalogowy

Nr katalogowy

BKY403PFBC

 

 

 

Złącze proste

Złącze 90º

5 m przewód PUR

K03300P80M050

K03301P80M050

10 m przewód PUR

K03300P80M100

K03301P80M100

 

6 portów

 

Pojedyncze l/O

 

Nr katalogowy

Nr katalogowy

Nr katalogowy

BKY601PFBC

 

 

 

Złącze proste

Złącze 90º

5 m PUR cable

K02200P80M050

K02201P80M050

10 m PUR cable

K02200P80M100

K02201P80M100

 

6 portów

 

Podwójne l/O

 

Nr katalogowy

Nr katalogowy

Nr katalogowy

BKY603PFBC

 

 

 

Złącze proste

Złącze 90º

5 m PUR cable

K03200P80M050

K03201P80M050

10 m PUR cable

K03200P80M100

K03201P80M100

 

8 portów

 

Pojedyncze l/O

 

Nr katalogowy

Nr katalogowy

Nr katalogowy

BKY801PFBC

 

 

 

Złącze proste

Złącze 90º

5 m PUR cable

K02100P80M050

K02101P80M050

10 m PUR cable

K02100P80M100

K02101P80M100

 

8 portów

 

Podwójne l/O

 

Nr katalogowy

Nr katalogowy

Nr katalogowy

BKY803PFBC

 

 

 

Złącze proste

Złącze 90º

5 m PUR cable

K03000P80M050

K03001P80M050

10 m PUR cable

K03000P80M100

K03001P80M100

Inne długości przewodów na zamówienie.

Terminal połączeniowy

4 porty

6 portów

8 portów

 

 

 

4 porty

Nr katalogowy

Podwójne I/O

BKY403PFBA

 

6 portów

Nr katalogowy

Podwójne I/O

BKY603PFBA

 

8 portów

Nr katalogowy

Podwójne I/O

BKY803PFBA

 

Przewód mocno elastyczny

 

Nr katalogowy

3x1.0+16x0.34, numerowany 1-18+ochronny

SAB07749207

Inne długości przewodów na zamówienie.

Pokaż więcej
  • Szybkie, proste, bezpieczne połączenie
  • 4, 6 lub 8 portów
  • Wskaźnik LED napięcia i sygnału
  • Stopień ochrony IP67, IP68, IP69K

Wybrany wariant produktu

Wybrany wariant produktu

Specyfikacja techniczna

Długość przewodu 10 m
Kodowanie A
Kolor kabla Czarny
Kolor obudowy Żółty
Liczba przyłączeń 4 szt
Materiał podłączenia Metal
Max. temperatura pracy 85 °C
Min. temperatura pracy -25 °C
Napięcie zasilania DC max. 30 V DC
Napięcie zasilania DC min. 10 V DC
Testowany w prowadniku kablowym Nie
Wskaźnik LED Tak

Opis produktu

System Ultra-Lock wprowadza nową jakość w połączeniach przemysłowych. W przeciwieństwie do systemów z gwintem nie trzeba kręcić żeby uzyskać pewne połączenie - wystarczy wcisnąć, aby połączyć i wyciągnąć, aby rozłączyć. Nowy system zapewnia szybkie, pewne, zawsze powtarzalne połączenie i przeznaczony jest do ciężkich warunków przemysłowych (IP 68).

Dane techniczne

Zakres napięć

10-30 V DC, PNP

Max. prąd

2 A (na port)

Max. prąd

12 A (całkowity)

Przekrój przewodów

0,75 mm² (zasilanie)

0,34 mm² (sygnał)

Materiał obudowy

Żółty PBT

Materiał złącza

Mosiądz niklowany

Powłoka przewodu

PUR

Sygnalizacja LED

Zielona (zasilanie)

Żółta (sygnał)

Zakres temperatur

-25 °C do +90 °C

Stopień ochrony

IP69K (przewód zalewany)

IP67 (złącze)

 

3-piny/pojedyncze I/O

 

Z przewodem osadzonym

Kolor przewodu

Nr portu

Pin

Brązowy (+)

1-8

(1)

Niebieski (-)

1-8

(3)

Żółto-zielony

1-8

(5)

Biały

1

(4)

Zielony

2

(4)

Żółty

3

(4)

Szary

4

(4)

Różowy

5

(4)

Czerwony

6

(4)

Czarny

7

(4)

Fioletowy

8

(4)

 

Ze złączem M23

Styk

Nr portu

Pin

11 (+)

1-8

(1)

9 (-)

1-8

(3)

10 (-)

1-8

(3)

12

1-8

(5)

1

1

(4)

2

2

(4)

3

3

(4)

4

4

(4)

5

5

(4)

6

6

(4)

7

7

(4)

8

8

(4)

 

4-piny/podwójne I/O

4-poles drawing

 

Z przewodem osadzonym

Kolor przewodu

Nr portu

Pin

Brązowy (+)

1-8

(1)

Niebieski (-)

1-8

(3)

Żółto-zielony ( )

1-8

(5)

Szaro-różowy

1

(2)

Biały

1

(4)

Czerwono-niebieski

2

(2)

Zielony

2

(4)

Biało-zielony

3

(2)

Żółty

3

(4)

Brązowo-zielony

4

(2)

Szary

4

(4)

Biało-żółty

5

(2)

Różowy

5

(4)

Żółto-brązowy

6

(2)

Czerwony

6

(4)

Biało-szary

7

(2)

Czarny

7

(4)

Szaro-brązowy

8

(2)

Fioletowy

8

(4)

 

Ze złączem M23

Styk

Nr portu

Pin

17 (+)

1-8

(1)

18 (-)

1-8

(3)

19 ( )

1-8

(5)

9

1

(2)

1

1

(4)

10

2

(2)

2

2

(4)

11

3

(2)

3

3

(4)

12

4

(2)

4

4

(4)

13

5

(2)

5

5

(4)

14

6

(2)

6

6

(4)

15

7

(2)

7

7

(4)

16

8

(2)

8

8

(4)

 

Z terminalem połączeniowym

Styk

Nr portu

Pin

17 (+)

1-8

(1)

18 (-)

1-8

(3)

19 ( )

1-8

(5)

9

1

(2)

1

1

(4)

10

2

(2)

2

2

(4)

11

3

(2)

3

3

(4)

12

4

(2)

4

4

(4)

13

5

(2)

5

5

(4)

14

6

(2)

6

6

(4)

15

7

(2)

7

7

(4)

16

8

(2)

8

8

(4)

 

Centralki z kablem

4 porty

6 portów

8 portów

 

 

4 porty

 

Opis

Nr katalogowy

Nr katalogowy

Przewód PUR

pojedyncze I/O

podwójne I/O

5 m

BKY400PFBP05

BKY405PFBP05

10 m

BKY400PFBP10

BKY405PFBP10

 

6 portów

 

Opis

Nr katalogowy

Nr katalogowy

Przewód PUR

pojedyncze I/O

podwójne I/O

5 m

BKY600PFBP05

BKY605PFBP05

10 m

BKY600PFBP10

BKY605PFBP10

 

8 portów

 

Opis

Nr katalogowy

Nr katalogowy

Przewód PUR

pojedyncze I/O

podwójne I/O

5 m

BKY800PFBP05

BKY805PFBP05

10 m

BKY800PFBP10

BKY805PFBP10

Inne długości przewodów na zamówienie.

Centralki ze złączem

4 porty

6 portów

8 portów

 

 

4 porty

 

Pojedyncze I/O

 

Nr katalogowy

Nr katalogowy

Nr katalogowy

BKY401PFBC

 

 

Przewód PUR

Złącze proste

Złącze 90º

5 m przewód PUR

K02300P80M050

K02301P80M050

10 m przewód PUR

K02300P80M100

K02301P80M100

 

4 porty

 

Podwójne l/O

 

Nr katalogowy

Nr katalogowy

Nr katalogowy

BKY403PFBC

 

 

 

Złącze proste

Złącze 90º

5 m przewód PUR

K03300P80M050

K03301P80M050

10 m przewód PUR

K03300P80M100

K03301P80M100

 

6 portów

 

Pojedyncze l/O

 

Nr katalogowy

Nr katalogowy

Nr katalogowy

BKY601PFBC

 

 

 

Złącze proste

Złącze 90º

5 m PUR cable

K02200P80M050

K02201P80M050

10 m PUR cable

K02200P80M100

K02201P80M100

 

6 portów

 

Podwójne l/O

 

Nr katalogowy

Nr katalogowy

Nr katalogowy

BKY603PFBC

 

 

 

Złącze proste

Złącze 90º

5 m PUR cable

K03200P80M050

K03201P80M050

10 m PUR cable

K03200P80M100

K03201P80M100

 

8 portów

 

Pojedyncze l/O

 

Nr katalogowy

Nr katalogowy

Nr katalogowy

BKY801PFBC

 

 

 

Złącze proste

Złącze 90º

5 m PUR cable

K02100P80M050

K02101P80M050

10 m PUR cable

K02100P80M100

K02101P80M100

 

8 portów

 

Podwójne l/O

 

Nr katalogowy

Nr katalogowy

Nr katalogowy

BKY803PFBC

 

 

 

Złącze proste

Złącze 90º

5 m PUR cable

K03000P80M050

K03001P80M050

10 m PUR cable

K03000P80M100

K03001P80M100

Inne długości przewodów na zamówienie.

Terminal połączeniowy

4 porty

6 portów

8 portów

 

 

 

4 porty

Nr katalogowy

Podwójne I/O

BKY403PFBA

 

6 portów

Nr katalogowy

Podwójne I/O

BKY603PFBA

 

8 portów

Nr katalogowy

Podwójne I/O

BKY803PFBA

 

Przewód mocno elastyczny

 

Nr katalogowy

3x1.0+16x0.34, numerowany 1-18+ochronny

SAB07749207

Inne długości przewodów na zamówienie.

Akcesoria

Powiązane

Nowości

Komponenty przemysłowe do rozdzielnic niskiego napięcia od ISKRA

OEM Automatic jest dystrybutorem komponentów słoweńskiego producenta ISKRA dedykowanych do rozdzielnic niskiego napięcia. Przedstawimy ofertę do instalacji przemysłowych.

Nowości

Pełna kontrola i regulacja systemów pneumatycznych w warunkach przemysłowych

Produkty marki SITEK gwarantują ciągłość pracy podczas konserwacji i serwisowania systemów pneumatycznych w wymagających warunkach przemysłowych.

Nowości

Przepływomierz ultradźwiękowy Brooks Instrument BCU – nowoczesne rozwiązanie dla bioprocesów

Nowa seria przepływomierzy BCU (Brooks Clamp-on Ultrasonic Flow Meter) została zaprojektowana z myślą o nowoczesnych procesach biotechnologicznych i farmaceutycznych.

Nowości

Półprzewodnikowe przekaźniki do pracy w niesprzyjających warunkach

Delcon od ponad 40 lat specjalizuje się w produkcji wysokiej jakości przekaźników półprzewodnikowych. Jego produkty wyróżniają się wyjątkową żywotnością oraz przystosowaniem do pracy w niesprzyjających warunkach.

Nowości

Smart Signaling 50 – nowa generacja sygnalizacji przemysłowej od Auer Signal

Auer Signal – jeden z wiodących światowych producentów urządzeń sygnalizacyjnych i ostrzegawczych, w 2025 roku wprowadza na rynek nową linię produktów, Smart Signaling 50.

Z życia firmy

Zakupy z płatnością online

Klienci zarejestrowani w naszej platformie zakupowej zyskali dostęp do trzech form płatności online: Blik, Przelewy24 (bezpieczny przelew za pośrednictwem wybranego banku) oraz płatność kartą kredytową.

Warianty produktu Długość przewodu Kolor kabla Liczba przyłączeń Moc maksymalna Moc max. / Port Podłączenie Stopień ochrony IP Testowany w prowadniku kablowym Cena
10 m
Czarny
4 szt
Nie
10 m
Czarny
4 szt
12 A
2 A
M12, Ultra-Lock
IP67, IP68, IP69K
Nie
10 m
Czarny
8 szt
12 A
2 A
M12, Ultra-Lock
IP67, IP68, IP69K
Nie
10 m
Czarny
8 szt
12 A
2 A
M12, Ultra-Lock
IP67, IP68, IP69K
Nie
4 szt
12 A
2 A
M12, Ultra-Lock
IP67
8 szt
12 A
2 A
M12, Ultra-Lock
IP67

Wybrany wariant

Wybierz wariant produktu z listy

Wsparcie techniczne

Emilian Dudek

Product Manager MASZYNY

Wsparcie Klienta
Aby uzyskać informacje dotyczące zamówień i dostępności produktów, skontaktuj się z działem obsługi Klienta:
22 863 27 22
Wyślij e-mail
Potrzebujesz pomocy?
Logo

Ustawienia plików cookie w serwisie oemautomatic.pl

Pliki cookie pomagają nam usprawniać serwis i dostosowywać go do Państwa oczekiwań. Wykorzystujemy pliki cookie aby móc obsługiwać dane logowania i oferować spersonalizowane treści. Niektóre pliki cookie są wymagane dla podstawowej funkcjonalności witryny.

Informacje uzyskane za pośrednictwem plików cookie nigdy nie będą przedmiotem sprzedaży.

Mogą Państwo zaakceptować wszystkie pliki cookie lub spersonalizować swoje preferencje dotyczące określonych plików cookie. Mogą Państwo również zmienić ustawienia dotyczące plików cookie w dowolnym momencie, odwiedzając naszą stronę kontaktową.

Niezbędne pliki cookie

Te pliki cookie są niezbędne dla funkcjonowania strony internetowej i nie mogą być wyłączone w naszych systemach. Są one zazwyczaj ustawiane tylko w odpowiedzi na działania podejmowane przez użytkownika, które sprowadzają się do zapytania o usługi, takie jak ustawienie preferencji prywatności, logowanie lub wypełnianie formularzy. Te pliki cookie nie przechowują żadnych danych osobowych.

Pliki cookie dotyczące wydajności

Te pliki cookie umożliwiają nam zliczanie wizyt i źródeł ruchu, dzięki czemu możemy mierzyć i poprawiać wydajność naszej witryny. Pomagają ustalić, które strony są najbardziej i najmniej popularne i zobaczyć, jak odwiedzający poruszają się po stronie. Wszystkie informacje zbierane przez te pliki cookie są agregowane i tym samym anonimowe. Jeśli użytkownik nie zezwoli na stosowanie tych plików cookie, nie będziemy wiedzieli, kiedy odwiedził naszą stronę internetową.

Pliki cookie związane z reklamami i ich odbiorcami

Te pliki cookie mogą być ustawiane przez naszych partnerów reklamowych za pośrednictwem naszej strony internetowej. Mogą one być wykorzystywane przez te firmy do budowania profilu zainteresowań użytkownika i wyświetlania odpowiednich reklam na innych stronach. Nie przechowują one bezpośrednio danych osobowych, lecz opierają się na jednoznacznej identyfikacji przeglądarki i sprzętu internetowego. Jeśli użytkownik nie zezwoli na stosowanie tych plików cookie, doświadcza mniej ukierunkowanych reklam.