TECSIS
Manometry przeznaczone dla bardzo niskich ciśnień. Najmniejszy zakres to 0-10 mbar. Do stosowania w aplikacjach powietrzno-gazowych w przemyśle i medycynie. Dla mediów mogących stykać się z mosiądzem. Skala w mbar.
Ciecz tłumiąca | Nie |
---|---|
Masa | 100 g |
Materiał części stykających się z medium | Stop miedzi |
Materiał obudowy | ABS |
Max. temperatura medium | 60 °C |
Min. temperatura medium | -20 °C |
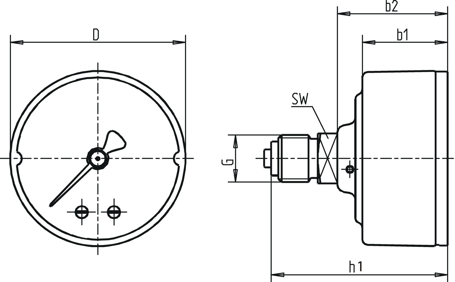
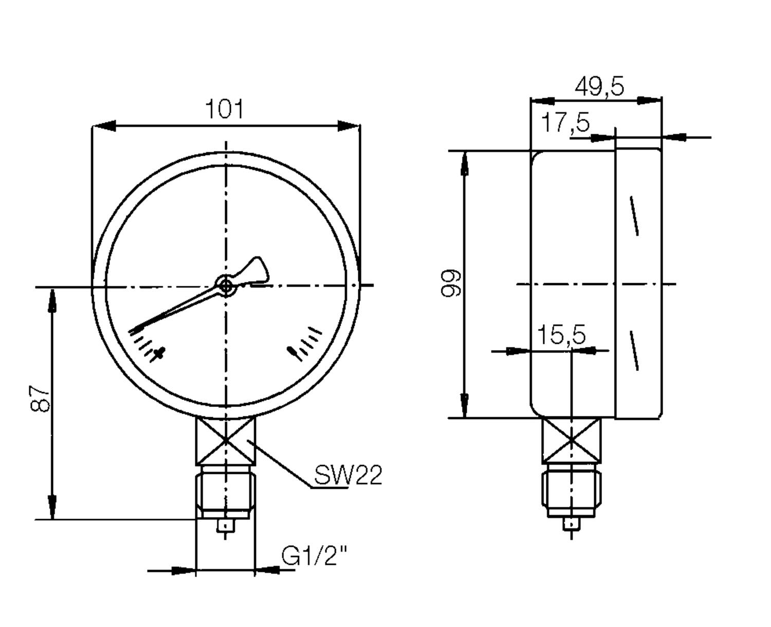
Podłączenie | G1/4 |
Rodzaj szkła | Pleksiglas |
Rozmiar | 63 mm |
---|---|
Skala | mbar |
Sklasyfikowana dokładność | ±2,5 % maksymalnej skali zgodnie z EN837-1 |
Temperatura otoczenia do | 60 °C |
Temperatura otoczenia od | -20 °C |
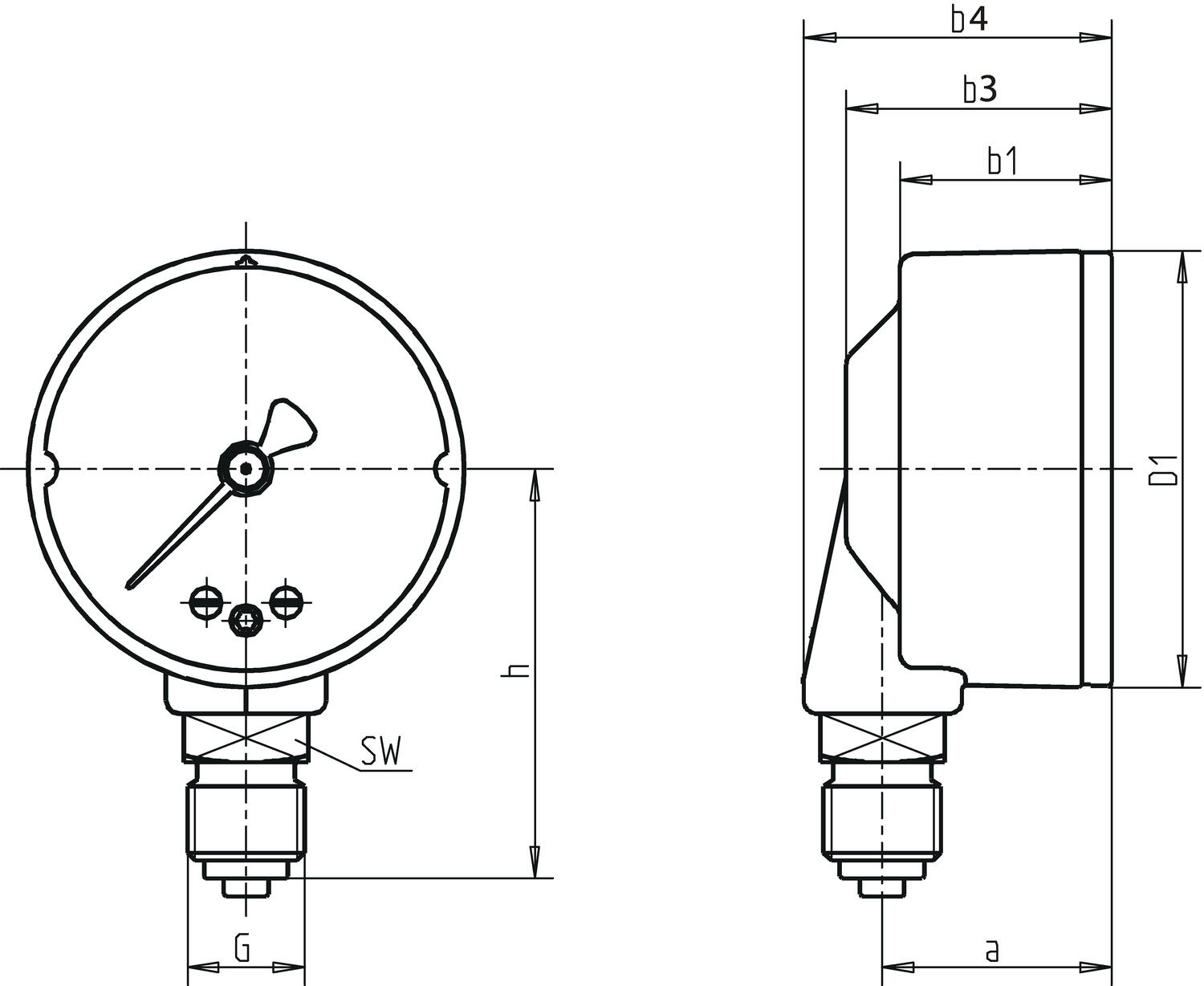
Układ portu | Dolny |
Zakres ciśnienia | 600 bar |
Manometry przeznaczone dla bardzo niskich ciśnień. Najmniejszy zakres to 0-10 mbar. Do stosowania w aplikacjach powietrzno-gazowych w przemyśle i medycynie. Dla mediów mogących stykać się z mosiądzem. Skala w mbar.
KTR 156/R firmy Sensit to specjalistyczny, rezystancyjny czujnik zaprojektowany z myślą o monitorowaniu temperatury łożysk osi w pojazdach szynowych.
Climate Air+ Solution – system zaprojektowany z myślą o monitorowaniu warunków środowiskowych w środowiskach przemysłowych i logistycznych.
W artykule przedstawiamy podstawowe informacje na temat manometrów. Wyjaśniamy różnice pomiędzy ich typami, omawiamy najważniejsze pojęcia oraz podpowiadamy, na co zwrócić uwagę przy zakupie manometru.
Przetworniki siły i czujniki tensometryczne to urządzenia służące do pomiaru ciężaru lub siły z dużą dokładnością w różnych zastosowaniach.
Przetworniki firmy WIKA są bardzo trwałe, mają zakres ciśnień od -1 do 15 000 bar, przyłącza procesowe G1/4" i G1/2" oraz sygnały wyjściowe 4-20 mA lub 0-10 V. Zachęcamy do kontaktu z nami, aby dobrać odpowiedni przetwornik ciśnienia do Państwa potrzeb.
W celu obniżenia kosztów i zwiększenia wydajności, oferujemy kombinację konduktometru ILM-4 i mętnościomierza ITM-51 wyposażonych w standard IO-link od specjalizującej się w zakresie czujników higienicznych, firmy Anderson-Negele.
|
|
|
|
|
||
---|---|---|---|---|---|---|
|
|
|
|
|
||
|
|
|
|
|
||
|
|
|
|
|
||
|
|
|
|
|
||
|
|
|
|
|
||
|
|
|
|
|
Warianty produktu | Masa | Podłączenie | Rozmiar | Układ portu | Zakres ciśnienia | Cena | ||
---|---|---|---|---|---|---|---|---|
![]()
Manometr 63 mm -60..0 mbar G1/4
Nr produktu:
P1549M010002
Skopiowano
|
100 g
|
G1/4
|
63 mm
|
Dolny
|
600 bar
|
| ||
![]()
Manometr 63 mm -100..0 mbar G1/4
Nr produktu:
P1549M011002
Skopiowano
|
100 g
|
G1/4
|
63 mm
|
Dolny
|
1000 bar
|
| ||
![]()
Manometr 63 mm -160..0 mbar G1/4
Nr produktu:
P1549M012002
Skopiowano
|
100 g
|
G1/4
|
63 mm
|
Dolny
|
1600 bar
|
| ||
![]()
Manometr 63 mm -250..0 mbar G1/4
Nr produktu:
P1549M013002
Skopiowano
|
100 g
|
G1/4
|
63 mm
|
Dolny
|
2500 bar
|
| ||
![]()
Manometr 63 mm -400..0 mbar G1/4
Nr produktu:
P1549M014002
Skopiowano
|
100 g
|
G1/4
|
63 mm
|
Dolny
|
4000 bar
|
| ||
![]()
Manometr 63 mm -600..0 mbar G1/4
Nr produktu:
P1549M826903
Skopiowano
|
100 g
|
G1/4
|
63 mm
|
Dolny
|
6000 bar
|
| ||
![]()
Manometr 63 mm 0..60 mbar G1/4
Nr produktu:
P1549M062002
Skopiowano
|
100 g
|
G1/4
|
63 mm
|
Dolny
|
60 bar
|
| ||
![]()
Manometr 63 mm 0..100 mbar G1/4
Nr produktu:
P1549M063002
Skopiowano
|
100 g
|
G1/4
|
63 mm
|
Dolny
|
100 bar
|
| ||
![]()
Manometr 63 mm 0..160 mbar G1/4
Nr produktu:
P1549M064002
Skopiowano
|
100 g
|
G1/4
|
63 mm
|
Dolny
|
160 bar
|
| ||
![]()
Manometr 63 mm 0..250 mbar G1/4
Nr produktu:
P1549M065002
Skopiowano
|
100 g
|
G1/4
|
63 mm
|
Dolny
|
|
| ||
![]()
Manometr 63 mm 0..400 mbar G1/4
Nr produktu:
P1549M066002
Skopiowano
|
100 g
|
G1/4
|
63 mm
|
Dolny
|
400 bar
|
| ||
![]()
Manometr 63 mm 0..600 mbar G1/4
Nr produktu:
P1549M094002
Skopiowano
|
100 g
|
G1/4
|
63 mm
|
Dolny
|
600 bar
|
| ||
![]()
Manometr 63 mm -60..0 mbar G1/4B
Nr produktu:
P1550M010902
Skopiowano
|
130 g
|
G1/4
|
63 mm
|
Tylny
|
600 bar
|
| ||
![]()
Manometr 63 mm -100..0 mbar G1/4B
Nr produktu:
P1550M011902
Skopiowano
|
130 g
|
G1/4
|
63 mm
|
Tylny
|
1000 bar
|
| ||
![]()
Manometr 63 mm -160..0 mbar G1/4B
Nr produktu:
P1550M012902
Skopiowano
|
130 g
|
G1/4
|
63 mm
|
Tylny
|
1600 bar
|
| ||
![]()
Manometr 63 mm -250..0 mbar G1/4B
Nr produktu:
P1550M013902
Skopiowano
|
130 g
|
G1/4
|
63 mm
|
Tylny
|
2500 bar
|
| ||
![]()
Manometr 63 mm -400..0 mbar G1/4B
Nr produktu:
P1550M014902
Skopiowano
|
130 g
|
G1/4
|
63 mm
|
Tylny
|
4000 bar
|
| ||
![]()
Manometr 63 mm -600..0 mbar G1/4B
Nr produktu:
P1550M826902
Skopiowano
|
130 g
|
G1/4
|
63 mm
|
Tylny
|
6000 bar
|
| ||
![]()
Manometr 63 mm 0..60 mbar G1/4B
Nr produktu:
P1550M062002
Skopiowano
|
130 g
|
G1/4
|
63 mm
|
Tylny
|
60 bar
|
| ||
![]()
Manometr 63 mm 0..100 mbar G1/4B
Nr produktu:
P1550M063002
Skopiowano
|
130 g
|
G1/4
|
63 mm
|
Tylny
|
100 bar
|
| ||
![]()
Manometr 63 mm 0..160 mbar G1/4B
Nr produktu:
P1550M064002
Skopiowano
|
130 g
|
G1/4
|
63 mm
|
Tylny
|
160 bar
|
| ||
![]()
Manometr 63 mm 0..250 mbar G1/4B
Nr produktu:
P1550M065002
Skopiowano
|
130 g
|
G1/4
|
63 mm
|
Tylny
|
|
| ||
![]()
Nr produktu:
P1550M066002
Skopiowano
|
130 g
|
G1/4
|
63 mm
|
Tylny
|
400 bar
|
| ||
![]()
Nr produktu:
P1550M094002
Skopiowano
|
130 g
|
G1/4
|
63 mm
|
Tylny
|
600 bar
|
| ||
![]()
Manometr 100 mm -16..0 mbar G1/2
Nr produktu:
P1563M007902
Skopiowano
|
600 g
|
G1/2"
|
100 mm
|
Dolny
|
160 bar
|
| ||
![]()
Manometr 100 mm -25..0 mbar G1/2
Nr produktu:
P1563M008902
Skopiowano
|
600 g
|
G1/2"
|
100 mm
|
Dolny
|
250 bar
|
| ||
![]()
Manometr 100 mm -40..0 mbar G1/2
Nr produktu:
P1563M009902
Skopiowano
|
600 g
|
G1/2"
|
100 mm
|
Dolny
|
400 bar
|
| ||
![]()
Manometr 100 mm -60..0 mbar G1/2
Nr produktu:
P1563M010002
Skopiowano
|
600 g
|
G1/2"
|
100 mm
|
Dolny
|
600 bar
|
| ||
![]()
Manometr 100 mm -100..0 mbar G1/2
Nr produktu:
P1563M011002
Skopiowano
|
600 g
|
G1/2"
|
100 mm
|
Dolny
|
1000 bar
|
| ||
![]()
Manometr 100 mm -160..0 mbar G1/2
Nr produktu:
P1563M012002
Skopiowano
|
600 g
|
G1/2"
|
100 mm
|
Dolny
|
1600 bar
|
| ||
![]()
Manometr 100 mm -250..0 mbar G1/2
Nr produktu:
P1563M013002
Skopiowano
|
600 g
|
G1/2"
|
100 mm
|
Dolny
|
2500 bar
|
| ||
![]()
Manometr 100 mm -400..0 mbar G1/2
Nr produktu:
P1563M014002
Skopiowano
|
600 g
|
G1/2"
|
100 mm
|
Dolny
|
4000 bar
|
| ||
![]()
Manometr 100 mm -600..0 mbar G1/2
Nr produktu:
P1563M826902
Skopiowano
|
600 g
|
G1/2"
|
100 mm
|
Dolny
|
6000 bar
|
| ||
![]()
Manometr 100 mm 0..16 mbar G1/2
Nr produktu:
P1563M059902
Skopiowano
|
600 g
|
G1/2"
|
100 mm
|
Dolny
|
16 bar
|
| ||
![]()
Manometr 100 mm 0..25 mbar G1/2
Nr produktu:
P1563M060002
Skopiowano
|
600 g
|
G1/2"
|
100 mm
|
Dolny
|
25 bar
|
| ||
![]()
Manometr 100 mm 0..40 mbar G1/2
Nr produktu:
P1563M061002
Skopiowano
|
600 g
|
G1/2"
|
100 mm
|
Dolny
|
40 bar
|
| ||
![]()
Manometr 100 mm 0..60 mbar G1/2
Nr produktu:
P1563M062002
Skopiowano
|
600 g
|
G1/2"
|
100 mm
|
Dolny
|
60 bar
|
| ||
![]()
Manometr 100 mm 0..100 mbar G1/2
Nr produktu:
P1563M063002
Skopiowano
|
600 g
|
G1/2"
|
100 mm
|
Dolny
|
100 bar
|
| ||
![]()
Manometr 100 mm 0..160 mbar G1/2
Nr produktu:
P1563M064002
Skopiowano
|
600 g
|
G1/2"
|
100 mm
|
Dolny
|
160 bar
|
| ||
![]()
Manometr 100 mm 0..250 mbar G1/2
Nr produktu:
P1563M065002
Skopiowano
|
600 g
|
G1/2"
|
100 mm
|
Dolny
|
|
| ||
![]()
Manometr 100 mm 0..400 mbar G1/2
Nr produktu:
P1563M066002
Skopiowano
|
600 g
|
G1/2"
|
100 mm
|
Dolny
|
400 bar
|
| ||
![]()
Manometr 100 mm 0..600 mbar G1/2
Nr produktu:
P1563M094902
Skopiowano
|
600 g
|
G1/2"
|
100 mm
|
Dolny
|
600 bar
|
|
Wybierz wariant produktu z listy
Marcin Michalski