TECSIS
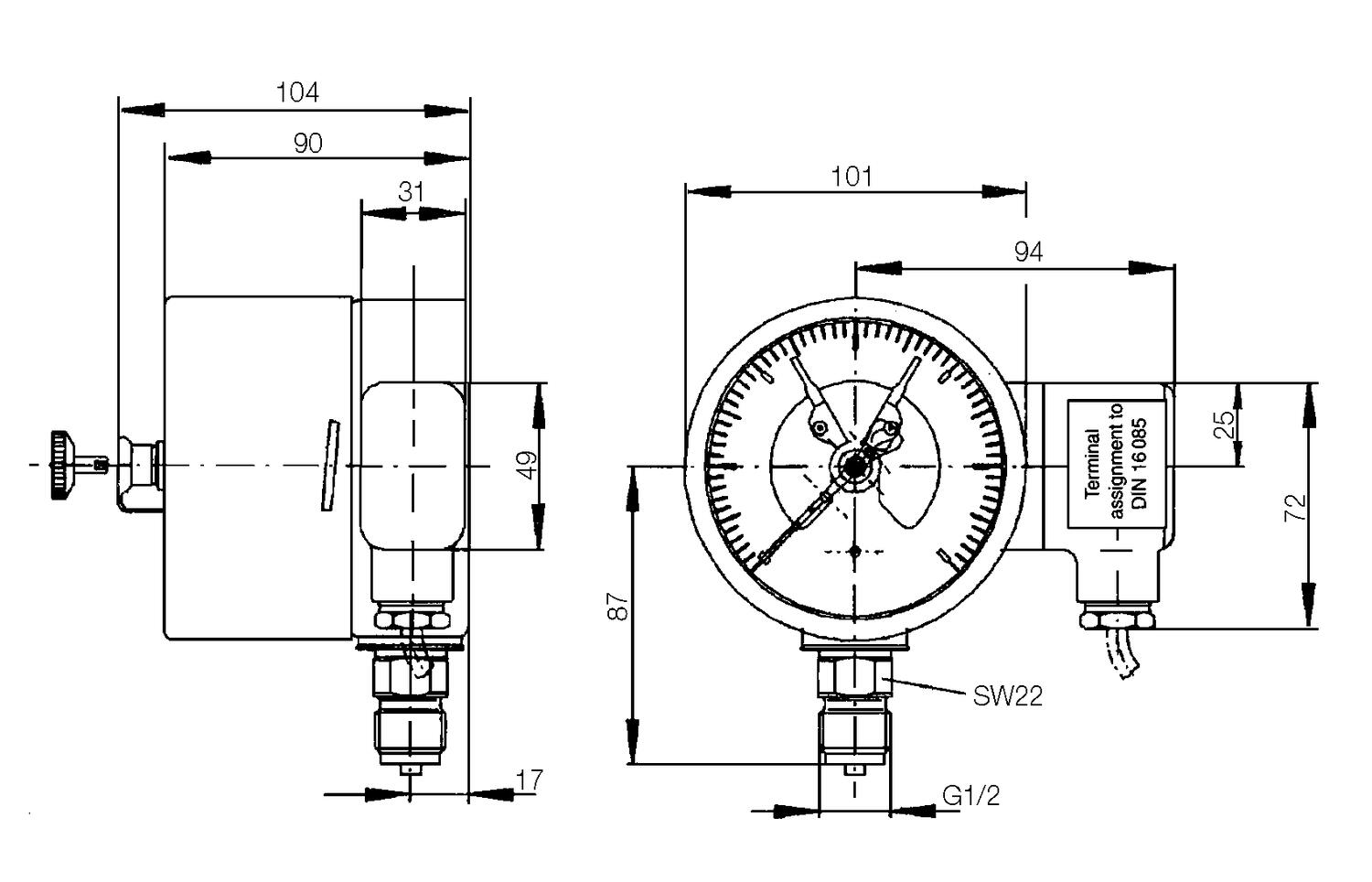
Manometr z wbudowanym przełącznikiem ciśnieniowym. Oznacza to, że poza wskazywaniem aktualnego ciśnienia manometr ten umożliwia zmianę stanu styków przy osiągnięciu ustawionej wartości ciśnienia. Punkty przełączenia reguluje się przy użyciu wskaźników ustawianych ręcznie na skali manometru. Model posiada dwa styki magnetyczne: zwierny i rozwierny.
Ciecz tłumiąca | Nie |
---|---|
Masa | 900 g |
Materiał części stykających się z medium | Stop miedzi |
Materiał obudowy | Czarny lakierowany arkusz |
Max. temperatura medium | 80 °C |
Min. temperatura medium | -20 °C |
Podłączenie | G1/2" |
Rodzaj szkła | Pleksiglas |
Rozmiar | 100 mm |
Skala | bar |
---|---|
Sklasyfikowana dokładność | ±1,0 % maksymalnej skali zgodnie z EN837-1 |
Stopień ochrony IP | IP54 |
Temperatura otoczenia do | 60 °C |
Temperatura otoczenia od | -20 °C |
Układ portu | Dolny |
Zakres ciśnienia | 10 bar |
Manometr z wbudowanym przełącznikiem ciśnieniowym. Oznacza to, że poza wskazywaniem aktualnego ciśnienia manometr ten umożliwia zmianę stanu styków przy osiągnięciu ustawionej wartości ciśnienia. Punkty przełączenia reguluje się przy użyciu wskaźników ustawianych ręcznie na skali manometru. Model posiada dwa styki magnetyczne: zwierny i rozwierny.
KTR 156/R firmy Sensit to specjalistyczny, rezystancyjny czujnik zaprojektowany z myślą o monitorowaniu temperatury łożysk osi w pojazdach szynowych.
Climate Air+ Solution – system zaprojektowany z myślą o monitorowaniu warunków środowiskowych w środowiskach przemysłowych i logistycznych.
W artykule przedstawiamy podstawowe informacje na temat manometrów. Wyjaśniamy różnice pomiędzy ich typami, omawiamy najważniejsze pojęcia oraz podpowiadamy, na co zwrócić uwagę przy zakupie manometru.
Przetworniki siły i czujniki tensometryczne to urządzenia służące do pomiaru ciężaru lub siły z dużą dokładnością w różnych zastosowaniach.
Przetworniki firmy WIKA są bardzo trwałe, mają zakres ciśnień od -1 do 15 000 bar, przyłącza procesowe G1/4" i G1/2" oraz sygnały wyjściowe 4-20 mA lub 0-10 V. Zachęcamy do kontaktu z nami, aby dobrać odpowiedni przetwornik ciśnienia do Państwa potrzeb.
W celu obniżenia kosztów i zwiększenia wydajności, oferujemy kombinację konduktometru ILM-4 i mętnościomierza ITM-51 wyposażonych w standard IO-link od specjalizującej się w zakresie czujników higienicznych, firmy Anderson-Negele.
|
|
|
|
|
||
---|---|---|---|---|---|---|
|
|
|
|
|
||
|
|
|
|
|
||
|
|
|
|
|
||
|
|
|
|
|
||
|
|
|
|
|
||
|
|
|
|
|
Warianty produktu | Materiał części stykających się z medium | Układ portu | Zakres ciśnienia | Cena | ||
---|---|---|---|---|---|---|
![]()
Manometr 100 mm -1..0 bar G1/2
Nr produktu:
P1601B016001
Skopiowano
|
Stop miedzi
|
Dolny
|
10 bar
|
| ||
![]()
Manometr 100 mm -1..0,6 bar G1/2
Nr produktu:
P1601B042902
Skopiowano
|
Stop miedzi
|
Dolny
|
106 bar
|
| ||
![]()
Manometr 100 mm -1..1,5 bar G1/2
Nr produktu:
P1601B043902
Skopiowano
|
Stop miedzi
|
Dolny
|
115 bar
|
| ||
![]()
Manometr 100 mm -1..3 bar G1/2
Nr produktu:
P1601B044902
Skopiowano
|
Stop miedzi
|
Dolny
|
13 bar
|
| ||
![]()
Manometr 100 mm -1..5 bar G1/2
Nr produktu:
P1601B045902
Skopiowano
|
Stop miedzi
|
Dolny
|
15 bar
|
| ||
![]()
Manometr 100 mm -1..9 bar G1/2
Nr produktu:
P1601B046902
Skopiowano
|
Stop miedzi
|
Dolny
|
19 bar
|
| ||
![]()
Manometr 100 mm 0..1 bar G1/2
Nr produktu:
P1601B069902
Skopiowano
|
Stop miedzi
|
Dolny
|
1 bar
|
| ||
![]()
Manometr 100 mm 0..1,6 bar G1/2
Nr produktu:
P1601B070902
Skopiowano
|
Stop miedzi
|
Dolny
|
16 bar
|
| ||
![]()
Manometr 100 mm 0..2,5 bar G1/2
Nr produktu:
P1601B072001
Skopiowano
|
Stop miedzi
|
Dolny
|
25 bar
|
| ||
![]()
Manometr 100 mm 0..4 bar G1/2
Nr produktu:
P1601B073001
Skopiowano
|
Stop miedzi
|
Dolny
|
4 bar
|
| ||
![]()
Manometr 100 mm 0..6 bar G1/2
Nr produktu:
P1601B074001
Skopiowano
|
Stop miedzi
|
Dolny
|
6 bar
|
| ||
![]()
Manometr 100 mm 0..10 bar G1/2
Nr produktu:
P1601B075001
Skopiowano
|
Stop miedzi
|
Dolny
|
10 bar
|
| ||
![]()
Manometr 100 mm 0..16 bar G1/2
Nr produktu:
P1601B076001
Skopiowano
|
Stop miedzi
|
Dolny
|
161 bar
|
| ||
![]()
Manometr 100 mm 0..25 bar G1/2
Nr produktu:
P1601B078001
Skopiowano
|
Stop miedzi
|
Dolny
|
251 bar
|
| ||
![]()
Manometr 100 mm 0..40 bar G1/2
Nr produktu:
P1601B079001
Skopiowano
|
Stop miedzi
|
Dolny
|
40 bar
|
| ||
![]()
Manometr 100 mm 0..60 bar G1/2
Nr produktu:
P1601B080001
Skopiowano
|
Stop miedzi
|
Dolny
|
60 bar
|
| ||
![]()
Manometr 100 mm 0..100 bar G1/2
Nr produktu:
P1601B081001
Skopiowano
|
Stal nierdzewna 316L, Stop miedzi
|
Dolny
|
100 bar
|
| ||
![]()
Manometr 100 mm 0..160 bar G1/2
Nr produktu:
P1601B082001
Skopiowano
|
Stal nierdzewna 316L, Stop miedzi
|
Dolny
|
160 bar
|
| ||
![]()
Manometr 100 mm 0..250 bar G1/2
Nr produktu:
P1601B084001
Skopiowano
|
Stal nierdzewna 316L, Stop miedzi
|
Dolny
|
250 bar
|
| ||
![]()
Manometr 100 mm 0..400 bar G1/2
Nr produktu:
P1601B086001
Skopiowano
|
Stal nierdzewna 316L, Stop miedzi
|
Dolny
|
400 bar
|
| ||
![]()
Manometr 100 mm 0..600 bar G1/2
Nr produktu:
P1601B087001
Skopiowano
|
Stal nierdzewna 316L, Stop miedzi
|
Dolny
|
600 bar
|
| ||
![]()
Manometr 100 mm 0..1000 bar G1/2
Nr produktu:
P1601B088902
Skopiowano
|
Stal nierdzewna 316L, Stop miedzi
|
Dolny
|
1000 bar
|
| ||
![]()
Manometr 100 mm -1..0 bar G1/2
Nr produktu:
P1611B016904
Skopiowano
|
Stop miedzi
|
Tylny
|
10 bar
|
| ||
![]()
Manometr 100 mm -1..0,6 bar G1/2
Nr produktu:
P1611B042904
Skopiowano
|
Stop miedzi
|
Tylny
|
106 bar
|
| ||
![]()
Manometr 100 mm -1..1,5 bar G1/2
Nr produktu:
P1611B043904
Skopiowano
|
Stop miedzi
|
Tylny
|
115 bar
|
| ||
![]()
Manometr 100 mm -1..3 bar G1/2
Nr produktu:
P1611B044904
Skopiowano
|
Stop miedzi
|
Tylny
|
13 bar
|
| ||
![]()
Manometr 100 mm -1..5 bar G1/2
Nr produktu:
P1611B045904
Skopiowano
|
Stop miedzi
|
Tylny
|
15 bar
|
| ||
![]()
Manometr 100 mm -1..9 bar G1/2
Nr produktu:
P1611B046904
Skopiowano
|
Stop miedzi
|
Tylny
|
19 bar
|
| ||
![]()
Manometr 100 mm 0..1 bar G1/2
Nr produktu:
P1611B069904
Skopiowano
|
Stop miedzi
|
Tylny
|
1 bar
|
| ||
![]()
Manometr 100 mm 0..1,6 bar G1/2
Nr produktu:
P1611B070904
Skopiowano
|
Stop miedzi
|
Tylny
|
16 bar
|
| ||
![]()
Manometr 100 mm 0..2,5 bar G1/2
Nr produktu:
P1611B072001
Skopiowano
|
Stop miedzi
|
Tylny
|
25 bar
|
| ||
![]()
Manometr 100 mm 0..4 bar G1/2
Nr produktu:
P1611B073001
Skopiowano
|
Stop miedzi
|
Tylny
|
4 bar
|
| ||
![]()
Manometr 100 mm 0..6 bar G1/2
Nr produktu:
P1611B074001
Skopiowano
|
Stop miedzi
|
Tylny
|
6 bar
|
| ||
![]()
Manometr 100 mm 0..10 bar G1/2
Nr produktu:
P1611B075001
Skopiowano
|
Stop miedzi
|
Tylny
|
10 bar
|
| ||
![]()
Manometr 100 mm 0..16 bar G1/2
Nr produktu:
P1611B076001
Skopiowano
|
Stop miedzi
|
Tylny
|
161 bar
|
| ||
![]()
Manometr 100 mm 0..25 bar G1/2
Nr produktu:
P1611B078001
Skopiowano
|
Stop miedzi
|
Tylny
|
251 bar
|
| ||
![]()
Manometr 100 mm 0..40 bar G1/2
Nr produktu:
P1611B079001
Skopiowano
|
Stop miedzi
|
Tylny
|
40 bar
|
| ||
![]()
Manometr 100 mm 0..60 bar G1/2
Nr produktu:
P1611B080001
Skopiowano
|
Stop miedzi
|
Tylny
|
60 bar
|
| ||
![]()
Manometr 100 mm 0..100 bar G1/2
Nr produktu:
P1611B081001
Skopiowano
|
Stal nierdzewna 316L, Stop miedzi
|
Tylny
|
100 bar
|
| ||
![]()
Manometr 100 mm 0..160 bar G1/2
Nr produktu:
P1611B082001
Skopiowano
|
Stal nierdzewna 316L, Stop miedzi
|
Tylny
|
160 bar
|
| ||
![]()
Manometr 100 mm 0..250 bar G1/2
Nr produktu:
P1611B084001
Skopiowano
|
Stal nierdzewna 316L, Stop miedzi
|
Tylny
|
250 bar
|
| ||
![]()
Manometr 100 mm 0..400 bar G1/2
Nr produktu:
P1611B086001
Skopiowano
|
Stal nierdzewna 316L, Stop miedzi
|
Tylny
|
400 bar
|
| ||
![]()
Manometr 100 mm 0..600 bar G1/2
Nr produktu:
P1611B087001
Skopiowano
|
Stal nierdzewna 316L, Stop miedzi
|
Tylny
|
600 bar
|
| ||
![]()
Manometr 100 mm 0..1000 bar G1/2
Nr produktu:
P1611B088904
Skopiowano
|
Stal nierdzewna 316L, Stop miedzi
|
Tylny
|
1000 bar
|
|
Wybierz wariant produktu z listy
Marcin Michalski