TECSIS
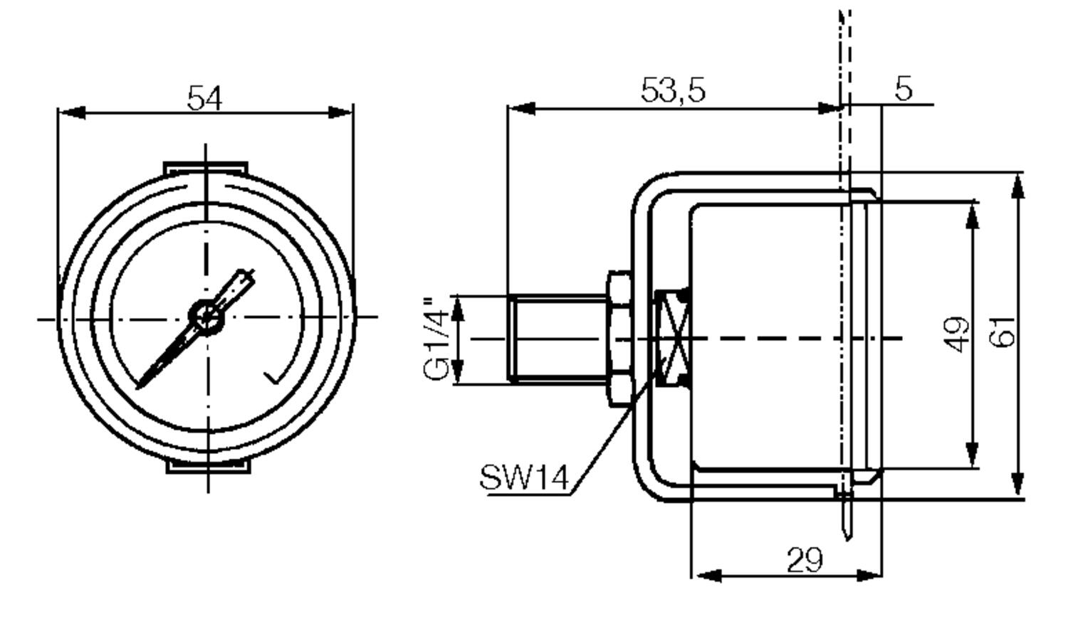
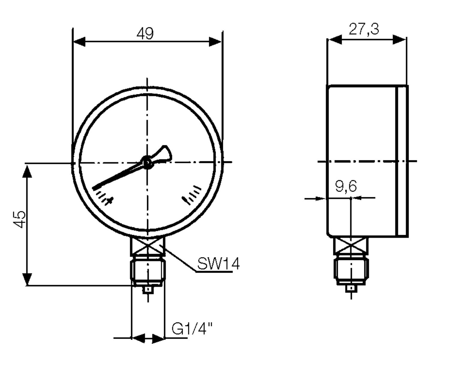
Małe manometry ogólnego zastosowania do pomiaru ciśnienia powietrza, gazów obojętnych, wody i innych mediów mogących stykać się z mosiądzem. Manometry z przyłączem od dołu mają obudowę z tworzywa sztucznego. Manometry do montażu panelowego znajdują się w metalowej obudowie lakierowanej w kolorze czarnym z chromowanym pierścieniem przednim.
Ciecz tłumiąca | Nie |
---|---|
Masa | 90 g |
Materiał części stykających się z medium | Stop miedzi |
Materiał obudowy | ABS |
Max. temperatura medium | 60 °C |
Podłączenie | G1/4 |
Rodzaj szkła | Pleksiglas |
Rozmiar | 50 mm |
Skala | bar |
---|---|
Sklasyfikowana dokładność | ±2,5 % maksymalnej skali zgodnie z EN837-1 |
Temperatura otoczenia do | 60 °C |
Temperatura otoczenia od | -20 °C |
Układ portu | Dolny |
Zakres ciśnienia | 10 bar |
Małe manometry ogólnego zastosowania do pomiaru ciśnienia powietrza, gazów obojętnych, wody i innych mediów mogących stykać się z mosiądzem. Manometry z przyłączem od dołu mają obudowę z tworzywa sztucznego. Manometry do montażu panelowego znajdują się w metalowej obudowie lakierowanej w kolorze czarnym z chromowanym pierścieniem przednim.
KTR 156/R firmy Sensit to specjalistyczny, rezystancyjny czujnik zaprojektowany z myślą o monitorowaniu temperatury łożysk osi w pojazdach szynowych.
Climate Air+ Solution – system zaprojektowany z myślą o monitorowaniu warunków środowiskowych w środowiskach przemysłowych i logistycznych.
W artykule przedstawiamy podstawowe informacje na temat manometrów. Wyjaśniamy różnice pomiędzy ich typami, omawiamy najważniejsze pojęcia oraz podpowiadamy, na co zwrócić uwagę przy zakupie manometru.
Przetworniki siły i czujniki tensometryczne to urządzenia służące do pomiaru ciężaru lub siły z dużą dokładnością w różnych zastosowaniach.
Przetworniki firmy WIKA są bardzo trwałe, mają zakres ciśnień od -1 do 15 000 bar, przyłącza procesowe G1/4" i G1/2" oraz sygnały wyjściowe 4-20 mA lub 0-10 V. Zachęcamy do kontaktu z nami, aby dobrać odpowiedni przetwornik ciśnienia do Państwa potrzeb.
W celu obniżenia kosztów i zwiększenia wydajności, oferujemy kombinację konduktometru ILM-4 i mętnościomierza ITM-51 wyposażonych w standard IO-link od specjalizującej się w zakresie czujników higienicznych, firmy Anderson-Negele.
|
|
|
|
|
||
---|---|---|---|---|---|---|
|
|
|
|
|
||
|
|
|
|
|
||
|
|
|
|
|
||
|
|
|
|
|
||
|
|
|
|
|
||
|
|
|
|
|
Warianty produktu | Układ portu | Zakres ciśnienia | Cena | ||
---|---|---|---|---|---|
![]()
Manometr 50 mm -1..0 bar G1/4
Nr produktu:
P1420B016001
Skopiowano
|
Dolny
|
10 bar
|
| ||
![]()
Manometr 50 mm -1..0,6 bar G1/4
Nr produktu:
P1420B042901
Skopiowano
|
Dolny
|
106 bar
|
| ||
![]()
Manometr 50 mm -1..1,5 bar G1/4
Nr produktu:
P1420B043001
Skopiowano
|
Dolny
|
115 bar
|
| ||
![]()
Manometr 50 mm -1..3 bar G1/4
Nr produktu:
P1420B044001
Skopiowano
|
Dolny
|
13 bar
|
| ||
![]()
Manometr 50 mm -1..5 bar G1/4
Nr produktu:
P1420B045001
Skopiowano
|
Dolny
|
15 bar
|
| ||
![]()
Manometr 50 mm -1..9 bar G1/4
Nr produktu:
P1420B046901
Skopiowano
|
Dolny
|
19 bar
|
| ||
![]()
Manometr 50 mm -1..15 bar G1/4
Nr produktu:
P1420B049901
Skopiowano
|
Dolny
|
1151 bar
|
| ||
![]()
Manometr 50 mm 0..0,6 bar G1/4
Nr produktu:
P1420B067001
Skopiowano
|
Dolny
|
6 bar
|
| ||
![]()
Manometr 50 mm 0..1 bar G1/4
Nr produktu:
P1420B069001
Skopiowano
|
Dolny
|
1 bar
|
| ||
![]()
Manometr 50 mm 0..1,6 bar G1/4
Nr produktu:
P1420B070001
Skopiowano
|
Dolny
|
16 bar
|
| ||
![]()
Manometr 50 mm 0..4 bar G1/4
Nr produktu:
P1420B072001
Skopiowano
|
Dolny
|
25 bar
|
| ||
![]()
Manometr 50 mm 0..4bar G1/4
Nr produktu:
P1420B073001
Skopiowano
|
Dolny
|
4 bar
|
| ||
![]()
Manometr 50 mm 0..6 bar G1/4
Nr produktu:
P1420B074001
Skopiowano
|
Dolny
|
6 bar
|
| ||
![]()
Manometr 50 mm 0..10 bar G1/4
Nr produktu:
P1420B075001
Skopiowano
|
Dolny
|
10 bar
|
| ||
![]()
Manometr 50 mm 0..16 bar G1/4
Nr produktu:
P1420B076001
Skopiowano
|
Dolny
|
161 bar
|
| ||
![]()
Manometr 50 mm 0..25 bar G1/4
Nr produktu:
P1420B078001
Skopiowano
|
Dolny
|
251 bar
|
| ||
![]()
Manometr 50 mm 0..40 bar G1/4
Nr produktu:
P1420B079001
Skopiowano
|
Dolny
|
40 bar
|
| ||
![]()
Manometr 50 mm 0..60 bar G1/4
Nr produktu:
P1420B080001
Skopiowano
|
Dolny
|
60 bar
|
| ||
![]()
Manometr 50 mm 0..100 bar G1/4
Nr produktu:
P1420B081001
Skopiowano
|
Dolny
|
100 bar
|
| ||
![]()
Manometr 50 mm 0..160 bar G1/4
Nr produktu:
P1420B082001
Skopiowano
|
Dolny
|
160 bar
|
| ||
![]()
Manometr 50 mm 0..250 bar G1/4
Nr produktu:
P1420B084001
Skopiowano
|
Dolny
|
250 bar
|
| ||
![]()
Manometr 50 mm 0..315 bar G1/4
Nr produktu:
P1420B085001
Skopiowano
|
Dolny
|
315 bar
|
| ||
![]()
Manometr 50 mm 0..400 bar G1/4
Nr produktu:
P1420B086001
Skopiowano
|
Dolny
|
400 bar
|
| ||
![]()
Manometr 50 mm -1..0 bar G1/4B
Nr produktu:
P1425B016001
Skopiowano
|
Tylny
|
10 bar
|
| ||
![]()
Manometr 50 mm -1..0,6 bar G1/4B
Nr produktu:
P1425B042901
Skopiowano
|
Tylny
|
106 bar
|
| ||
![]()
Manometr 50 mm -1..1,5 bar G1/4B
Nr produktu:
P1425B043001
Skopiowano
|
Tylny
|
115 bar
|
| ||
![]()
Manometr 50 mm -1..3 bar G1/4B
Nr produktu:
P1425B044001
Skopiowano
|
Tylny
|
13 bar
|
| ||
![]()
Manometr 50 mm -1..5 bar G1/4B
Nr produktu:
P1425B045901
Skopiowano
|
Tylny
|
15 bar
|
| ||
![]()
Manometr 50 mm -1..9 bar G1/4B
Nr produktu:
P1425B046901
Skopiowano
|
Tylny
|
19 bar
|
| ||
![]()
Manometr 50 mm -1..15 bar G1/4B
Nr produktu:
P1425B049901
Skopiowano
|
Tylny
|
1151 bar
|
| ||
![]()
Manometr 50 mm 0..0,6 bar G1/4B
Nr produktu:
P1425B067001
Skopiowano
|
Tylny
|
6 bar
|
| ||
![]()
Manometr 50 mm 0..1 bar G1/4B
Nr produktu:
P1425B069001
Skopiowano
|
Tylny
|
1 bar
|
| ||
![]()
Manometr 50 mm 0..1,6 bar G1/4B
Nr produktu:
P1425B070001
Skopiowano
|
Tylny
|
16 bar
|
| ||
![]()
Manometr 50 mm 0..2,5 bar G1/4B
Nr produktu:
P1425B072001
Skopiowano
|
Tylny
|
25 bar
|
| ||
![]()
Manometr 50 mm 0..4 bar G1/4B
Nr produktu:
P1425B073001
Skopiowano
|
Tylny
|
4 bar
|
| ||
![]()
Manometr 50 mm 0..6 bar G1/4B
Nr produktu:
P1425B074001
Skopiowano
|
Tylny
|
6 bar
|
| ||
![]()
Manometr 50 mm 0..10 bar G1/4B
Nr produktu:
P1425B075001
Skopiowano
|
Tylny
|
10 bar
|
| ||
![]()
Manometr 50 mm 0..16 bar G1/4B
Nr produktu:
P1425B076001
Skopiowano
|
Tylny
|
161 bar
|
| ||
![]()
Manometr 50 mm 0..25 bar G1/4B
Nr produktu:
P1425B078001
Skopiowano
|
Tylny
|
251 bar
|
| ||
![]()
Manometr 50 mm 0..40 bar G1/4B
Nr produktu:
P1425B079001
Skopiowano
|
Tylny
|
40 bar
|
| ||
![]()
Manometr 50 mm 0..60 bar G1/4B
Nr produktu:
P1425B080001
Skopiowano
|
Tylny
|
60 bar
|
| ||
![]()
Manometr 50 mm 0..100 bar G1/4B
Nr produktu:
P1425B081001
Skopiowano
|
Tylny
|
100 bar
|
| ||
![]()
Manometr 50 mm 0..160 bar G1/4B
Nr produktu:
P1425B082001
Skopiowano
|
Tylny
|
160 bar
|
| ||
![]()
Manometr 50 mm 0..250 bar G1/4B
Nr produktu:
P1425B084001
Skopiowano
|
Tylny
|
250 bar
|
| ||
![]()
Manometr 50 mm 0..315 bar G1/4B
Nr produktu:
P1425B085001
Skopiowano
|
Tylny
|
315 bar
|
| ||
![]()
Manometr 50 mm 0..400 bar G1/4B
Nr produktu:
P1425B086001
Skopiowano
|
Tylny
|
400 bar
|
| ||
![]()
Manometr 50 mm -1..0 bar G1/4
Nr produktu:
P1425B016002
Skopiowano
|
Tylny
|
10 bar
|
| ||
![]()
Manometr 50 mm -1..1,5 bar G1/4
Nr produktu:
P1425B043902
Skopiowano
|
Tylny
|
115 bar
|
| ||
![]()
Manometr 50 mm -1..5 bar G1/4B
Nr produktu:
P1425B045902
Skopiowano
|
Tylny
|
15 bar
|
| ||
![]()
Manometr 50 mm -1..9 bar G1/4B
Nr produktu:
P1425B046903
Skopiowano
|
Tylny
|
19 bar
|
| ||
![]()
Manometr 50 mm 0..0,6 bar G1/4
Nr produktu:
P1425B067902
Skopiowano
|
Tylny
|
6 bar
|
| ||
![]()
Manometr 50 mm 0..2,5 bar G1/4B
Nr produktu:
P1425B072004
Skopiowano
|
Tylny
|
25 bar
|
| ||
![]()
Manometr 50 mm 0..4 bar G1/4B
Nr produktu:
P1425B073002
Skopiowano
|
Tylny
|
4 bar
|
| ||
![]()
Manometr 50 mm 0..6 bar G1/4B
Nr produktu:
P1425B074004
Skopiowano
|
Tylny
|
6 bar
|
| ||
![]()
Manometr 50 mm 0..10 bar G1/4B
Nr produktu:
P1425B075004
Skopiowano
|
Tylny
|
10 bar
|
| ||
![]()
Manometr 50 mm 0..16 bar G1/4B
Nr produktu:
P1425B076004
Skopiowano
|
Tylny
|
161 bar
|
| ||
![]()
Manometr 50 mm 0..25 bar G1/4B
Nr produktu:
P1425B078002
Skopiowano
|
Tylny
|
251 bar
|
| ||
![]()
Manometr 50 mm -1..0 bar G1/4
Nr produktu:
P1425B016003
Skopiowano
|
Tylny
|
10 bar
|
| ||
![]()
Manometr 50 mm -1..1,5 bar G1/4B
Nr produktu:
P1425B043901
Skopiowano
|
Tylny
|
115 bar
|
| ||
![]()
Manometr 50 mm -1..3 bar G1/4B
Nr produktu:
P1425B044901
Skopiowano
|
Tylny
|
13 bar
|
| ||
![]()
Manometr 50 mm -1..5 bar G1/4B
Nr produktu:
P1425B045903
Skopiowano
|
Tylny
|
15 bar
|
| ||
![]()
Manometr 50 mm 0..0,6 bar G1/4B
Nr produktu:
P1425B067901
Skopiowano
|
Tylny
|
6 bar
|
| ||
![]()
Manometr 50 mm 0..1 bar G1/4B
Nr produktu:
P1425B069901
Skopiowano
|
Tylny
|
1 bar
|
| ||
![]()
Manometr 50 mm 0..1,6 bar G1/4B
Nr produktu:
P1425B070002
Skopiowano
|
Tylny
|
16 bar
|
| ||
![]()
Manometr 50 mm 0..2,5 bar G1/4B
Nr produktu:
P1425B072002
Skopiowano
|
Tylny
|
25 bar
|
| ||
![]()
Manometr 50 mm 0..4 bar G1/4
Nr produktu:
P1425B073003
Skopiowano
|
Tylny
|
4 bar
|
| ||
![]()
Manometr 50 mm 0..6 bar G1/4
Nr produktu:
P1425B074003
Skopiowano
|
Tylny
|
6 bar
|
| ||
![]()
Manometr 50 mm 0..6 bar G1/4
Nr produktu:
P1425B075003
Skopiowano
|
Tylny
|
10 bar
|
| ||
![]()
Manometr 50 mm 0..16 bar G1/4
Nr produktu:
P1425B076003
Skopiowano
|
Tylny
|
161 bar
|
| ||
![]()
Manometr 50 mm 0..25 bar G1/4B
Nr produktu:
P1425B078003
Skopiowano
|
Tylny
|
251 bar
|
| ||
![]()
Manometr 50 mm 0..100 bar G1/4B
Nr produktu:
P1425B081901
Skopiowano
|
Tylny
|
100 bar
|
| ||
![]()
Manometr 50 mm 0..250 bar G1/4B
Nr produktu:
P1425B084901
Skopiowano
|
Tylny
|
250 bar
|
|
Wybierz wariant produktu z listy
Marcin Michalski