ALLEN-BRADLEY

Softstarter SMC-50

Zastosowanie softstartów SMC-50 do rozruchu silnika AC minimalizuje ryzyko uszkodzeń mechnicznych napędu, zmniejsza prąd rozruchowy silnika, umożliwia dostosowanie charakterystyki rozruchu do aplikacji i zapewnia rozbudowaną diagnostykę oraz zaawansowane możliwości pomiarów. Dzięki temu rośnie niezawodność systemu i żywotność poszczególnych urządzeń.

Budowa półprzewodnikowa zapewnia większą kontrolę nad napięciem oraz daje dodatkowe możliwości monitoringu i ochrony silnika. Dzięki temu aplikacja może działać sprawniej, a w przypadku występujących problemów łatwiej jest zlokalizować ich przyczynę.

Dostępne opcje startu:

  • Soft Start
  • Tryb sterowania pompą
  • Wybieralny Kick-start
  • Start z pełnym napięciem
  • Start z ograniczeniem prądu
  • Start z małą prędkością
  • Start z kontrolą momentu
  • Start z liniowym narastaniem prędkości
  • Podwójna rampa startu



Możliwości pomiarów:

  • Prąd
  • Napięcie
  • Częstotliwość zasilania
  • Moc
  • Współczynnik mocy
  • Szczytowy prąd rozruchowy
  • Współczynnik THD
  • Wahania napięcia
  • Wahania prądu
  • Oszczędności energii
  • Moment silnika
  • Prędkość silnika
  • Rzeczywisty czas startu
  • Całkowita liczba startów



Ochrona silnika:

  • Elektroniczne zabezpieczenie silnika przed przeciążeniem
  • Wykrywanie utknięcia
  • Zabezpieczenie przed niedociążeniem
  • Wykrywanie zbyt dużej ilości startów na godzinę
  • Alarmy i błędy konfigurowalne przez użytkownika



Ochrona napędu:

  • Zabezpieczenie przez zbyt niskim napięciem
  • Zabezpieczenie przed zbyt wysokim napięciem
  • Zabezpieczenie przed asymetrią napięcia zasilania
  • System pomiarowy

Numery katalogowe

Wartości znamionowe do zastosowania przy silnikach podłączonych liniowo

Napięcie
zasilania
[V AC]

Prąd
silnika
[A]

Moc silnika
[kW], 50Hz

Moc silnika
[KM], 60Hz

Napięcie
sterowania

Nr kat.
(ND *)

Nr kat.
(HD **)

 

200/208

30…90

-

10…25

100…240V AC;
50/60 Hz

150-SB1NBD

150-SB2NBD

 

37…110

15…30

150-SB2NBD

150-SB3NBD

 

47…140

20…40

150-SB3NBD

150-SB4NBD

 

60…180

25…60

150-SB4NBD

-

 

Napięcie
zasilania
[V AC]

Prąd
silnika
[A]

Moc silnika
[kW], 50Hz

Moc silnika
[KM], 60Hz

Napięcie
sterowania

Nr kat.
(ND *)

Nr kat.
(HD **)

 

230

30…90

11…22

15…30

100…240V AC;
50/60 Hz

150-SB1NBD

150-SB2NBD

 

37…110

11…30

15…40

150-SB2NBD

150-SB3NBD

 

47…140

15…37

20…50

150-SB3NBD

150-SB4NBD

 

60…180

18.5…55

25…60

150-SB4NBD

-

 

Napięcie
zasilania
[V AC]

Prąd
silnika
[A]

Moc silnika
[kW], 50Hz

Moc silnika
[KM], 60Hz

Napięcie
sterowania

Nr kat.
(ND *)

Nr kat.
(HD **)

 

400/415
(kW)

460 (KM)

30…90

18.5…45

25…60

100…240V AC;
50/60 Hz

150-SB1NBD

150-SB2NBD

 

37…110

22…55

30…75

150-SB2NBD

150-SB3NBD

 

47…140

30…75

40…100

150-SB3NBD

150-SB4NBD

 

60…180

37…90

50…150

150-SB4NBD

-

 

Napięcie
zasilania
[V AC]

Prąd
silnika
[A]

Moc silnika
[kW], 50Hz

Moc silnika
[KM], 60Hz

Napięcie
sterowania

Nr kat.
(ND *)

Nr kat.
(HD **)

 

500 (kW)
575 (KM)

30…90

22…55

30…75

100…240V AC;
50/60 Hz

150-SB1NUD

150-SB2NUD

 

37…110

30…75

40…100

150-SB2NUD

150-SB3NUD

 

47…140

37…90

50…125

150-SB3NUD

150-SB4NUD

 

60…180

45…110

60…150

150-SB4NUD

-

 

Napięcie
zasilania
[V AC]

Prąd
silnika
[A]

Moc silnika
[kW], 50Hz

Moc silnika
[KM], 60Hz

Napięcie
sterowania

Nr kat.
(ND *)

Nr kat.
(HD **)

 

690/Y
(kW)

600(KM)

30…90

30…75

30…75

100…240V AC;
50/60 Hz

150-SB1NUD

150-SB2NUD

 

37…110

37…90

40…100

150-SB2NUD

150-SB3NUD

 

47…140

45…132

50…125

150-SB3NUD

150-SB4NUD

 

60…180

75…160

60…150

150-SB4NUD

-

 

* ND - Normalne obciążenie (Normal Duty)
** HD - Duże obciążenie (Heavy Duty)


Wartości znamionowe do zastosowania przy silnikach podłączonych w trójkąt

Napięcie
zasilania
[V AC]

Prąd
silnika
[A]

Moc silnika
[kW], 50Hz

Moc silnika
[KM], 60Hz

Napięcie
sterowania

Nr kat.
(ND *)

Nr kat.
(HD **)

 

200/208

52…155

-

20…50

100…240V AC;
50/60 Hz

150-SB1NBD

150-SB2NBD

 

65…190

25…60

150-SB2NBD

150-SB3NBD

 

82…242

30…75

150-SB3NBD

150-SB4NBD

 

104…311

40…100

150-SB4NBD

-

 

Napięcie
zasilania
[V AC]

Prąd
silnika
[A]

Moc silnika
[kW], 50Hz

Moc silnika
[KM], 60Hz

Napięcie
sterowania

Nr kat.
(ND *)

Nr kat.
(HD **)

 

230

52…155

18.5…45

20…60

100…240V AC;
50/60 Hz

150-SB1NBD

150-SB2NBD

 

65…190

22…55

25…60

150-SB2NBD

150-SB3NBD

 

82…242

30…75

40…75

150-SB3NBD

150-SB4NBD

 

104…311

37…90

40…100

150-SB4NBD

-

 

Napięcie
zasilania
[V AC]

Prąd
silnika
[A]

Moc silnika
[kW], 50Hz

Moc silnika
[KM], 60Hz

Napięcie
sterowania

Nr kat.
(ND *)

Nr kat.
(HD **)

 

400/415
(kW)

460 (KM)

52…155

30…75

40…100

100…240V AC;
50/60 Hz

150-SB1NBD

150-SB2NBD

 

65…190

37…90

50…150

150-SB2NBD

150-SB3NBD

 

82…242

55…132

75…200

150-SB3NBD

150-SB4NBD

 

104…311

75…160

100…250

150-SB4NBD

-

 

Napięcie
zasilania
[V AC]

Prąd
silnika
[A]

Moc silnika
[kW], 50Hz

Moc silnika
[KM], 60Hz

Napięcie
sterowania

Nr kat.
(ND *)

Nr kat.
(HD **)

 

500 (kW)
575 (KM)

52…155

37…90

50…150

100…240V AC;
50/60 Hz

150-SB1NUD

150-SB2NUD

 

65…190

55…132

75…150

150-SB2NUD

150-SB3NUD

 

82…242

75…160

100…250

150-SB3NUD

150-SB4NUD

 

104…311

90…200

125…300

150-SB4NUD

-

 

* ND - Normalne obciążenie (Normal Duty)
** HD - Duże obciążenie (Heavy Duty)

Objaśnienie numeru katalogowego

Numer katalogowy

150

-

S

B1

N

U

D

 

a

 

b

c

d

e

f

 

 

a

 

Numer Biuletynu

 

Kod

Opis

 

150

Kontroler półprzewodnikowy

 

 

b

 

Typ kontrolera

 

Kod

Opis

 

S

SMC-50

 

 

c

 

Wartości znamionowe

 

Kod

Opis
Maks. KM @ 60 Hz;
Maks. kW @ 50 Hz

 

B1

90 A, 60 KM, 45 kW @ 460V AC

 

B2

110 A, 75 KM, 55 kW @ 460V AC

 

B3

140 A, 100 KM, 75 kW @ 460V AC

 

B4

180 A, 150 KM, 90 kW @ 460V AC

 

 

d

 

Typ obudowy

 

Kod

Opis

 

N

Typ otwarty

 

 

e

 

Napięcie zasilania

 

Kod

Opis

 

B

200…460V AC, 3-fazowe, 50/60 Hz

 

U

200…690V AC, 3-fazowe, 50/60 Hz

 

 

f

 

Napięcie sterowania

 

Kod

Opis

 

D

100...240V AC
(2 wejścia DC
oraz
2 wyjścia przekaźnikowe
w standardzie)

 

 

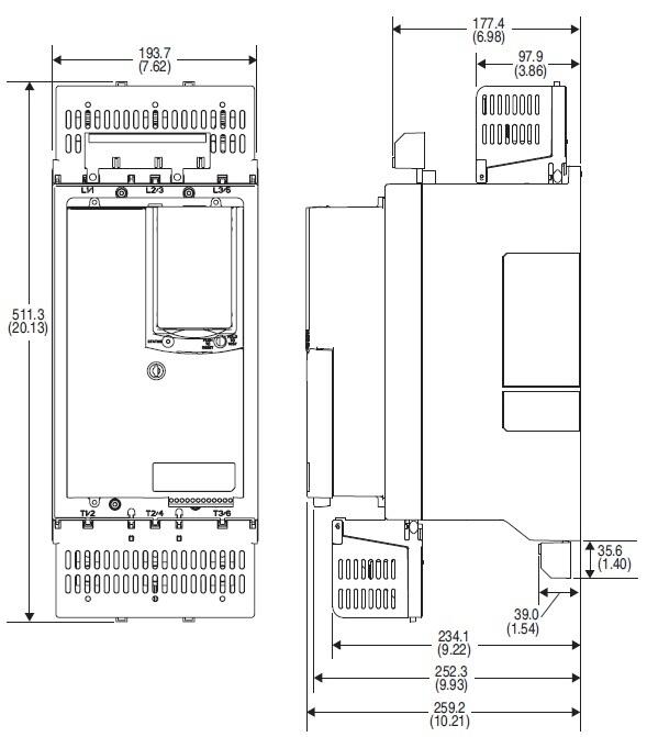
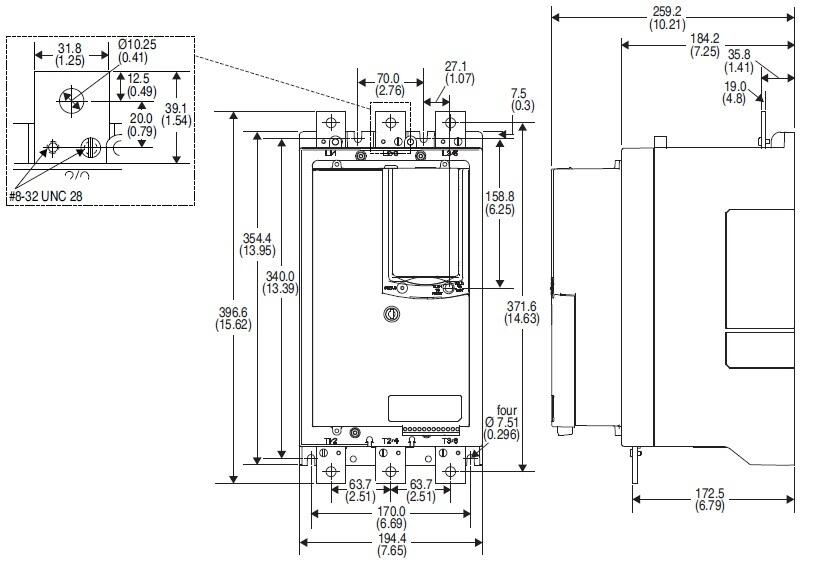
Wymiary

Wymiary na rysunkach podane w milimetrach i (calach)


Bez osłon zacisków:

304367_755.jpg

Nr kat.

Waga

150-SB1...SB4

15.87 kg
(35.0 lbs)




Z osłonami zacisków:

304368_755.jpg

Nr kat.

Waga

150-SB1...SB4

15.92 kg
(35.1 lbs)

 

Akcesoria

Moduły opcji:

Moduły opcji mogą być zastosowane aby dodać lub rozszerzyć funkcjonalność softstartera SMC-50. Moduły opcji instaluje się w trzech portach rozszerzeń, oznaczonych numerami od 7 do 9.

Opis

Instalowane w porcie
o numerze:

Maksymalna liczba
modułów danego typu
na jeden softstarter

Nr kat.

Moduł sprzężenia zwrotnego: Prąd, PTC i Zwarcie doziemne

7 i 8

1

150-SM2

Moduł wejść/wyjść cyfrowych: 4 wejścia AC i 3 wyjścia przekaźnikowe

7, 8, 9

3

150-SM4

Moduł konfiguracji parametrów — przełączniki DIP i przełączniki obrotowe

7, 8, 9

1

150-SM6




Moduły konwerterów:

Opis

Zakres prądu

Nr kat.

Moduł trójfazowego monitorowania prądu

20…180 A

*

825-MCM180

Kabel połączeniowy (zamiennik) 825-P... do 825-MCM...

825-MCA

* Stosowany z 150-SM2 aby zapewnić prądowe sprzężenie zwrotne dla SMC-50 w konfiguracji z zewnętrznym bypass'em.

Opis

Przekładnia

Nr kat.

Przekłdnik / Czujnik zwarcia doziemnego i asymetrii zasilania

100:1

*

825-CBCT

* Stowany z 150-SM2 aby zapewnić sprzężenie zwrotne o prądzie doziemnym.
Uwaga: Możliwość wykrywania prądu zwarcia doziemnego w SMC-50 jest przeznaczona wyłącznie do celów kontrolnych (monitoringu). Nie może być stosowana jako środek ochrony personelu przed porażeniem prądem.




Moduły ochronne * **:

Opis

Zakres prądu

Nr kat.

Moduł ochronny 480V

90...180A

150-F84L

Moduł ochronny 600V

150-F86L

* Taki sam moduł ochronny montowany jest od strony zasilania i od strony obciążenia softstartera SMC-50. Użycie modułów ochronnych jest wysoko rekomendowane. Dla aplikacji, gdzie wymagana jest ochrona zarówno po stronie zasilania jak i po stronie obciążenia, zamówione muszą być dwa osobne moduły.
** Moduły ochronne nie mogą być montowane po stronie obciążenia softstartera SMC-50 gdy zastosowano go wewnątrz połączenia silnika w trójkąt ani też przy użyciu kontroli pracy pompy, kontroli hamowania oraz sterowania z liniowym narastaniem prądkości.




Zaciski śrubowe terminala (90…180 A):

Zakres prądu [A]
Zastosowanie

Zakres grubości przewodów

Całkowita liczba zacisków śrubowych
możliwych na każdą stronę

Ilość
w paczce

Nr kat.

Strona zasilania

Strona obciążenia

90…180
Połączenie liniowe

#6…250 MCM AWG
16 mm2…120 mm2

3

3

3

199-LF1

155…311
Połączenie wewnątrz
trójkąta silnika ***

#4…500 MCM AWG
25 mm2…240 mm2 *

3

-

1

1492-BG

Bypass

#1/0…250 MCM AWG
54 mm2…120 mm2 **

3

3

3

1494R-N14

* Do 2 przewodów na biegun zasilania i/lub obciążenia
** Do 2 przewodów na biegun zasilania
*** Przy zastosowaniu wewnątrz trójkąta silnika wymagany także 199-LF1 lub 1494R-N14 dla zacisków SMC-50.




Osłona terminali:

Opis

Ilość w paczce

Nr kat.

Osłona IEC zacisków zasilania lub obciążenia dla urządzeń 90…180 A.
Ochrona przed porażeniem, IP2X, przed włożeniem palca,
przy zastosowaniu kabla 250 MCM

1

150-STCB




Moduły interfejsu operatora:

Opis

Nr kat.

SMC-50 Controller - montowany na obudowie

Zaawansowany panel LCD, Pełna klawiatura numeryczna

20-HIM-A6

Montowany na drzwiach HIM

Zdalny (motowany na panelu) wyświetlacz LCD,
Pełna klawiatura numeryczna (wersja 20-HIM-A6)

20-HIM-C6S**

Kable interfejsu operatora HIM

Kabel HIM, 1 m (39 cali)

20-HIM-H10

Zestaw kabla (Męsko-żeński) 0.33 m (1.1 stopy)

1202-H03

Zestaw kabla (Męsko-żeński) 1 m (3.3 stopy)

1202-H10

Zestaw kabla (Męsko-żeński) 3 m (9.8 stopy)

1202-H30

Zestaw kabla (Męsko-żeński) 9 m (29.5 stopy)

1202-H90

Kabel rozdzielający z jednego na dwa porty DPI/SCANport™

1203-S03

* Kabel jest wymagany jeżeli 20-HIM-A6 jest podłączony do portu 2 DPI w SMC-50 jest używany jako urządzenie ręczne.
** Dostarczany z kablem długości 3 m (9.8 stopy) - 1202-C30




Moduły komunikacyjne i oprogramowanie:

Opis

Nr kat.

Moduły komunikacyjne
instalowane w porcie rozszerzeń 9.

Adapter komunikacyjny RS485 DF1

20-COMM-S

Adapter komunikacyjny PROFIBUS™ DP

20-COMM-P

Adapter komunikacyjny ControlNet™ (Coax)

20-COMM-C

Adapter komunikacyjny Interbus™

20-COMM-I

Adapter komunikacyjny Modbus/TCP

20-COMM-M

Adapter komunikacyjny DeviceNet™

20-COMM-D

Adapter komunikacyjny EtherNet/IP™

20-COMM-E

Adapter komunikacyjny HVAC

20-COMM-H

Adapter komunikacyjny ControlNet™ (Fiber)

20-COMM-Q

DriveExecutive™

Oprogramowanie konfiguracyjne

9303-4DTE01ENE

DriveTools™ Sp *

9303-4DTS01ENE

DriveExplorer™ dla PC

9306-4EXP02ENE

AnaCANda™ RS-232 do DPI

Interfejs PC

1203-SSS

DPI do USB

1203-USB

* Pakiet zawiera oprogramowanie DriveExecutive™ oraz DriveObserver™ .

Pokaż więcej
  • Zakres: 90…180A
  • 9 standardowych trybów startu i tryb oszczędności energii
  • Trzy porty rozszerzeń dla dodatkowych opcji
  • Sterowanie w pełni półprzewodnikowe
  • Wbudowane elektroniczne zabezpieczenia silnika i softstartera

Wybrany wariant produktu

Wybrany wariant produktu

Specyfikacja techniczna

Opis produktu

Zastosowanie softstartów SMC-50 do rozruchu silnika AC minimalizuje ryzyko uszkodzeń mechnicznych napędu, zmniejsza prąd rozruchowy silnika, umożliwia dostosowanie charakterystyki rozruchu do aplikacji i zapewnia rozbudowaną diagnostykę oraz zaawansowane możliwości pomiarów. Dzięki temu rośnie niezawodność systemu i żywotność poszczególnych urządzeń.

Budowa półprzewodnikowa zapewnia większą kontrolę nad napięciem oraz daje dodatkowe możliwości monitoringu i ochrony silnika. Dzięki temu aplikacja może działać sprawniej, a w przypadku występujących problemów łatwiej jest zlokalizować ich przyczynę.

Dostępne opcje startu:

  • Soft Start
  • Tryb sterowania pompą
  • Wybieralny Kick-start
  • Start z pełnym napięciem
  • Start z ograniczeniem prądu
  • Start z małą prędkością
  • Start z kontrolą momentu
  • Start z liniowym narastaniem prędkości
  • Podwójna rampa startu



Możliwości pomiarów:

  • Prąd
  • Napięcie
  • Częstotliwość zasilania
  • Moc
  • Współczynnik mocy
  • Szczytowy prąd rozruchowy
  • Współczynnik THD
  • Wahania napięcia
  • Wahania prądu
  • Oszczędności energii
  • Moment silnika
  • Prędkość silnika
  • Rzeczywisty czas startu
  • Całkowita liczba startów



Ochrona silnika:

  • Elektroniczne zabezpieczenie silnika przed przeciążeniem
  • Wykrywanie utknięcia
  • Zabezpieczenie przed niedociążeniem
  • Wykrywanie zbyt dużej ilości startów na godzinę
  • Alarmy i błędy konfigurowalne przez użytkownika



Ochrona napędu:

  • Zabezpieczenie przez zbyt niskim napięciem
  • Zabezpieczenie przed zbyt wysokim napięciem
  • Zabezpieczenie przed asymetrią napięcia zasilania
  • System pomiarowy

Numery katalogowe

Wartości znamionowe do zastosowania przy silnikach podłączonych liniowo

Napięcie
zasilania
[V AC]

Prąd
silnika
[A]

Moc silnika
[kW], 50Hz

Moc silnika
[KM], 60Hz

Napięcie
sterowania

Nr kat.
(ND *)

Nr kat.
(HD **)

 

200/208

30…90

-

10…25

100…240V AC;
50/60 Hz

150-SB1NBD

150-SB2NBD

 

37…110

15…30

150-SB2NBD

150-SB3NBD

 

47…140

20…40

150-SB3NBD

150-SB4NBD

 

60…180

25…60

150-SB4NBD

-

 

Napięcie
zasilania
[V AC]

Prąd
silnika
[A]

Moc silnika
[kW], 50Hz

Moc silnika
[KM], 60Hz

Napięcie
sterowania

Nr kat.
(ND *)

Nr kat.
(HD **)

 

230

30…90

11…22

15…30

100…240V AC;
50/60 Hz

150-SB1NBD

150-SB2NBD

 

37…110

11…30

15…40

150-SB2NBD

150-SB3NBD

 

47…140

15…37

20…50

150-SB3NBD

150-SB4NBD

 

60…180

18.5…55

25…60

150-SB4NBD

-

 

Napięcie
zasilania
[V AC]

Prąd
silnika
[A]

Moc silnika
[kW], 50Hz

Moc silnika
[KM], 60Hz

Napięcie
sterowania

Nr kat.
(ND *)

Nr kat.
(HD **)

 

400/415
(kW)

460 (KM)

30…90

18.5…45

25…60

100…240V AC;
50/60 Hz

150-SB1NBD

150-SB2NBD

 

37…110

22…55

30…75

150-SB2NBD

150-SB3NBD

 

47…140

30…75

40…100

150-SB3NBD

150-SB4NBD

 

60…180

37…90

50…150

150-SB4NBD

-

 

Napięcie
zasilania
[V AC]

Prąd
silnika
[A]

Moc silnika
[kW], 50Hz

Moc silnika
[KM], 60Hz

Napięcie
sterowania

Nr kat.
(ND *)

Nr kat.
(HD **)

 

500 (kW)
575 (KM)

30…90

22…55

30…75

100…240V AC;
50/60 Hz

150-SB1NUD

150-SB2NUD

 

37…110

30…75

40…100

150-SB2NUD

150-SB3NUD

 

47…140

37…90

50…125

150-SB3NUD

150-SB4NUD

 

60…180

45…110

60…150

150-SB4NUD

-

 

Napięcie
zasilania
[V AC]

Prąd
silnika
[A]

Moc silnika
[kW], 50Hz

Moc silnika
[KM], 60Hz

Napięcie
sterowania

Nr kat.
(ND *)

Nr kat.
(HD **)

 

690/Y
(kW)

600(KM)

30…90

30…75

30…75

100…240V AC;
50/60 Hz

150-SB1NUD

150-SB2NUD

 

37…110

37…90

40…100

150-SB2NUD

150-SB3NUD

 

47…140

45…132

50…125

150-SB3NUD

150-SB4NUD

 

60…180

75…160

60…150

150-SB4NUD

-

 

* ND - Normalne obciążenie (Normal Duty)
** HD - Duże obciążenie (Heavy Duty)


Wartości znamionowe do zastosowania przy silnikach podłączonych w trójkąt

Napięcie
zasilania
[V AC]

Prąd
silnika
[A]

Moc silnika
[kW], 50Hz

Moc silnika
[KM], 60Hz

Napięcie
sterowania

Nr kat.
(ND *)

Nr kat.
(HD **)

 

200/208

52…155

-

20…50

100…240V AC;
50/60 Hz

150-SB1NBD

150-SB2NBD

 

65…190

25…60

150-SB2NBD

150-SB3NBD

 

82…242

30…75

150-SB3NBD

150-SB4NBD

 

104…311

40…100

150-SB4NBD

-

 

Napięcie
zasilania
[V AC]

Prąd
silnika
[A]

Moc silnika
[kW], 50Hz

Moc silnika
[KM], 60Hz

Napięcie
sterowania

Nr kat.
(ND *)

Nr kat.
(HD **)

 

230

52…155

18.5…45

20…60

100…240V AC;
50/60 Hz

150-SB1NBD

150-SB2NBD

 

65…190

22…55

25…60

150-SB2NBD

150-SB3NBD

 

82…242

30…75

40…75

150-SB3NBD

150-SB4NBD

 

104…311

37…90

40…100

150-SB4NBD

-

 

Napięcie
zasilania
[V AC]

Prąd
silnika
[A]

Moc silnika
[kW], 50Hz

Moc silnika
[KM], 60Hz

Napięcie
sterowania

Nr kat.
(ND *)

Nr kat.
(HD **)

 

400/415
(kW)

460 (KM)

52…155

30…75

40…100

100…240V AC;
50/60 Hz

150-SB1NBD

150-SB2NBD

 

65…190

37…90

50…150

150-SB2NBD

150-SB3NBD

 

82…242

55…132

75…200

150-SB3NBD

150-SB4NBD

 

104…311

75…160

100…250

150-SB4NBD

-

 

Napięcie
zasilania
[V AC]

Prąd
silnika
[A]

Moc silnika
[kW], 50Hz

Moc silnika
[KM], 60Hz

Napięcie
sterowania

Nr kat.
(ND *)

Nr kat.
(HD **)

 

500 (kW)
575 (KM)

52…155

37…90

50…150

100…240V AC;
50/60 Hz

150-SB1NUD

150-SB2NUD

 

65…190

55…132

75…150

150-SB2NUD

150-SB3NUD

 

82…242

75…160

100…250

150-SB3NUD

150-SB4NUD

 

104…311

90…200

125…300

150-SB4NUD

-

 

* ND - Normalne obciążenie (Normal Duty)
** HD - Duże obciążenie (Heavy Duty)

Objaśnienie numeru katalogowego

Numer katalogowy

150

-

S

B1

N

U

D

 

a

 

b

c

d

e

f

 

 

a

 

Numer Biuletynu

 

Kod

Opis

 

150

Kontroler półprzewodnikowy

 

 

b

 

Typ kontrolera

 

Kod

Opis

 

S

SMC-50

 

 

c

 

Wartości znamionowe

 

Kod

Opis
Maks. KM @ 60 Hz;
Maks. kW @ 50 Hz

 

B1

90 A, 60 KM, 45 kW @ 460V AC

 

B2

110 A, 75 KM, 55 kW @ 460V AC

 

B3

140 A, 100 KM, 75 kW @ 460V AC

 

B4

180 A, 150 KM, 90 kW @ 460V AC

 

 

d

 

Typ obudowy

 

Kod

Opis

 

N

Typ otwarty

 

 

e

 

Napięcie zasilania

 

Kod

Opis

 

B

200…460V AC, 3-fazowe, 50/60 Hz

 

U

200…690V AC, 3-fazowe, 50/60 Hz

 

 

f

 

Napięcie sterowania

 

Kod

Opis

 

D

100...240V AC
(2 wejścia DC
oraz
2 wyjścia przekaźnikowe
w standardzie)

 

 

Wymiary

Wymiary na rysunkach podane w milimetrach i (calach)


Bez osłon zacisków:

304367_755.jpg

Nr kat.

Waga

150-SB1...SB4

15.87 kg
(35.0 lbs)




Z osłonami zacisków:

304368_755.jpg

Nr kat.

Waga

150-SB1...SB4

15.92 kg
(35.1 lbs)

 

Akcesoria

Moduły opcji:

Moduły opcji mogą być zastosowane aby dodać lub rozszerzyć funkcjonalność softstartera SMC-50. Moduły opcji instaluje się w trzech portach rozszerzeń, oznaczonych numerami od 7 do 9.

Opis

Instalowane w porcie
o numerze:

Maksymalna liczba
modułów danego typu
na jeden softstarter

Nr kat.

Moduł sprzężenia zwrotnego: Prąd, PTC i Zwarcie doziemne

7 i 8

1

150-SM2

Moduł wejść/wyjść cyfrowych: 4 wejścia AC i 3 wyjścia przekaźnikowe

7, 8, 9

3

150-SM4

Moduł konfiguracji parametrów — przełączniki DIP i przełączniki obrotowe

7, 8, 9

1

150-SM6




Moduły konwerterów:

Opis

Zakres prądu

Nr kat.

Moduł trójfazowego monitorowania prądu

20…180 A

*

825-MCM180

Kabel połączeniowy (zamiennik) 825-P... do 825-MCM...

825-MCA

* Stosowany z 150-SM2 aby zapewnić prądowe sprzężenie zwrotne dla SMC-50 w konfiguracji z zewnętrznym bypass'em.

Opis

Przekładnia

Nr kat.

Przekłdnik / Czujnik zwarcia doziemnego i asymetrii zasilania

100:1

*

825-CBCT

* Stowany z 150-SM2 aby zapewnić sprzężenie zwrotne o prądzie doziemnym.
Uwaga: Możliwość wykrywania prądu zwarcia doziemnego w SMC-50 jest przeznaczona wyłącznie do celów kontrolnych (monitoringu). Nie może być stosowana jako środek ochrony personelu przed porażeniem prądem.




Moduły ochronne * **:

Opis

Zakres prądu

Nr kat.

Moduł ochronny 480V

90...180A

150-F84L

Moduł ochronny 600V

150-F86L

* Taki sam moduł ochronny montowany jest od strony zasilania i od strony obciążenia softstartera SMC-50. Użycie modułów ochronnych jest wysoko rekomendowane. Dla aplikacji, gdzie wymagana jest ochrona zarówno po stronie zasilania jak i po stronie obciążenia, zamówione muszą być dwa osobne moduły.
** Moduły ochronne nie mogą być montowane po stronie obciążenia softstartera SMC-50 gdy zastosowano go wewnątrz połączenia silnika w trójkąt ani też przy użyciu kontroli pracy pompy, kontroli hamowania oraz sterowania z liniowym narastaniem prądkości.




Zaciski śrubowe terminala (90…180 A):

Zakres prądu [A]
Zastosowanie

Zakres grubości przewodów

Całkowita liczba zacisków śrubowych
możliwych na każdą stronę

Ilość
w paczce

Nr kat.

Strona zasilania

Strona obciążenia

90…180
Połączenie liniowe

#6…250 MCM AWG
16 mm2…120 mm2

3

3

3

199-LF1

155…311
Połączenie wewnątrz
trójkąta silnika ***

#4…500 MCM AWG
25 mm2…240 mm2 *

3

-

1

1492-BG

Bypass

#1/0…250 MCM AWG
54 mm2…120 mm2 **

3

3

3

1494R-N14

* Do 2 przewodów na biegun zasilania i/lub obciążenia
** Do 2 przewodów na biegun zasilania
*** Przy zastosowaniu wewnątrz trójkąta silnika wymagany także 199-LF1 lub 1494R-N14 dla zacisków SMC-50.




Osłona terminali:

Opis

Ilość w paczce

Nr kat.

Osłona IEC zacisków zasilania lub obciążenia dla urządzeń 90…180 A.
Ochrona przed porażeniem, IP2X, przed włożeniem palca,
przy zastosowaniu kabla 250 MCM

1

150-STCB




Moduły interfejsu operatora:

Opis

Nr kat.

SMC-50 Controller - montowany na obudowie

Zaawansowany panel LCD, Pełna klawiatura numeryczna

20-HIM-A6

Montowany na drzwiach HIM

Zdalny (motowany na panelu) wyświetlacz LCD,
Pełna klawiatura numeryczna (wersja 20-HIM-A6)

20-HIM-C6S**

Kable interfejsu operatora HIM

Kabel HIM, 1 m (39 cali)

20-HIM-H10

Zestaw kabla (Męsko-żeński) 0.33 m (1.1 stopy)

1202-H03

Zestaw kabla (Męsko-żeński) 1 m (3.3 stopy)

1202-H10

Zestaw kabla (Męsko-żeński) 3 m (9.8 stopy)

1202-H30

Zestaw kabla (Męsko-żeński) 9 m (29.5 stopy)

1202-H90

Kabel rozdzielający z jednego na dwa porty DPI/SCANport™

1203-S03

* Kabel jest wymagany jeżeli 20-HIM-A6 jest podłączony do portu 2 DPI w SMC-50 jest używany jako urządzenie ręczne.
** Dostarczany z kablem długości 3 m (9.8 stopy) - 1202-C30




Moduły komunikacyjne i oprogramowanie:

Opis

Nr kat.

Moduły komunikacyjne
instalowane w porcie rozszerzeń 9.

Adapter komunikacyjny RS485 DF1

20-COMM-S

Adapter komunikacyjny PROFIBUS™ DP

20-COMM-P

Adapter komunikacyjny ControlNet™ (Coax)

20-COMM-C

Adapter komunikacyjny Interbus™

20-COMM-I

Adapter komunikacyjny Modbus/TCP

20-COMM-M

Adapter komunikacyjny DeviceNet™

20-COMM-D

Adapter komunikacyjny EtherNet/IP™

20-COMM-E

Adapter komunikacyjny HVAC

20-COMM-H

Adapter komunikacyjny ControlNet™ (Fiber)

20-COMM-Q

DriveExecutive™

Oprogramowanie konfiguracyjne

9303-4DTE01ENE

DriveTools™ Sp *

9303-4DTS01ENE

DriveExplorer™ dla PC

9306-4EXP02ENE

AnaCANda™ RS-232 do DPI

Interfejs PC

1203-SSS

DPI do USB

1203-USB

* Pakiet zawiera oprogramowanie DriveExecutive™ oraz DriveObserver™ .

Akcesoria

Powiązane

Nowości

Podłączenia Molex – niezawodne rozwiązania do trudnych warunków

Gdy wymagania dotyczące niezawodności operacyjnej są wysokie, a każdy przestój generuje stratę czasu i pieniądzy, wybór odpowiedniego połączenia jest kluczowy.

Akademia OEM

Elektroniczny bezpiecznik LOCC-Box w porównaniu ze zwykłymi wyłącznikami MCB

LOCC-Box firmy Lütze to inteligentny bezpiecznik do monitorowania prądu, zapewniający niezawodną ochronę obwodów prądu stałego (DC) w wąskiej obudowie o szerokości 8,1 mm.

Akademia OEM

Stanowisko do kompletacji i pakowania Datalogic Matrix 320

Rozwiązanie Datalogic oparte o skanery Matrix 320 ma na celu podniesienie wydajności pracowników zajmujących się kompletacją towaru.

Nowości

Datalogic Matrix 320 z matrycą 2Mpx do zaawansowanej identyfikacji w produkcji i logistyce

Matrix 320 został opracowany w celu zwiększenia efektywności skanowania kodów kreskowych i oferuje istotne korzyści zarówno dla użytkowników końcowych, jak i producentów maszyn.

Nowości

Czytanie kodów kreskowych oraz ich klasyfikacja w intralogistyce, magazynowaniu oraz branży spożywczej

Urządzenia z rodziny Datalogic Blade, to nowoczesne, wydajne i precyzyjne rozwiązania do skanowania i klasyfikacji kodów kreskowych (1D – jednowymiarowych).

Nowości

Zasilacz TP960 z nowej serii PLANET

Nowa rodzina zasilaczy PLANET wyznacza nowy standard wydajności. PULS poczynił znaczny postęp zarówno pod względem łatwości obsługi, jak i kluczowych parametrów konstrukcji zasilacza.

Warianty produktu Cena

Wybrany wariant

Wybierz wariant produktu z listy

Wsparcie techniczne

Jarosław Kalista

Business Area Manager BEZPIECZEŃSTWO

Wsparcie Klienta
Aby uzyskać informacje dotyczące zamówień i dostępności produktów, skontaktuj się z działem obsługi Klienta:
22 863 27 22
Wyślij e-mail
Potrzebujesz pomocy?
Logo

Ustawienia plików cookie w serwisie oemautomatic.pl

Pliki cookie pomagają nam usprawniać serwis i dostosowywać go do Państwa oczekiwań. Wykorzystujemy pliki cookie aby móc obsługiwać dane logowania i oferować spersonalizowane treści. Niektóre pliki cookie są wymagane dla podstawowej funkcjonalności witryny.

Informacje uzyskane za pośrednictwem plików cookie nigdy nie będą przedmiotem sprzedaży.

Mogą Państwo zaakceptować wszystkie pliki cookie lub spersonalizować swoje preferencje dotyczące określonych plików cookie. Mogą Państwo również zmienić ustawienia dotyczące plików cookie w dowolnym momencie, odwiedzając naszą stronę kontaktową.

Niezbędne pliki cookie

Te pliki cookie są niezbędne dla funkcjonowania strony internetowej i nie mogą być wyłączone w naszych systemach. Są one zazwyczaj ustawiane tylko w odpowiedzi na działania podejmowane przez użytkownika, które sprowadzają się do zapytania o usługi, takie jak ustawienie preferencji prywatności, logowanie lub wypełnianie formularzy. Te pliki cookie nie przechowują żadnych danych osobowych.

Pliki cookie dotyczące wydajności

Te pliki cookie umożliwiają nam zliczanie wizyt i źródeł ruchu, dzięki czemu możemy mierzyć i poprawiać wydajność naszej witryny. Pomagają ustalić, które strony są najbardziej i najmniej popularne i zobaczyć, jak odwiedzający poruszają się po stronie. Wszystkie informacje zbierane przez te pliki cookie są agregowane i tym samym anonimowe. Jeśli użytkownik nie zezwoli na stosowanie tych plików cookie, nie będziemy wiedzieli, kiedy odwiedził naszą stronę internetową.

Pliki cookie związane z reklamami i ich odbiorcami

Te pliki cookie mogą być ustawiane przez naszych partnerów reklamowych za pośrednictwem naszej strony internetowej. Mogą one być wykorzystywane przez te firmy do budowania profilu zainteresowań użytkownika i wyświetlania odpowiednich reklam na innych stronach. Nie przechowują one bezpośrednio danych osobowych, lecz opierają się na jednoznacznej identyfikacji przeglądarki i sprzętu internetowego. Jeśli użytkownik nie zezwoli na stosowanie tych plików cookie, doświadcza mniej ukierunkowanych reklam.