ALLEN-BRADLEY

Styczniki serii 100-C

Dane techniczne

Napięcie zasilania

24 V DC/230 V AC

Styki główne

1 NO

Znamionowy prąd roboczy

AC-3

9 A

AC-1

32 A

Montaż

Szyna DIN

Standard

EN 60947-4

Zgodność z

MD, LVD, EMC

Atesty

Ce-marking, UL508 File number:E198865

 

 

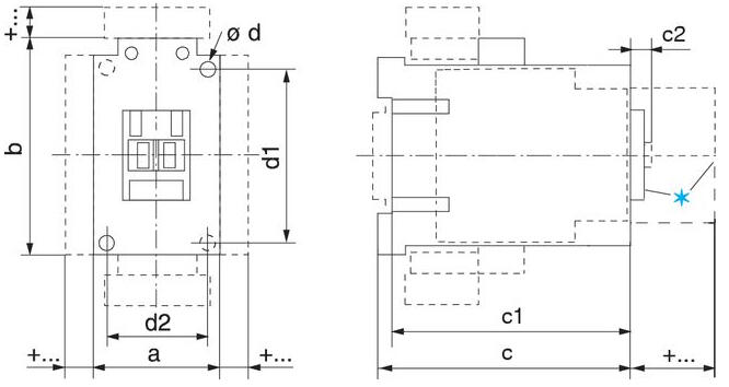
Wymiary

wymiary stycznika 100c.tif

 

Styczniki AC i DC z elektroniczną cewką

Nr kategorii

a

b

c

c1

c2

Ød

d1

d2

100-C09...-C23

45

81

80,5

75,5

6

2-4,5

60

35

100-C30...-C37

45

81

97,5

92,5

6,5

2-4,5

60

35

100-C40

59

81

100,5

95,5

6,5

2-4,5

60

45

100-C43

54

81

100,5

95,5

6,5

2-4,5

60

45

100-C60...-C85

72

122

117

111,5

8,5

4-5,4

100

55

100-C90

95

122

117

111,5

8,5

4-5,4

100

55


Styczniki DC

Nr kategorii

a

b

c

c1

c2

Ød

d1

d2

100-C09Z...-C16Z

45

81

106,5

101,5

6

2-4,5

60

35

100-C23Z

45

81

123,5

119

6

2-4,5

60

35

100-C30...-C37

45

81

141,5

136,5

6,5

2-4,5

60

35

100-C40Z

59

81

144,5

139,5

6,5

2-4,5

60

45

100-C43Z

54

81

144,5

139,5

6,5

2-4,5

60

45

100-C60D...-C85D

72

122

117

111,5

8,5

4-5,4

100

55

100-C90D

95

122

117

111,5

8,5

4-5,4

100

55

 

Nr katalogowe

Styczniki z 3 zestykami głównymi

Znamionowy prąd roboczy (Ie) [A]

kW/400V

Styki pomocnicze

Nr katalogowy

AC - 3

AC -1

9

32

4

1 NO

100-C0910

9

32

4

1 NZ

100-C0901

12

32

5,5

1 NO

100-C1210

12

32

5,5

1 NZ

100-C1201

16

32

7,5

1 NO

100-C1610

16

32

7,5

1 NZ

100-C1601

23

32

11

1 NO

100-C2310

23

32

11

1 NZ

100-C2301

30

65

15

1 NO

100-C3000

37

65

18,5/20

1 NO

100-C3700

43

85

22

1 NO

100-C4300

55

85

30

1 NO

100-C5500

60

100

32

1 NO

100-C6000

72

100

40

1 NO

100-C7200

85

100

45

1 NO

100-C8500

97

130

55

1 NO

100-C9700

 

Podane nr katalogowe są niepełne. Należy wybrać kod napięcia cewki z tabeli poniżej.

 

Sterowanie AC dla 100-C

Sterowanie DC dla 100-C09...-C43

Sterowanie DC dla 100-C60...-C97

Kod

Opis

Kod

Opis

Kod

Opis

KJ

24 V 50/60 Hz

DJ

24 V DC ze zintegrowaną diodą

DJ

24 V DC ze zintegrowaną diodą

KY

48 V 50/60 Hz

EJ

Cewka elektroniczna 24 V DC

DD

110 V DC ze zintegrowaną diodą

KD

110 V 50/60 Hz

ED

Cewka elektroniczna 110 V DC

DA

220 V DC ze zintegrowaną diodą

KF

230 V 50/60 Hz

EA

Cewka elektroniczna 220 V DC

 

 

KN

400 V 50/60 Hz

 

 

 

 

 

Akcesoria

Zestyki pomocnicze (do styczników 100-C09...-C97)

Opis

NO

NZ

Do użytku z

Nr katalogowy

Bloki zestyków pomocniczych (montaż czołowy)

  • 2 i 4 biegunowe,
  • szybki i prosty montaż bez narzędzi,
  • zestyki kompatybilne  sygnałami 17V, 5mA,
  • połaczenie mechaniczne zestyków NO i NZ oraz biegunów głównych stycznika,
  • modele o jednakowej funkcji z kilkoma  opcjami liczby zacisków,
  • dostępne również wersje z zestykami rozwidlonymi do łączenia sygnałów 5V, 3mA.

0

2

100-C...

100-FA02

1

1

100-FA11

2

0

100-FA20

0

4

100-FA04

1

3

100-FA13

2

2

100-FA22

3

1

100-FA31

4

0

100-FA40

 

Zestyki pomocnicze (do styczników 100-C09...-C97)

Opis

NO

NZ

Do użytku z

Nr katalogowy

Bloki zestyków pomocniczych (montaż boczny) z oznaczeniem rzędu zacisków

  • 1-biegunowe i 2-biegunowe,
  • dwa sposoby numeracji do montażu z prawej lub lewej strony stycznika,
  • szybki i prosty montaż bez narzędzi,
  • zestyki kompatybilne z sygnałami 17V, 10mA,
  • działanie lustrzane z biegunami głównymi stycznika.

0

1

100-C

100-SB01

1

0

100-C§

100-SB10

0

2

100-C§

100-SB02

1

1

100-C§

100-SB11

2

0

100-C§

100-SB20

 § (numeracja podwójna) - montaż lewostronny jest zalecany tylko dla nr kategorii 100-C09...-C23 ze względu na numerację podwójną.

 

 

Moduły sterujace (do styczników 100-C09...-C97)

Opis

Zakres napięcia

Do użytku z

Nr katalogowy

Blokady mechaniczne

  • do blokowania dwóch styczników,
  • jednakowa blokada dla wszystkich styczników 100-C,
  • możliwość blokowania styczników różnej wielkości,
  • blokada mechaniczna i elektryczna w jednym module dzięki zintegrowanym zestykom pomocniczym

Tylko blokada mechaniczna, bez styków pomocniczych

100-C (oprócz 100-C40, -C90)

100-MCA00

Blokada mechaniczna/elektryczna z zestykami pomocniczymi 2NZ

100-MCA02

 

 

 

 

 

 

 

 

Opis

Do użytku z

Nr katalogowy

Pneumatyczne moduły czasowe

  • pneumatyczne zestyki czasowe działające z opóźnieniem. Zestyki stycznika lub przekaźnika działają bez opóźnienia

Opóźnienie załączenia

Zakres: 0,3...30s

Zakres: 1,8...180s

100-C lub 700-CF z cewkami AC lub elktronicznymi cewkami DC

100-FPTA30

100-FPTA180

Opóźnienie wyłączenia Zakres: 0,1...3s

Zakres: 1,8...180s

100-C - wszystkie, 700-CF - wszystkie

100-FPTB30

100-FPTB180

 

 

 

 

Elektroniczne moduły czasowe - opóźnienie załączenia.

Opóźnienie cewki stycznika lub przekaźnika sterującego. Cewka stycznika lub przekaźnika sterującego jest zasilana po upływie czasu opóźnienia.

Opóźnienie załączenia

Zakres: 0,1...3s

Zakres: 1...30s

Zakres: 10...180s

 

110...240 V, 50/60 Hz

110..250 V DC

100-C lub 700-CF z 110...240 V, 50/60 Hz lub cewki 110...250 V DC

100-ETA3

100-ETA30

100-ETA180

Opóźnienie załączenia

Zakres: 0,1...3s

Zakres: 1...30s

Zakres: 10...180s

 

24...48 V DC

100-C lub 700-CF z cewkami 24...48 V DC

100-ETAZJ3

100-ETAZJ30

100-ETAZJ180

 

 

 

 

Elektroniczne moduly czasowe - opóźnienie wyłączenia.

Opóźnienie cewki stycznika lub przekaźnika sterującego. Po przerwaniu sygnału sterującego, stycznik lub przekaźnik sterujący jest wyłączany po upływie czasu opóźnienia.

Opóźnienie wyłączenia

Zakres: 0,3...3s

Zakres: 1...30s

Zakres: 10...180s

 

110...240 V, 50/60 Hz

100-C lub 700-CF z cewkami 110...240 V, 50/60 Hz

100-ETB3

100-ETB30

100-ETB180

Opóźnienie wyłączenia

Zakres: 0,3...3s

Zakres: 1...30s

Zakres: 10...180s

 

24 V, 50/60 Hz

100-C09...-C37 lub 700-CF z cewkami 24 V, 50/60 Hz

100-ETBKJ3

100-ETBKJ30

100-ETBKJ180

 

 

 

 

Elektroniczne moduly czasowe gwiazda-trójkąt

  • opóźnienie cewki stycznika. Stycznik K3 (Y) jest wyłączany, a stycznik K2 (D) jest załączany po upływie nastawionego czasu Y. (Opóźnienie przełączenia wynosi 50ms)
  • ciągły zakres regulacji
  • duża powtarzalność

Czas przejścia stycznika Y

Zakres: 1...30s

 

110...240 V, 50/60 Hz

100-C z cewkami 110...240 V, 50/60 Hz

100-ETY30

 

 

 

 

 

 

 

 

Opis

Zakres napięcia

Do użytku z

Nr katalogowy

Interfejs DC (elektroniczny)

  • interfejs łączący sygnał sterujący DC ze sterownika programowalnego (PLC) z cewką AC stycznika
  • nie wymaga dodatkowego zabezpieczenia przeciwprzepięciowego na cewkach przekaźnika

Wejście: 12 V DC

Wyjście: 110...240 V AC

100-C z cewkami AC 110...240 V

100-JE12

Wejście: 18...30 V DC

Wyjście: 110...240 V AC

100-JE

Wejście: 48 V DC

Wyjście: 110...240 V AC

100-JE48

 

Tłumiki przepięć

  • w celu ograniczenia przepięć przy wyłączaniu obwodu cewki,
  • montaż na cewce, wtykowy,
  • odpowiedni do styczników 100-C w zakresie 9...97 A,

 

Moduł RC Zasilanie AC

24...48 V AC, 50/60 Hz

100-C z cewkami AC

100-FSC48

110...280 V AC, 50/60 Hz

100-FSC280

380...480 V AC, 50/60 Hz

100-FSC480

Moduł warystorowy Zasilanie AC/DC

12...55 V AC/

12...77 V DC

100-C z cewkami AC lub 100-C09...-C43 z cewkami DC

100-FSV55

56...136 V AC/

78...180 V DC

100-FSV136

137...277 V AC/

181...350 V DC

100-FSV277

278...575 V AC

100-FSV575

Moduł diodowy Zasilanie DC

12...250 V DC

100-C09...-C43 z cewkami DC

100-FSD250

 

 

 

 

Pokaż więcej
  • Kompaktowe rozmiary od 4...55kW (9...97A).
  • Cewki sterowane AC lub DC
  • Wspólne akcesoria dla styczników wszystkich wielkości
  • Czołowy i boczny montaż zestyków pomocniczych
  • Montaż na szynie DIN 35mm

Wybrany wariant produktu

Wybrany wariant produktu

Specyfikacja techniczna

Opis produktu

Dane techniczne

Napięcie zasilania

24 V DC/230 V AC

Styki główne

1 NO

Znamionowy prąd roboczy

AC-3

9 A

AC-1

32 A

Montaż

Szyna DIN

Standard

EN 60947-4

Zgodność z

MD, LVD, EMC

Atesty

Ce-marking, UL508 File number:E198865

 

 

Wymiary

wymiary stycznika 100c.tif

 

Styczniki AC i DC z elektroniczną cewką

Nr kategorii

a

b

c

c1

c2

Ød

d1

d2

100-C09...-C23

45

81

80,5

75,5

6

2-4,5

60

35

100-C30...-C37

45

81

97,5

92,5

6,5

2-4,5

60

35

100-C40

59

81

100,5

95,5

6,5

2-4,5

60

45

100-C43

54

81

100,5

95,5

6,5

2-4,5

60

45

100-C60...-C85

72

122

117

111,5

8,5

4-5,4

100

55

100-C90

95

122

117

111,5

8,5

4-5,4

100

55


Styczniki DC

Nr kategorii

a

b

c

c1

c2

Ød

d1

d2

100-C09Z...-C16Z

45

81

106,5

101,5

6

2-4,5

60

35

100-C23Z

45

81

123,5

119

6

2-4,5

60

35

100-C30...-C37

45

81

141,5

136,5

6,5

2-4,5

60

35

100-C40Z

59

81

144,5

139,5

6,5

2-4,5

60

45

100-C43Z

54

81

144,5

139,5

6,5

2-4,5

60

45

100-C60D...-C85D

72

122

117

111,5

8,5

4-5,4

100

55

100-C90D

95

122

117

111,5

8,5

4-5,4

100

55

 

Nr katalogowe

Styczniki z 3 zestykami głównymi

Znamionowy prąd roboczy (Ie) [A]

kW/400V

Styki pomocnicze

Nr katalogowy

AC - 3

AC -1

9

32

4

1 NO

100-C0910

9

32

4

1 NZ

100-C0901

12

32

5,5

1 NO

100-C1210

12

32

5,5

1 NZ

100-C1201

16

32

7,5

1 NO

100-C1610

16

32

7,5

1 NZ

100-C1601

23

32

11

1 NO

100-C2310

23

32

11

1 NZ

100-C2301

30

65

15

1 NO

100-C3000

37

65

18,5/20

1 NO

100-C3700

43

85

22

1 NO

100-C4300

55

85

30

1 NO

100-C5500

60

100

32

1 NO

100-C6000

72

100

40

1 NO

100-C7200

85

100

45

1 NO

100-C8500

97

130

55

1 NO

100-C9700

 

Podane nr katalogowe są niepełne. Należy wybrać kod napięcia cewki z tabeli poniżej.

 

Sterowanie AC dla 100-C

Sterowanie DC dla 100-C09...-C43

Sterowanie DC dla 100-C60...-C97

Kod

Opis

Kod

Opis

Kod

Opis

KJ

24 V 50/60 Hz

DJ

24 V DC ze zintegrowaną diodą

DJ

24 V DC ze zintegrowaną diodą

KY

48 V 50/60 Hz

EJ

Cewka elektroniczna 24 V DC

DD

110 V DC ze zintegrowaną diodą

KD

110 V 50/60 Hz

ED

Cewka elektroniczna 110 V DC

DA

220 V DC ze zintegrowaną diodą

KF

230 V 50/60 Hz

EA

Cewka elektroniczna 220 V DC

 

 

KN

400 V 50/60 Hz

 

 

 

 

 

Akcesoria

Zestyki pomocnicze (do styczników 100-C09...-C97)

Opis

NO

NZ

Do użytku z

Nr katalogowy

Bloki zestyków pomocniczych (montaż czołowy)

  • 2 i 4 biegunowe,
  • szybki i prosty montaż bez narzędzi,
  • zestyki kompatybilne  sygnałami 17V, 5mA,
  • połaczenie mechaniczne zestyków NO i NZ oraz biegunów głównych stycznika,
  • modele o jednakowej funkcji z kilkoma  opcjami liczby zacisków,
  • dostępne również wersje z zestykami rozwidlonymi do łączenia sygnałów 5V, 3mA.

0

2

100-C...

100-FA02

1

1

100-FA11

2

0

100-FA20

0

4

100-FA04

1

3

100-FA13

2

2

100-FA22

3

1

100-FA31

4

0

100-FA40

 

Zestyki pomocnicze (do styczników 100-C09...-C97)

Opis

NO

NZ

Do użytku z

Nr katalogowy

Bloki zestyków pomocniczych (montaż boczny) z oznaczeniem rzędu zacisków

  • 1-biegunowe i 2-biegunowe,
  • dwa sposoby numeracji do montażu z prawej lub lewej strony stycznika,
  • szybki i prosty montaż bez narzędzi,
  • zestyki kompatybilne z sygnałami 17V, 10mA,
  • działanie lustrzane z biegunami głównymi stycznika.

0

1

100-C

100-SB01

1

0

100-C§

100-SB10

0

2

100-C§

100-SB02

1

1

100-C§

100-SB11

2

0

100-C§

100-SB20

 § (numeracja podwójna) - montaż lewostronny jest zalecany tylko dla nr kategorii 100-C09...-C23 ze względu na numerację podwójną.

 

 

Moduły sterujace (do styczników 100-C09...-C97)

Opis

Zakres napięcia

Do użytku z

Nr katalogowy

Blokady mechaniczne

  • do blokowania dwóch styczników,
  • jednakowa blokada dla wszystkich styczników 100-C,
  • możliwość blokowania styczników różnej wielkości,
  • blokada mechaniczna i elektryczna w jednym module dzięki zintegrowanym zestykom pomocniczym

Tylko blokada mechaniczna, bez styków pomocniczych

100-C (oprócz 100-C40, -C90)

100-MCA00

Blokada mechaniczna/elektryczna z zestykami pomocniczymi 2NZ

100-MCA02

 

 

 

 

 

 

 

 

Opis

Do użytku z

Nr katalogowy

Pneumatyczne moduły czasowe

  • pneumatyczne zestyki czasowe działające z opóźnieniem. Zestyki stycznika lub przekaźnika działają bez opóźnienia

Opóźnienie załączenia

Zakres: 0,3...30s

Zakres: 1,8...180s

100-C lub 700-CF z cewkami AC lub elktronicznymi cewkami DC

100-FPTA30

100-FPTA180

Opóźnienie wyłączenia Zakres: 0,1...3s

Zakres: 1,8...180s

100-C - wszystkie, 700-CF - wszystkie

100-FPTB30

100-FPTB180

 

 

 

 

Elektroniczne moduły czasowe - opóźnienie załączenia.

Opóźnienie cewki stycznika lub przekaźnika sterującego. Cewka stycznika lub przekaźnika sterującego jest zasilana po upływie czasu opóźnienia.

Opóźnienie załączenia

Zakres: 0,1...3s

Zakres: 1...30s

Zakres: 10...180s

 

110...240 V, 50/60 Hz

110..250 V DC

100-C lub 700-CF z 110...240 V, 50/60 Hz lub cewki 110...250 V DC

100-ETA3

100-ETA30

100-ETA180

Opóźnienie załączenia

Zakres: 0,1...3s

Zakres: 1...30s

Zakres: 10...180s

 

24...48 V DC

100-C lub 700-CF z cewkami 24...48 V DC

100-ETAZJ3

100-ETAZJ30

100-ETAZJ180

 

 

 

 

Elektroniczne moduly czasowe - opóźnienie wyłączenia.

Opóźnienie cewki stycznika lub przekaźnika sterującego. Po przerwaniu sygnału sterującego, stycznik lub przekaźnik sterujący jest wyłączany po upływie czasu opóźnienia.

Opóźnienie wyłączenia

Zakres: 0,3...3s

Zakres: 1...30s

Zakres: 10...180s

 

110...240 V, 50/60 Hz

100-C lub 700-CF z cewkami 110...240 V, 50/60 Hz

100-ETB3

100-ETB30

100-ETB180

Opóźnienie wyłączenia

Zakres: 0,3...3s

Zakres: 1...30s

Zakres: 10...180s

 

24 V, 50/60 Hz

100-C09...-C37 lub 700-CF z cewkami 24 V, 50/60 Hz

100-ETBKJ3

100-ETBKJ30

100-ETBKJ180

 

 

 

 

Elektroniczne moduly czasowe gwiazda-trójkąt

  • opóźnienie cewki stycznika. Stycznik K3 (Y) jest wyłączany, a stycznik K2 (D) jest załączany po upływie nastawionego czasu Y. (Opóźnienie przełączenia wynosi 50ms)
  • ciągły zakres regulacji
  • duża powtarzalność

Czas przejścia stycznika Y

Zakres: 1...30s

 

110...240 V, 50/60 Hz

100-C z cewkami 110...240 V, 50/60 Hz

100-ETY30

 

 

 

 

 

 

 

 

Opis

Zakres napięcia

Do użytku z

Nr katalogowy

Interfejs DC (elektroniczny)

  • interfejs łączący sygnał sterujący DC ze sterownika programowalnego (PLC) z cewką AC stycznika
  • nie wymaga dodatkowego zabezpieczenia przeciwprzepięciowego na cewkach przekaźnika

Wejście: 12 V DC

Wyjście: 110...240 V AC

100-C z cewkami AC 110...240 V

100-JE12

Wejście: 18...30 V DC

Wyjście: 110...240 V AC

100-JE

Wejście: 48 V DC

Wyjście: 110...240 V AC

100-JE48

 

Tłumiki przepięć

  • w celu ograniczenia przepięć przy wyłączaniu obwodu cewki,
  • montaż na cewce, wtykowy,
  • odpowiedni do styczników 100-C w zakresie 9...97 A,

 

Moduł RC Zasilanie AC

24...48 V AC, 50/60 Hz

100-C z cewkami AC

100-FSC48

110...280 V AC, 50/60 Hz

100-FSC280

380...480 V AC, 50/60 Hz

100-FSC480

Moduł warystorowy Zasilanie AC/DC

12...55 V AC/

12...77 V DC

100-C z cewkami AC lub 100-C09...-C43 z cewkami DC

100-FSV55

56...136 V AC/

78...180 V DC

100-FSV136

137...277 V AC/

181...350 V DC

100-FSV277

278...575 V AC

100-FSV575

Moduł diodowy Zasilanie DC

12...250 V DC

100-C09...-C43 z cewkami DC

100-FSD250

 

 

 

 

Akcesoria

Powiązane

Nowości

Komponenty przemysłowe do rozdzielnic niskiego napięcia od ISKRA

OEM Automatic jest dystrybutorem komponentów słoweńskiego producenta ISKRA dedykowanych do rozdzielnic niskiego napięcia. Przedstawimy ofertę do instalacji przemysłowych.

Nowości

Pełna kontrola i regulacja systemów pneumatycznych w warunkach przemysłowych

Produkty marki SITEK gwarantują ciągłość pracy podczas konserwacji i serwisowania systemów pneumatycznych w wymagających warunkach przemysłowych.

Nowości

System CLIMATE AIR+ do pomiaru wilgotności i temperatury w obiektach wielkopowierzchniowych

Climate Air+ Solution – system zaprojektowany z myślą o monitorowaniu warunków środowiskowych w środowiskach przemysłowych i logistycznych.

Nowości

Discover DRY CELL Rail Transit – Nowa jakość w zasilaniu pojazdów szynowych

Akumulatory Discover DRY CELL Rail Transit to nowoczesne, bezobsługowe źródła energii oparte na technologii hydropolimerowej, które wyraźnie przewyższają tradycyjne akumulatory AGM i żelowe

Akademia OEM

Push-in – proste i niezawodne połączenia

W dynamicznie rozwijającym się przemyśle kluczowe są szybkość, niezawodność i łatwość montażu. Właśnie te cechy oferuje technologia Push In, która od kilkunastu do kilkudziesięciu lat zyskuje coraz większe uznanie jako alternatywa dla tradycyjnych połączeń śrubowych.

Nowości

Nowy przetwornik temperatury od PR Electronics: 5450 PROFIBUS PA

Przedstawiamy nowy przetwornik temperatury PR Electronics 5450 PROFIBUS PA — zaprojektowany, aby zapewnić wyjątkową dokładność, niezawodność i wydajność dla branży automatyki i procesowej.

Warianty produktu Cena

Wybrany wariant

Wybierz wariant produktu z listy

Wsparcie techniczne

Radosław Wronko

Wsparcie Klienta
Aby uzyskać informacje dotyczące zamówień i dostępności produktów, skontaktuj się z działem obsługi Klienta:
22 863 27 22
Wyślij e-mail
Potrzebujesz pomocy?
Logo

Ustawienia plików cookie w serwisie oemautomatic.pl

Pliki cookie pomagają nam usprawniać serwis i dostosowywać go do Państwa oczekiwań. Wykorzystujemy pliki cookie aby móc obsługiwać dane logowania i oferować spersonalizowane treści. Niektóre pliki cookie są wymagane dla podstawowej funkcjonalności witryny.

Informacje uzyskane za pośrednictwem plików cookie nigdy nie będą przedmiotem sprzedaży.

Mogą Państwo zaakceptować wszystkie pliki cookie lub spersonalizować swoje preferencje dotyczące określonych plików cookie. Mogą Państwo również zmienić ustawienia dotyczące plików cookie w dowolnym momencie, odwiedzając naszą stronę kontaktową.

Niezbędne pliki cookie

Te pliki cookie są niezbędne dla funkcjonowania strony internetowej i nie mogą być wyłączone w naszych systemach. Są one zazwyczaj ustawiane tylko w odpowiedzi na działania podejmowane przez użytkownika, które sprowadzają się do zapytania o usługi, takie jak ustawienie preferencji prywatności, logowanie lub wypełnianie formularzy. Te pliki cookie nie przechowują żadnych danych osobowych.

Pliki cookie dotyczące wydajności

Te pliki cookie umożliwiają nam zliczanie wizyt i źródeł ruchu, dzięki czemu możemy mierzyć i poprawiać wydajność naszej witryny. Pomagają ustalić, które strony są najbardziej i najmniej popularne i zobaczyć, jak odwiedzający poruszają się po stronie. Wszystkie informacje zbierane przez te pliki cookie są agregowane i tym samym anonimowe. Jeśli użytkownik nie zezwoli na stosowanie tych plików cookie, nie będziemy wiedzieli, kiedy odwiedził naszą stronę internetową.

Pliki cookie związane z reklamami i ich odbiorcami

Te pliki cookie mogą być ustawiane przez naszych partnerów reklamowych za pośrednictwem naszej strony internetowej. Mogą one być wykorzystywane przez te firmy do budowania profilu zainteresowań użytkownika i wyświetlania odpowiednich reklam na innych stronach. Nie przechowują one bezpośrednio danych osobowych, lecz opierają się na jednoznacznej identyfikacji przeglądarki i sprzętu internetowego. Jeśli użytkownik nie zezwoli na stosowanie tych plików cookie, doświadcza mniej ukierunkowanych reklam.