ALLEN-BRADLEY

Wyłączniki silnikowe magneto-termiczne 140M

Dane techniczne

Napięcie zasilania

24 V DC/230 V AC

Znamionowy prąd łączeniowy

Rama C

0,16÷32 A

Rama D

2,5÷32 A

Rama F

10÷45 A

Rama CMN

25÷90 A

Montaż

Szyna DIN

Standard

EN 60947-4

Zgodność z

MD, LVD, EMC

Atesty

Ce-marking, UL508 File number:E198865

 

 

 

Wymiary

Wyłączniki silnikowe magneto-termiczne 140M-C2...

wymiary wyl 140M-C2.tif

 

Wyłączniki silnikowe magneto-termiczne 140M-D8...

wymiary wyl 140M-D8.tif

 

Wyłączniki silnikowe magneto-termiczne 140M-F8...

wymiary wyl 140M-F8.tif

 

Wyłączniki silnikowe magneto-termiczne 140M-CMN...

wymiary wyl 140M-CMN.tif

 

 

 

Nr katalogowe

 

Znamionowy prąd łączeniowy (Ie) [A]

Zakres nastaw prądu silnika [A]

kW/400V

Nr katalogowy

Rama C

0,16

0,1...0,16

0,02

140M-C2E-A16

0,25

0,16...0,25

0,04

140M-C2E-A25

0,4

0,25...0,4

0,09

140M-C2E-A40

0,63

0,4...0,63

0,18

140M-C2E-A63

1

0,63...1,0

0,25

140M-C2E-B10

1,6

1,0...1,6

0,55

140M-C2E-B16

2,5

1,6...2,5

0,75

140M-C2E-B25

4

2,5...4,0

1,5

140M-C2E-B40

6,3

4,0...6,3

2,2

140M-C2E-B63

10

6,3...10

4

140M-C2E-C10

16

10...16

7,5

140M-C2E-C16

20

14,5...20

10

140M-C2E-C20

25

18...25

11

140M-C2E-C25

29

24...29

13

140M-C2E-C29

32

27...32

15

140M-C2E-C32

Rama D

2,5

1,6...2,5

0,75

140M-D8E-B25

4

2,5...4,0

1,5

140M-D8E-B40

6,3

4,0...6,3

2,2

140M-D8E-B63

10

6,3...10

4

140M-D8E-C10

16

10...16

7,5

140M-D8E-C16

20

14,5...20

10

140M-D8E-C20

25

18...25

11

140M-D8E-C25

29

24...29

13

140M-D8E-C29

32

27...32

15

140M-D8E-C32

Rama F

10

6,3...10

4

140M-F8E-C10

16

10...16

7,5

140M-F8E-C16

20

14,5...20

10

140M-F8E-C20

25

18...25

11

140M-F8E-C25

32

23...32

15

140M-F8E-C32

45

32...45

22

140M-F8E-C45

Rama CMN

25

16...25

13

140-CMN-2500

40

25...40

22

140-CMN-4000

63

40...63

32

140-CMN-6300

90

63...90

45

140-CMN-9000

 

Akcesoria

 

Opis

Nr zacisku

NO

NZ

Do użytku z

Nr katalogowy

Zestyk pomocniczy montowany czołowo

  • 1-biegunowy lub 2-biegunowy,
  • nie wymaga dodatkowej przestrzeni,
  • 1 szt. na wyłącznik

13-14

1

0

140M-C, D, F;

140U-D (UL 489 tylko w połączeniu z 140M-C-AFC)

140M-C-AFA10

11-12

0

1

140M-C-AFA01

13-14,

21-22

1

1

140M-C-AFA11

13-14,

23-24

2

0

140M-C-AFA20

11-12,

21-22

0

2

140M-C-AFA02

Zestyk pomocniczy montowany z prawej strony

  • 2-biegunowy,
  • zwiększa szerokość wyłącznika o 9mm,
  • 2 szt. na wyłącznik

33-34,

43-44

2

0

140M-C, D, F

140M-C-ASA20

31-32,

41-42

0

2

140M-C-ASA02

33-34,

41-42

1

1

140M-C-ASA11

 

Opis

Napięcie wyzwalania

Do użytku z

Nr katalogowy

Wyzwalacz ponadnapięciowy

  • montowany z lewej strony,
  • zwiększa szerokość wyłącznika o 18mm,
  • samoczynnie wyzwala wyłączniki silnikowe, gdy napięcie spadnie poniżej 35...70%

24 V, 50 Hz

140M-C, D, F;

140U-D (wyzwalacze serii B lub późniejsze)

140M-C-UXK

110 V, 50 Hz

140M-C-UXC

220...230 V, 50 Hz

140M-C-UXF

380...400 V, 50 Hz

140M-C-UXN

480 V, 60 Hz/415 V, 50 Hz

140M-C-UXB

Wyzwalacz ponadnapięciowy

  • montowany z lewej strony,
  • zwiększa szerokość wyłącznika o 18mm,
  • samoczynnie wyzwala wyłączniki silnikowe, gdy napięcie spadnie poniżej 35...70%,
  • zintegrowane dwa zestyki zwierne z wyprzedzonym zamknięciem

24 V, 50 Hz

140M-C, D, F;

140U-D (wyzwalacze serii B lub późniejsze)

140M-C-UCK

110 V, 50 Hz

140M-C-UCC

220...230 V, 50 Hz

140M-C-UCF

380...400 V, 50 Hz

140M-C-UCN

480 V, 60 Hz/415 V, 50 Hz

140M-C-UCB

Wyzwalacz wzrostowy

  • montowany z lewej strony,
  • zwiększa szerokość wyłącznika o 18mm,
  • wyzwala wyłącznik silnikowy przy zaniku napięcia

24 V, 50 Hz

140M-C, D, F;

140U-D

140M-C-SNK

110 V, 50 Hz

140M-C-SNC

220...230 V, 50 Hz

140M-C-SNF

380...400 V, 50 Hz

140M-C-SNN

480 V, 60 Hz/415 V, 50 Hz

140M-C-SNB

Wyzwalacz ponadnapięciowy

  • wewnętrzny, montowany czołowo,
  • zintegrowany wskaźnik wyzwolenia zwarciowego,
  • samoczynnie wyzwala wyłączniki silnikowe, gdy napięcie spadnie poniżej 35...70%,

24 V, 50 Hz

140-CMN

140-CUV-KJ

110 V, 50 Hz/120 V, 60 Hz

140-CUV-D

220 V, 50 Hz/240 V, 60 Hz

140-CUV-A

Wyzwalacz wzrostowy

  • wewnętrzny, montowany czołowo,
  • zintegrowany wskaźnik wyzwolenia zwarciowego,
  • umożliwia zdalne wyzwolenie wyłącznika silnikowego

24 V, 50 Hz

140-CMN

140-CRT-KJ

110 V, 50 Hz/120 V, 60 Hz

140-CRT-D

220 V, 50 Hz/240 V, 60 Hz

140-CRT-A

 

Pokaż więcej
  • Zabezpieczenie zwarciowe - standardowe wyzwolenie magnetyczne (13...14 Ie)
  • Zabezpieczenie przeciążeniowe silnika - klasa wyzwalania 10
  • Kompensacja temperatury otoczenia
  • Zabezpieczenie na wypadek zaniku fazy

Wybrany wariant produktu

Wybrany wariant produktu

Specyfikacja techniczna

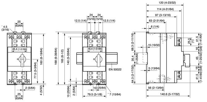
Wymiary i połączenia

wymiary wyl 140M-C2.tif Powiększ

Wymiary wylaczników silnikowych 140M-C2

wymiary wyl 140M-D8.tif Powiększ

Wymiary wylaczników silnikowych 140M-D8

wymiary wyl 140M-F8.tif Powiększ

Wymiary wylaczników silnikowych 140M-F8

Opis produktu

Dane techniczne

Napięcie zasilania

24 V DC/230 V AC

Znamionowy prąd łączeniowy

Rama C

0,16÷32 A

Rama D

2,5÷32 A

Rama F

10÷45 A

Rama CMN

25÷90 A

Montaż

Szyna DIN

Standard

EN 60947-4

Zgodność z

MD, LVD, EMC

Atesty

Ce-marking, UL508 File number:E198865

 

 

 

Wymiary

Wyłączniki silnikowe magneto-termiczne 140M-C2...

wymiary wyl 140M-C2.tif

 

Wyłączniki silnikowe magneto-termiczne 140M-D8...

wymiary wyl 140M-D8.tif

 

Wyłączniki silnikowe magneto-termiczne 140M-F8...

wymiary wyl 140M-F8.tif

 

Wyłączniki silnikowe magneto-termiczne 140M-CMN...

wymiary wyl 140M-CMN.tif

 

 

 

Nr katalogowe

 

Znamionowy prąd łączeniowy (Ie) [A]

Zakres nastaw prądu silnika [A]

kW/400V

Nr katalogowy

Rama C

0,16

0,1...0,16

0,02

140M-C2E-A16

0,25

0,16...0,25

0,04

140M-C2E-A25

0,4

0,25...0,4

0,09

140M-C2E-A40

0,63

0,4...0,63

0,18

140M-C2E-A63

1

0,63...1,0

0,25

140M-C2E-B10

1,6

1,0...1,6

0,55

140M-C2E-B16

2,5

1,6...2,5

0,75

140M-C2E-B25

4

2,5...4,0

1,5

140M-C2E-B40

6,3

4,0...6,3

2,2

140M-C2E-B63

10

6,3...10

4

140M-C2E-C10

16

10...16

7,5

140M-C2E-C16

20

14,5...20

10

140M-C2E-C20

25

18...25

11

140M-C2E-C25

29

24...29

13

140M-C2E-C29

32

27...32

15

140M-C2E-C32

Rama D

2,5

1,6...2,5

0,75

140M-D8E-B25

4

2,5...4,0

1,5

140M-D8E-B40

6,3

4,0...6,3

2,2

140M-D8E-B63

10

6,3...10

4

140M-D8E-C10

16

10...16

7,5

140M-D8E-C16

20

14,5...20

10

140M-D8E-C20

25

18...25

11

140M-D8E-C25

29

24...29

13

140M-D8E-C29

32

27...32

15

140M-D8E-C32

Rama F

10

6,3...10

4

140M-F8E-C10

16

10...16

7,5

140M-F8E-C16

20

14,5...20

10

140M-F8E-C20

25

18...25

11

140M-F8E-C25

32

23...32

15

140M-F8E-C32

45

32...45

22

140M-F8E-C45

Rama CMN

25

16...25

13

140-CMN-2500

40

25...40

22

140-CMN-4000

63

40...63

32

140-CMN-6300

90

63...90

45

140-CMN-9000

 

Akcesoria

 

Opis

Nr zacisku

NO

NZ

Do użytku z

Nr katalogowy

Zestyk pomocniczy montowany czołowo

  • 1-biegunowy lub 2-biegunowy,
  • nie wymaga dodatkowej przestrzeni,
  • 1 szt. na wyłącznik

13-14

1

0

140M-C, D, F;

140U-D (UL 489 tylko w połączeniu z 140M-C-AFC)

140M-C-AFA10

11-12

0

1

140M-C-AFA01

13-14,

21-22

1

1

140M-C-AFA11

13-14,

23-24

2

0

140M-C-AFA20

11-12,

21-22

0

2

140M-C-AFA02

Zestyk pomocniczy montowany z prawej strony

  • 2-biegunowy,
  • zwiększa szerokość wyłącznika o 9mm,
  • 2 szt. na wyłącznik

33-34,

43-44

2

0

140M-C, D, F

140M-C-ASA20

31-32,

41-42

0

2

140M-C-ASA02

33-34,

41-42

1

1

140M-C-ASA11

 

Opis

Napięcie wyzwalania

Do użytku z

Nr katalogowy

Wyzwalacz ponadnapięciowy

  • montowany z lewej strony,
  • zwiększa szerokość wyłącznika o 18mm,
  • samoczynnie wyzwala wyłączniki silnikowe, gdy napięcie spadnie poniżej 35...70%

24 V, 50 Hz

140M-C, D, F;

140U-D (wyzwalacze serii B lub późniejsze)

140M-C-UXK

110 V, 50 Hz

140M-C-UXC

220...230 V, 50 Hz

140M-C-UXF

380...400 V, 50 Hz

140M-C-UXN

480 V, 60 Hz/415 V, 50 Hz

140M-C-UXB

Wyzwalacz ponadnapięciowy

  • montowany z lewej strony,
  • zwiększa szerokość wyłącznika o 18mm,
  • samoczynnie wyzwala wyłączniki silnikowe, gdy napięcie spadnie poniżej 35...70%,
  • zintegrowane dwa zestyki zwierne z wyprzedzonym zamknięciem

24 V, 50 Hz

140M-C, D, F;

140U-D (wyzwalacze serii B lub późniejsze)

140M-C-UCK

110 V, 50 Hz

140M-C-UCC

220...230 V, 50 Hz

140M-C-UCF

380...400 V, 50 Hz

140M-C-UCN

480 V, 60 Hz/415 V, 50 Hz

140M-C-UCB

Wyzwalacz wzrostowy

  • montowany z lewej strony,
  • zwiększa szerokość wyłącznika o 18mm,
  • wyzwala wyłącznik silnikowy przy zaniku napięcia

24 V, 50 Hz

140M-C, D, F;

140U-D

140M-C-SNK

110 V, 50 Hz

140M-C-SNC

220...230 V, 50 Hz

140M-C-SNF

380...400 V, 50 Hz

140M-C-SNN

480 V, 60 Hz/415 V, 50 Hz

140M-C-SNB

Wyzwalacz ponadnapięciowy

  • wewnętrzny, montowany czołowo,
  • zintegrowany wskaźnik wyzwolenia zwarciowego,
  • samoczynnie wyzwala wyłączniki silnikowe, gdy napięcie spadnie poniżej 35...70%,

24 V, 50 Hz

140-CMN

140-CUV-KJ

110 V, 50 Hz/120 V, 60 Hz

140-CUV-D

220 V, 50 Hz/240 V, 60 Hz

140-CUV-A

Wyzwalacz wzrostowy

  • wewnętrzny, montowany czołowo,
  • zintegrowany wskaźnik wyzwolenia zwarciowego,
  • umożliwia zdalne wyzwolenie wyłącznika silnikowego

24 V, 50 Hz

140-CMN

140-CRT-KJ

110 V, 50 Hz/120 V, 60 Hz

140-CRT-D

220 V, 50 Hz/240 V, 60 Hz

140-CRT-A

 

Akcesoria

Powiązane

Nowości

Komponenty przemysłowe do rozdzielnic niskiego napięcia od ISKRA

OEM Automatic jest dystrybutorem komponentów słoweńskiego producenta ISKRA dedykowanych do rozdzielnic niskiego napięcia. Przedstawimy ofertę do instalacji przemysłowych.

Nowości

Pełna kontrola i regulacja systemów pneumatycznych w warunkach przemysłowych

Produkty marki SITEK gwarantują ciągłość pracy podczas konserwacji i serwisowania systemów pneumatycznych w wymagających warunkach przemysłowych.

Nowości

Przepływomierz ultradźwiękowy Brooks Instrument BCU – nowoczesne rozwiązanie dla bioprocesów

Nowa seria przepływomierzy BCU (Brooks Clamp-on Ultrasonic Flow Meter) została zaprojektowana z myślą o nowoczesnych procesach biotechnologicznych i farmaceutycznych.

Nowości

Półprzewodnikowe przekaźniki do pracy w niesprzyjających warunkach

Delcon od ponad 40 lat specjalizuje się w produkcji wysokiej jakości przekaźników półprzewodnikowych. Jego produkty wyróżniają się wyjątkową żywotnością oraz przystosowaniem do pracy w niesprzyjających warunkach.

Nowości

Smart Signaling 50 – nowa generacja sygnalizacji przemysłowej od Auer Signal

Auer Signal – jeden z wiodących światowych producentów urządzeń sygnalizacyjnych i ostrzegawczych, w 2025 roku wprowadza na rynek nową linię produktów, Smart Signaling 50.

Z życia firmy

Zakupy z płatnością online

Klienci zarejestrowani w naszej platformie zakupowej zyskali dostęp do trzech form płatności online: Blik, Przelewy24 (bezpieczny przelew za pośrednictwem wybranego banku) oraz płatność kartą kredytową.

Warianty produktu Cena

Wybrany wariant

Wybierz wariant produktu z listy

Wsparcie techniczne

Radosław Wronko

Wsparcie Klienta
Aby uzyskać informacje dotyczące zamówień i dostępności produktów, skontaktuj się z działem obsługi Klienta:
22 863 27 22
Wyślij e-mail
Potrzebujesz pomocy?
Logo

Ustawienia plików cookie w serwisie oemautomatic.pl

Pliki cookie pomagają nam usprawniać serwis i dostosowywać go do Państwa oczekiwań. Wykorzystujemy pliki cookie aby móc obsługiwać dane logowania i oferować spersonalizowane treści. Niektóre pliki cookie są wymagane dla podstawowej funkcjonalności witryny.

Informacje uzyskane za pośrednictwem plików cookie nigdy nie będą przedmiotem sprzedaży.

Mogą Państwo zaakceptować wszystkie pliki cookie lub spersonalizować swoje preferencje dotyczące określonych plików cookie. Mogą Państwo również zmienić ustawienia dotyczące plików cookie w dowolnym momencie, odwiedzając naszą stronę kontaktową.

Niezbędne pliki cookie

Te pliki cookie są niezbędne dla funkcjonowania strony internetowej i nie mogą być wyłączone w naszych systemach. Są one zazwyczaj ustawiane tylko w odpowiedzi na działania podejmowane przez użytkownika, które sprowadzają się do zapytania o usługi, takie jak ustawienie preferencji prywatności, logowanie lub wypełnianie formularzy. Te pliki cookie nie przechowują żadnych danych osobowych.

Pliki cookie dotyczące wydajności

Te pliki cookie umożliwiają nam zliczanie wizyt i źródeł ruchu, dzięki czemu możemy mierzyć i poprawiać wydajność naszej witryny. Pomagają ustalić, które strony są najbardziej i najmniej popularne i zobaczyć, jak odwiedzający poruszają się po stronie. Wszystkie informacje zbierane przez te pliki cookie są agregowane i tym samym anonimowe. Jeśli użytkownik nie zezwoli na stosowanie tych plików cookie, nie będziemy wiedzieli, kiedy odwiedził naszą stronę internetową.

Pliki cookie związane z reklamami i ich odbiorcami

Te pliki cookie mogą być ustawiane przez naszych partnerów reklamowych za pośrednictwem naszej strony internetowej. Mogą one być wykorzystywane przez te firmy do budowania profilu zainteresowań użytkownika i wyświetlania odpowiednich reklam na innych stronach. Nie przechowują one bezpośrednio danych osobowych, lecz opierają się na jednoznacznej identyfikacji przeglądarki i sprzętu internetowego. Jeśli użytkownik nie zezwoli na stosowanie tych plików cookie, doświadcza mniej ukierunkowanych reklam.