| Czas reakcji | 33 ms |
|---|---|
| Dane wyjściowe | Przekaźnik SPDT 250 V AC, obciążenie rezystancyjne 8 A. |
| Materiał obudowy | ABS |
| Max. temperatura pracy | 60 °C |
| Min. temperatura pracy | -20 °C |
| Napięcie zasilania AC/DC maks. | 24 V |
| Napięcie zasilania AC/DC min. | 24 V |
| Pobór mocy | 2,8 W |
|---|---|
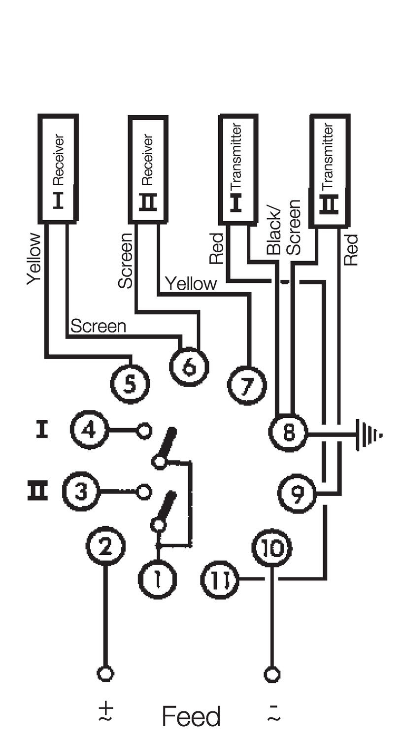
| Podłączenie elektryczne | Gniazdo 11-pinowe |
| Przełącznik załącz gdy jasno / załącz gdy ciemno | Tak |
| Ustawianie czułości | 2 x Potencjometr |
| Wyświetlacz LED | Aktywowane wyjście: 2x żółta dioda LED |
Przełączniki rtęciowe są od wielu lat stosowane w przemyśle. Jednak ze względu na powszechnie rosnącą świadomość zagrożeń, jakie niesie rtęć dla środowiska i zdrowia, konieczne stało się zastąpienie ich bezpieczniejszymi alternatywami, takimi jak czujniki DIS.
Dalmierze laserowe Dimetix oferują liczne korzyści w intralogistyce, przyczyniając się do wydajnego, kontrolowanego i bezpiecznego przepływu materiałów oraz zarządzania przestrzenią magazynową.
Wyłączniki krańcowe IN73 i MN78 firmy Bernstein idealnie nadają się do małych prądów.
Zabezpieczenie termiczne transformatora typu ZTT marki INOVA służy do kontroli jego temperatury za pomocą czujników PT100 umieszczonych w uzwojeniach i na rdzeniu.
Pierścienie ślizgowe marki Kübler są wsparciem dla przemysłu na każdym etapie procesu pakowania – od maszyn flow pack, etykietujących, po systemy magazynowe.
Istnieje wiele aplikacji, w których duże odległości do obiektu muszą być mierzone z najwyższą dokładnością oraz szybkością. Do takich pomiarów zostały stworzone dalmierze laserowe Dimetix.
|
|
|
|
|
|
||
|---|---|---|---|---|---|---|
|
|
|
|
|
|
||
|
|
|
|
|
|
||
|
|
|
|
|
|
||
|
|
|
|
|
|
||
|
|
|
|
|
|
||
|
|
|
|
|
|
| Warianty produktu | Czas reakcji | Dane wyjściowe | Funkcja czasowa | Materiał obudowy | Max. temperatura pracy | Min. temperatura pracy | Napięcie zasilania AC maks. | Napięcie zasilania AC min. | Napięcie zasilania AC/DC maks. | Napięcie zasilania AC/DC min. | Pobór mocy | Podłączenie elektryczne | Przełącznik załącz gdy jasno / załącz gdy ciemno | Stopień ochrony IP | Technologia czujnika | Typ światła | Ustawianie czułości | Wyświetlacz LED | Zakres detekcji | Cena | ||
|---|---|---|---|---|---|---|---|---|---|---|---|---|---|---|---|---|---|---|---|---|---|---|
Nadajnik, Ø10 mm, 5 m kabel
Nr produktu:
IED12
Skopiowano
|
|
|
|
Noryl
|
60 °C
|
-20 °C
|
|
|
|
|
|
Kabel 5 m
|
|
IP67
|
Nadajnik
|
IR LED
|
|
|
|
| ||
Nadajnik, Ø10 mm , 10 m kabel
Nr produktu:
IED12-10M
Skopiowano
|
|
|
|
Noryl
|
60 °C
|
-20 °C
|
|
|
|
|
|
Kabel 10 m
|
|
IP67
|
Nadajnik
|
IR LED
|
|
|
|
| ||
Odbiornik, Ø10 mm, zasieg 5 m, 5 m kabel
Nr produktu:
SPT1
Skopiowano
|
|
|
|
Noryl
|
60 °C
|
-20 °C
|
|
|
|
|
|
Kabel 5 m
|
|
IP67
|
Odbiornik
|
IR LED
|
|
|
5000 mm
|
| ||
Odbiornik, Ø10 mm , zasieg 5 m, 10 m kabel
Nr produktu:
SPT1-10M
Skopiowano
|
|
|
|
Noryl
|
60 °C
|
-20 °C
|
|
|
|
|
|
Kabel 10 m
|
|
IP67
|
Odbiornik
|
IR LED
|
|
|
5000 mm
|
| ||
Odbiornik, Ø10 mm , zasięg 10 m, 5 m kabel
Nr produktu:
SPT3
Skopiowano
|
|
|
|
Noryl
|
60 °C
|
-20 °C
|
|
|
|
|
|
Kabel 5 m
|
|
IP67
|
Odbiornik
|
IR LED
|
|
|
10000 mm
|
| ||
Odbiornik, Ø10 mm , zasieg 10 m, 10 m kabel
Nr produktu:
SPT3-10M
Skopiowano
|
|
|
|
Noryl
|
60 °C
|
-20 °C
|
|
|
|
|
|
Kabel 10 m
|
|
IP67
|
Odbiornik
|
IR LED
|
|
|
10000 mm
|
| ||
Odbiornik, Ø10 mm , zasięg 20 m, 5 m kabel
Nr produktu:
SPT3A
Skopiowano
|
|
|
|
Noryl
|
60 °C
|
-20 °C
|
|
|
|
|
|
Kabel 5 m
|
|
IP67
|
Odbiornik
|
IR LED
|
|
|
20000 mm
|
| ||
Odbiornik, Ø10 mm, zasieg 20 m, 10 m kabel
Nr produktu:
SPT3A-10M
Skopiowano
|
|
|
|
Noryl
|
60 °C
|
-20 °C
|
|
|
|
|
|
Kabel 10 m
|
|
IP67
|
Odbiornik
|
|
|
|
20000 mm
|
| ||
Odbiornik, Ø10 mm, zasięg 20 m, 15 m kabel
Nr produktu:
SPT3A-15M
Skopiowano
|
|
|
|
Noryl
|
60 °C
|
-20 °C
|
|
|
|
|
|
Kabel 15 m
|
|
IP67
|
Odbiornik
|
IR LED
|
|
|
20000 mm
|
| ||
|
Nadajnik, M12, 5 m kabel
Nr produktu:
IED12G
Skopiowano
|
|
|
|
Stal nierdzewna
|
60 °C
|
-20 °C
|
|
|
|
|
|
Kabel 5 m
|
|
IP67
|
Nadajnik
|
IR LED
|
|
|
|
| ||
|
Nadajnik, M12, 10 m kabel
Nr produktu:
IED12G-10M
Skopiowano
|
|
|
|
Stal nierdzewna
|
60 °C
|
-20 °C
|
|
|
|
|
|
Kabel 10 m
|
|
IP67
|
Nadajnik
|
|
|
|
|
| ||
|
Nadajnik, M12, 15 m kabel
Nr produktu:
IED12G-15M
Skopiowano
|
|
|
|
Stal nierdzewna
|
60 °C
|
-20 °C
|
|
|
|
|
|
Kabel 15 m
|
|
IP67
|
Nadajnik
|
|
|
|
|
| ||
|
Odbiornik, M12, zasięg 5 m, 5 m kabel
Nr produktu:
SPT1G
Skopiowano
|
|
|
|
Stal nierdzewna
|
60 °C
|
-20 °C
|
|
|
|
|
|
Kabel 5 m
|
|
IP67
|
Odbiornik
|
IR LED
|
|
|
5000 mm
|
| ||
|
Odbiornik, M12, zasieg 5 m, 10 m kabel
Nr produktu:
SPT1G-10M
Skopiowano
|
|
|
|
Stal nierdzewna
|
60 °C
|
-20 °C
|
|
|
|
|
|
Kabel 10 m
|
|
IP67
|
Odbiornik
|
|
|
|
5000 mm
|
| ||
|
Odbiornik, M12, zasięg 10 m, 5 m kabel
Nr produktu:
SPT3G
Skopiowano
|
|
|
|
Stal nierdzewna
|
60 °C
|
-20 °C
|
|
|
|
|
|
Kabel 5 m
|
|
IP67
|
Odbiornik
|
IR LED
|
|
|
10000 mm
|
| ||
|
Odbiornik, M12, zasieg 10 m, 10 m kabel
Nr produktu:
SPT3G-10M
Skopiowano
|
|
|
|
Stal nierdzewna
|
60 °C
|
-20 °C
|
|
|
|
|
|
Kabel 10 m
|
|
IP67
|
Odbiornik
|
|
|
|
10000 mm
|
| ||
|
Odbiornik, M12, zasieg 10 m, 15 m kabel
Nr produktu:
SPT3G-15M
Skopiowano
|
|
|
|
Stal nierdzewna
|
60 °C
|
-20 °C
|
|
|
|
|
|
Kabel 15 m
|
|
IP67
|
Odbiornik
|
|
|
|
10000 mm
|
| ||
|
Odbiornik, M12, zasięg 20 m, 5 m kabel
Nr produktu:
SPT3AG
Skopiowano
|
|
|
|
Stal nierdzewna
|
60 °C
|
-20 °C
|
|
|
|
|
|
Kabel 5 m
|
|
IP67
|
Odbiornik
|
IR LED
|
|
|
20000 mm
|
| ||
|
Odbiornik, M12, zasieg 20 m, 15 m kabel
Nr produktu:
SPT3AG-15M
Skopiowano
|
|
|
|
Stal nierdzewna
|
60 °C
|
-20 °C
|
|
|
|
|
|
Kabel 15 m
|
|
IP67
|
Odbiornik
|
|
|
|
20000 mm
|
| ||
Odbiciowy, zasieg 60 mm, 5 m kabel
Nr produktu:
IRS5
Skopiowano
|
|
|
|
Noryl
|
60 °C
|
-20 °C
|
|
|
|
|
|
Kabel 5 m
|
|
IP67
|
Barierowy
|
IR LED
|
|
|
60 mm
|
| ||
Odbiciowy, zasieg 0.75 m, 5 m kabel
Nr produktu:
IRS8
Skopiowano
|
|
|
|
Noryl
|
60 °C
|
-20 °C
|
|
|
|
|
|
Kabel 5 m
|
|
IP67
|
Barierowy
|
IR LED
|
|
|
850 mm
|
| ||
Odbiciowy, zasięg 2 m, 5 m kabel
Nr produktu:
IRS9
Skopiowano
|
|
|
|
Noryl
|
60 °C
|
-20 °C
|
|
|
|
|
|
Kabel 5 m
|
|
IP67
|
Dyfuzyjny
|
IR LED
|
|
|
2000 mm
|
| ||
|
Wzmacniacz, 230 V AC, przekaźnik
Nr produktu:
OEM201N230A
Skopiowano
|
65 ms
|
Przekaźnik SPDT 250 V AC, obciążenie rezystancyjne 8 A.
|
|
ABS
|
60 °C
|
-20 °C
|
230 V AC
|
230 V AC
|
|
|
2,8 W
|
Gniazdo 11-pinowe
|
|
|
|
|
Potencjometr
|
Napięcie zasilania: żółta dioda LED. Odbiornik aktywny: żółta dioda LED
|
|
| ||
|
Wzmacniacz, 24 V AC/DC, przekaźnik
Nr produktu:
OEM201N24AD
Skopiowano
|
65 ms
|
Przekaźnik SPDT 250 V AC, obciążenie rezystancyjne 8 A.
|
|
ABS
|
60 °C
|
-20 °C
|
|
|
24 V
|
24 V
|
2,8 W
|
Gniazdo 11-pinowe
|
|
|
|
|
Potencjometr
|
Napięcie zasilania: żółta dioda LED. Odbiornik aktywny: żółta dioda LED
|
|
| ||
|
Wzmacniacz, 230 V AC, NPN/przekaźnik
Nr produktu:
OEM202N230A
Skopiowano
|
65 ms
|
Przekaźnik SPDT 250 V AC, obciążenie rezystancyjne 8 A i NPN 50 mA, 30 V DC
|
|
ABS
|
60 °C
|
-20 °C
|
230 V AC
|
230 V AC
|
|
|
2,8 W
|
Gniazdo 11-pinowe
|
Tak
|
|
|
|
Potencjometr
|
Napięcie zasilania: żółta dioda LED. Odbiornik aktywny: żółta dioda LED. Wyjście aktywne: żółta dioda LED
|
|
| ||
|
Wzmacniacz, 24 V AC/DC, NPN/przekaźnik
Nr produktu:
OEM202N24AD
Skopiowano
|
65 ms
|
Przekaźnik SPDT 250 V AC, obciążenie rezystancyjne 8 A i NPN 50 mA, 30 V DC
|
|
ABS
|
60 °C
|
-20 °C
|
|
|
24 V
|
24 V
|
2,8 W
|
Gniazdo 11-pinowe
|
Tak
|
|
|
|
Potencjometr
|
Napięcie zasilania: żółta dioda LED. Odbiornik aktywny: żółta dioda LED. Wyjście aktywne: żółta dioda LED
|
|
| ||
|
Wzmacniacz, 230 V AC, NPN/przekaźnik, funkcja czasowa
Nr produktu:
OEM203N230A
Skopiowano
|
65 ms
|
Przekaźnik SPDT 250 V AC, obciążenie rezystancyjne 8 A i NPN 50 mA, 30 V DC
|
Opóźnienie włączenia 0-10 s Opóźnienie wyłączenia 0-10 s
|
ABS
|
60 °C
|
-20 °C
|
230 V AC
|
230 V AC
|
|
|
2,8 W
|
Gniazdo 11-pinowe
|
Tak
|
|
|
|
Potencjometr
|
Napięcie zasilania: żółta dioda LED. Odbiornik aktywny: żółta dioda LED. Wyjście aktywne: żółta dioda LED
|
|
| ||
|
Wzmacniacz, 24 V AC/DC, NPN/przekaźnik, funkcja czasowa
Nr produktu:
OEM203N24AD
Skopiowano
|
65 ms
|
Przekaźnik SPDT 250 V AC, obciążenie rezystancyjne 8 A i NPN 50 mA, 30 V DC
|
Opóźnienie włączenia 0-10 s Opóźnienie wyłączenia 0-10 s
|
ABS
|
60 °C
|
-20 °C
|
|
|
24 V
|
24 V
|
2,8 W
|
Gniazdo 11-pinowe
|
Tak
|
|
|
|
Potencjometr
|
Napięcie zasilania: żółta dioda LED. Odbiornik aktywny: żółta dioda LED. Wyjście aktywne: żółta dioda LED
|
|
| ||
|
Wzmacniacz, 230 V AC, 2x przekaźnik, multiplex
Nr produktu:
OEM207N230A
Skopiowano
|
33 ms
|
Przekaźnik SPDT 250 V AC, obciążenie rezystancyjne 8 A.
|
|
ABS
|
60 °C
|
-20 °C
|
230 V AC
|
230 V AC
|
|
|
2,8 W
|
Gniazdo 11-pinowe
|
Tak
|
|
|
|
2 x Potencjometr
|
Aktywowane wyjście: 2x żółta dioda LED
|
|
| ||
|
Wzmacniacz, 24 V AC/DC, 2x przekaźnik, multiplex
Nr produktu:
OEM207N24AD
Skopiowano
|
33 ms
|
Przekaźnik SPDT 250 V AC, obciążenie rezystancyjne 8 A.
|
|
ABS
|
60 °C
|
-20 °C
|
|
|
24 V
|
24 V
|
2,8 W
|
Gniazdo 11-pinowe
|
Tak
|
|
|
|
2 x Potencjometr
|
Aktywowane wyjście: 2x żółta dioda LED
|
|
| ||
FOTOKOMÓRKA REFLEX 85CM
Nr produktu:
IRS8-M10
Skopiowano
|
|
|
|
|
|
|
|
|
|
|
|
|
|
|
|
|
|
|
|
|
Wybierz wariant produktu z listy
Mariusz Szabłowski