BERNSTEIN

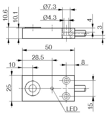
Czujnik indukcyjny 50x25x10

Plastikowa obudowa

Prostopadłościenny czujnik indukcyjny firmy Bernstein w obudowie plastikowej.

Pokaż więcej
  • Sn=5.0 - 8.0 mm
  • Kabel o długości 2m
  • Złącze M8
  • Wskaźnik LED

Wybrany wariant produktu

Wybrany wariant produktu

Specyfikacja techniczna

LED Tak
Materiał obudowy Plastikowy
Max. napięcie DC 60 V
Max. obciążenie 200 mA
Max. temperatura pracy 70 °C
Min. napięcie DC 10 V
Min. temperatura pracy -25 °C
Montaż Zabudowany
Podłączenie elektryczne Kabel 2 m
Rozmiar 50x25x10
Stopień ochrony IP IP67
Typ czujnika Indukcyjny
Wyjście PNP NO
Zakres detekcji 5 mm

Do pobrania

Wymiary i połączenia

Opis produktu

Prostopadłościenny czujnik indukcyjny firmy Bernstein w obudowie plastikowej.

Akcesoria

Powiązane

Nowości

S3N firmy Datasensing – miniaturowy czujnik fotoelektryczny o maksymalnej wydajności

Rodzina czujników S3N, produkowana przez firmę Datasensing, oferuje kompletne i elastyczne rozwiązanie w wyjątkowo kompaktowej i wytrzymałej obudowie.

Akademia OEM

Dlaczego warto zmienić przełączniki rtęciowe na czujniki DIS

Przełączniki rtęciowe są od wielu lat stosowane w przemyśle. Jednak ze względu na powszechnie rosnącą świadomość zagrożeń, jakie niesie rtęć dla środowiska i zdrowia, konieczne stało się zastąpienie ich bezpieczniejszymi alternatywami, takimi jak czujniki DIS.

Nowości

Dalmierze laserowe Dimetix – przykładowe zastosowania w intralogistyce

Dalmierze laserowe Dimetix oferują liczne korzyści w intralogistyce, przyczyniając się do wydajnego, kontrolowanego i bezpiecznego przepływu materiałów oraz zarządzania przestrzenią magazynową.

Nowości

WYŁĄCZNIKI KRAŃCOWE FIRMY BERNSTEIN DO MAŁYCH PRĄDÓW I TRUDNYCH WARUNKÓW PRACY

Wyłączniki krańcowe IN73 i MN78 firmy Bernstein idealnie nadają się do małych prądów.

Nowości

Zabezpieczenie termiczne transformatora

Zabezpieczenie termiczne transformatora typu ZTT marki INOVA służy do kontroli jego temperatury za pomocą czujników PT100 umieszczonych w uzwojeniach i na rdzeniu.

Nowości

Pierścienie ślizgowe Kübler

Pierścienie ślizgowe marki Kübler są wsparciem dla przemysłu na każdym etapie procesu pakowania – od maszyn flow pack, etykietujących, po systemy magazynowe.

Warianty produktu Montaż Podłączenie elektryczne Zakres detekcji Cena
Zabudowany
Kabel 2 m
5 mm
Niezabudowany
Kabel 2 m
8 mm
Zabudowany
Złącze M8 3-pinowe
5 mm
Niezabudowany
Złącze M8 3-pinowe
8 mm

Wybrany wariant

Wybierz wariant produktu z listy

Wsparcie techniczne

Jarosław Kalista

Business Area Manager BEZPIECZEŃSTWO

Wsparcie Klienta
Aby uzyskać informacje dotyczące zamówień i dostępności produktów, skontaktuj się z działem obsługi Klienta:
22 863 27 22
Wyślij e-mail
Potrzebujesz pomocy?
Logo

Ustawienia plików cookie w serwisie oemautomatic.pl

Pliki cookie pomagają nam usprawniać serwis i dostosowywać go do Państwa oczekiwań. Wykorzystujemy pliki cookie aby móc obsługiwać dane logowania i oferować spersonalizowane treści. Niektóre pliki cookie są wymagane dla podstawowej funkcjonalności witryny.

Informacje uzyskane za pośrednictwem plików cookie nigdy nie będą przedmiotem sprzedaży.

Mogą Państwo zaakceptować wszystkie pliki cookie lub spersonalizować swoje preferencje dotyczące określonych plików cookie. Mogą Państwo również zmienić ustawienia dotyczące plików cookie w dowolnym momencie, odwiedzając naszą stronę kontaktową.

Niezbędne pliki cookie

Te pliki cookie są niezbędne dla funkcjonowania strony internetowej i nie mogą być wyłączone w naszych systemach. Są one zazwyczaj ustawiane tylko w odpowiedzi na działania podejmowane przez użytkownika, które sprowadzają się do zapytania o usługi, takie jak ustawienie preferencji prywatności, logowanie lub wypełnianie formularzy. Te pliki cookie nie przechowują żadnych danych osobowych.

Pliki cookie dotyczące wydajności

Te pliki cookie umożliwiają nam zliczanie wizyt i źródeł ruchu, dzięki czemu możemy mierzyć i poprawiać wydajność naszej witryny. Pomagają ustalić, które strony są najbardziej i najmniej popularne i zobaczyć, jak odwiedzający poruszają się po stronie. Wszystkie informacje zbierane przez te pliki cookie są agregowane i tym samym anonimowe. Jeśli użytkownik nie zezwoli na stosowanie tych plików cookie, nie będziemy wiedzieli, kiedy odwiedził naszą stronę internetową.

Pliki cookie związane z reklamami i ich odbiorcami

Te pliki cookie mogą być ustawiane przez naszych partnerów reklamowych za pośrednictwem naszej strony internetowej. Mogą one być wykorzystywane przez te firmy do budowania profilu zainteresowań użytkownika i wyświetlania odpowiednich reklam na innych stronach. Nie przechowują one bezpośrednio danych osobowych, lecz opierają się na jednoznacznej identyfikacji przeglądarki i sprzętu internetowego. Jeśli użytkownik nie zezwoli na stosowanie tych plików cookie, doświadcza mniej ukierunkowanych reklam.