MICROSONIC
ESF
Niezawodny czujnik serii ESF firmy Microsonic przeznaczony do wykrywania etykiet o wysokiej przejrzystości, z materiałów odblaskowych, a także metalizowanych etykiet oraz etykiet w dowolnym kolorze. Czas cyklu pomiarowego czujnika automatycznie dostosowuje się do wymaganej mocy dźwiękowej. Dla cienkich etykiet i taśm, EFS-1 może pracować z maksymalną prędkością (czasem reakcji <300 µs).
Etykiety są przepuszczane na nośniku przez szczelinę czujnika.
Zasada działania
Etykiety są przepuszczane na nośniku(np. taśmociąg) przez szczelinę czujnika. Ultradźwiękowy nadajnik znajdujący się w dolnej belce sensora, wysyła szybkie sekwencje impulsów. Impulsy dźwiękowe przechodzą przez nośnik, a sygnał dźwiękowy traci moc. W górnej belce czujnika jest odbiornik, który odczytuje różnice w sile sygnału dźwiękowego i na tej podstawie wykrywa obiekty. Różnice pomiędzy impulsem przechodzącym przez sam nośnik a nośnik z etykietą może być znikoma. Dlatego aby zapewnić niezawodne rozróżnienie, czujnik EFS musi być "nauczony' danej etykiety.
Nośnik wraz z etykietą powodują spadek mocy sygnału dźwiękowego
A) Dynamiczne uczenie - nośnik i etykieta jednocześnie
Podczas procesu uczenia, etykiety na nośniku przepuszczane są przez szczelinę czujnika ze stałą prędkością. Sensor ESF automatycznie określa jaką siłę ma sygnał po prześciu przez nośnik, a jaką przez nośnik i etykietę. Jest to standardowa metoda uczenia przeznaczona dla etykiety.
Sensor ESF jako wykrywacz etykiet
B) Uczenie - etykieta i nośnik oddzielnie
Różnica w sile sygnału przechodzącego przez sam nośnik, a nośnik z etykietą może być bardzo mała. W celu uzyskania prawidłowego pomiaru należy przeprowadzić uczenie czujnika oddzielnie. Najpierw sam nośnik, a następnie nośnik wraz z etykietą. W takim wypadku próg przełączania występuję pomiędzy poziomami tych sygnałów.
C) Detekcja podwójnego arkusza lub zgrubień
Materiały arkuszowe przechowywane są przeważnie w rolkach. Problemem jaki może się pojawić są sklejone/złączone arkusze, występowanie zgrubień, spoin itp.. Czujnik ESF jest wyposażony w opcję przeznaczoną do takich aplikacji. Sensor firmy Microsonic wykrywa różnicę grubości arkusza, a następnie wysyła sygnał na wyjście.
Czujnik ESF jako detektor podwójnego arkusza, zgrubień, spoin
Procedura programowania
Za pomocą przycisku na górze obudowy lub poprzez pin 5.
Metoda szybkiego uczenia
Sensor ESF "uczy się" materiału podczas wciśnięcia przycisku na górze obudowy lub podczas sterowania przez pin 5.
LinkControl
Opcjonalnie możliwość parametryzacji czujnika. Możliwość wyświetlania graficznego wartości wielkości mierzonej.
Model | esf-1/CF | esf-1/CDF | esf-1/15/CDF |
Obudowa | 84x39x16mm | 84x39x16mm | 179x39x16 |
Częstotliwość | 500 kHz | 500 kHz | 500 kHz |
Detekcja | Arkusze z gramaturą < 20 g/m2 do >> 400 g/m2, metalowe laminowane arkusze i folie do 0.2 mm grubości, folie samoprzylepne, etykiety na taśmach | ||
Napięcie zasilania | 20-30 VDC zabezpieczenie przed odwrotną polaryzacją | ||
Prąd bez obciążenia | ≤ 50 mA | ≤ 50 mA | ≤ 50 mA |
Połączenie | Złącze M8 4-pinowe | Złącze M12 5-pinowe | Złącze M12 5-pinowe |
Wyjście | Push-Pull | Push-Pull + PNP | Push-Pull + PNP |
Czas reakcji | Od 300 µs do 2,25 ms, w zależności od materiału | ||
Czas gotowości | < 300 ms | < 300 ms | < 300 ms |
Metody ustawiania | Przycisk Teach-in, PIN 5 złącza, oprogramowanie LinkControl | ||
Materiał obudowy | Aluminium | ||
Szerokość szczeliny | 6 mm | ||
Głębokość szczeliny | 67 mm | ||
Stopień ochrony | IP65 | ||
Temperatura pracy | -5º do +60ºC |
| |
Waga | 90 g | 90 g | 90 g |
Wymiary | |
ESF-1/CF | |
ESF-1/CDF | |
ESF-1/15/CDF |
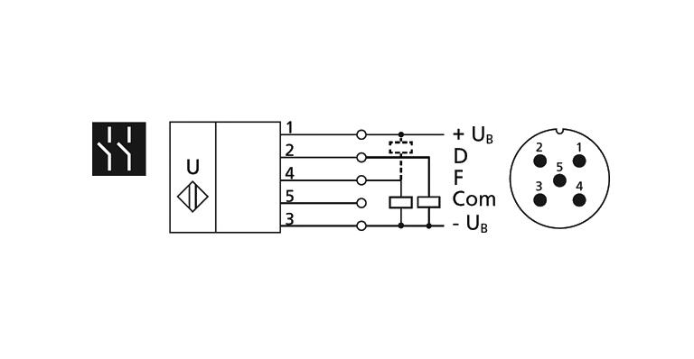
Schemat połączeń | |
ESF-1/CF - 1x przełączanie włącz/wyłącz | |
ESF-1/CDF, ESF-1/15/CDF - 1x przełączanie włącz/wyłącz + 1 wyjście PNP |
Nr katalogowy | Opis | Wyjście |
esf-1/CF | Czujnik ultradźwiękowy do wykrywania etykiet | Push-Pull |
esf-1/CDF | Czujnik ultradźwiękowy do wykrywania etykiet | Push-Pull + PNP |
esf-1/15/CDF | Czujnik ultradźwiękowy do wykrywania etykiet | Push-Pull + PNP |
Głębokość widełek | 67 mm |
---|---|
IO-LINK | Tak |
Materiał | Anodyzowane aluminium |
Napięcie zasilania | 20-30 V DC |
Obudowa | Stałe |
Stopień ochrony IP | IP65 |
Wyjście | PNP, Push/Pull |
Wyświetlacz | Nie |
ESF
Niezawodny czujnik serii ESF firmy Microsonic przeznaczony do wykrywania etykiet o wysokiej przejrzystości, z materiałów odblaskowych, a także metalizowanych etykiet oraz etykiet w dowolnym kolorze. Czas cyklu pomiarowego czujnika automatycznie dostosowuje się do wymaganej mocy dźwiękowej. Dla cienkich etykiet i taśm, EFS-1 może pracować z maksymalną prędkością (czasem reakcji <300 µs).
Etykiety są przepuszczane na nośniku przez szczelinę czujnika.
Zasada działania
Etykiety są przepuszczane na nośniku(np. taśmociąg) przez szczelinę czujnika. Ultradźwiękowy nadajnik znajdujący się w dolnej belce sensora, wysyła szybkie sekwencje impulsów. Impulsy dźwiękowe przechodzą przez nośnik, a sygnał dźwiękowy traci moc. W górnej belce czujnika jest odbiornik, który odczytuje różnice w sile sygnału dźwiękowego i na tej podstawie wykrywa obiekty. Różnice pomiędzy impulsem przechodzącym przez sam nośnik a nośnik z etykietą może być znikoma. Dlatego aby zapewnić niezawodne rozróżnienie, czujnik EFS musi być "nauczony' danej etykiety.
Nośnik wraz z etykietą powodują spadek mocy sygnału dźwiękowego
A) Dynamiczne uczenie - nośnik i etykieta jednocześnie
Podczas procesu uczenia, etykiety na nośniku przepuszczane są przez szczelinę czujnika ze stałą prędkością. Sensor ESF automatycznie określa jaką siłę ma sygnał po prześciu przez nośnik, a jaką przez nośnik i etykietę. Jest to standardowa metoda uczenia przeznaczona dla etykiety.
Sensor ESF jako wykrywacz etykiet
B) Uczenie - etykieta i nośnik oddzielnie
Różnica w sile sygnału przechodzącego przez sam nośnik, a nośnik z etykietą może być bardzo mała. W celu uzyskania prawidłowego pomiaru należy przeprowadzić uczenie czujnika oddzielnie. Najpierw sam nośnik, a następnie nośnik wraz z etykietą. W takim wypadku próg przełączania występuję pomiędzy poziomami tych sygnałów.
C) Detekcja podwójnego arkusza lub zgrubień
Materiały arkuszowe przechowywane są przeważnie w rolkach. Problemem jaki może się pojawić są sklejone/złączone arkusze, występowanie zgrubień, spoin itp.. Czujnik ESF jest wyposażony w opcję przeznaczoną do takich aplikacji. Sensor firmy Microsonic wykrywa różnicę grubości arkusza, a następnie wysyła sygnał na wyjście.
Czujnik ESF jako detektor podwójnego arkusza, zgrubień, spoin
Procedura programowania
Za pomocą przycisku na górze obudowy lub poprzez pin 5.
Metoda szybkiego uczenia
Sensor ESF "uczy się" materiału podczas wciśnięcia przycisku na górze obudowy lub podczas sterowania przez pin 5.
LinkControl
Opcjonalnie możliwość parametryzacji czujnika. Możliwość wyświetlania graficznego wartości wielkości mierzonej.
Model | esf-1/CF | esf-1/CDF | esf-1/15/CDF |
Obudowa | 84x39x16mm | 84x39x16mm | 179x39x16 |
Częstotliwość | 500 kHz | 500 kHz | 500 kHz |
Detekcja | Arkusze z gramaturą < 20 g/m2 do >> 400 g/m2, metalowe laminowane arkusze i folie do 0.2 mm grubości, folie samoprzylepne, etykiety na taśmach | ||
Napięcie zasilania | 20-30 VDC zabezpieczenie przed odwrotną polaryzacją | ||
Prąd bez obciążenia | ≤ 50 mA | ≤ 50 mA | ≤ 50 mA |
Połączenie | Złącze M8 4-pinowe | Złącze M12 5-pinowe | Złącze M12 5-pinowe |
Wyjście | Push-Pull | Push-Pull + PNP | Push-Pull + PNP |
Czas reakcji | Od 300 µs do 2,25 ms, w zależności od materiału | ||
Czas gotowości | < 300 ms | < 300 ms | < 300 ms |
Metody ustawiania | Przycisk Teach-in, PIN 5 złącza, oprogramowanie LinkControl | ||
Materiał obudowy | Aluminium | ||
Szerokość szczeliny | 6 mm | ||
Głębokość szczeliny | 67 mm | ||
Stopień ochrony | IP65 | ||
Temperatura pracy | -5º do +60ºC |
| |
Waga | 90 g | 90 g | 90 g |
Wymiary | |
ESF-1/CF | |
ESF-1/CDF | |
ESF-1/15/CDF |
Schemat połączeń | |
ESF-1/CF - 1x przełączanie włącz/wyłącz | |
ESF-1/CDF, ESF-1/15/CDF - 1x przełączanie włącz/wyłącz + 1 wyjście PNP |
Nr katalogowy | Opis | Wyjście |
esf-1/CF | Czujnik ultradźwiękowy do wykrywania etykiet | Push-Pull |
esf-1/CDF | Czujnik ultradźwiękowy do wykrywania etykiet | Push-Pull + PNP |
esf-1/15/CDF | Czujnik ultradźwiękowy do wykrywania etykiet | Push-Pull + PNP |
Rodzina czujników S3N, produkowana przez firmę Datasensing, oferuje kompletne i elastyczne rozwiązanie w wyjątkowo kompaktowej i wytrzymałej obudowie.
Przełączniki rtęciowe są od wielu lat stosowane w przemyśle. Jednak ze względu na powszechnie rosnącą świadomość zagrożeń, jakie niesie rtęć dla środowiska i zdrowia, konieczne stało się zastąpienie ich bezpieczniejszymi alternatywami, takimi jak czujniki DIS.
Dalmierze laserowe Dimetix oferują liczne korzyści w intralogistyce, przyczyniając się do wydajnego, kontrolowanego i bezpiecznego przepływu materiałów oraz zarządzania przestrzenią magazynową.
Wyłączniki krańcowe IN73 i MN78 firmy Bernstein idealnie nadają się do małych prądów.
Zabezpieczenie termiczne transformatora typu ZTT marki INOVA służy do kontroli jego temperatury za pomocą czujników PT100 umieszczonych w uzwojeniach i na rdzeniu.
Pierścienie ślizgowe marki Kübler są wsparciem dla przemysłu na każdym etapie procesu pakowania – od maszyn flow pack, etykietujących, po systemy magazynowe.
|
|
|
|
|
||
---|---|---|---|---|---|---|
|
|
|
|
|
||
|
|
|
|
|
||
|
|
|
|
|
||
|
|
|
|
|
||
|
|
|
|
|
||
|
|
|
|
|
Warianty produktu | Głębokość widełek | Wyjście | Cena | ||
---|---|---|---|---|---|
![]()
Czujnik ultradźw. do wykrywania etykiet Push-Pull + PNP
Nr produktu:
ESF-1/CDF
Skopiowano
|
67 mm
|
PNP, Push/Pull
|
| ||
![]()
Czujnik ultradźw. do wykrywania etykiet Push-Pull
Nr produktu:
ESF-1/CF
Skopiowano
|
67 mm
|
Push/Pull
|
| ||
![]()
Czujnik ultradźw. do wykrywania etykiet Push-Pull + PNP
Nr produktu:
ESF-1/15/CDF
Skopiowano
|
150 mm
|
PNP, Push/Pull
|
|
Wybierz wariant produktu z listy
Lech Dyszlewicz