MICROSONIC

lcs

Czujniki ultradźwiękowe w kompaktowej obudowie prostopadłosciennej

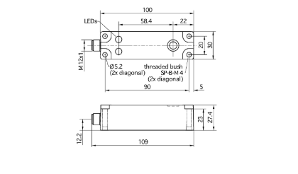
Czujniki lcs przeznaczone są do bezdotykowego wykrycia obiektów lub pomiaru odległości z wykorzystaniem dwóch lub trzech przełączalnych wyjść sygnałowych PNP, ewentualnie wyjścia analogowego (I /U). Czujniki lcs posiadają kompaktową, prostopadłościenną obudowę z czterema otworami montażowymi o wymiarach podstawy 30 x 100 mm i wysokości 27,4 mm. Na górze obudowy znajdują się dwa LEDy sygnalizacyjne (warianty z dwoma przełączalnymi wyjściami PNP lub wyjściem analogowym) albo trzy LEDy sygnalizacyjne (warianty z trzema przełączalnymi wyjściami PNP). Na najmniejszym boku obudowy znajduje się gniazdo M12/5.

Czujniki lcs podzielone są na 3 grupy z różnymi strefami działania:

- od 30 mm do 350 mm - warianty lcs-25...

- od 65 mm do 600 mm - warianty lcs-35...

- od 200 mm do 2000 mm - warianty lcs-130...

Wszystkie czujniki z rodziny lcs są wyposażone w zintegrowany układ kompensacji temperatury, a rozdzielczość ich pomiaru wynosi 0,18 mm.

Warianty z wyjściem analogowym, po sprawdzeniu podłączonej rezystancji obciążenia, automatycznie ustawiają rodzaj tego wyjścia na prądowe 4-20 mA lub napięciowe 0-10 V. Przełączalne wyjścia PNP czujników można skonfigurować do pracy w 3 trybach:

- z pojedynczym punktem przełączania

- jako dwukierunkowa bariera odbiciowa

- z oknem pomiarowym

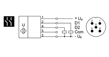
Konfigurację czujników można zrealizować poprzez podawanie plusa zasilania na pin 5 wg odpowiednich procedur (funkcja Teach-in). Funkcja Teach-in umożliwia ustawienie odpowiednich progów pomiarowych na przełączalnych wyjściach sygnałowych po umieszczeniu rzeczywistego obiektu w zadanych odległościach od czujnika. W czujnikach z wyjściem analogowym można też skonfigurować narastającą lub opadającą charakterystykę ich sygnału. Konfigurację wszystkich czujników lcs można także zrealizować za pomocą komputera przy użyciu opcjonalnego interfejsu LinkControl.

W przypadku gdy dwa lub więcej czujników są zbyt blisko siebie, mogą się wzajemnie zakłócać. Dlatego istnieje możliwość elektrycznego połączenia ze sobą tych czujników i skonfigurowania ich pracy w trybie synchronizacji, dzięki czemu każdy z nich aktywuje pomiar w tym samym momencie.

Pokaż więcej
  • Rozdzielczość 0,18 mm
  • Strefy działania od 30 mm do 2 m
  • Wariantowo 2 lub 3 wyjścia PNP albo analogowe
  • Kompensacja temperatury otoczenia
  • Kompaktowa, prostopadłościenna obudowa o wymiarach podstawy 30 mm x 100 mm i wysokości 27,4 mm

Wybrany wariant produktu

Wybrany wariant produktu

Specyfikacja techniczna

IO-LINK Nie
Materiał PBT
Napięcie zasilania 9-30 V DC
Podłączenie M12/5
Rozdzielczość 0,18 mm
Stopień ochrony IP IP65
Strefa martwa 30 mm
Wyjście 2x PNP
Wyświetlacz Nie
Zakres detekcji 250 mm
Zasięg max 350 mm

Opis produktu

Czujniki lcs przeznaczone są do bezdotykowego wykrycia obiektów lub pomiaru odległości z wykorzystaniem dwóch lub trzech przełączalnych wyjść sygnałowych PNP, ewentualnie wyjścia analogowego (I /U). Czujniki lcs posiadają kompaktową, prostopadłościenną obudowę z czterema otworami montażowymi o wymiarach podstawy 30 x 100 mm i wysokości 27,4 mm. Na górze obudowy znajdują się dwa LEDy sygnalizacyjne (warianty z dwoma przełączalnymi wyjściami PNP lub wyjściem analogowym) albo trzy LEDy sygnalizacyjne (warianty z trzema przełączalnymi wyjściami PNP). Na najmniejszym boku obudowy znajduje się gniazdo M12/5.

Czujniki lcs podzielone są na 3 grupy z różnymi strefami działania:

- od 30 mm do 350 mm - warianty lcs-25...

- od 65 mm do 600 mm - warianty lcs-35...

- od 200 mm do 2000 mm - warianty lcs-130...

Wszystkie czujniki z rodziny lcs są wyposażone w zintegrowany układ kompensacji temperatury, a rozdzielczość ich pomiaru wynosi 0,18 mm.

Warianty z wyjściem analogowym, po sprawdzeniu podłączonej rezystancji obciążenia, automatycznie ustawiają rodzaj tego wyjścia na prądowe 4-20 mA lub napięciowe 0-10 V. Przełączalne wyjścia PNP czujników można skonfigurować do pracy w 3 trybach:

- z pojedynczym punktem przełączania

- jako dwukierunkowa bariera odbiciowa

- z oknem pomiarowym

Konfigurację czujników można zrealizować poprzez podawanie plusa zasilania na pin 5 wg odpowiednich procedur (funkcja Teach-in). Funkcja Teach-in umożliwia ustawienie odpowiednich progów pomiarowych na przełączalnych wyjściach sygnałowych po umieszczeniu rzeczywistego obiektu w zadanych odległościach od czujnika. W czujnikach z wyjściem analogowym można też skonfigurować narastającą lub opadającą charakterystykę ich sygnału. Konfigurację wszystkich czujników lcs można także zrealizować za pomocą komputera przy użyciu opcjonalnego interfejsu LinkControl.

W przypadku gdy dwa lub więcej czujników są zbyt blisko siebie, mogą się wzajemnie zakłócać. Dlatego istnieje możliwość elektrycznego połączenia ze sobą tych czujników i skonfigurowania ich pracy w trybie synchronizacji, dzięki czemu każdy z nich aktywuje pomiar w tym samym momencie.

Akcesoria

Podobne produkty

Powiązane

Nowości

S3N firmy Datasensing – miniaturowy czujnik fotoelektryczny o maksymalnej wydajności

Rodzina czujników S3N, produkowana przez firmę Datasensing, oferuje kompletne i elastyczne rozwiązanie w wyjątkowo kompaktowej i wytrzymałej obudowie.

Akademia OEM

Dlaczego warto zmienić przełączniki rtęciowe na czujniki DIS

Przełączniki rtęciowe są od wielu lat stosowane w przemyśle. Jednak ze względu na powszechnie rosnącą świadomość zagrożeń, jakie niesie rtęć dla środowiska i zdrowia, konieczne stało się zastąpienie ich bezpieczniejszymi alternatywami, takimi jak czujniki DIS.

Nowości

Dalmierze laserowe Dimetix – przykładowe zastosowania w intralogistyce

Dalmierze laserowe Dimetix oferują liczne korzyści w intralogistyce, przyczyniając się do wydajnego, kontrolowanego i bezpiecznego przepływu materiałów oraz zarządzania przestrzenią magazynową.

Nowości

WYŁĄCZNIKI KRAŃCOWE FIRMY BERNSTEIN DO MAŁYCH PRĄDÓW I TRUDNYCH WARUNKÓW PRACY

Wyłączniki krańcowe IN73 i MN78 firmy Bernstein idealnie nadają się do małych prądów.

Nowości

Zabezpieczenie termiczne transformatora

Zabezpieczenie termiczne transformatora typu ZTT marki INOVA służy do kontroli jego temperatury za pomocą czujników PT100 umieszczonych w uzwojeniach i na rdzeniu.

Nowości

Pierścienie ślizgowe Kübler

Pierścienie ślizgowe marki Kübler są wsparciem dla przemysłu na każdym etapie procesu pakowania – od maszyn flow pack, etykietujących, po systemy magazynowe.

Warianty produktu Napięcie zasilania Strefa martwa Wyjście Zakres detekcji Zasięg max Cena
9-30 V DC
30 mm
2x PNP
250 mm
350 mm
9-30 V DC
30 mm
0–20 mA, 0–10 V
250 mm
350 mm
10-30 V DC
30 mm
3x PNP
250 mm
350 mm
9-30 V DC
65 mm
2x PNP
350 mm
600 mm
9-30 V DC
65 mm
0–20 mA, 0–10 V
350 mm
600 mm
9-30 V DC
65 mm
3x PNP
350 mm
600 mm
9-30 V DC
200 mm
2x PNP
1300 mm
3000 mm
9-30 V DC
200 mm
0–20 mA, 0–10 V
1300 mm
2000 mm
9-30 V DC
200 mm
3x PNP
1300 mm
2000 mm

Wybrany wariant

Wybierz wariant produktu z listy

Wsparcie techniczne

Lech Dyszlewicz

Sales Engineer BEZPIECZEŃSTWO

Wsparcie Klienta
Aby uzyskać informacje dotyczące zamówień i dostępności produktów, skontaktuj się z działem obsługi Klienta:
22 863 27 22
Wyślij e-mail
Potrzebujesz pomocy?
Logo

Ustawienia plików cookie w serwisie oemautomatic.pl

Pliki cookie pomagają nam usprawniać serwis i dostosowywać go do Państwa oczekiwań. Wykorzystujemy pliki cookie aby móc obsługiwać dane logowania i oferować spersonalizowane treści. Niektóre pliki cookie są wymagane dla podstawowej funkcjonalności witryny.

Informacje uzyskane za pośrednictwem plików cookie nigdy nie będą przedmiotem sprzedaży.

Mogą Państwo zaakceptować wszystkie pliki cookie lub spersonalizować swoje preferencje dotyczące określonych plików cookie. Mogą Państwo również zmienić ustawienia dotyczące plików cookie w dowolnym momencie, odwiedzając naszą stronę kontaktową.

Niezbędne pliki cookie

Te pliki cookie są niezbędne dla funkcjonowania strony internetowej i nie mogą być wyłączone w naszych systemach. Są one zazwyczaj ustawiane tylko w odpowiedzi na działania podejmowane przez użytkownika, które sprowadzają się do zapytania o usługi, takie jak ustawienie preferencji prywatności, logowanie lub wypełnianie formularzy. Te pliki cookie nie przechowują żadnych danych osobowych.

Pliki cookie dotyczące wydajności

Te pliki cookie umożliwiają nam zliczanie wizyt i źródeł ruchu, dzięki czemu możemy mierzyć i poprawiać wydajność naszej witryny. Pomagają ustalić, które strony są najbardziej i najmniej popularne i zobaczyć, jak odwiedzający poruszają się po stronie. Wszystkie informacje zbierane przez te pliki cookie są agregowane i tym samym anonimowe. Jeśli użytkownik nie zezwoli na stosowanie tych plików cookie, nie będziemy wiedzieli, kiedy odwiedził naszą stronę internetową.

Pliki cookie związane z reklamami i ich odbiorcami

Te pliki cookie mogą być ustawiane przez naszych partnerów reklamowych za pośrednictwem naszej strony internetowej. Mogą one być wykorzystywane przez te firmy do budowania profilu zainteresowań użytkownika i wyświetlania odpowiednich reklam na innych stronach. Nie przechowują one bezpośrednio danych osobowych, lecz opierają się na jednoznacznej identyfikacji przeglądarki i sprzętu internetowego. Jeśli użytkownik nie zezwoli na stosowanie tych plików cookie, doświadcza mniej ukierunkowanych reklam.