MICROSONIC
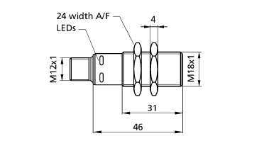
Kompaktowe czujniki lpc+ przeznaczone są do bezdotykowego wykrycia obiektów, pomiaru odległości lub poziomu zapełnienia zbiorników z wykorzystaniem dwóch przełączalnych wyjść sygnałowych Push-Pull lub jednego wyjścia analogowego (I lub U) i jednego przełączalnego Push-Pull. Wszystkie warianty obsługują komunikację IO-Link. Czujniki posiadają metalową, gwintowaną, cylindryczną obudowę M18 z gniazdem M12/5 z tyłu. Na boku obudowy znajdują się dwa LEDy sygnalizacyjne. Dostępne są warianty z głowicą działającą osiowo lub pod kątem 90°.
Czujniki lpc+ podzielone są na 4 grupy z różnymi strefami działania:
- od 20 mm do 250 mm - warianty lpc+15...
- od 30 mm do 350 mm - warianty lpc+25...
- od 65 mm do 600 mm - warianty lpc+35...
- od 120 mm do 1300 mm - warianty lpc+100...
Wszystkie czujniki posiadają rozdzielczość pomiaru 0,10 mm i są wyposażone w zintegrowany układ kompensacji temperatury. Czujniki z wyjściem analogowym posiadają opcjonalnie wyjście prądowe 4–20 mA lub napięciowe 0–10 V. Wyjścia przełączalne czujników można skonfigurować do pracy w 3 trybach:
- z pojedynczym punktem przełączania
- jako dwukierunkowa bariera odbiciowa
- z oknem pomiarowym
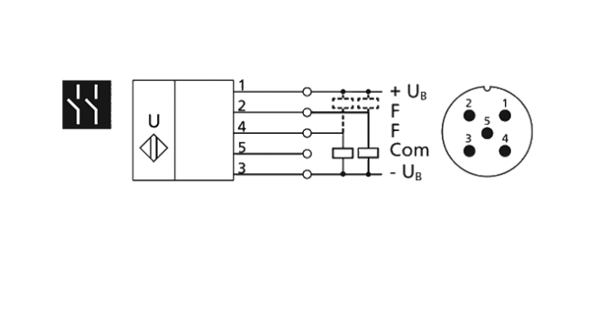
Konfigurację czujników można zrealizować poprzez podawanie plusa zasilania na pin 5 wg odpowiednich procedur (funkcja Teach-in) lub z komputera przy użyciu opcjonalnego interfejsu LinkControl. Funkcja Teach-in umożliwia ustawienie odpowiednich progów pomiarowych na przełączalnych wyjściach sygnałowych po umieszczeniu rzeczywistego obiektu w zadanych odległościach od czujnika. W czujnikach z wyjściem analogowym można też skonfigurować narastającą lub opadającą charakterystykę ich sygnału.
Istnieje możliwość elektrycznego połączenia ze sobą do 10 czujników i skonfigurowania ich pracy w trybie synchronizacji, dzięki czemu każdy z nich aktywuje pomiar w tym samym momencie. Powtarzalność pomiaru jest zdeterminowana czujnikiem, który posiada ustawiony najdalszy zasięg działania.
| IO-LINK | Tak |
|---|---|
| Materiał | Mosiądz niklowany, PBT, Plastik |
| Napięcie zasilania | 10-30 V DC |
| Obudowa | M18 |
| Podłączenie | M12/5 |
| Rozdzielczość | 0,1 mm |
| Stopień ochrony IP | IP67 |
| Strefa martwa | 20 mm |
|---|---|
| Wyjście | 2x PNP, 2x NPN, IO-Link |
| Wyświetlacz | Nie |
| Zakres detekcji | 150 mm |
| Zasięg max | 250 mm |
Kompaktowe czujniki lpc+ przeznaczone są do bezdotykowego wykrycia obiektów, pomiaru odległości lub poziomu zapełnienia zbiorników z wykorzystaniem dwóch przełączalnych wyjść sygnałowych Push-Pull lub jednego wyjścia analogowego (I lub U) i jednego przełączalnego Push-Pull. Wszystkie warianty obsługują komunikację IO-Link. Czujniki posiadają metalową, gwintowaną, cylindryczną obudowę M18 z gniazdem M12/5 z tyłu. Na boku obudowy znajdują się dwa LEDy sygnalizacyjne. Dostępne są warianty z głowicą działającą osiowo lub pod kątem 90°.
Czujniki lpc+ podzielone są na 4 grupy z różnymi strefami działania:
- od 20 mm do 250 mm - warianty lpc+15...
- od 30 mm do 350 mm - warianty lpc+25...
- od 65 mm do 600 mm - warianty lpc+35...
- od 120 mm do 1300 mm - warianty lpc+100...
Wszystkie czujniki posiadają rozdzielczość pomiaru 0,10 mm i są wyposażone w zintegrowany układ kompensacji temperatury. Czujniki z wyjściem analogowym posiadają opcjonalnie wyjście prądowe 4–20 mA lub napięciowe 0–10 V. Wyjścia przełączalne czujników można skonfigurować do pracy w 3 trybach:
- z pojedynczym punktem przełączania
- jako dwukierunkowa bariera odbiciowa
- z oknem pomiarowym
Konfigurację czujników można zrealizować poprzez podawanie plusa zasilania na pin 5 wg odpowiednich procedur (funkcja Teach-in) lub z komputera przy użyciu opcjonalnego interfejsu LinkControl. Funkcja Teach-in umożliwia ustawienie odpowiednich progów pomiarowych na przełączalnych wyjściach sygnałowych po umieszczeniu rzeczywistego obiektu w zadanych odległościach od czujnika. W czujnikach z wyjściem analogowym można też skonfigurować narastającą lub opadającą charakterystykę ich sygnału.
Istnieje możliwość elektrycznego połączenia ze sobą do 10 czujników i skonfigurowania ich pracy w trybie synchronizacji, dzięki czemu każdy z nich aktywuje pomiar w tym samym momencie. Powtarzalność pomiaru jest zdeterminowana czujnikiem, który posiada ustawiony najdalszy zasięg działania.
Rodzina czujników S3N, produkowana przez firmę Datasensing, oferuje kompletne i elastyczne rozwiązanie w wyjątkowo kompaktowej i wytrzymałej obudowie.
Przełączniki rtęciowe są od wielu lat stosowane w przemyśle. Jednak ze względu na powszechnie rosnącą świadomość zagrożeń, jakie niesie rtęć dla środowiska i zdrowia, konieczne stało się zastąpienie ich bezpieczniejszymi alternatywami, takimi jak czujniki DIS.
Dalmierze laserowe Dimetix oferują liczne korzyści w intralogistyce, przyczyniając się do wydajnego, kontrolowanego i bezpiecznego przepływu materiałów oraz zarządzania przestrzenią magazynową.
Wyłączniki krańcowe IN73 i MN78 firmy Bernstein idealnie nadają się do małych prądów.
Zabezpieczenie termiczne transformatora typu ZTT marki INOVA służy do kontroli jego temperatury za pomocą czujników PT100 umieszczonych w uzwojeniach i na rdzeniu.
Pierścienie ślizgowe marki Kübler są wsparciem dla przemysłu na każdym etapie procesu pakowania – od maszyn flow pack, etykietujących, po systemy magazynowe.
|
|
|
|
|
|
||
|---|---|---|---|---|---|---|
|
|
|
|
|
|
||
|
|
|
|
|
|
||
|
|
|
|
|
|
||
|
|
|
|
|
|
||
|
|
|
|
|
|
||
|
|
|
|
|
|
| Warianty produktu | Materiał | Strefa martwa | Wyjście | Zakres detekcji | Zasięg max | Cena | ||
|---|---|---|---|---|---|---|---|---|
|
Czujnik ultradźwiękowy 0,15 m, 2PushPull NO/NC + IO-Link, mosiądz niklowany
Nr produktu:
LPC+15/CFF
Skopiowano
|
Mosiądz niklowany, PBT, Plastik
|
20 mm
|
2x PNP, 2x NPN, IO-Link
|
150 mm
|
250 mm
|
| ||
|
Czujnik ultradźwiękowy 90° 0,15 m, 2PushPull NO/NC + IO-Link, mosiądz niklowany
Nr produktu:
LPC+15/WK/CFF
Skopiowano
|
Mosiądz niklowany, PBT, Plastik
|
20 mm
|
2x PNP, 2x NPN, IO-Link
|
150 mm
|
250 mm
|
| ||
|
Czujnik ultradźwiękowy 0,15 m, 1PushPull NO/NC + analogowe I + IO-Link, mosiądz niklowany
Nr produktu:
LPC+15/CFI
Skopiowano
|
Mosiądz niklowany, PBT, Plastik
|
20 mm
|
4–20 mA, Push/Pull, IO-Link
|
150 mm
|
250 mm
|
| ||
|
Czujnik ultradźwiękowy 90° 0,15 m, 1PushPull NO/NC + analogowe I + IO-Link, mosiądz niklowany
Nr produktu:
LPC+15/WK/CFI
Skopiowano
|
Mosiądz niklowany, PBT, Plastik
|
20 mm
|
4–20 mA, Push/Pull, IO-Link
|
150 mm
|
250 mm
|
| ||
|
Czujnik ultradźwiękowy 0,15 m, 1PushPull NO/NC + analogowe U + IO-Link, mosiądz niklowany
Nr produktu:
LPC+15/CFU
Skopiowano
|
Mosiądz niklowany
|
20 mm
|
0–10 V, Push/Pull, IO-Link
|
150 mm
|
250 mm
|
| ||
|
Czujnik ultradźwiękowy 90° 0,15 m, 1PushPull NO/NC + analogowe U + IO-Link, mosiądz niklowany
Nr produktu:
LPC+15/WK/CFU
Skopiowano
|
Mosiądz niklowany, PBT, Plastik
|
20 mm
|
0–10 V, Push/Pull, IO-Link
|
150 mm
|
250 mm
|
| ||
|
Czujnik ultradźwiękowy 0,25 m, 2PushPull NO/NC + IO-Link, mosiądz niklowany
Nr produktu:
LPC+25/CFF
Skopiowano
|
Mosiądz niklowany, PBT, Plastik
|
30 mm
|
2x PNP, 2x NPN, IO-Link
|
250 mm
|
350 mm
|
| ||
|
Czujnik ultradźwiękowy 90° 0,25 m, 2PushPull NO/NC + IO-Link, mosiądz niklowany
Nr produktu:
LPC+25/WK/CFF
Skopiowano
|
Mosiądz niklowany, PBT, Plastik
|
30 mm
|
2x PNP, 2x NPN, IO-Link
|
250 mm
|
350 mm
|
| ||
|
Czujnik ultradźwiękowy 0,25 m, 1PushPull NO/NC + analogowe I + IO-Link, mosiądz niklowany
Nr produktu:
LPC+25/CFI
Skopiowano
|
Mosiądz niklowany, PBT, Plastik
|
30 mm
|
4–20 mA, Push/Pull, IO-Link
|
250 mm
|
350 mm
|
| ||
|
Czujnik ultradźwiękowy 90° 0,25 m, 1PushPull NO/NC + analogowe I + IO-Link, mosiądz niklowany
Nr produktu:
LPC+25/WK/CFI
Skopiowano
|
Mosiądz niklowany, PBT, Plastik
|
30 mm
|
4–20 mA, Push/Pull, IO-Link
|
250 mm
|
350 mm
|
| ||
|
Czujnik ultradźwiękowy 0,25 m, 1PushPull NO/NC + analogowe U + IO-Link, mosiądz niklowany
Nr produktu:
LPC+25/CFU
Skopiowano
|
Mosiądz niklowany, PBT, Plastik
|
30 mm
|
0–10 V, Push/Pull, IO-Link
|
250 mm
|
350 mm
|
| ||
|
Czujnik ultradźwiękowy 90° 0,25 m, 1PushPull NO/NC + analogowe U + IO-Link, mosiądz niklowany
Nr produktu:
LPC+25/WK/CFU
Skopiowano
|
Mosiądz niklowany, PBT, Plastik
|
30 mm
|
0–10 V, Push/Pull, IO-Link
|
250 mm
|
350 mm
|
| ||
|
Czujnik ultradźwiękowy 0,35 m, 2PushPull NO/NC + IO-Link, mosiądz niklowany
Nr produktu:
LPC+35/CFF
Skopiowano
|
Mosiądz niklowany, PBT, Plastik
|
65 mm
|
2x PNP, 2x NPN, IO-Link
|
350 mm
|
600 mm
|
| ||
|
Czujnik ultradźwiękowy 90° 0,35 m, 2PushPull NO/NC + IO-Link, mosiądz niklowany
Nr produktu:
LPC+35/WK/CFF
Skopiowano
|
Mosiądz niklowany, PBT, Plastik
|
65 mm
|
2x PNP, 2x NPN, IO-Link
|
350 mm
|
600 mm
|
| ||
|
Czujnik ultradźwiękowy 0,35 m, 1PushPull NO/NC + analogowe I + IO-Link, mosiądz niklowany
Nr produktu:
LPC+35/CFI
Skopiowano
|
Mosiądz niklowany, PBT, Plastik
|
65 mm
|
4–20 mA, Push/Pull, IO-Link
|
350 mm
|
600 mm
|
| ||
|
Czujnik ultradźwiękowy 90° 0,35 m, 1PushPull NO/NC + analogowe I + IO-Link, mosiądz niklowany
Nr produktu:
LPC+35/WK/CFI
Skopiowano
|
Mosiądz niklowany, PBT, Plastik
|
65 mm
|
4–20 mA, Push/Pull, IO-Link
|
350 mm
|
600 mm
|
| ||
|
Czujnik ultradźwiękowy 0,35 m, 1PushPull NO/NC + analogowe U + IO-Link, mosiądz niklowany
Nr produktu:
LPC+35/CFU
Skopiowano
|
Mosiądz niklowany, PBT, Plastik
|
65 mm
|
0–10 V, Push/Pull, IO-Link
|
350 mm
|
600 mm
|
| ||
|
Czujnik ultradźwiękowy 90° 0,35 m, 1PushPull NO/NC + analogowe U + IO-Link, mosiądz niklowany
Nr produktu:
LPC+35/WK/CFU
Skopiowano
|
Mosiądz niklowany, PBT, Plastik
|
65 mm
|
0–10 V, Push/Pull, IO-Link
|
350 mm
|
600 mm
|
| ||
|
Czujnik ultradźwiękowy 1 m, 2PushPull NO/NC + IO-Link, mosiądz niklowany
Nr produktu:
LPC+100/CFF
Skopiowano
|
Mosiądz niklowany, PBT, Plastik
|
120 mm
|
2x PNP, 2x NPN, IO-Link
|
1000 mm
|
1300 mm
|
| ||
|
Czujnik ultradźwiękowy 90° 1 m, 2PushPull NO/NC + IO-Link, mosiądz niklowany
Nr produktu:
LPC+100/WK/CFF
Skopiowano
|
Mosiądz niklowany, PBT, Plastik
|
120 mm
|
2x PNP, 2x NPN, IO-Link
|
1000 mm
|
1300 mm
|
| ||
|
Czujnik ultradźwiękowy 1 m, 1PushPull NO/NC + analogowe I + IO-Link, mosiądz niklowany
Nr produktu:
LPC+100/CFI
Skopiowano
|
Mosiądz niklowany, PBT, Plastik
|
120 mm
|
4–20 mA, Push/Pull, IO-Link
|
1000 mm
|
1300 mm
|
| ||
|
Czujnik ultradźwiękowy 90° 1 m, 1PushPull NO/NC + analogowe I + IO-Link, mosiądz niklowany
Nr produktu:
LPC+100/WK/CFI
Skopiowano
|
Mosiądz niklowany, PBT, Plastik
|
120 mm
|
4–20 mA
|
1000 mm
|
1300 mm
|
| ||
|
Czujnik ultradźwiękowy 1 m, 1PushPull NO/NC + analogowe U + IO-Link, mosiądz niklowany
Nr produktu:
LPC+100/CFU
Skopiowano
|
Mosiądz niklowany, PBT, Plastik
|
120 mm
|
0–10 V, Push/Pull, IO-Link
|
1000 mm
|
1300 mm
|
| ||
|
Czujnik ultradźwiękowy 90° 1 m, 1PushPull NO/NC + analogowe U + IO-Link, mosiądz niklowany
Nr produktu:
LPC+100/WK/CFU
Skopiowano
|
Mosiądz niklowany, PBT, Plastik
|
120 mm
|
0–10 V, Push/Pull, IO-Link
|
1000 mm
|
1300 mm
|
|
Wybierz wariant produktu z listy