MICROSONIC

pico+TF

Czujniki ultradźwiękowe do pomiaru poziomu substancji agresywnych chemicznie

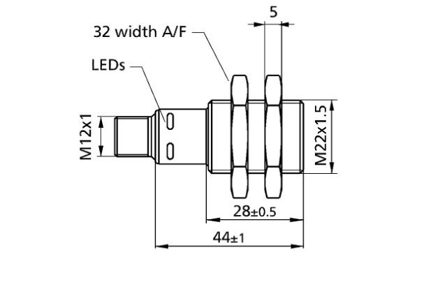
Czujniki pico+TF przeznaczone są do bezdotykowego wykrycia obiektów lub pomiaru zapełnienia zbiorników w środowiskach agresywnych chemicznie z wykorzystaniem przełączalnych wyjść sygnałowych Push-Pull lub analogowych (I lub U). Warianty z wyjściami Push-Pull obsługują także komunikację IO-Link. Czujniki posiadają z przodu gwintowaną, cylindryczną obudowę M22 wykonaną z polifluorku winylidenu. Tylna część obudowy z gniazdem M12/5 wykonana jest z politereftalanu butylenu. Membrana dźwiękowa pokryta jest teflonem. Czujniki podzielone są na 4 grupy z różnymi strefami działania:

- od 20 mm do 250 mm - warianty pico+15/TF...

- od 30 mm do 350 mm - warianty pico+25/TF...

- od 70 mm do 600 mm - warianty pico+35/TF...

- od 120 mm do 1300 mm - warianty pico+100/TF...

W zależności od strefy działania i rozmiaru okna pomiarowego, rozdzielczość pomiaru wynosi od 0,069 mm do 0,38 mm. Wszystkie czujniki z rodziny pico+TF są wyposażone w zintegrowany układ kompensacji temperatury.

Dla wariantów z wyjściami przełączalnymi istnieje możliwość wygładzenia progów okna pomiarowego poprzez wykorzystanie 10 różnych poziomów filtrowania, gdzie silne filtrowanie jest przydatne np. w aplikacjach związanych z pomiarem poziomu mocno falującej powierzchni cieczy. Czujniki z wyjściem analogowym posiadają opcjonalnie wyjście prądowe 4–20 mA lub napięciowe 0–10 V. Wyjścia przełączalne czujników można skonfigurować do pracy w 3 trybach:

- z pojedynczym punktem przełączania

- jako dwukierunkowa bariera odbiciowa

- z oknem pomiarowym

Czujniki mogą odbierać sygnały pochodzące od sąsiednich, jeśli odległości między nimi są stosunkowo małe. Istnieje możliwość elektrycznego połączenia ze sobą do 10 czujników i skonfigurowania ich pracy w trybie synchronizacji, dzięki czemu każdy z nich aktywuje pomiar w tym samym momencie.

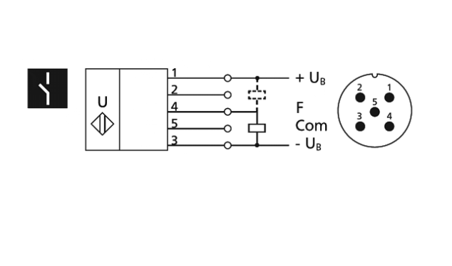
Konfigurację czujników można zrealizować poprzez podawanie plusa zasilania na pin 5 wg odpowiednich procedur (funkcja Teach-in) lub z komputera przy użyciu opcjonalnego interfejsu LinkControl. Funkcja Teach-in umożliwia ustawienie odpowiednich progów pomiarowych na przełączalnych wyjściach sygnałowych po umieszczeniu rzeczywistego obiektu w zadanych odległościach od czujnika. W czujnikach z wyjściem analogowym można też skonfigurować narastającą lub opadającą charakterystykę ich sygnału.

Pokaż więcej
  • Minimalna rozdzielczość 0,069 mm
  • Strefy działania od 20 mm do 1,3 m
  • Wariantowo wyjścia Push-Pull + IO-Link lub analogowe
  • Kompensacja temperatury otoczenia
  • Obudowa z tworzyw sztucznych odpornych na chemikalia agresywne chemicznie

Wybrany wariant produktu

Wybrany wariant produktu

Specyfikacja techniczna

IO-LINK Tak
Materiał PBT, PVDF, PTFE
Napięcie zasilania 10-30 V DC
Obudowa Śrubowe
Podłączenie M12/5
Rozdzielczość 0,069 mm
Stopień ochrony IP IP67
Strefa martwa 20 mm
Wyjście Push/Pull, IO-Link
Wyświetlacz Nie
Zakres detekcji 150 mm
Zasięg max 250 mm

Opis produktu

Czujniki pico+TF przeznaczone są do bezdotykowego wykrycia obiektów lub pomiaru zapełnienia zbiorników w środowiskach agresywnych chemicznie z wykorzystaniem przełączalnych wyjść sygnałowych Push-Pull lub analogowych (I lub U). Warianty z wyjściami Push-Pull obsługują także komunikację IO-Link. Czujniki posiadają z przodu gwintowaną, cylindryczną obudowę M22 wykonaną z polifluorku winylidenu. Tylna część obudowy z gniazdem M12/5 wykonana jest z politereftalanu butylenu. Membrana dźwiękowa pokryta jest teflonem. Czujniki podzielone są na 4 grupy z różnymi strefami działania:

- od 20 mm do 250 mm - warianty pico+15/TF...

- od 30 mm do 350 mm - warianty pico+25/TF...

- od 70 mm do 600 mm - warianty pico+35/TF...

- od 120 mm do 1300 mm - warianty pico+100/TF...

W zależności od strefy działania i rozmiaru okna pomiarowego, rozdzielczość pomiaru wynosi od 0,069 mm do 0,38 mm. Wszystkie czujniki z rodziny pico+TF są wyposażone w zintegrowany układ kompensacji temperatury.

Dla wariantów z wyjściami przełączalnymi istnieje możliwość wygładzenia progów okna pomiarowego poprzez wykorzystanie 10 różnych poziomów filtrowania, gdzie silne filtrowanie jest przydatne np. w aplikacjach związanych z pomiarem poziomu mocno falującej powierzchni cieczy. Czujniki z wyjściem analogowym posiadają opcjonalnie wyjście prądowe 4–20 mA lub napięciowe 0–10 V. Wyjścia przełączalne czujników można skonfigurować do pracy w 3 trybach:

- z pojedynczym punktem przełączania

- jako dwukierunkowa bariera odbiciowa

- z oknem pomiarowym

Czujniki mogą odbierać sygnały pochodzące od sąsiednich, jeśli odległości między nimi są stosunkowo małe. Istnieje możliwość elektrycznego połączenia ze sobą do 10 czujników i skonfigurowania ich pracy w trybie synchronizacji, dzięki czemu każdy z nich aktywuje pomiar w tym samym momencie.

Konfigurację czujników można zrealizować poprzez podawanie plusa zasilania na pin 5 wg odpowiednich procedur (funkcja Teach-in) lub z komputera przy użyciu opcjonalnego interfejsu LinkControl. Funkcja Teach-in umożliwia ustawienie odpowiednich progów pomiarowych na przełączalnych wyjściach sygnałowych po umieszczeniu rzeczywistego obiektu w zadanych odległościach od czujnika. W czujnikach z wyjściem analogowym można też skonfigurować narastającą lub opadającą charakterystykę ich sygnału.

Akcesoria

Podobne produkty

Powiązane

Nowości

S3N firmy Datasensing – miniaturowy czujnik fotoelektryczny o maksymalnej wydajności

Rodzina czujników S3N, produkowana przez firmę Datasensing, oferuje kompletne i elastyczne rozwiązanie w wyjątkowo kompaktowej i wytrzymałej obudowie.

Akademia OEM

Dlaczego warto zmienić przełączniki rtęciowe na czujniki DIS

Przełączniki rtęciowe są od wielu lat stosowane w przemyśle. Jednak ze względu na powszechnie rosnącą świadomość zagrożeń, jakie niesie rtęć dla środowiska i zdrowia, konieczne stało się zastąpienie ich bezpieczniejszymi alternatywami, takimi jak czujniki DIS.

Nowości

Dalmierze laserowe Dimetix – przykładowe zastosowania w intralogistyce

Dalmierze laserowe Dimetix oferują liczne korzyści w intralogistyce, przyczyniając się do wydajnego, kontrolowanego i bezpiecznego przepływu materiałów oraz zarządzania przestrzenią magazynową.

Nowości

WYŁĄCZNIKI KRAŃCOWE FIRMY BERNSTEIN DO MAŁYCH PRĄDÓW I TRUDNYCH WARUNKÓW PRACY

Wyłączniki krańcowe IN73 i MN78 firmy Bernstein idealnie nadają się do małych prądów.

Nowości

Zabezpieczenie termiczne transformatora

Zabezpieczenie termiczne transformatora typu ZTT marki INOVA służy do kontroli jego temperatury za pomocą czujników PT100 umieszczonych w uzwojeniach i na rdzeniu.

Nowości

Pierścienie ślizgowe Kübler

Pierścienie ślizgowe marki Kübler są wsparciem dla przemysłu na każdym etapie procesu pakowania – od maszyn flow pack, etykietujących, po systemy magazynowe.

Warianty produktu IO-LINK Strefa martwa Wyjście Zakres detekcji Zasięg max Cena
Tak
20 mm
Push/Pull, IO-Link
150 mm
250 mm
Nie
20 mm
4–20 mA
150 mm
250 mm
Nie
20 mm
0–10 V
150 mm
250 mm
Tak
30 mm
Push/Pull, IO-Link
250 mm
350 mm
Nie
30 mm
4–20 mA
250 mm
350 mm
Nie
30 mm
0–10 V
250 mm
350 mm
Tak
70 mm
Push/Pull, IO-Link
350 mm
600 mm
Nie
70 mm
4–20 mA
350 mm
600 mm
Nie
70 mm
0–10 V
350 mm
600 mm
Tak
120 mm
Push/Pull, IO-Link
1000 mm
1300 mm
Nie
120 mm
4–20 mA
1000 mm
1300 mm
Nie
120 mm
0–10 V
1000 mm
1300 mm

Wybrany wariant

Wybierz wariant produktu z listy

Wsparcie techniczne

Lech Dyszlewicz

Sales Engineer BEZPIECZEŃSTWO

Wsparcie Klienta
Aby uzyskać informacje dotyczące zamówień i dostępności produktów, skontaktuj się z działem obsługi Klienta:
22 863 27 22
Wyślij e-mail
Potrzebujesz pomocy?
Logo

Ustawienia plików cookie w serwisie oemautomatic.pl

Pliki cookie pomagają nam usprawniać serwis i dostosowywać go do Państwa oczekiwań. Wykorzystujemy pliki cookie aby móc obsługiwać dane logowania i oferować spersonalizowane treści. Niektóre pliki cookie są wymagane dla podstawowej funkcjonalności witryny.

Informacje uzyskane za pośrednictwem plików cookie nigdy nie będą przedmiotem sprzedaży.

Mogą Państwo zaakceptować wszystkie pliki cookie lub spersonalizować swoje preferencje dotyczące określonych plików cookie. Mogą Państwo również zmienić ustawienia dotyczące plików cookie w dowolnym momencie, odwiedzając naszą stronę kontaktową.

Niezbędne pliki cookie

Te pliki cookie są niezbędne dla funkcjonowania strony internetowej i nie mogą być wyłączone w naszych systemach. Są one zazwyczaj ustawiane tylko w odpowiedzi na działania podejmowane przez użytkownika, które sprowadzają się do zapytania o usługi, takie jak ustawienie preferencji prywatności, logowanie lub wypełnianie formularzy. Te pliki cookie nie przechowują żadnych danych osobowych.

Pliki cookie dotyczące wydajności

Te pliki cookie umożliwiają nam zliczanie wizyt i źródeł ruchu, dzięki czemu możemy mierzyć i poprawiać wydajność naszej witryny. Pomagają ustalić, które strony są najbardziej i najmniej popularne i zobaczyć, jak odwiedzający poruszają się po stronie. Wszystkie informacje zbierane przez te pliki cookie są agregowane i tym samym anonimowe. Jeśli użytkownik nie zezwoli na stosowanie tych plików cookie, nie będziemy wiedzieli, kiedy odwiedził naszą stronę internetową.

Pliki cookie związane z reklamami i ich odbiorcami

Te pliki cookie mogą być ustawiane przez naszych partnerów reklamowych za pośrednictwem naszej strony internetowej. Mogą one być wykorzystywane przez te firmy do budowania profilu zainteresowań użytkownika i wyświetlania odpowiednich reklam na innych stronach. Nie przechowują one bezpośrednio danych osobowych, lecz opierają się na jednoznacznej identyfikacji przeglądarki i sprzętu internetowego. Jeśli użytkownik nie zezwoli na stosowanie tych plików cookie, doświadcza mniej ukierunkowanych reklam.