KÜBLER
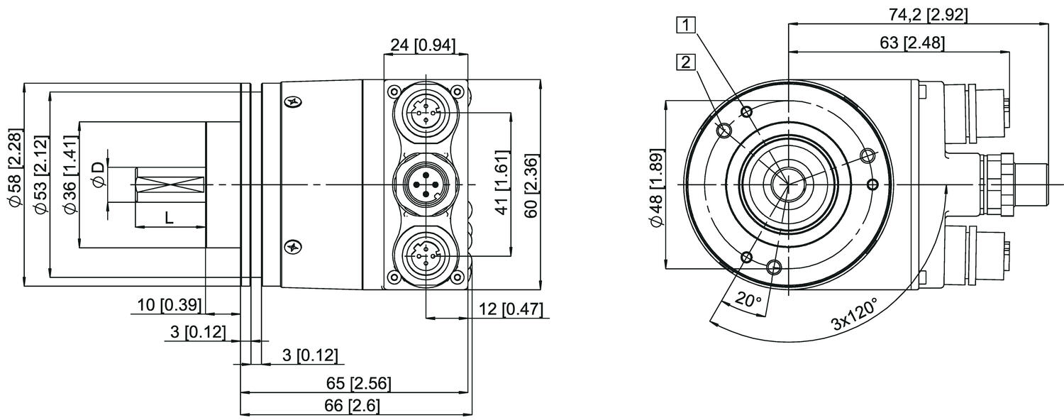
Enkodery absolutne jednoobrotowe Sendix 5858/5878 Kubler z interfejsem PROFINET oraz optycznym systemem pomiarowym znajdują zastosowanie w różnorodnych aplikacjach z siecią PROFINET. Enkodery te wspierają tryb IRT, świetnie nadają się do aplikacji czasu rzeczywistego.
| Max. temperatura pracy | 80 °C |
|---|---|
| Min. temperatura pracy | -40 °C |
| Montaż | Wał |
| Napięcie zasilania DC max. | 30 V DC |
| Napięcie zasilania DC min. | 10 V DC |
| Podłączenie | Złącze M12 |
| Średnica obudowy | 58 mm |
| Średnica wału max | 10 mm |
|---|---|
| Średnica wału min | 6 mm |
| Stopień ochrony IP | IP65, IP67 |
| Typ czujnika | Absolutny |
| Wersja | Jednoobrotowy |
| Wyjście | ProfiNet |
Enkodery absolutne jednoobrotowe Sendix 5858/5878 Kubler z interfejsem PROFINET oraz optycznym systemem pomiarowym znajdują zastosowanie w różnorodnych aplikacjach z siecią PROFINET. Enkodery te wspierają tryb IRT, świetnie nadają się do aplikacji czasu rzeczywistego.
W celu określenia numeru katalogowego proszę o zapoznanie się z poniższymi informacjami.


Rodzina czujników S3N, produkowana przez firmę Datasensing, oferuje kompletne i elastyczne rozwiązanie w wyjątkowo kompaktowej i wytrzymałej obudowie.
Przełączniki rtęciowe są od wielu lat stosowane w przemyśle. Jednak ze względu na powszechnie rosnącą świadomość zagrożeń, jakie niesie rtęć dla środowiska i zdrowia, konieczne stało się zastąpienie ich bezpieczniejszymi alternatywami, takimi jak czujniki DIS.
Dalmierze laserowe Dimetix oferują liczne korzyści w intralogistyce, przyczyniając się do wydajnego, kontrolowanego i bezpiecznego przepływu materiałów oraz zarządzania przestrzenią magazynową.
Wyłączniki krańcowe IN73 i MN78 firmy Bernstein idealnie nadają się do małych prądów.
Zabezpieczenie termiczne transformatora typu ZTT marki INOVA służy do kontroli jego temperatury za pomocą czujników PT100 umieszczonych w uzwojeniach i na rdzeniu.
Pierścienie ślizgowe marki Kübler są wsparciem dla przemysłu na każdym etapie procesu pakowania – od maszyn flow pack, etykietujących, po systemy magazynowe.
|
|
|
|
|
|
||
|---|---|---|---|---|---|---|
|
|
|
|
|
|
||
|
|
|
|
|
|
||
|
|
|
|
|
|
||
|
|
|
|
|
|
||
|
|
|
|
|
|
||
|
|
|
|
|
|
| Warianty produktu | Montaż | Średnica wału max | Średnica wału min | Cena | ||
|---|---|---|---|---|---|---|
|
Nr produktu:
SERIE 5858 PROFINET
Skopiowano
|
Wał
|
10 mm
|
6 mm
|
| ||
|
Nr produktu:
SERIE 5878 PROFINET
Skopiowano
|
Wał drążony
|
15 mm
|
10 mm
|
|
Wybierz wariant produktu z listy
Jarosław Kalista