KÜBLER
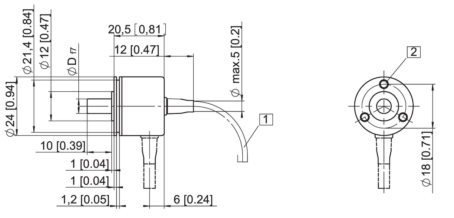
Seria enkoderów inkrementalnych do zastosowań przemysłowych, gdzie jest mało miejsca lub czujnik musi być lekki. Dostępne w dwóch rozmiarach obudowy. Seria 2400/2420 posiada wyjście Push-pull, co oznacza, że można go podłączyć do wejść PNP lub NPN. Sygnałami wyjściowymi są A, B, 0. Sygnały zanegowane pozwalają na podłączenie do wejść przystosowanych do eliminacji zakłóceń.
| Liczba impulsów max | 5000 |
|---|---|
| Max. temperatura pracy | 85 °C |
| Min. temperatura pracy | -20 °C |
| Montaż | Wał |
| Napięcie zasilania DC max. | 30 V DC |
| Napięcie zasilania DC min. | 5 V DC |
| Podłączenie | Kabel |
| Rozdzielczość | 50 pulses/turn |
| Średnica obudowy | 24 mm |
|---|---|
| Średnica wałka | 4 mm |
| Stopień ochrony IP | IP50 |
| Typ czujnika | Inkrementalny |
| Wersja | Wieloobrotowy |
| Wyjście | Push/Pull |
Seria enkoderów inkrementalnych do zastosowań przemysłowych, gdzie jest mało miejsca lub czujnik musi być lekki. Dostępne w dwóch rozmiarach obudowy. Seria 2400/2420 posiada wyjście Push-pull, co oznacza, że można go podłączyć do wejść PNP lub NPN. Sygnałami wyjściowymi są A, B, 0. Sygnały zanegowane pozwalają na podłączenie do wejść przystosowanych do eliminacji zakłóceń.
W celu określenia numeru katalogowego proszę o zapoznanie się z poniższymi informacjami.


Przełączniki rtęciowe są od wielu lat stosowane w przemyśle. Jednak ze względu na powszechnie rosnącą świadomość zagrożeń, jakie niesie rtęć dla środowiska i zdrowia, konieczne stało się zastąpienie ich bezpieczniejszymi alternatywami, takimi jak czujniki DIS.
Dalmierze laserowe Dimetix oferują liczne korzyści w intralogistyce, przyczyniając się do wydajnego, kontrolowanego i bezpiecznego przepływu materiałów oraz zarządzania przestrzenią magazynową.
Wyłączniki krańcowe IN73 i MN78 firmy Bernstein idealnie nadają się do małych prądów.
Zabezpieczenie termiczne transformatora typu ZTT marki INOVA służy do kontroli jego temperatury za pomocą czujników PT100 umieszczonych w uzwojeniach i na rdzeniu.
Pierścienie ślizgowe marki Kübler są wsparciem dla przemysłu na każdym etapie procesu pakowania – od maszyn flow pack, etykietujących, po systemy magazynowe.
Istnieje wiele aplikacji, w których duże odległości do obiektu muszą być mierzone z najwyższą dokładnością oraz szybkością. Do takich pomiarów zostały stworzone dalmierze laserowe Dimetix.
|
|
|
|
|
|
||
|---|---|---|---|---|---|---|
|
|
|
|
|
|
||
|
|
|
|
|
|
||
|
|
|
|
|
|
||
|
|
|
|
|
|
||
|
|
|
|
|
|
||
|
|
|
|
|
|
| Warianty produktu | Liczba impulsów max | Montaż | Rozdzielczość | Średnica wałka | Średnica wału max | Średnica wału min | Stopień ochrony IP | Cena | ||
|---|---|---|---|---|---|---|---|---|---|---|
Nr produktu:
2400.1122.0050
Skopiowano
|
5000
|
Wał
|
50 pulses/turn
|
4 mm
|
|
|
IP50
|
| ||
Enkoder
Nr produktu:
2400.1122.0100
Skopiowano
|
5000
|
Wał
|
100 pulses/turn
|
4 mm
|
|
|
IP50
|
| ||
Nr produktu:
2400.1122.0200
Skopiowano
|
5000
|
Wał
|
200 pulses/turn
|
4 mm
|
|
|
IP50
|
| ||
Enkoder miniaturowy 360P/OBR.
Nr produktu:
2400.1122.0360
Skopiowano
|
5000
|
Wał
|
360 pulses/turn
|
4 mm
|
|
|
IP50
|
| ||
Nr produktu:
2400.1122.0500
Skopiowano
|
5000
|
Wał
|
500 pulses/turn
|
4 mm
|
|
|
IP50
|
| ||
Encoder Inc. P/P, radial cable, 5-24VDC
Nr produktu:
2400.1122.1000
Skopiowano
|
5000
|
Wał
|
1000 pulses/turn
|
4 mm
|
|
|
IP50
|
| ||
Enkoder
Nr produktu:
2400.1122.1024
Skopiowano
|
5000
|
Wał
|
1024 pulses/turn
|
4 mm
|
|
|
IP50
|
| ||
|
Nr produktu:
2420.1222.0050
Skopiowano
|
5000
|
Wał drążony
|
50 pulses/turn
|
6 mm
|
|
|
IP50
|
| ||
|
Nr produktu:
2420.1222.0060
Skopiowano
|
5000
|
Wał drążony
|
60 pulses/turn
|
6 mm
|
|
|
IP50
|
| ||
|
Nr produktu:
2420.1222.0100
Skopiowano
|
5000
|
Wał drążony
|
100 pulses/turn
|
6 mm
|
|
|
IP50
|
| ||
|
Nr produktu:
2420.1222.0200
Skopiowano
|
5000
|
Wał drążony
|
200 pulses/turn
|
6 mm
|
|
|
IP50
|
| ||
|
Nr produktu:
2420.1222.0360
Skopiowano
|
5000
|
Wał drążony
|
360 pulses/turn
|
6 mm
|
|
|
IP50
|
| ||
|
Nr produktu:
2420.1222.0500
Skopiowano
|
5000
|
Wał drążony
|
500 pulses/turn
|
6 mm
|
|
|
IP50
|
| ||
|
Enkoder
Nr produktu:
2420.1222.1000
Skopiowano
|
5000
|
Wał drążony
|
1000 pulses/turn
|
6 mm
|
|
|
IP50
|
| ||
|
Enkoder
Nr produktu:
2420.1222.1024
Skopiowano
|
5000
|
Wał drążony
|
1024 pulses/turn
|
6 mm
|
|
|
IP50
|
| ||
|
Nr produktu:
SERIE 2400
Skopiowano
|
1024
|
Wał
|
|
|
6 mm
|
4 mm
|
IP64
|
| ||
|
Nr produktu:
SERIE 2420
Skopiowano
|
1024
|
Wał drążony
|
|
|
6 mm
|
4 mm
|
IP64
|
|
Wybierz wariant produktu z listy
Jarosław Kalista