KÜBLER
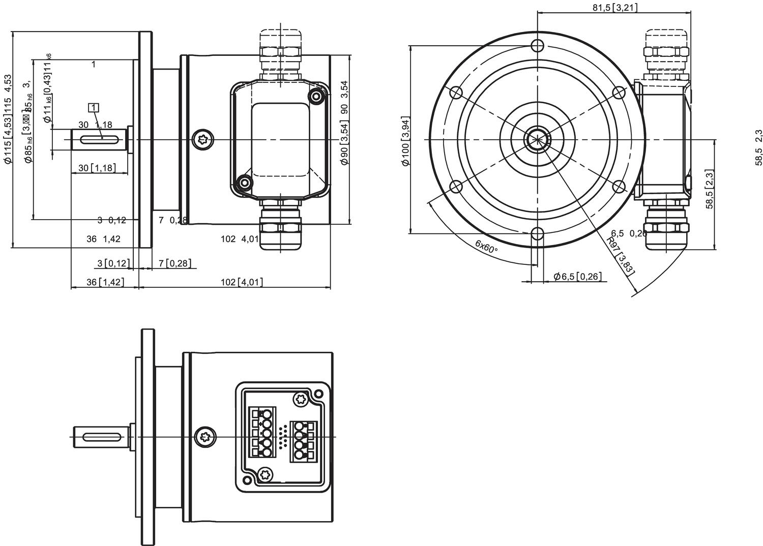
Sendix H100 Kubler do przemysłu ciężkiego to rodzina bardzo wytrzymałych enkoderów inkrementalnych. Mechaniczny wyłącznik prędkości może być zintegrowany jako opcja.
Dzięki specjalnej konstrukcji HD-Safety-LockTM są one idealnie dopasowane do aplikacji w przemyśle ciężkim, takim jak huty stali, suwnice. Odporne materiały, szeroki zakres temperatur pracy i wysoki stopień ochrony zapewniają im odporność nawet na najcięższe warunki środowiskowe. Ich innowacyjna technologia podłączeniowa zapewnia szybką i łatwą instalację.
Cechy:
• Dzięki specjalnej konstrukcji łożysk HD-Safety-LockTM mają wyjątkowo dużą odporność na obciążenia do 300 N osiowo i 400 N promieniowo
• Zakres temperatur od -40 do +100°C, stopniem ochrony IP66, materiały odporne na działanie słonej wody morskiej
• Rowek w wałku przy otworze wpustowym zapewnia dostosowanie montażu do aplikacji
• Zabezpieczenie przekroczenia maksymalnej prędkości dzięki mechanicznemu wyłącznikowi
• Innowacyjne sprężyste łączniki wtykowe w skrzynce zaciskowej bardzo ułatwiają podłączenie kabli i gwarantują wysoki stopień bezpieczeństwa
• Wiele opcji podłączenia dzięki skrzynce zaciskowej obracanej w zakresie 180°
• Wiele opcji rozdzielczości oraz prędkości maksymalnych wyłącznika dostępne w standardzie
| Liczba impulsów max | 5000 |
|---|---|
| Max. temperatura pracy | 100 °C |
| Min. temperatura pracy | -40 °C |
| Montaż | Wał |
| Napięcie zasilania DC max. | 30 V DC |
| Napięcie zasilania DC min. | 5 V DC |
| Podłączenie | Zacisk śrubowy |
| Średnica obudowy | 100 mm |
| Średnica wału max | 11 mm |
|---|---|
| Średnica wału min | 11 mm |
| Stopień ochrony IP | IP66 |
| Typ czujnika | Inkrementalny |
| Wersja | Wieloobrotowy |
| Wyjście | Push/Pull, RS422 |
Sendix H100 Kubler do przemysłu ciężkiego to rodzina bardzo wytrzymałych enkoderów inkrementalnych. Mechaniczny wyłącznik prędkości może być zintegrowany jako opcja.
Dzięki specjalnej konstrukcji HD-Safety-LockTM są one idealnie dopasowane do aplikacji w przemyśle ciężkim, takim jak huty stali, suwnice. Odporne materiały, szeroki zakres temperatur pracy i wysoki stopień ochrony zapewniają im odporność nawet na najcięższe warunki środowiskowe. Ich innowacyjna technologia podłączeniowa zapewnia szybką i łatwą instalację.
Cechy:
• Dzięki specjalnej konstrukcji łożysk HD-Safety-LockTM mają wyjątkowo dużą odporność na obciążenia do 300 N osiowo i 400 N promieniowo
• Zakres temperatur od -40 do +100°C, stopniem ochrony IP66, materiały odporne na działanie słonej wody morskiej
• Rowek w wałku przy otworze wpustowym zapewnia dostosowanie montażu do aplikacji
• Zabezpieczenie przekroczenia maksymalnej prędkości dzięki mechanicznemu wyłącznikowi
• Innowacyjne sprężyste łączniki wtykowe w skrzynce zaciskowej bardzo ułatwiają podłączenie kabli i gwarantują wysoki stopień bezpieczeństwa
• Wiele opcji podłączenia dzięki skrzynce zaciskowej obracanej w zakresie 180°
• Wiele opcji rozdzielczości oraz prędkości maksymalnych wyłącznika dostępne w standardzie
W celu określenia numeru katalogowego proszę o zapoznanie się z poniższymi informacjami.



Rodzina czujników S3N, produkowana przez firmę Datasensing, oferuje kompletne i elastyczne rozwiązanie w wyjątkowo kompaktowej i wytrzymałej obudowie.
Przełączniki rtęciowe są od wielu lat stosowane w przemyśle. Jednak ze względu na powszechnie rosnącą świadomość zagrożeń, jakie niesie rtęć dla środowiska i zdrowia, konieczne stało się zastąpienie ich bezpieczniejszymi alternatywami, takimi jak czujniki DIS.
Dalmierze laserowe Dimetix oferują liczne korzyści w intralogistyce, przyczyniając się do wydajnego, kontrolowanego i bezpiecznego przepływu materiałów oraz zarządzania przestrzenią magazynową.
Wyłączniki krańcowe IN73 i MN78 firmy Bernstein idealnie nadają się do małych prądów.
Zabezpieczenie termiczne transformatora typu ZTT marki INOVA służy do kontroli jego temperatury za pomocą czujników PT100 umieszczonych w uzwojeniach i na rdzeniu.
Pierścienie ślizgowe marki Kübler są wsparciem dla przemysłu na każdym etapie procesu pakowania – od maszyn flow pack, etykietujących, po systemy magazynowe.
Jarosław Kalista