KÜBLER
Enkodery Sendix Heavy Duty H120 Kubler zostały zaprojektowane specjalnie z myślą o dużych silnikach i generatorach. Dzięki systemowi HD-Safety-Lock™ są one bardzo dokładne i wytrzymałe, a zintegrowana izolacja łożysk zapewnia jeszcze wyższy stopień bezpieczeństwa.
Szeroki zakres temperatur pracy oraz wysoki stopień ochrony IP pozwalają na zastosowanie nawet w najtrudniejszych warunkach.
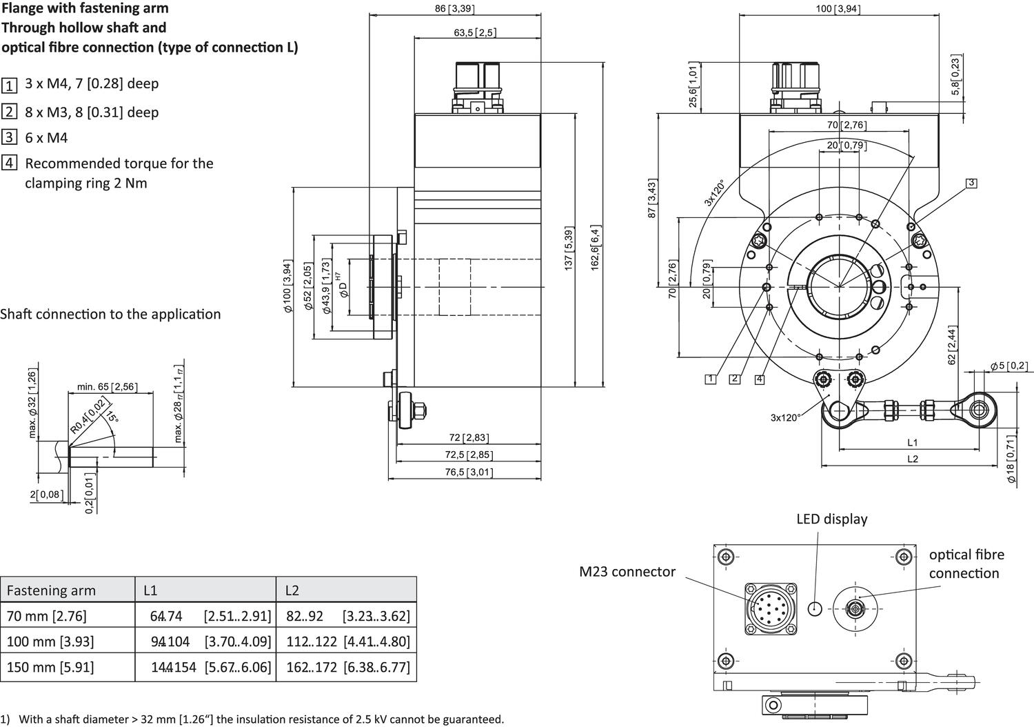
Wał z otworem przelotowym do 28mm, szeroka gama systemów montażowych i możliwości przyłączeniowych zapewniają najwyższy stopień elastyczności podczas instalacji.
| Liczba impulsów max | 5000 |
|---|---|
| Max. temperatura pracy | 100 °C |
| Min. temperatura pracy | -40 °C |
| Montaż | Wał drążony |
| Napięcie zasilania DC max. | 30 V DC |
| Napięcie zasilania DC min. | 5 V DC |
| Podłączenie | Kabel, M12, Złącze M23 |
| Średnica obudowy | 120 mm |
| Średnica wału max | 25 mm |
|---|---|
| Średnica wału min | 12 mm |
| Stopień ochrony IP | IP66, IP67 |
| Typ czujnika | Inkrementalny |
| Wersja | Wieloobrotowy |
| Wyjście | Push/Pull, RS422 |
Enkodery Sendix Heavy Duty H120 Kubler zostały zaprojektowane specjalnie z myślą o dużych silnikach i generatorach. Dzięki systemowi HD-Safety-Lock™ są one bardzo dokładne i wytrzymałe, a zintegrowana izolacja łożysk zapewnia jeszcze wyższy stopień bezpieczeństwa.
Szeroki zakres temperatur pracy oraz wysoki stopień ochrony IP pozwalają na zastosowanie nawet w najtrudniejszych warunkach.
Wał z otworem przelotowym do 28mm, szeroka gama systemów montażowych i możliwości przyłączeniowych zapewniają najwyższy stopień elastyczności podczas instalacji.
W celu określenia numeru katalogowego proszę o zapoznanie się z poniższymi informacjami.

Przełączniki rtęciowe są od wielu lat stosowane w przemyśle. Jednak ze względu na powszechnie rosnącą świadomość zagrożeń, jakie niesie rtęć dla środowiska i zdrowia, konieczne stało się zastąpienie ich bezpieczniejszymi alternatywami, takimi jak czujniki DIS.
Dalmierze laserowe Dimetix oferują liczne korzyści w intralogistyce, przyczyniając się do wydajnego, kontrolowanego i bezpiecznego przepływu materiałów oraz zarządzania przestrzenią magazynową.
Wyłączniki krańcowe IN73 i MN78 firmy Bernstein idealnie nadają się do małych prądów.
Zabezpieczenie termiczne transformatora typu ZTT marki INOVA służy do kontroli jego temperatury za pomocą czujników PT100 umieszczonych w uzwojeniach i na rdzeniu.
Pierścienie ślizgowe marki Kübler są wsparciem dla przemysłu na każdym etapie procesu pakowania – od maszyn flow pack, etykietujących, po systemy magazynowe.
Istnieje wiele aplikacji, w których duże odległości do obiektu muszą być mierzone z najwyższą dokładnością oraz szybkością. Do takich pomiarów zostały stworzone dalmierze laserowe Dimetix.
Jarosław Kalista