KÜBLER
Systemu LIMES Kubler używa się w aplikacjach, w których istnieje potrzeba pomiaru liniowego. Układ składa się z czujnika i taśmy magnetycznej, na której na przemian znajdują się bieguny północne i południowe. Magnetyczna zasada pomiaru zapewnia niewrażliwość układu na brud, olej, wilgoć itp.
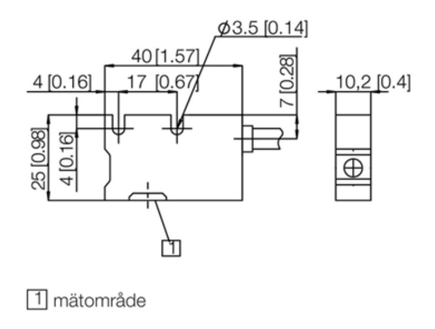
Przy kombinacji LI20/B1, odległość między taśmą i czujnikiem musi wynosić od 0,1 do 1,0 mm (zalecane 0,4 mm). Przy kombinacji LI50/B2 - od 0,1 do 2,0 mm (zalecane 1,0 mm). Nachylenie czujnika nie może przekraczać ± 3°, obrót nie może przekraczać ± 3°, a przesunięcie nie może przekroczyć ± 1 mm.
Następujące informacje są wymagane, aby wybrać właściwą kombinację:
- wymagania dotyczące dokładności (od 0,4 mm do 0,005 mm )
- szybkość przesuwu
- odległość przesuwu (długość taśmy magnetycznej = wymagana odległość pomiarowa + 1 dm)
| Materiał obudowy | Cynk |
|---|---|
| Max. temperatura pracy | 80 °C |
| Min. temperatura pracy | -20 °C |
| Napięcie zasilania DC max. | 30 V DC |
| Napięcie zasilania DC min. | 4,8 V DC |
| Odporność na wibracje | 30 g |
| Pobór mocy (max) | 0,06 A |
| Powtarzalność | 1 % |
|---|---|
| Resolution By Multiplying | 0.025 |
| Resolution Without Multiplication Factor | 0.1 |
| Stopień ochrony IP | IP67 |
| Zakres detekcji | 0,025 mm |
Systemu LIMES Kubler używa się w aplikacjach, w których istnieje potrzeba pomiaru liniowego. Układ składa się z czujnika i taśmy magnetycznej, na której na przemian znajdują się bieguny północne i południowe. Magnetyczna zasada pomiaru zapewnia niewrażliwość układu na brud, olej, wilgoć itp.
Przy kombinacji LI20/B1, odległość między taśmą i czujnikiem musi wynosić od 0,1 do 1,0 mm (zalecane 0,4 mm). Przy kombinacji LI50/B2 - od 0,1 do 2,0 mm (zalecane 1,0 mm). Nachylenie czujnika nie może przekraczać ± 3°, obrót nie może przekraczać ± 3°, a przesunięcie nie może przekroczyć ± 1 mm.
Następujące informacje są wymagane, aby wybrać właściwą kombinację:
- wymagania dotyczące dokładności (od 0,4 mm do 0,005 mm )
- szybkość przesuwu
- odległość przesuwu (długość taśmy magnetycznej = wymagana odległość pomiarowa + 1 dm)
W celu określenia numeru katalogowego proszę o zapoznanie się z poniższymi informacjami.


Rodzina czujników S3N, produkowana przez firmę Datasensing, oferuje kompletne i elastyczne rozwiązanie w wyjątkowo kompaktowej i wytrzymałej obudowie.
Przełączniki rtęciowe są od wielu lat stosowane w przemyśle. Jednak ze względu na powszechnie rosnącą świadomość zagrożeń, jakie niesie rtęć dla środowiska i zdrowia, konieczne stało się zastąpienie ich bezpieczniejszymi alternatywami, takimi jak czujniki DIS.
Dalmierze laserowe Dimetix oferują liczne korzyści w intralogistyce, przyczyniając się do wydajnego, kontrolowanego i bezpiecznego przepływu materiałów oraz zarządzania przestrzenią magazynową.
Wyłączniki krańcowe IN73 i MN78 firmy Bernstein idealnie nadają się do małych prądów.
Zabezpieczenie termiczne transformatora typu ZTT marki INOVA służy do kontroli jego temperatury za pomocą czujników PT100 umieszczonych w uzwojeniach i na rdzeniu.
Pierścienie ślizgowe marki Kübler są wsparciem dla przemysłu na każdym etapie procesu pakowania – od maszyn flow pack, etykietujących, po systemy magazynowe.
|
|
|
|
|
|
||
|---|---|---|---|---|---|---|
|
|
|
|
|
|
||
|
|
|
|
|
|
||
|
|
|
|
|
|
||
|
|
|
|
|
|
||
|
|
|
|
|
|
||
|
|
|
|
|
|
| Warianty produktu | Materiał obudowy | Max. temperatura pracy | Min. temperatura pracy | Napięcie zasilania DC max. | Napięcie zasilania DC min. | Odporność na wibracje | Pobór mocy (max) | Powtarzalność | Resolution By Multiplying | Resolution Without Multiplication Factor | Stopień ochrony IP | Zakres detekcji | Cena | ||
|---|---|---|---|---|---|---|---|---|---|---|---|---|---|---|---|
|
Liniał magnetyczny LI50
Nr produktu:
LI50.1121.2050
Skopiowano
|
Cynk
|
80 °C
|
-20 °C
|
30 V DC
|
4,8 V DC
|
30 g
|
0,06 A
|
1 %
|
0.025
|
0.1
|
IP67
|
0,025 mm
|
| ||
|
Liniał magnetyczny
Nr produktu:
LI50.1121.2250
Skopiowano
|
Cynk
|
80 °C
|
-20 °C
|
30 V DC
|
4,8 V DC
|
30 g
|
0,06 A
|
1 %
|
0.005
|
0.02
|
IP67
|
0,025 mm
|
| ||
|
Nr produktu:
SERIE 8.LI50
Skopiowano
|
|
|
|
|
|
|
|
|
|
|
|
|
| ||
|
Nr produktu:
SERIE 8.B2
Skopiowano
|
|
|
|
|
|
|
|
|
|
|
|
|
|
Wybierz wariant produktu z listy
Jarosław Kalista