GELBAU

Moduł sterujący 452.4/462.4

Kompaktowy moduł sterujący w obudowie o szerokości tylko 22,5mm. Odpowiedni do zastosowania z bramkami napędzanymi silnikowo, które zgodnie z normą powinny posiadać przekaźnik o kategorii bezpieczeństwa co najmniej 2. Z zacisków Z1 i Z2 modułu sterującego zasilany jest obwód złożony z listwy przyciskowej i rezystora 8,2 kΩ. Wyjścia modułu sterującego zostaną otwarte po przyciśnięciu listwy, a także w przypadku zwarcia lub przerwania kabla.


Właściwości techniczne

W zależności od wymogów bezpieczeństwa

 

• Zestyki z wymuszonym prowadzeniem

 

• Redundacja wewnętrzna/zewnętrzna

 

Zalety dla użytkownika

Wskazywanie statusu

• Kategoria bezpieczeństwa 3, zgodnie z EN954-1

 

• 2 wyjścia NO i 1 CO

Red colormark

Listwa aktywowana

• Obciążenie zestyku 4A

Yellow colormark

Błąd w obwodzie bezpieczeństwa

• Wskazywanie stanu za pomocą LED

Green colormark

Wyjście aktywowane

• Nadzorowanie styczników zewnętrznych

 

 

 

Pokaż więcej
  • 2 wyjścia NO + 1CO
  • Kategoria bezpieczeństwa 3 zgodnie z EN954-1
  • Kasowanie automatyczne lub ręczne
  • Różne napięcie zasilania

Wybrany wariant produktu

Wybrany wariant produktu

Specyfikacja techniczna

Bezpiecznik wyjść 4 A
Czas wyłączania 15 ms
Dopuszczenia CE, TÜV NORD
Maks. dł. kabla do listwy przyciskowej 50 m (min. 0,5 m2)
Maks. długość listwy podłączona do przekaźnika 100 m
Maks. napięcie styku 250 V AC/24 V DC
Maks. prąd zestyku 4 A AC/DC
Montaż szyna DIN
Napięcie zasilania 24 V DC
PL e enl. SS-EN ISO 13849-1:2008
Pobór mocy 3 W
Stopień ochrony, obudowa IP40
Stopień ochrony: zaciski IP20
Temperatura otoczenia do 55 °C
Temperatura otoczenia od -20 °C
Tolerancja max 10 %
Tolerancja min -15 %
Zgodność z EMC, LVD, MD

Do pobrania

Wymiary i połączenia

452.4X_1listwa.tif Powiększ

Podlaczenie jednej listwy przyciskowej.
Kasowanie automatyczne.
Nadzorowanie styczników zewnetrznych.

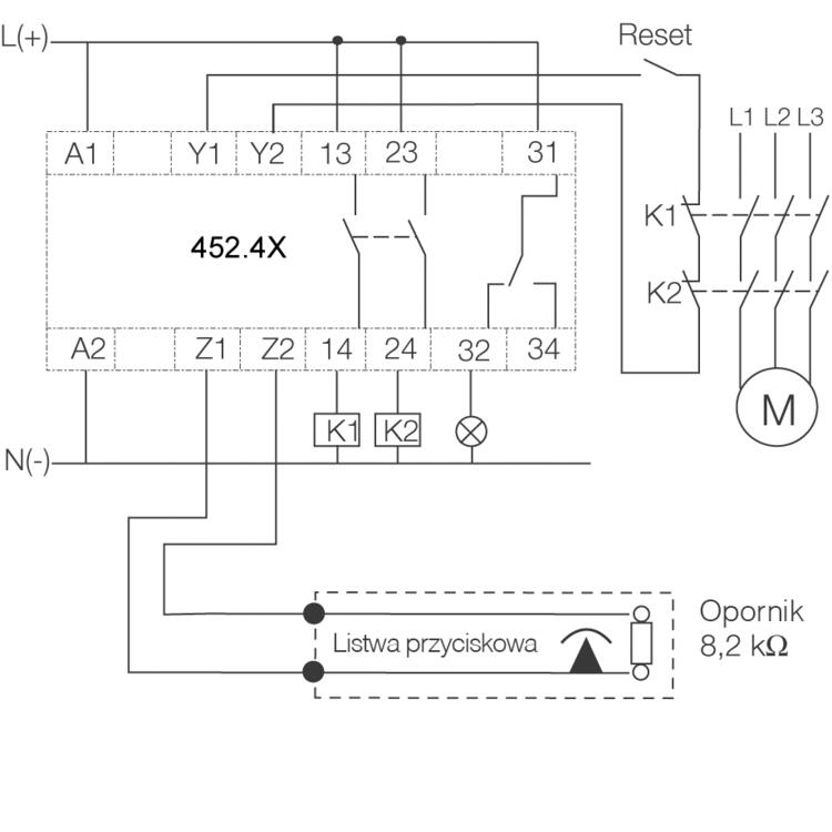
452.4X_1listwa1.tif Powiększ

Podlaczenie jednej listwy przyciskowej.
Kasowanie manualne.
Nadzorowanie styczników zewnetrznych.

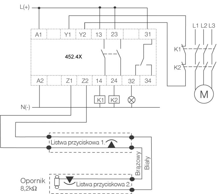
452.4X_2listwy.tif Powiększ

Podlaczenie dwóch listew przyciskowych.
Kasowanie automatyczne.
Nadzorowanie styczników zewnetrznych.

gelbau_kontrollenhet_mått.eps Powiększ

Wymiary (mm)

Opis produktu

Kompaktowy moduł sterujący w obudowie o szerokości tylko 22,5mm. Odpowiedni do zastosowania z bramkami napędzanymi silnikowo, które zgodnie z normą powinny posiadać przekaźnik o kategorii bezpieczeństwa co najmniej 2. Z zacisków Z1 i Z2 modułu sterującego zasilany jest obwód złożony z listwy przyciskowej i rezystora 8,2 kΩ. Wyjścia modułu sterującego zostaną otwarte po przyciśnięciu listwy, a także w przypadku zwarcia lub przerwania kabla.


Właściwości techniczne

W zależności od wymogów bezpieczeństwa

 

• Zestyki z wymuszonym prowadzeniem

 

• Redundacja wewnętrzna/zewnętrzna

 

Zalety dla użytkownika

Wskazywanie statusu

• Kategoria bezpieczeństwa 3, zgodnie z EN954-1

 

• 2 wyjścia NO i 1 CO

Red colormark

Listwa aktywowana

• Obciążenie zestyku 4A

Yellow colormark

Błąd w obwodzie bezpieczeństwa

• Wskazywanie stanu za pomocą LED

Green colormark

Wyjście aktywowane

• Nadzorowanie styczników zewnętrznych

 

 

 

Akcesoria

Podobne produkty

Powiązane

Nowości

Wielofunkcyjne urządzenie dostępu UGB-KLTM

UGB-KLTM to wielofunkcyjne urządzenie, zapewniające zintegrowaną ochronę i kompleksową kontrolę dostępu. Produkt jest przeznaczony do aplikacji, w których operator ma pełny dostęp do niebezpiecznej strefy.

Nowości

Nowy Skaner laserowy bezpieczeństwa UAM-05LPA z rozszerzoną funkcjonalnością

Popularny skaner laserowy bezpieczeństwa UAM-05 został zmodernizowany i teraz jest dostępny w nowej, ulepszonej wersji – UAM-05LPA. Dzięki zastosowaniu najnowocześniejszych technologii i udoskonalonym funkcjom jest on dostosowany do przyszłych wymagań w automatyce przemysłowej.

Akademia OEM

Systemy kontroli dostępu

Mechaniczne systemy kontroli dostępu są łatwe w instalacji i służą do otwierania włazów i bram w aplikacjach, w których występuje zagrożenie powodowane przez ruchome części maszyn. W tym artykule dowiesz się więcej o zaletach systemów kontroli dostępu.

Nowości

Kurtyny świetlne bezpieczeństwa w przemyśle

Seria SH4 to kompletna rodzina kurtyn świetlnych bezpieczeństwa, które nie tylko spełniają wysokie wymagania dotyczące działania i odporności na warunki otoczenia w przemyśle, ale także przenoszą bezpieczeństwo na nowy poziom.

Nowości

Programowalny sterownik bezpieczeństwa HSC-A100-ENC do aplikacji AGV

HSC-A100-ENC jest programowalnym sterownikiem bezpieczeństwa, który umożliwia sterowanie pracą do 6 skanerów bezpieczeństwa połączonych interfejsem komunikacyjnym. Zawiera interfejsy pozwalające na podłączenie do 4 enkoderów. Posiada 16 cyfrowych wejść bezpieczeństwa, 6 bezpiecznych wyjść cyfrowych, 2 wyjścia przekaźnikowe oraz 2 wyjścia testowe.

Nowości

Safety Netbox – rozproszone We/Wy poprzez Profinet, PROFIsafe lub Ethernet/IP, CIP Safety

Netboxy marki IDEM mają w pełni konfigurowalne We/Wy, które mogą być ustawione jako 3 dwukanałowe wejścia bezpieczne lub wejścia sygnałowe. Modułowe przyciski można skonfigurować poprzez CIP Safety lub PROFIsafe.

Warianty produktu Napięcie zasilania Cena
24 V DC
230 V AC
24 V DC
230 V AC
24-230 V AC/24-110 V DC
24-230 V AC/24-110 V DC

Wybrany wariant

Wybierz wariant produktu z listy

Wsparcie techniczne

Radosław Wronko

Product Specialist BEZPIECZEŃSTWO

Wsparcie Klienta
Aby uzyskać informacje dotyczące zamówień i dostępności produktów, skontaktuj się z działem obsługi Klienta:
22 863 27 22
Wyślij e-mail
Potrzebujesz pomocy?
Logo

Ustawienia plików cookie w serwisie oemautomatic.pl

Pliki cookie pomagają nam usprawniać serwis i dostosowywać go do Państwa oczekiwań. Wykorzystujemy pliki cookie aby móc obsługiwać dane logowania i oferować spersonalizowane treści. Niektóre pliki cookie są wymagane dla podstawowej funkcjonalności witryny.

Informacje uzyskane za pośrednictwem plików cookie nigdy nie będą przedmiotem sprzedaży.

Mogą Państwo zaakceptować wszystkie pliki cookie lub spersonalizować swoje preferencje dotyczące określonych plików cookie. Mogą Państwo również zmienić ustawienia dotyczące plików cookie w dowolnym momencie, odwiedzając naszą stronę kontaktową.

Niezbędne pliki cookie

Te pliki cookie są niezbędne dla funkcjonowania strony internetowej i nie mogą być wyłączone w naszych systemach. Są one zazwyczaj ustawiane tylko w odpowiedzi na działania podejmowane przez użytkownika, które sprowadzają się do zapytania o usługi, takie jak ustawienie preferencji prywatności, logowanie lub wypełnianie formularzy. Te pliki cookie nie przechowują żadnych danych osobowych.

Pliki cookie dotyczące wydajności

Te pliki cookie umożliwiają nam zliczanie wizyt i źródeł ruchu, dzięki czemu możemy mierzyć i poprawiać wydajność naszej witryny. Pomagają ustalić, które strony są najbardziej i najmniej popularne i zobaczyć, jak odwiedzający poruszają się po stronie. Wszystkie informacje zbierane przez te pliki cookie są agregowane i tym samym anonimowe. Jeśli użytkownik nie zezwoli na stosowanie tych plików cookie, nie będziemy wiedzieli, kiedy odwiedził naszą stronę internetową.

Pliki cookie związane z reklamami i ich odbiorcami

Te pliki cookie mogą być ustawiane przez naszych partnerów reklamowych za pośrednictwem naszej strony internetowej. Mogą one być wykorzystywane przez te firmy do budowania profilu zainteresowań użytkownika i wyświetlania odpowiednich reklam na innych stronach. Nie przechowują one bezpośrednio danych osobowych, lecz opierają się na jednoznacznej identyfikacji przeglądarki i sprzętu internetowego. Jeśli użytkownik nie zezwoli na stosowanie tych plików cookie, doświadcza mniej ukierunkowanych reklam.