ALLEN-BRADLEY

Przekaźnik bezpieczeństwa GSR CI

Przekaźniki bezpieczeństwa GSR mogą zastąpić dwa tradycyjne przekaźniki bezpieczeństwa dzięki temu, że posiadają dwa wejścia 2-kanałowe bezpieczeństwa w przeciwieństwie do tradycyjnych przekaźników bezpieczeństwa z jednym wejściem. Te dwa wejścia mogą być skonfigurowane za pomocą przełącznika obrotowego, który znajduje na panelu przednim przekaźnika. Logika „AND”, „OR” i funkcja resetu jest wybierana za pomocą właśnie tego przełącznika. Ponadto GSR ma zaaprobowaną koncepcję połączenia jednoprzewodowego do rozszerzania i kaskadowania funkcji bezpieczeństwa.

 

256058_812.eps

256059_812.eps

256060_812.eps

Wiele różnych rodzajów urządzeń
bezpieczeństwa może być podłączonych
do wejścia uniwersalnego.

Przekaźnik dwuwejściowy może
obsłużyć 2 dwukanałowe urządzenia,
upraszczając oprzewodowanie i ułatwiając
testowanie.

Przełącznik obrotowy z przodu urządzenia
konfiguruje tryby resetu i logikę między
dwoma urządzeniami.

W tym przypadku przekaźnik bezpieczeństwa
jest skonfigurowany zgodnie z logiką ”AND”
Jeżeli którekolwiek urządzenie bezpieczeństwa,
podłączone do przekaźnika GSR, zmieni stan
swoich wyjść to GSR wyśle sygnał do
bezpiecznego zatrzymania.

Przekaźnik SI nadzoruje globalny stop
awaryjny i przesyła ten sygnał poprzez
jednoprzewodowe łącze bezpieczeństwa,
które jest podłączone do przekaźników
wszystkich stref, zapewniając poziom
bezpieczeństwa Ple i SIL3.

Wiele urządzeń jest dedykowanych do
jednej strefy za pomocą przekaźników
2-wejściowych.Każdy przekaźnik DI jest
przeznaczony do jednej strefy, która
obsługuje wiele urządzeń dzięki konfiguracji
”AND/OR”. Łącze jednoprzewodowe ma
funkcję ”AND” z wejściami bezpieczeństwa,
które również mają funkcję ”AND” między sobą.
System może być również skonfigurowany
jako połączenie "AND", "OR" lub "AND" / "OR".
“OR” or “AND”/“OR”.

Proste rozszerzenie o dodatkowe wyjścia
bezpieczne poprzez jednoprzewodowe
łącze bezpieczeństwa bez konieczności
używania wyjść bezpiecznych z modułu
bazowego.

Każdy dodatkowy moduł rozszerzający
daje dodatkowo 4 wyjścia bezpieczne
NO zwłoczne lub bezzwłoczne.


Właściwości techniczne

W zależności od wymagań bezpieczeństwa

• Zestyki z wymuszonym prowadzeniem

• Zdublowane zestyki wyjściowe

• Redundacja wewnętrzna/zewnętrzna

• Nadzorowane kasowanie

 

Zalety dla użytkownika

• Najwyższy poziom bezpieczeństwa

• 3 NO wyjścia bezpieczne 1 NC wyjście sygnałowe

• Maks. obciążenie 2 A

• Nadzorowanie styczników zewnętrznych

• Małe wymiary

• Zaciski wyjmowane

• Międzynarodowe atesty

• Wskazywanie statusu za pomocą LED

 

Wskazywanie statusu

PWR/Fault

Green colormark

Status i diagnostyka

IN

Green colormark

Status Wejścia ok

Out

Green colormark

Status Wyjść

 

Używany z

• Stop awaryjny

• Wyłączniki drzwiowe

 

Pokaż więcej
  • Wyjścia bezpieczne 3 NO
  • Wyjście sygnałowe 1 NC
  • Wyjście jednoprzewodowego łącza bezpieczeństwa

Wybrany wariant produktu

GSR_CI.tif

Moduł bezpieczeństwa GSR CI 24V DC 3NO+1NC

Nr produktu:

Wybrany wariant produktu

Specyfikacja techniczna

Czas wyłączania 35 ms
Czas załączenia 100 ms
Dopuszczenia CE, cULus, TÜV
Maks. napięcie styku 250 V AC/24 V DC
Maks. prąd zestyku AC-15, 1,5 A, DC-13, 2 A
Max. temperatura pracy 55 °C
Min. napięcie zestyku 10 V
Min. prąd zestyku 10 mA
Min. temperatura pracy -5 °C
Montaż Szyna DIN
MTTFd 164 year
Napięcie zasilania 24 V DC
Normy EN60204-1
PL e enl. EN ISO 13849-1
Pobór mocy 2,5 W
Reset Automatyczny, Manualny, Nadzorowany
SIL 3 enl. EN IEC 62061
Stopień ochrony: obudowa IP40
Stopień ochrony: zaciski IP20
Tolerancja -15 % +10 %
Wskazywanie statusu 3 x LED
Wyjścia bezpieczne 3 NO
Wyjścia sygnałowe 1 NC
Zgodność z EMC, LVD, MD

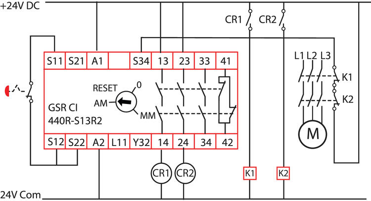
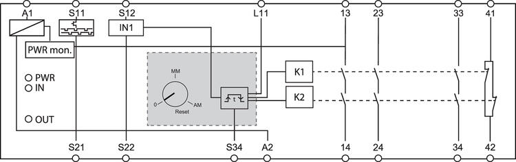
Wymiary i połączenia

GSR_CI_anslutning.eps Powiększ

A1 & A2 = Zasilanie
S12 & S22 = Wejscie bezpieczne 1
S11 & S21 = Wyjscie testu dla wejsc bezpiecznych
S34 = Reset
L11 = Wyjscie bezpieczne SWS
13-14 = Wyjscie bezpieczne 1
23-24 = Wyjscie bezpieczne 2
33-34 = Wyjscie bezpieczne 3
41-42 = Wyjscie sygnalowe

288178_812.eps Powiększ

1. Podlaczenie dwukanalowe. Nadzorowanie krzyzowe. Max PLe
2. Podlaczenie dwukanalowe, bez nadzorowania krzyzowego. (Aplikacje z Matami). Max PLd
3. Sygnal 24 V DC, statyczny lub OSSD. (Kurtyna swietlna bezpieczenstwa / Sensaguard). Max PLe
4. Podlaczenie jednokanalowe. Max PLb
5. Podlaczenie dwukanalowe z tego samego zródla. Max PLd.

GSR_C1_enkanalig_inkoppling.eps Powiększ

Jednokanalowe polaczenie wylacznika awaryjnego.
Kasownie automatyczne.
Nadzorowanie styczników zewnetrznych.

GSR_C1_tvåkanalig_inkoppling_2.eps Powiększ

Dwukanalowe polaczenie wylacznika awaryjnego.
Nadzorowane kasownie reczne.
Nadzorowanie styczników zewnetrznych.

GSR_C1_säkerhetsmatta.eps Powiększ

Dwukanalowe polaczenie maty bezpieczenstwa.
Kasownie automatyczne.
Nadzorowanie styczników zewnetrznych.

GSR_C1_tvåkanalig_inkoppling_enEMD.eps Powiększ

Polaczenie GSR CI z jednostka rozszerzajaca GSR EMD

GSR_C1_tvåkanalig_inkoppling_treEMD.eps Powiększ

Polaczenie GSR CI z dwiema jednostkami rozszerzajacymi GSR EM i jedna GSR EMD

288180_812.eps Powiększ

Automatyczne kasowanie - mostek A1 - S34.
Nadzorowane kasowanie reczne - przycisk chwilowy
jest podlacznony pomiedzy A1 i S34
razem z monitorowaniem styczników zewnetrznych K1 i K2

288248_812.eps Powiększ

AM = (Automatyczny/Reczny) Automatyczne/Reczne kasowanie.
MM = (Reczny nadzorowany) Nadzorowane kasowanie reczne.

Procedura uczenia urzadzenia
1.
Odlacz zasilanie i ustaw przelacznik obrotowy w pozycji 0.
Wlacz zasilanie, dioda "PWR" miga na czerwono.
2.
Ustaw wymagana konfiguracje za pomoca przelacznika obrotowego -
dioda IN 1 miga.
3.
Wylacz i wlacz zasilanie.

Opis produktu

Przekaźniki bezpieczeństwa GSR mogą zastąpić dwa tradycyjne przekaźniki bezpieczeństwa dzięki temu, że posiadają dwa wejścia 2-kanałowe bezpieczeństwa w przeciwieństwie do tradycyjnych przekaźników bezpieczeństwa z jednym wejściem. Te dwa wejścia mogą być skonfigurowane za pomocą przełącznika obrotowego, który znajduje na panelu przednim przekaźnika. Logika „AND”, „OR” i funkcja resetu jest wybierana za pomocą właśnie tego przełącznika. Ponadto GSR ma zaaprobowaną koncepcję połączenia jednoprzewodowego do rozszerzania i kaskadowania funkcji bezpieczeństwa.

 

256058_812.eps

256059_812.eps

256060_812.eps

Wiele różnych rodzajów urządzeń
bezpieczeństwa może być podłączonych
do wejścia uniwersalnego.

Przekaźnik dwuwejściowy może
obsłużyć 2 dwukanałowe urządzenia,
upraszczając oprzewodowanie i ułatwiając
testowanie.

Przełącznik obrotowy z przodu urządzenia
konfiguruje tryby resetu i logikę między
dwoma urządzeniami.

W tym przypadku przekaźnik bezpieczeństwa
jest skonfigurowany zgodnie z logiką ”AND”
Jeżeli którekolwiek urządzenie bezpieczeństwa,
podłączone do przekaźnika GSR, zmieni stan
swoich wyjść to GSR wyśle sygnał do
bezpiecznego zatrzymania.

Przekaźnik SI nadzoruje globalny stop
awaryjny i przesyła ten sygnał poprzez
jednoprzewodowe łącze bezpieczeństwa,
które jest podłączone do przekaźników
wszystkich stref, zapewniając poziom
bezpieczeństwa Ple i SIL3.

Wiele urządzeń jest dedykowanych do
jednej strefy za pomocą przekaźników
2-wejściowych.Każdy przekaźnik DI jest
przeznaczony do jednej strefy, która
obsługuje wiele urządzeń dzięki konfiguracji
”AND/OR”. Łącze jednoprzewodowe ma
funkcję ”AND” z wejściami bezpieczeństwa,
które również mają funkcję ”AND” między sobą.
System może być również skonfigurowany
jako połączenie "AND", "OR" lub "AND" / "OR".
“OR” or “AND”/“OR”.

Proste rozszerzenie o dodatkowe wyjścia
bezpieczne poprzez jednoprzewodowe
łącze bezpieczeństwa bez konieczności
używania wyjść bezpiecznych z modułu
bazowego.

Każdy dodatkowy moduł rozszerzający
daje dodatkowo 4 wyjścia bezpieczne
NO zwłoczne lub bezzwłoczne.


Właściwości techniczne

W zależności od wymagań bezpieczeństwa

• Zestyki z wymuszonym prowadzeniem

• Zdublowane zestyki wyjściowe

• Redundacja wewnętrzna/zewnętrzna

• Nadzorowane kasowanie

 

Zalety dla użytkownika

• Najwyższy poziom bezpieczeństwa

• 3 NO wyjścia bezpieczne 1 NC wyjście sygnałowe

• Maks. obciążenie 2 A

• Nadzorowanie styczników zewnętrznych

• Małe wymiary

• Zaciski wyjmowane

• Międzynarodowe atesty

• Wskazywanie statusu za pomocą LED

 

Wskazywanie statusu

PWR/Fault

Green colormark

Status i diagnostyka

IN

Green colormark

Status Wejścia ok

Out

Green colormark

Status Wyjść

 

Używany z

• Stop awaryjny

• Wyłączniki drzwiowe

 

Akcesoria

Powiązane

Nowości

Wielofunkcyjne urządzenie dostępu UGB-KLTM

UGB-KLTM to wielofunkcyjne urządzenie, zapewniające zintegrowaną ochronę i kompleksową kontrolę dostępu. Produkt jest przeznaczony do aplikacji, w których operator ma pełny dostęp do niebezpiecznej strefy.

Nowości

Nowy Skaner laserowy bezpieczeństwa UAM-05LPA z rozszerzoną funkcjonalnością

Popularny skaner laserowy bezpieczeństwa UAM-05 został zmodernizowany i teraz jest dostępny w nowej, ulepszonej wersji – UAM-05LPA. Dzięki zastosowaniu najnowocześniejszych technologii i udoskonalonym funkcjom jest on dostosowany do przyszłych wymagań w automatyce przemysłowej.

Akademia OEM

Systemy kontroli dostępu

Mechaniczne systemy kontroli dostępu są łatwe w instalacji i służą do otwierania włazów i bram w aplikacjach, w których występuje zagrożenie powodowane przez ruchome części maszyn. W tym artykule dowiesz się więcej o zaletach systemów kontroli dostępu.

Nowości

Kurtyny świetlne bezpieczeństwa w przemyśle

Seria SH4 to kompletna rodzina kurtyn świetlnych bezpieczeństwa, które nie tylko spełniają wysokie wymagania dotyczące działania i odporności na warunki otoczenia w przemyśle, ale także przenoszą bezpieczeństwo na nowy poziom.

Nowości

Programowalny sterownik bezpieczeństwa HSC-A100-ENC do aplikacji AGV

HSC-A100-ENC jest programowalnym sterownikiem bezpieczeństwa, który umożliwia sterowanie pracą do 6 skanerów bezpieczeństwa połączonych interfejsem komunikacyjnym. Zawiera interfejsy pozwalające na podłączenie do 4 enkoderów. Posiada 16 cyfrowych wejść bezpieczeństwa, 6 bezpiecznych wyjść cyfrowych, 2 wyjścia przekaźnikowe oraz 2 wyjścia testowe.

Nowości

Safety Netbox – rozproszone We/Wy poprzez Profinet, PROFIsafe lub Ethernet/IP, CIP Safety

Netboxy marki IDEM mają w pełni konfigurowalne We/Wy, które mogą być ustawione jako 3 dwukanałowe wejścia bezpieczne lub wejścia sygnałowe. Modułowe przyciski można skonfigurować poprzez CIP Safety lub PROFIsafe.

Wsparcie techniczne

Jarosław Kalista

Business Area Manager BEZPIECZEŃSTWO

Wsparcie Klienta
Aby uzyskać informacje dotyczące zamówień i dostępności produktów, skontaktuj się z działem obsługi Klienta:
22 863 27 22
Wyślij e-mail
Potrzebujesz pomocy?
Logo

Ustawienia plików cookie w serwisie oemautomatic.pl

Pliki cookie pomagają nam usprawniać serwis i dostosowywać go do Państwa oczekiwań. Wykorzystujemy pliki cookie aby móc obsługiwać dane logowania i oferować spersonalizowane treści. Niektóre pliki cookie są wymagane dla podstawowej funkcjonalności witryny.

Informacje uzyskane za pośrednictwem plików cookie nigdy nie będą przedmiotem sprzedaży.

Mogą Państwo zaakceptować wszystkie pliki cookie lub spersonalizować swoje preferencje dotyczące określonych plików cookie. Mogą Państwo również zmienić ustawienia dotyczące plików cookie w dowolnym momencie, odwiedzając naszą stronę kontaktową.

Niezbędne pliki cookie

Te pliki cookie są niezbędne dla funkcjonowania strony internetowej i nie mogą być wyłączone w naszych systemach. Są one zazwyczaj ustawiane tylko w odpowiedzi na działania podejmowane przez użytkownika, które sprowadzają się do zapytania o usługi, takie jak ustawienie preferencji prywatności, logowanie lub wypełnianie formularzy. Te pliki cookie nie przechowują żadnych danych osobowych.

Pliki cookie dotyczące wydajności

Te pliki cookie umożliwiają nam zliczanie wizyt i źródeł ruchu, dzięki czemu możemy mierzyć i poprawiać wydajność naszej witryny. Pomagają ustalić, które strony są najbardziej i najmniej popularne i zobaczyć, jak odwiedzający poruszają się po stronie. Wszystkie informacje zbierane przez te pliki cookie są agregowane i tym samym anonimowe. Jeśli użytkownik nie zezwoli na stosowanie tych plików cookie, nie będziemy wiedzieli, kiedy odwiedził naszą stronę internetową.

Pliki cookie związane z reklamami i ich odbiorcami

Te pliki cookie mogą być ustawiane przez naszych partnerów reklamowych za pośrednictwem naszej strony internetowej. Mogą one być wykorzystywane przez te firmy do budowania profilu zainteresowań użytkownika i wyświetlania odpowiednich reklam na innych stronach. Nie przechowują one bezpośrednio danych osobowych, lecz opierają się na jednoznacznej identyfikacji przeglądarki i sprzętu internetowego. Jeśli użytkownik nie zezwoli na stosowanie tych plików cookie, doświadcza mniej ukierunkowanych reklam.