ALLEN-BRADLEY
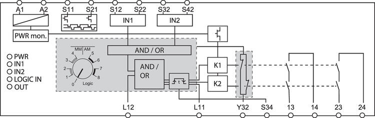
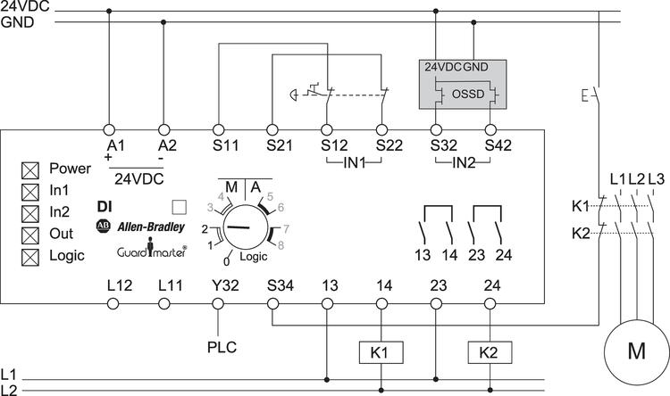
Przekaźniki bezpieczeństwa GSR mogą zastąpić dwa tradycyjne przekaźniki bezpieczeństwa dzięki temu, że posiadają dwa wejścia 2-kanałowe bezpieczeństwa w przeciwieństwie do tradycyjnych przekaźników bezpieczeństwa z jednym wejściem. Te dwa wejścia mogą być skonfigurowane za pomocą przełącznika obrotowego, który znajduje na panelu przednim przekaźnika. Logika „AND”, „OR” i funkcja resetu jest wybierana za pomocą właśnie tego przełącznika. Ponadto GSR ma zaaprobowaną koncepcję połączenia jednoprzewodowego do rozszerzania i kaskadowania funkcji bezpieczeństwa.
| 
 | 
 | 
 | 
| Wiele różnych rodzajów urządzeń | Przekaźnik SI nadzoruje globalny stop | Proste rozszerzenie o dodatkowe wyjścia | 
 
Właściwości techniczne
| W zależności od wymagań bezpieczeństwa | ||
| • Zestyki z wymuszonym prowadzeniem | ||
| • Zdublowane zestyki wyjściowe | ||
| • Redundacja wewnętrzna/zewnętrzna | ||
| • Nadzorowane kasowanie | ||
| 
 | ||
| Zalety dla użytkownika | ||
| • Najwyższy poziom bezpieczeństwa | ||
| • 2 N.O. wyjścia bezpieczne i 1 PNP wyjście sygnałowe | ||
| • Maks. obciążenie 3 A | ||
| • Nadzorowanie styczników zewnętrznych | ||
| • Małe wymiary | ||
| • Zaciski wyjmowane | ||
| • Międzynarodowe atesty | ||
| • Wskazywanie statusu za pomocą LED | ||
| 
 | ||
| Wskazywanie statusu | ||
| PWR/Fault | 
 | Status i diagnostyka | 
| IN1 | 
 | Status Wejścia 1 | 
| IN2 | 
 | Status Wejścia 2 | 
| Logic in | 
 | Status wejścia SWS | 
| Out | 
 | Status Wyjść | 
| 
 | ||
| Używany z | ||
| • Stop awaryjny | ||
| • Wyłączniki drzwiowe | ||
| • Wyłączniki bezkontaktowe | ||
| • Kurtyny świetlne bezpieczeństwa | ||
| • 3-pozycyjne urządzenie akceptujące | ||
| • Wyłączniki nożne | ||
| • Maty bezpieczeństwa | ||
| Czas wyłączania | 35 ms | 
|---|---|
| Czas załączenia | 100 ms | 
| Dopuszczenia | CE, cULus, TÜV | 
| Maks. napięcie styku | 250 V AC/24 V DC | 
| Maks. prąd zestyku | AC-15, 3 A, DC-13, 4 A | 
| Max. temperatura pracy | 55 °C | 
| Min. napięcie zestyku | 10 V | 
| Min. prąd zestyku | 10 mA | 
| Min. temperatura pracy | -5 °C | 
| Montaż | Szyna DIN | 
| MTTFd | 355 year | 
| Napięcie zasilania | 24 V DC | 
| Normy | EN60204-1 | 
| PL | e enl. EN ISO 13849-1 | 
|---|---|
| Pobór mocy | 2,5 W | 
| Reset | Automatyczny, Manualny, Nadzorowany | 
| SIL | 3 enl. EN IEC 62061 | 
| Stopień ochrony: obudowa | IP40 | 
| Stopień ochrony: zaciski | IP20 | 
| Tolerancja | -15 % +10 % | 
| Wskazywanie statusu | 5 x LED | 
| Wyjścia bezpieczne | 2 NO | 
| Wyjścia sygnałowe | 1 PNP | 
| Zgodność z | EMC, LVD, MD | 
 
                    
                      
                    A1&A2 = Zasilanie
S12&S22 = Wejscie bezpieczne 1
S32&S42 = Wejscie bezpieczne 2
S11&S21 = Wyjscie testu dla wejsc bezpiecznych
S34 = Reset
Y32 = Wyjscie sygnalowe PNP
L12 = Wejscie bezpieczne SWS
L11 = Wyjscie bezpieczne SWS
13,14 = Wyjscie bezpieczne 1
23,24 = Wyjscie bezpieczne 2
                  
 
                    
                      
                    1. Podlaczenie dwukanalowe. Nadzorowanie krzyzowe. Max PLe
2. Podlaczenie dwukanalowe, bez nadzorowania krzyzowego. (Aplikacje z Matami). Max PLd
3. Sygnal 24 V DC, statyczny lub OSSD. (Kurtyna swietlna bezpieczenstwa / Sensaguard). Max PLe 
4. Podlaczenie jednokanalowe. Max PLb
5. Podlaczenie dwukanalowe z tego samego zródla. Max PLd.
                  
 
                    
                      
                    Dwukanalowe polaczenie wylacznika awaryjnego do wejscia 1.
Dwukanalowe polaczenie OSSD (kurtyna lub Sensaguard) do wejscia 2.
Nadzorowane kasowanie reczne.
Nadzorowanie styczników zewnetrznych.
                  
 
                    
                      
                    Wyjscia bezpieczenstwa pozostaja aktywne w przypadku, gdy co najmniej 
jedno wejscie bezpieczenstwa jest zamkniete lub wejscie L12 ma stan wysoki.
                  
 
                    
                      
                    Wyjscia bezpieczenstwa pozostaja aktywne w przypadku, gdy dwa 
wejscia bezpieczenstwa sa zamkniete lub wejscie L12 ma stan wysoki.
                  
 
                    
                      
                    Wyjscia bezpieczenstwa pozostaja aktywne w przypadku, gdy co najmniej 
jedno wejscie bezpieczenstwa jest zamkniete i wejscie L12 ma stan wysoki.
                  
 
                    
                      
                    Wyjscia bezpieczenstwa pozostaja aktywne w przypadku, gdy dwa 
wejscia bezpieczenstwa sa zamkniete i wejscie L12 ma stan wysoki.
                  
 
                    
                      
                    Automatyczne kasowanie - mostek A1 - S34.
Nadzorowane kasowanie reczne - przycisk chwilowy
jest podlacznony pomiedzy A1 i S34
razem z monitorowaniem styczników zewnetrznych K1 i K2
                  
 
                    
                      
                    Kaskada szeregowa
Czas reakcji przy polaczeniu szeregowym GSR
- maks. dlugosc kabla miedzy zaciskami L11 jednego przekaznika i L12 
drugiego przekaznika wynosi 30 m
- nie ma ograniczenia ilosci przekazników w kaskadzie
                  
 
                    
                      
                    Kaskada równolegla
Czas reakcji przy polaczeniu równoleglym GSR
- maks. dlugosc kabla miedzy zaciskiem L11 i zaciskiem L12 
ostatniego przekaznika wynosi 30 m
- rekomendowana ilosc przekazników w kaskadzie to 10 sztuk.
                  
 
                    
                      
                    Procedura uczenia urzadzenia
1. 
Odlacz zasilanie i ustaw przelacznik obrotowy w pozycji 0.
Wlacz zasilanie, dioda "PWR" miga na czerwono. 
2.
Ustaw wymagana konfiguracje za pomoca przelacznika obrotowego - 
dioda IN 1 miga. 
3.
Wylacz i wlacz zasilanie.
                  
Przekaźniki bezpieczeństwa GSR mogą zastąpić dwa tradycyjne przekaźniki bezpieczeństwa dzięki temu, że posiadają dwa wejścia 2-kanałowe bezpieczeństwa w przeciwieństwie do tradycyjnych przekaźników bezpieczeństwa z jednym wejściem. Te dwa wejścia mogą być skonfigurowane za pomocą przełącznika obrotowego, który znajduje na panelu przednim przekaźnika. Logika „AND”, „OR” i funkcja resetu jest wybierana za pomocą właśnie tego przełącznika. Ponadto GSR ma zaaprobowaną koncepcję połączenia jednoprzewodowego do rozszerzania i kaskadowania funkcji bezpieczeństwa.
| 
 | 
 | 
 | 
| Wiele różnych rodzajów urządzeń | Przekaźnik SI nadzoruje globalny stop | Proste rozszerzenie o dodatkowe wyjścia | 
 
Właściwości techniczne
| W zależności od wymagań bezpieczeństwa | ||
| • Zestyki z wymuszonym prowadzeniem | ||
| • Zdublowane zestyki wyjściowe | ||
| • Redundacja wewnętrzna/zewnętrzna | ||
| • Nadzorowane kasowanie | ||
| 
 | ||
| Zalety dla użytkownika | ||
| • Najwyższy poziom bezpieczeństwa | ||
| • 2 N.O. wyjścia bezpieczne i 1 PNP wyjście sygnałowe | ||
| • Maks. obciążenie 3 A | ||
| • Nadzorowanie styczników zewnętrznych | ||
| • Małe wymiary | ||
| • Zaciski wyjmowane | ||
| • Międzynarodowe atesty | ||
| • Wskazywanie statusu za pomocą LED | ||
| 
 | ||
| Wskazywanie statusu | ||
| PWR/Fault | 
 | Status i diagnostyka | 
| IN1 | 
 | Status Wejścia 1 | 
| IN2 | 
 | Status Wejścia 2 | 
| Logic in | 
 | Status wejścia SWS | 
| Out | 
 | Status Wyjść | 
| 
 | ||
| Używany z | ||
| • Stop awaryjny | ||
| • Wyłączniki drzwiowe | ||
| • Wyłączniki bezkontaktowe | ||
| • Kurtyny świetlne bezpieczeństwa | ||
| • 3-pozycyjne urządzenie akceptujące | ||
| • Wyłączniki nożne | ||
| • Maty bezpieczeństwa | ||
 
              UGB-KLTM to wielofunkcyjne urządzenie, zapewniające zintegrowaną ochronę i kompleksową kontrolę dostępu. Produkt jest przeznaczony do aplikacji, w których operator ma pełny dostęp do niebezpiecznej strefy.
 
              Popularny skaner laserowy bezpieczeństwa UAM-05 został zmodernizowany i teraz jest dostępny w nowej, ulepszonej wersji – UAM-05LPA. Dzięki zastosowaniu najnowocześniejszych technologii i udoskonalonym funkcjom jest on dostosowany do przyszłych wymagań w automatyce przemysłowej.
 
              Mechaniczne systemy kontroli dostępu są łatwe w instalacji i służą do otwierania włazów i bram w aplikacjach, w których występuje zagrożenie powodowane przez ruchome części maszyn. W tym artykule dowiesz się więcej o zaletach systemów kontroli dostępu.
 
              Seria SH4 to kompletna rodzina kurtyn świetlnych bezpieczeństwa, które nie tylko spełniają wysokie wymagania dotyczące działania i odporności na warunki otoczenia w przemyśle, ale także przenoszą bezpieczeństwo na nowy poziom.
 
              HSC-A100-ENC jest programowalnym sterownikiem bezpieczeństwa, który umożliwia sterowanie pracą do 6 skanerów bezpieczeństwa połączonych interfejsem komunikacyjnym. Zawiera interfejsy pozwalające na podłączenie do 4 enkoderów. Posiada 16 cyfrowych wejść bezpieczeństwa, 6 bezpiecznych wyjść cyfrowych, 2 wyjścia przekaźnikowe oraz 2 wyjścia testowe.
 
              Netboxy marki IDEM mają w pełni konfigurowalne We/Wy, które mogą być ustawione jako 3 dwukanałowe wejścia bezpieczne lub wejścia sygnałowe. Modułowe przyciski można skonfigurować poprzez CIP Safety lub PROFIsafe.
 
            
        Jarosław Kalista