ALLEN-BRADLEY
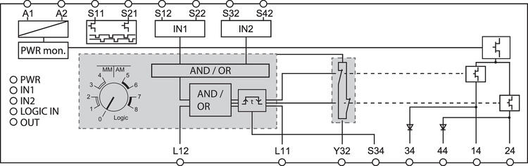
Przekaźniki bezpieczeństwa GSR mogą zastąpić dwa tradycyjne przekaźniki bezpieczeństwa dzięki temu, że posiadają dwa wejścia 2-kanałowe bezpieczeństwa w przeciwieństwie do tradycyjnych przekaźników bezpieczeństwa z jednym wejściem. Te dwa wejścia mogą być skonfigurowane za pomocą przełącznika obrotowego, który znajduje na panelu przednim przekaźnika. Logika „AND”, „OR” i funkcja resetu jest wybierana za pomocą właśnie tego przełącznika. Ponadto GSR ma zaaprobowaną koncepcję połączenia jednoprzewodowego do rozszerzania i kaskadowania funkcji bezpieczeństwa.
| 
 | 
 | 
 | 
| Wiele różnych rodzajów urządzeń | Przekaźnik SI nadzoruje globalny stop | Proste rozszerzenie o dodatkowe wyjścia | 
Właściwości techniczne
| W zależności od wymagań bezpieczeństwa | ||
| • Zestyki z wymuszonym prowadzeniem | ||
| • Zdublowane zestyki wyjściowe | ||
| • Redundacja wewnętrzna/zewnętrzna | ||
| • Nadzorowane kasowanie | ||
| 
 | ||
| Zalety dla użytkownika | ||
| • Najwyższy poziom bezpieczeństwa | ||
| • 4 PNP wyjścia bezpieczne i 1 PNP wyjście sygnałowe | ||
| • Maks. obciążenie 1,5 A | ||
| • Nadzorowanie styczników zewnętrznych | ||
| • Małe wymiary | ||
| • Zaciski wyjmowane | ||
| • Międzynarodowe atesty | ||
| • Wskazywanie statusu za pomocą LED | ||
| 
 | ||
| Wskazywanie statusu | ||
| PWR/Fault | 
 | Status i diagnostyka | 
| IN1 | 
 | Status Wejścia 1 | 
| IN2 | 
 | Status Wejścia 2 | 
| Logic in | 
 | Status wejścia SWS | 
| Out | 
 | Status Wyjść | 
| 
 | ||
| Używany z | ||
| • Stop awaryjny | ||
| • Wyłączniki drzwiowe | ||
| • Wyłączniki bezkontaktowe | ||
| • Kurtyny świetlne bezpieczeństwa | ||
| • 3-pozycyjne urządzenie akceptujące | ||
| • Wyłączniki nożne | ||
| • Maty bezpieczeństwa | ||
| Czas wyłączania | 35 ms | 
|---|---|
| Maks. prąd zestyku | 14,24 1,5 A, 34, 44 0,5 A | 
| Max. temperatura pracy | 55 °C | 
| Min. temperatura pracy | -5 °C | 
| Montaż | Szyna DIN | 
| MTTFd | 484 year | 
| PL | e enl. EN ISO 13849-1 | 
| Pobór mocy | 2,5 W | 
| Reset | Automatyczny, Manualny, Nadzorowany | 
|---|---|
| SIL | 3 enl. EN IEC 62061 | 
| Stopień ochrony: obudowa | IP40 | 
| Stopień ochrony: zaciski | IP20 | 
| Wskazywanie statusu | 5 x LED | 
| Wyjścia bezpieczne | 4 PNP | 
| Wyjście sygnałowe | 1 PNP | 
 
                    
                      
                    A1&A2 = Zasilanie
S12&S22 = Wejscie bezpieczne 1
S32&S42 = Wejscie bezpieczne 2
S11&S21 = Wyjscie testu dla wejsc bezpiecznych
S34 = Reset
Y32 = Wyjscie sygnalowe PNP
L12 = Wejscie bezpieczne SWS
L11 = Wyjscie bezpieczne SWS
14 = Wyjscie bezpieczne 1
24 = Wyjscie bezpieczne 2
34 = Wyjscie bezpieczne 3
44 = Wyjscie bezpieczne 4
                  
 
                    
                      
                    1. Podlaczenie dwukanalowe. Nadzorowanie krzyzowe. Max PLe
2. Podlaczenie dwukanalowe, bez nadzorowania krzyzowego. (Aplikacje z Matami). Max PLd
3. Sygnal 24 V DC, statyczny lub OSSD. (Kurtyna swietlna bezpieczenstwa / Sensaguard). Max PLe 
4. Podlaczenie jednokanalowe. Max PLb
5. Podlaczenie dwukanalowe z tego samego zródla. Max PLd.
                  
 
                    
                      
                    Wyjscia bezpieczenstwa pozostaja aktywne w przypadku, gdy co najmniej 
jedno wejscie bezpieczenstwa jest zamkniete lub wejscie L12 ma stan wysoki.
                  
 
                    
                      
                    Wyjscia bezpieczenstwa pozostaja aktywne w przypadku, gdy dwa 
wejscia bezpieczenstwa sa zamkniete lub wejscie L12 ma stan wysoki.
                  
 
                    
                      
                    Wyjscia bezpieczenstwa pozostaja aktywne w przypadku, gdy co najmniej 
jedno wejscie bezpieczenstwa jest zamkniete i wejscie L12 ma stan wysoki.
                  
 
                    
                      
                    Wyjscia bezpieczenstwa pozostaja aktywne w przypadku, gdy dwa 
wejscia bezpieczenstwa sa zamkniete i wejscie L12 ma stan wysoki.
                  
 
                    
                      
                    Automatyczne kasowanie - mostek A1 - S34.
Nadzorowane kasowanie reczne - przycisk chwilowy
jest podlacznony pomiedzy A1 i S34
razem z monitorowaniem styczników zewnetrznych K1 i K2
                  
 
                    
                      
                    Kaskada szeregowa
Czas reakcji przy polaczeniu szeregowym GSR
- maks. dlugosc kabla miedzy zaciskami L11 jednego przekaznika i L12 
drugiego przekaznika wynosi 30 m
- nie ma ograniczenia ilosci przekazników w kaskadzie
                  
 
                    
                      
                    Kaskada równolegla
Czas reakcji przy polaczeniu równoleglym GSR
- maks. dlugosc kabla miedzy zaciskiem L11 i zaciskiem L12 
ostatniego przekaznika wynosi 30 m
- rekomendowana ilosc przekazników w kaskadzie to 10 sztuk.
                  
 
                    
                      
                    Procedura uczenia urzadzenia
1. 
Odlacz zasilanie i ustaw przelacznik obrotowy w pozycji 0.
Wlacz zasilanie, dioda "PWR" miga na czerwono. 
2.
Ustaw wymagana konfiguracje za pomoca przelacznika obrotowego - 
dioda IN 1 miga. 
3.
Wylacz i wlacz zasilanie.
                  
Przekaźniki bezpieczeństwa GSR mogą zastąpić dwa tradycyjne przekaźniki bezpieczeństwa dzięki temu, że posiadają dwa wejścia 2-kanałowe bezpieczeństwa w przeciwieństwie do tradycyjnych przekaźników bezpieczeństwa z jednym wejściem. Te dwa wejścia mogą być skonfigurowane za pomocą przełącznika obrotowego, który znajduje na panelu przednim przekaźnika. Logika „AND”, „OR” i funkcja resetu jest wybierana za pomocą właśnie tego przełącznika. Ponadto GSR ma zaaprobowaną koncepcję połączenia jednoprzewodowego do rozszerzania i kaskadowania funkcji bezpieczeństwa.
| 
 | 
 | 
 | 
| Wiele różnych rodzajów urządzeń | Przekaźnik SI nadzoruje globalny stop | Proste rozszerzenie o dodatkowe wyjścia | 
Właściwości techniczne
| W zależności od wymagań bezpieczeństwa | ||
| • Zestyki z wymuszonym prowadzeniem | ||
| • Zdublowane zestyki wyjściowe | ||
| • Redundacja wewnętrzna/zewnętrzna | ||
| • Nadzorowane kasowanie | ||
| 
 | ||
| Zalety dla użytkownika | ||
| • Najwyższy poziom bezpieczeństwa | ||
| • 4 PNP wyjścia bezpieczne i 1 PNP wyjście sygnałowe | ||
| • Maks. obciążenie 1,5 A | ||
| • Nadzorowanie styczników zewnętrznych | ||
| • Małe wymiary | ||
| • Zaciski wyjmowane | ||
| • Międzynarodowe atesty | ||
| • Wskazywanie statusu za pomocą LED | ||
| 
 | ||
| Wskazywanie statusu | ||
| PWR/Fault | 
 | Status i diagnostyka | 
| IN1 | 
 | Status Wejścia 1 | 
| IN2 | 
 | Status Wejścia 2 | 
| Logic in | 
 | Status wejścia SWS | 
| Out | 
 | Status Wyjść | 
| 
 | ||
| Używany z | ||
| • Stop awaryjny | ||
| • Wyłączniki drzwiowe | ||
| • Wyłączniki bezkontaktowe | ||
| • Kurtyny świetlne bezpieczeństwa | ||
| • 3-pozycyjne urządzenie akceptujące | ||
| • Wyłączniki nożne | ||
| • Maty bezpieczeństwa | ||
 
              UGB-KLTM to wielofunkcyjne urządzenie, zapewniające zintegrowaną ochronę i kompleksową kontrolę dostępu. Produkt jest przeznaczony do aplikacji, w których operator ma pełny dostęp do niebezpiecznej strefy.
 
              Popularny skaner laserowy bezpieczeństwa UAM-05 został zmodernizowany i teraz jest dostępny w nowej, ulepszonej wersji – UAM-05LPA. Dzięki zastosowaniu najnowocześniejszych technologii i udoskonalonym funkcjom jest on dostosowany do przyszłych wymagań w automatyce przemysłowej.
 
              Mechaniczne systemy kontroli dostępu są łatwe w instalacji i służą do otwierania włazów i bram w aplikacjach, w których występuje zagrożenie powodowane przez ruchome części maszyn. W tym artykule dowiesz się więcej o zaletach systemów kontroli dostępu.
 
              Seria SH4 to kompletna rodzina kurtyn świetlnych bezpieczeństwa, które nie tylko spełniają wysokie wymagania dotyczące działania i odporności na warunki otoczenia w przemyśle, ale także przenoszą bezpieczeństwo na nowy poziom.
 
              HSC-A100-ENC jest programowalnym sterownikiem bezpieczeństwa, który umożliwia sterowanie pracą do 6 skanerów bezpieczeństwa połączonych interfejsem komunikacyjnym. Zawiera interfejsy pozwalające na podłączenie do 4 enkoderów. Posiada 16 cyfrowych wejść bezpieczeństwa, 6 bezpiecznych wyjść cyfrowych, 2 wyjścia przekaźnikowe oraz 2 wyjścia testowe.
 
              Netboxy marki IDEM mają w pełni konfigurowalne We/Wy, które mogą być ustawione jako 3 dwukanałowe wejścia bezpieczne lub wejścia sygnałowe. Modułowe przyciski można skonfigurować poprzez CIP Safety lub PROFIsafe.
 
            
        Jarosław Kalista