ALLEN-BRADLEY
Przekaźnik opracowany specjalnie dla aplikacji z blokadą. GSR GLP pomaga zredukować czas projektowania i instalacji dla aplikacji z blokadą zarówno w przypadku maszyn zatrzymanych jak i pracujących z bezpieczną prędkością. Ten przekaźnik bezpieczeństwa wykorzystuje dwa czujniki zbliżeniowe jako wejścia do monitorowania prędkości i odblokowuje osłonę, gdy urządzenie osiągnie bezpieczną prędkość. Przekaźnik wyposażony jest w 1 dwukanałowe wejście bezpieczeństwa, 2 wyjścia bezpieczeństwa PNP, 2 wyjścia PNP LOCK oraz 1 wyjście sygnałowe PNP.
| Zalety dla użytkownika | ||
| • Najwyższy poziom bezpieczeństwa | ||
| • 2 PNP (X14 i X24) wyjścia bezpieczne | ||
| • L11 (Wyjście jednoprzewodowego łącza bezpieczeństwa) | ||
| • 1 PNP (Y32) wyjście sygnałowe | ||
| • 1 PNP OSSD (51), 1 NPN OSSD (L61) lub 1 PNP OSSD | ||
| • Nadzorowanie styczników zewnętrznych | ||
| • Małe wymiary | ||
| • Zaciski wyjmowane | ||
| • Międzynarodowe atesty | ||
| • Wskazywanie statusu za pomocą LED | ||
| 
 | ||
| Wskazywanie statusu | ||
| PWR/Fault | 
 | Status i diagnostyka | 
| IN1 | 
 | Status wejścia ok | 
| Lock | 
 | Status blokady | 
| Logic in | 
 | Status wejścia SWS | 
| Out | 
 | Status wyjść bezpiecznych | 
| 
 | ||
| Używany do monitorowania: | ||
| • Zatrzymania | ||
| • SLS (Bezpiecznej prędkości ograniczonej) | ||
| • Prędkości maksymalnej | ||
| • Wyłączników blokujących | ||
| Dopuszczenia | CE, cULus, TÜV | 
|---|---|
| Maks. prąd zestyku | X14, X24 = 0,5 A, L11 = 0,1 A, Y32 = 0,05 A, 51, L61 = 0,3 A | 
| Max. temperatura pracy | 55 °C | 
| Min. temperatura pracy | -5 °C | 
| Montaż | Szyna DIN | 
| MTTFd | 395 year | 
| Napięcie zasilania | 24 V DC | 
| Normy | EN60204-1 | 
| PL | d enl. EN ISO 13849-1 | 
| Pobór mocy | 2,5 W | 
| SIL | 2 enl. EN IEC 62061 | 
|---|---|
| Stopień ochrony: obudowa | IP40 | 
| Stopień ochrony: zaciski | IP20 | 
| Tolerancja | -15 % +10 % | 
| Wskazywanie statusu | 5 x LED | 
| Wyjścia bezpieczne | 2 PNP | 
| Wyjścia sygnałowe | 1 PNP | 
| Zgodność z | EMC, LVD, MD | 
 
                    
                      
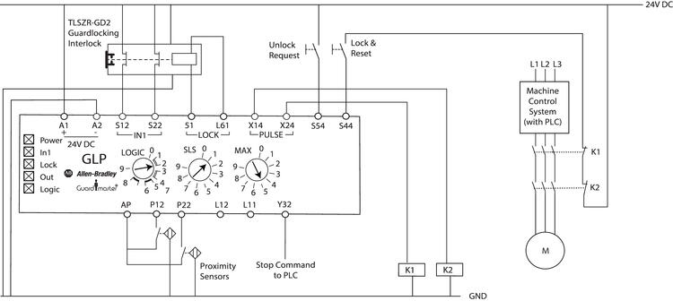
                    A1&A2 = Zasilanie
S12&S22 = Wejscie bezpieczne 1
X14&X24= Wyjscie testu dla wejsc bezpiecznych lub wyjscie bezpieczne
AP = Zasilanie czujników zblizeniowych
P12&P22 = Wejscia czujników zblizeniowych
S44 = Blokada i reset
S54 = Odblokowanie oslony
Y32 = Wyjscie sygnalowe PNP
L12 = Wejscie bezpieczne SWS
L11 = Wyjscie bezpieczne SWS
L61 = Wyjscie Lock
51 = Wyjscie Lock
                  
Przekaźnik opracowany specjalnie dla aplikacji z blokadą. GSR GLP pomaga zredukować czas projektowania i instalacji dla aplikacji z blokadą zarówno w przypadku maszyn zatrzymanych jak i pracujących z bezpieczną prędkością. Ten przekaźnik bezpieczeństwa wykorzystuje dwa czujniki zbliżeniowe jako wejścia do monitorowania prędkości i odblokowuje osłonę, gdy urządzenie osiągnie bezpieczną prędkość. Przekaźnik wyposażony jest w 1 dwukanałowe wejście bezpieczeństwa, 2 wyjścia bezpieczeństwa PNP, 2 wyjścia PNP LOCK oraz 1 wyjście sygnałowe PNP.
| Zalety dla użytkownika | ||
| • Najwyższy poziom bezpieczeństwa | ||
| • 2 PNP (X14 i X24) wyjścia bezpieczne | ||
| • L11 (Wyjście jednoprzewodowego łącza bezpieczeństwa) | ||
| • 1 PNP (Y32) wyjście sygnałowe | ||
| • 1 PNP OSSD (51), 1 NPN OSSD (L61) lub 1 PNP OSSD | ||
| • Nadzorowanie styczników zewnętrznych | ||
| • Małe wymiary | ||
| • Zaciski wyjmowane | ||
| • Międzynarodowe atesty | ||
| • Wskazywanie statusu za pomocą LED | ||
| 
 | ||
| Wskazywanie statusu | ||
| PWR/Fault | 
 | Status i diagnostyka | 
| IN1 | 
 | Status wejścia ok | 
| Lock | 
 | Status blokady | 
| Logic in | 
 | Status wejścia SWS | 
| Out | 
 | Status wyjść bezpiecznych | 
| 
 | ||
| Używany do monitorowania: | ||
| • Zatrzymania | ||
| • SLS (Bezpiecznej prędkości ograniczonej) | ||
| • Prędkości maksymalnej | ||
| • Wyłączników blokujących | ||
 
              UGB-KLTM to wielofunkcyjne urządzenie, zapewniające zintegrowaną ochronę i kompleksową kontrolę dostępu. Produkt jest przeznaczony do aplikacji, w których operator ma pełny dostęp do niebezpiecznej strefy.
 
              Popularny skaner laserowy bezpieczeństwa UAM-05 został zmodernizowany i teraz jest dostępny w nowej, ulepszonej wersji – UAM-05LPA. Dzięki zastosowaniu najnowocześniejszych technologii i udoskonalonym funkcjom jest on dostosowany do przyszłych wymagań w automatyce przemysłowej.
 
              Mechaniczne systemy kontroli dostępu są łatwe w instalacji i służą do otwierania włazów i bram w aplikacjach, w których występuje zagrożenie powodowane przez ruchome części maszyn. W tym artykule dowiesz się więcej o zaletach systemów kontroli dostępu.
 
              Seria SH4 to kompletna rodzina kurtyn świetlnych bezpieczeństwa, które nie tylko spełniają wysokie wymagania dotyczące działania i odporności na warunki otoczenia w przemyśle, ale także przenoszą bezpieczeństwo na nowy poziom.
 
              HSC-A100-ENC jest programowalnym sterownikiem bezpieczeństwa, który umożliwia sterowanie pracą do 6 skanerów bezpieczeństwa połączonych interfejsem komunikacyjnym. Zawiera interfejsy pozwalające na podłączenie do 4 enkoderów. Posiada 16 cyfrowych wejść bezpieczeństwa, 6 bezpiecznych wyjść cyfrowych, 2 wyjścia przekaźnikowe oraz 2 wyjścia testowe.
 
              Netboxy marki IDEM mają w pełni konfigurowalne We/Wy, które mogą być ustawione jako 3 dwukanałowe wejścia bezpieczne lub wejścia sygnałowe. Modułowe przyciski można skonfigurować poprzez CIP Safety lub PROFIsafe.
 
            
        Jarosław Kalista