IDEM

Przekaźnik bezpieczeństwa SCR-31-i

Przekaźnik bezpieczeństwa SCR-31-i to niewielki przekaźnik dla najwyższych poziomów bezpieczeństwa, odpowiedni do stosowania w maszynach szczególnie niebezpiecznych, gdzie zachodzi potrzeba całkowitego zdublowania i nadzorowania funkcji ochronnej. SCR-31-i można podłączać jedno- lub dwukanałowo w zależności od potrzeby. Przekaźnik posiada zarówno reset automatyczny jak i nadzorowany manualny. Wyboru trybu resetu dokonuje sie poprzez odpowiednie podłączenie. Prostą diagnostykę zapewnia aż 6 diod LED.

Dane techniczne

Standard

EN ISO13849-1 EN62061 EN60204-1 EN ISO12100

Napięcie zasilania

24 V AC/DC

Tolerancja

-15% +10%

Pobór mocy

2 W (24 V DC)

Znamionowa częstotliwość zasilania

50 Hz - 60 Hz

Znamionowe napięcie wyjściowe

24 V DC (S11)

Prąd wyjściowy

100 mA (S11)

Czas załączenia

100 ms

Czas wyłączenia

25 ms

Znamionowe napięcie wyjściowe

250 V AC

Max, prąd na jedno wyjście

6 A

Max, całkowity prąd wszyskich wyjść

8 A

Maks. obciążenia

AC

AC-15, 4 A, 230 V

DC

DC-13, 24 V, 30 W, 2 A

Min. napięcie/prąd zestyku

10 V/10 mA

Bezpiecznik wyjść

4 A wolny, 6 A szybki

Materiał zestyków

AgSnO2

Trwałość mechaniczna

10 x 106

Znamionowe napięcie udarowe

4 kV

Znamionowe napięcie izolacji

250 V

Stopień ochrony

IP20

Temperatura pracy

-20 °C do +55 °C

Stopień zanieczyszczenia

2

Kategoria przepięcia

III

Waga

300 g

Montaż

Szyna DIN

SIL

3 zgodnie z EN62061

PL

e zgodnie z ISO13849-1

DC

99% (wysoki)

 

Wskazywanie statusu

 SCR-31-i_FacePlate.tif

Power

Green colormark

Napięcie zasilania OK

Reset

Green colormark

Obwód resetu zamknięty

CH1

Green colormark

Obwód wejściowy 1 zamkniety

CH2

Green colormark

Obwód wejściowy 2 zamkniety

K1

Green colormark

Przekaźnik wewnętrzny K1 aktywny

K2

Green colormark

Przekaźnik wewnętrzny K2 aktywny

 

Wymiary

22-5mmDimensions.tif

 

SCR-31-i_BlockDiagram.tif

A1 A2

Zasilanie 24 V AC/DC

S11

Wyjście kontrolne

S10 S13 S12

Wejścia kontrolne

S21

Wejście resetu automatycznego

S22

Wejście resetu manualnego

13-14

Wyjście bezpieczne 1

23-24

Wyjście bezpieczne 2

33-34

Wyjście bezpieczne 3

41-42

Wyjście sygnałowe

 

Połączenia

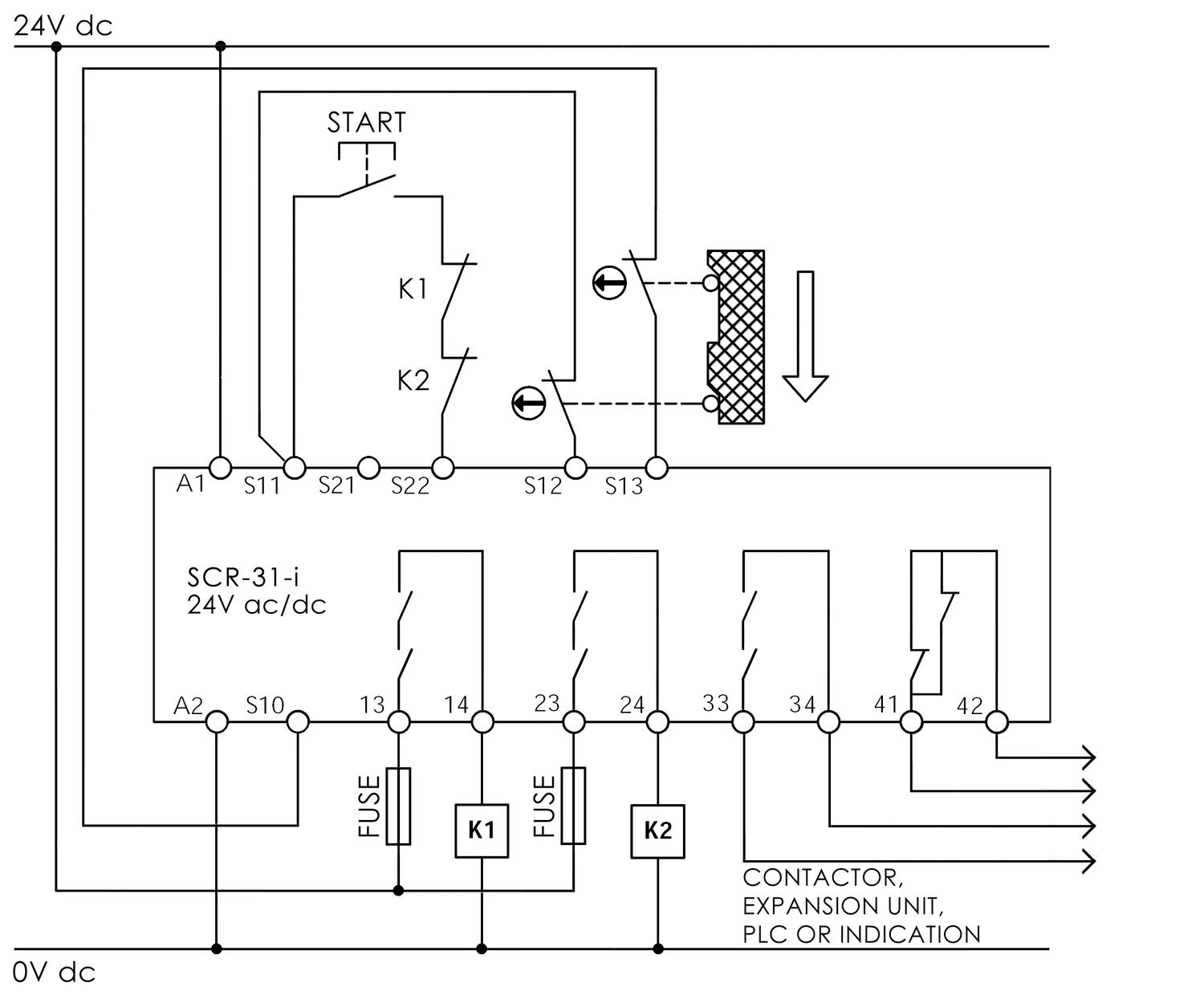
SCR-31_DualChanGuardManual.tif

SCR-31-i_DualChanNCCAuto.tif

1.
Dwukanałowe połączenie wyłącznika klapy/bramki.
Nadzorowane kasowanie manualne.

2.
Dwukanałowe połączenie wyłącznika bezkontaktowego.
Kasowanie automatyczne.

 

Nr katalogowy

Nr katalogowy

Opis

Zaciski

Napięcie
zasilania

Obwody wejściowe

Wyjścia

280002

Przekaźnik bezpieczeństwa SCR-31-i

Standardowe zaciski śrubowe

24 V AC/DC

2NC

3NC + 1NO

280002-P

Przekaźnik bezpieczeństwa SCR-31-i

Wyjmowane zaciski śrubowe

24 V AC/DC

2NC

3NC + 1NO

 

Download

Instrukcje

 

Produkt

Opis

Format pliku

 

Przekaźnik bezpieczeństwa SCR-31-i

Karta katalogowa

PDF

Pobierz

Przekaźnik bezpieczeństwa SCR-31-i

Instrukcja obsługi

PDF

Pobierz

 

Pokaż więcej
  • Kompaktowy przekaźnik, obudowa 22,5 mm
  • Wyjścia bezpieczeństwa 3 NC
  • Wyjście sygnałowe 1 NO
  • Zaciski stałe lub wyjmowane
  • Reset automatyczny/manualny

Wybrany wariant produktu

Wybrany wariant produktu

Specyfikacja techniczna

Napięcie zasilania 24V AC/DC
PL e
SIL 3
Stopień ochrony IP IP20

Opis produktu

Przekaźnik bezpieczeństwa SCR-31-i to niewielki przekaźnik dla najwyższych poziomów bezpieczeństwa, odpowiedni do stosowania w maszynach szczególnie niebezpiecznych, gdzie zachodzi potrzeba całkowitego zdublowania i nadzorowania funkcji ochronnej. SCR-31-i można podłączać jedno- lub dwukanałowo w zależności od potrzeby. Przekaźnik posiada zarówno reset automatyczny jak i nadzorowany manualny. Wyboru trybu resetu dokonuje sie poprzez odpowiednie podłączenie. Prostą diagnostykę zapewnia aż 6 diod LED.

Dane techniczne

Standard

EN ISO13849-1 EN62061 EN60204-1 EN ISO12100

Napięcie zasilania

24 V AC/DC

Tolerancja

-15% +10%

Pobór mocy

2 W (24 V DC)

Znamionowa częstotliwość zasilania

50 Hz - 60 Hz

Znamionowe napięcie wyjściowe

24 V DC (S11)

Prąd wyjściowy

100 mA (S11)

Czas załączenia

100 ms

Czas wyłączenia

25 ms

Znamionowe napięcie wyjściowe

250 V AC

Max, prąd na jedno wyjście

6 A

Max, całkowity prąd wszyskich wyjść

8 A

Maks. obciążenia

AC

AC-15, 4 A, 230 V

DC

DC-13, 24 V, 30 W, 2 A

Min. napięcie/prąd zestyku

10 V/10 mA

Bezpiecznik wyjść

4 A wolny, 6 A szybki

Materiał zestyków

AgSnO2

Trwałość mechaniczna

10 x 106

Znamionowe napięcie udarowe

4 kV

Znamionowe napięcie izolacji

250 V

Stopień ochrony

IP20

Temperatura pracy

-20 °C do +55 °C

Stopień zanieczyszczenia

2

Kategoria przepięcia

III

Waga

300 g

Montaż

Szyna DIN

SIL

3 zgodnie z EN62061

PL

e zgodnie z ISO13849-1

DC

99% (wysoki)

 

Wskazywanie statusu

 SCR-31-i_FacePlate.tif

Power

Green colormark

Napięcie zasilania OK

Reset

Green colormark

Obwód resetu zamknięty

CH1

Green colormark

Obwód wejściowy 1 zamkniety

CH2

Green colormark

Obwód wejściowy 2 zamkniety

K1

Green colormark

Przekaźnik wewnętrzny K1 aktywny

K2

Green colormark

Przekaźnik wewnętrzny K2 aktywny

 

Wymiary

22-5mmDimensions.tif

 

SCR-31-i_BlockDiagram.tif

A1 A2

Zasilanie 24 V AC/DC

S11

Wyjście kontrolne

S10 S13 S12

Wejścia kontrolne

S21

Wejście resetu automatycznego

S22

Wejście resetu manualnego

13-14

Wyjście bezpieczne 1

23-24

Wyjście bezpieczne 2

33-34

Wyjście bezpieczne 3

41-42

Wyjście sygnałowe

 

Połączenia

SCR-31_DualChanGuardManual.tif

SCR-31-i_DualChanNCCAuto.tif

1.
Dwukanałowe połączenie wyłącznika klapy/bramki.
Nadzorowane kasowanie manualne.

2.
Dwukanałowe połączenie wyłącznika bezkontaktowego.
Kasowanie automatyczne.

 

Nr katalogowy

Nr katalogowy

Opis

Zaciski

Napięcie
zasilania

Obwody wejściowe

Wyjścia

280002

Przekaźnik bezpieczeństwa SCR-31-i

Standardowe zaciski śrubowe

24 V AC/DC

2NC

3NC + 1NO

280002-P

Przekaźnik bezpieczeństwa SCR-31-i

Wyjmowane zaciski śrubowe

24 V AC/DC

2NC

3NC + 1NO

 

Download

Instrukcje

 

Produkt

Opis

Format pliku

 

Przekaźnik bezpieczeństwa SCR-31-i

Karta katalogowa

PDF

Pobierz

Przekaźnik bezpieczeństwa SCR-31-i

Instrukcja obsługi

PDF

Pobierz

 

Akcesoria

Powiązane

Nowości

Wielofunkcyjne urządzenie dostępu UGB-KLTM

UGB-KLTM to wielofunkcyjne urządzenie, zapewniające zintegrowaną ochronę i kompleksową kontrolę dostępu. Produkt jest przeznaczony do aplikacji, w których operator ma pełny dostęp do niebezpiecznej strefy.

Nowości

Nowy Skaner laserowy bezpieczeństwa UAM-05LPA z rozszerzoną funkcjonalnością

Popularny skaner laserowy bezpieczeństwa UAM-05 został zmodernizowany i teraz jest dostępny w nowej, ulepszonej wersji – UAM-05LPA. Dzięki zastosowaniu najnowocześniejszych technologii i udoskonalonym funkcjom jest on dostosowany do przyszłych wymagań w automatyce przemysłowej.

Akademia OEM

Systemy kontroli dostępu

Mechaniczne systemy kontroli dostępu są łatwe w instalacji i służą do otwierania włazów i bram w aplikacjach, w których występuje zagrożenie powodowane przez ruchome części maszyn. W tym artykule dowiesz się więcej o zaletach systemów kontroli dostępu.

Nowości

Kurtyny świetlne bezpieczeństwa w przemyśle

Seria SH4 to kompletna rodzina kurtyn świetlnych bezpieczeństwa, które nie tylko spełniają wysokie wymagania dotyczące działania i odporności na warunki otoczenia w przemyśle, ale także przenoszą bezpieczeństwo na nowy poziom.

Nowości

Programowalny sterownik bezpieczeństwa HSC-A100-ENC do aplikacji AGV

HSC-A100-ENC jest programowalnym sterownikiem bezpieczeństwa, który umożliwia sterowanie pracą do 6 skanerów bezpieczeństwa połączonych interfejsem komunikacyjnym. Zawiera interfejsy pozwalające na podłączenie do 4 enkoderów. Posiada 16 cyfrowych wejść bezpieczeństwa, 6 bezpiecznych wyjść cyfrowych, 2 wyjścia przekaźnikowe oraz 2 wyjścia testowe.

Nowości

Safety Netbox – rozproszone We/Wy poprzez Profinet, PROFIsafe lub Ethernet/IP, CIP Safety

Netboxy marki IDEM mają w pełni konfigurowalne We/Wy, które mogą być ustawione jako 3 dwukanałowe wejścia bezpieczne lub wejścia sygnałowe. Modułowe przyciski można skonfigurować poprzez CIP Safety lub PROFIsafe.

Warianty produktu Cena

Wybrany wariant

Wybierz wariant produktu z listy

Wsparcie techniczne

Radosław Wronko

Product Specialist BEZPIECZEŃSTWO

Wsparcie Klienta
Aby uzyskać informacje dotyczące zamówień i dostępności produktów, skontaktuj się z działem obsługi Klienta:
22 863 27 22
Wyślij e-mail
Potrzebujesz pomocy?
Logo

Ustawienia plików cookie w serwisie oemautomatic.pl

Pliki cookie pomagają nam usprawniać serwis i dostosowywać go do Państwa oczekiwań. Wykorzystujemy pliki cookie aby móc obsługiwać dane logowania i oferować spersonalizowane treści. Niektóre pliki cookie są wymagane dla podstawowej funkcjonalności witryny.

Informacje uzyskane za pośrednictwem plików cookie nigdy nie będą przedmiotem sprzedaży.

Mogą Państwo zaakceptować wszystkie pliki cookie lub spersonalizować swoje preferencje dotyczące określonych plików cookie. Mogą Państwo również zmienić ustawienia dotyczące plików cookie w dowolnym momencie, odwiedzając naszą stronę kontaktową.

Niezbędne pliki cookie

Te pliki cookie są niezbędne dla funkcjonowania strony internetowej i nie mogą być wyłączone w naszych systemach. Są one zazwyczaj ustawiane tylko w odpowiedzi na działania podejmowane przez użytkownika, które sprowadzają się do zapytania o usługi, takie jak ustawienie preferencji prywatności, logowanie lub wypełnianie formularzy. Te pliki cookie nie przechowują żadnych danych osobowych.

Pliki cookie dotyczące wydajności

Te pliki cookie umożliwiają nam zliczanie wizyt i źródeł ruchu, dzięki czemu możemy mierzyć i poprawiać wydajność naszej witryny. Pomagają ustalić, które strony są najbardziej i najmniej popularne i zobaczyć, jak odwiedzający poruszają się po stronie. Wszystkie informacje zbierane przez te pliki cookie są agregowane i tym samym anonimowe. Jeśli użytkownik nie zezwoli na stosowanie tych plików cookie, nie będziemy wiedzieli, kiedy odwiedził naszą stronę internetową.

Pliki cookie związane z reklamami i ich odbiorcami

Te pliki cookie mogą być ustawiane przez naszych partnerów reklamowych za pośrednictwem naszej strony internetowej. Mogą one być wykorzystywane przez te firmy do budowania profilu zainteresowań użytkownika i wyświetlania odpowiednich reklam na innych stronach. Nie przechowują one bezpośrednio danych osobowych, lecz opierają się na jednoznacznej identyfikacji przeglądarki i sprzętu internetowego. Jeśli użytkownik nie zezwoli na stosowanie tych plików cookie, doświadcza mniej ukierunkowanych reklam.