ALLEN-BRADLEY
Niewielki przekaźnik do nadzorowania urządzenia oburęcznego PCB3/S lub dwóch oddzielnych przycisków - każdy z jednym rozwiernym i jednym zwiernym zestykiem. Mimo małej szerokości (zaledwie 22,5 mm) MSR125HP posiada dwa wyjścia bezpieczne. MSR125HP wykrywa naciśnięcie obu przycisków w ciągu 500 ms oraz zwolnienie ich przed następną aktywacją, zgodnie z EN574 kat.IIIC.
| 
 | ||
| Wskazywanie statusu | ||
| PWR | 
 | Napięcie zasilania OK | 
| CH1 | 
 | K1 aktywowany | 
| CH2 | 
 | K2 aktywowany | 
| 
 | ||
| Używany z | ||
| · Pulpitem sterowania oburęcznego | ||
| Bezpiecznik wyjść | 6 A | 
|---|---|
| Czas wyłączania | 20 ms | 
| Czas załączenia | 500 ms | 
| Dopuszczenia | BG, CE, cULus, TÜV | 
| Maks. napięcie styku | 250 V AC/24 V DC | 
| Maks. prąd zestyku | AC-15, 6 A, DC-13, 3 A | 
| Max. temperatura pracy | 55 °C | 
| Min. napięcie zestyku | 10 V | 
| Min. prąd zestyku | 10 mA | 
| Min. temperatura pracy | -5 °C | 
| Montaż | Szyna DIN | 
| MTTFd | 432 year | 
| Napięcie zasilania | 230 V AC/DC | 
| Normy | EN60204-1, EN574; Kategoria IIIC | 
| PL | e enl. EN ISO 13849-1 | 
|---|---|
| Pobór mocy | 2 W | 
| Reset | Automatyczny, Manualny | 
| SIL | 3 enl. EN IEC 62061 | 
| Stopień ochrony: obudowa | IP40 | 
| Stopień ochrony: zaciski | IP20 | 
| Tolerancja | -15 % +10 % | 
| Trwałość mechaniczna | 2x10^6 | 
| Wskazywanie statusu | 3 x LED | 
| Wyjścia bezpieczne | 3 NO | 
| Wyjścia sygnałowe | 1 NC | 
| Zgodność z | EMC, LVD, MD | 
 
                    
                      
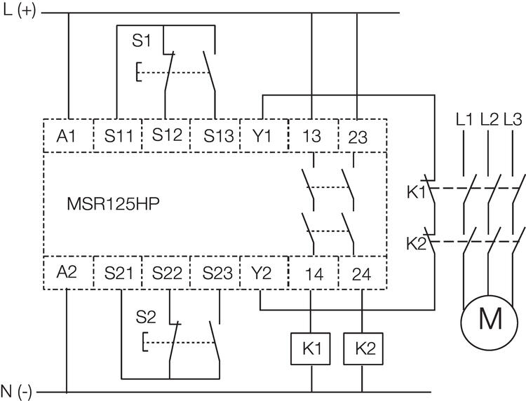
                    A1&A2 = Zasilanie
S11, S12&S13 = Wejscie bezpieczne 1
S21, S22&S23 = Wejscie bezpieczne 2
YI&Y2 = Monitorowany lub automatyczny reset 
13&14 = Wyjscie bezpieczne 1 (NO)
23&24 = Wyjscie bezpieczne 2 (NO)
                  
 
                    
                      
                    1. Urzadzenie obureczne PCB3/S lub dwa oddzielne przyciski - kazdy z jednym zestykiem rozwiernym i jednym zwiernym. 
Nadzorowanie styczników zewnetrznych.
                  
Niewielki przekaźnik do nadzorowania urządzenia oburęcznego PCB3/S lub dwóch oddzielnych przycisków - każdy z jednym rozwiernym i jednym zwiernym zestykiem. Mimo małej szerokości (zaledwie 22,5 mm) MSR125HP posiada dwa wyjścia bezpieczne. MSR125HP wykrywa naciśnięcie obu przycisków w ciągu 500 ms oraz zwolnienie ich przed następną aktywacją, zgodnie z EN574 kat.IIIC.
| 
 | ||
| Wskazywanie statusu | ||
| PWR | 
 | Napięcie zasilania OK | 
| CH1 | 
 | K1 aktywowany | 
| CH2 | 
 | K2 aktywowany | 
| 
 | ||
| Używany z | ||
| · Pulpitem sterowania oburęcznego | ||
 
              UGB-KLTM to wielofunkcyjne urządzenie, zapewniające zintegrowaną ochronę i kompleksową kontrolę dostępu. Produkt jest przeznaczony do aplikacji, w których operator ma pełny dostęp do niebezpiecznej strefy.
 
              Popularny skaner laserowy bezpieczeństwa UAM-05 został zmodernizowany i teraz jest dostępny w nowej, ulepszonej wersji – UAM-05LPA. Dzięki zastosowaniu najnowocześniejszych technologii i udoskonalonym funkcjom jest on dostosowany do przyszłych wymagań w automatyce przemysłowej.
 
              Mechaniczne systemy kontroli dostępu są łatwe w instalacji i służą do otwierania włazów i bram w aplikacjach, w których występuje zagrożenie powodowane przez ruchome części maszyn. W tym artykule dowiesz się więcej o zaletach systemów kontroli dostępu.
 
              Seria SH4 to kompletna rodzina kurtyn świetlnych bezpieczeństwa, które nie tylko spełniają wysokie wymagania dotyczące działania i odporności na warunki otoczenia w przemyśle, ale także przenoszą bezpieczeństwo na nowy poziom.
 
              HSC-A100-ENC jest programowalnym sterownikiem bezpieczeństwa, który umożliwia sterowanie pracą do 6 skanerów bezpieczeństwa połączonych interfejsem komunikacyjnym. Zawiera interfejsy pozwalające na podłączenie do 4 enkoderów. Posiada 16 cyfrowych wejść bezpieczeństwa, 6 bezpiecznych wyjść cyfrowych, 2 wyjścia przekaźnikowe oraz 2 wyjścia testowe.
 
              Netboxy marki IDEM mają w pełni konfigurowalne We/Wy, które mogą być ustawione jako 3 dwukanałowe wejścia bezpieczne lub wejścia sygnałowe. Modułowe przyciski można skonfigurować poprzez CIP Safety lub PROFIsafe.
|  |  |  |  |  | ||
|---|---|---|---|---|---|---|
|  |  |  |  |  | ||
|  |  |  |  |  | ||
|  |  |  |  |  | ||
|  |  |  |  |  | ||
|  |  |  |  |  | ||
|  |  |  |  |  | 
| Warianty produktu | Napięcie zasilania | Cena | ||
|---|---|---|---|---|
|   
      
        Modul bezpieczenstwa MSR125HP 230V AC
      
      
       
        Nr produktu:
         
          
            440R-D23168
          
          Skopiowano
         | 
            230 V AC/DC 
            
            
           |  | ||
|   
      
        Modul bezpieczenstwa MSR125HP 115V AC
      
      
       
        Nr produktu:
         
          
            440R-D23169
          
          Skopiowano
         | 
            115 V AC/DC 
            
            
           |  | ||
|   
      
        Modul bezpieczenstwa MSR125HP 24V DC
      
      
       
        Nr produktu:
         
          
            440R-D23171
          
          Skopiowano
         | 
            24 V AC/DC 
            
            
           |  | 
Wybierz wariant produktu z listy
 
            
        Jarosław Kalista