ALLEN-BRADLEY

Wyłączniki magnetyczne Ferrogard FRS13 i 14

Prezentowane wyłączniki magnetyczne są wykonane całkowicie ze stali nierdzewnej, dzięki czemu nadają się idealnie do wykorzystania w miejscach wilgotnych i zabrudzonych lub wymagających zachowania czystości. Wyłączniki FRS13 i FRS14 wyposażone są w zestyk bezpieczny do połączenia z przekaźnikiem bezpieczeństwa oraz zestyk sygnałowy do sygnalizacji lub połączenia z przekaźnikiem bezpieczeństwa. Dzięki dużej tolerancji wynoszącej 12 mm dla załączenia i 23 mm dla wyłączenia, wyłączniki można wykorzystywać w większości zastosowań. Wyłącznik magnetyczny Ferrogard nie wymaga specjalnie przystosowanego przekaźnika bezpieczeństwa i można go podłączyć do dowolnego przekaźnika bezpieczeństwa, np. jednego z przekaźników z serii MSR. Zestyk bezpieczny jest zamknięty, dopóki czujnik i magnes znajdują się blisko siebie (osłona/bramka zamknięta).

Dane techniczne

Funkcje zestyków

1NC + 1NC

Stopień ochrony

IP67

Temperatura pracy

-10 °C do +65 °C

Przewód

2m kabel

Materiał obudowy

Stal nierdzewna

Trwałość

>106

Zestyki bezpieczeństwa :

Maks. napięcie AC/DC

250 V/24 V

Maks. prąd AC/DC

2 A/1 A

Zalecane bezpieczniki AC/DC

1.6 A/0.8 A (szybkie)

Zestyki sygnałowe :

Maks. napięcie AC/DC

250 V/300 V

Maks. prąd AC/DC

15 VA/10 W

Montaż

4 x M4

Standard

EN1088,EN292 ,EN60204-1

PFHd

3x10-7

MTTFd

385 lat

B10d

2x106

Zgodność z

MD, EMC, LVD

Atesty

Ce-marking, UL508 File number:E198865

Strefa działania :

Załączenie

12 mm

Wyłączenie

23 mm

 

Funkcja zestyków
osłona/bramka zamknięta

(szary-czarny=sygnał)

 

Wymiary

(mm)

 

Montaż

 

Schematy połączeń

1.
Dwukanałowe połączenie wyłącznika magnetycznego.
Nadzorowane kasowanie ręczne.
Nadzorowanie styczników zewnętrznych.

2.
Dwukanałowe połączenie wyłącznika magnetycznego.
Kasowanie automatyczne.
Nadzorowanie styczników zewnętrznych.

 

 

3.
Jednokanałowe połączenie wyłącznika magnetycznego.
Nadzorowane kasowanie ręczne.
Nadzorowanie styczników zewnętrznych.

4.
Jednokanałowe połączenie wyłącznika magnetycznego.
Kasowanie automatyczne.
Nadzorowanie styczników zewnętrznych.

 

Nr katalgowy

Nr katalogowy

Opis

Funkcja zestyków

Typ

440N-G02154

Ferrogard FRS 13-GD2 z kablem 2 m

1NC + 1NC

AC

440N-G02155

Ferrogard FRS 13-GD2 z kablem 4 m

1NC + 1NC

AC

440N-G02160

Ferrogard FRS 13-GD2 ze złączem M12

1NC + 1NC

AC

440N-G02156

Ferrogard FRS 14-GD2 z kablem 2 m

1NC + 1NC

DC

440N-G02157

Ferrogard FRS 14-GD2 z kablem 4 m

1NC + 1NC

DC

440N-G02161

Ferrogard FRS 14-GD2 ze złączem M12

1NC + 1NC

DC

440N-A02165

Aktywator FRS 13, 14

 

 

 

Download

Instrukcje

 

Produkt

Opis

Format pliku

 

Ferrogard

Instrukcja instalacji

PDF

Pobierz

 

Rysunki CAD

 

Produkt

Opis

Format pliku

 

Ferrogard 13/14 wyłącznik

Rysunek CAD

STEP

 

Ferrogard 13/14 aktywator

Rysunek CAD

STEP

 

   

Certyfikat

 

Produkt

Opis

Format pliku

 

Ferrogard

Deklaracja zgodności

PDF

Pobierz

 

Pokaż więcej
  • Tolerancja na niedopasowanie osłony
  • 1 zestyk bezpieczeństwa NC
  • 1 zestyk sygnalizacyjny NC
  • Wykonanie ze stali nierdzewnej

Wybrany wariant produktu

Wybrany wariant produktu

Specyfikacja techniczna

Funkcja styków 1 NC+1 NC
Maks. napięcie styku 250 V AC
Maks. prąd zestyku 2 A
Materiał Stal nierdzewna
Max. temperatura pracy 65 °C
Min. temperatura pracy -10 °C
MTTFd 385 year
Podłączenie kabla Kabel 2 m
Typ AC

Wymiary i połączenia

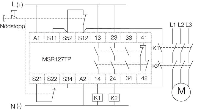
Two-channel engaging movement of emergency stop. Automatic reset. Powiększ

Dwukanalowe polaczenie wylacznika awaryjnego.
Kasowanie automatyczne.
Nadzorowanie styczników zewnetrznych.

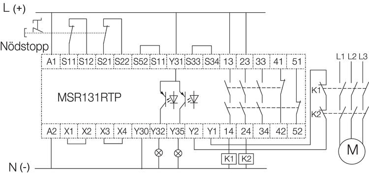
Two-channel engaging movement f emergency stop. Automatic reset. Powiększ

Dwukanalowe polaczenie wylacznika awaryjnego.
Kasowanie automatyczne.
Nadzorowanie styczników zewnetrznych.

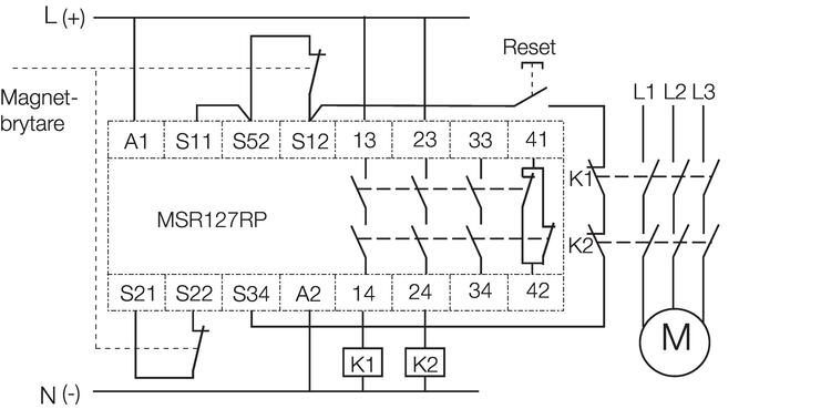
Podlaczenie Ferrogard do MSR127 Powiększ

Polaczenie dwukanalowe wylacznika magnetycznego.
Kasowanie reczne.
Nadzorowanie styczników zewnetrznych.

Rysunki techniczne

Opis produktu

Prezentowane wyłączniki magnetyczne są wykonane całkowicie ze stali nierdzewnej, dzięki czemu nadają się idealnie do wykorzystania w miejscach wilgotnych i zabrudzonych lub wymagających zachowania czystości. Wyłączniki FRS13 i FRS14 wyposażone są w zestyk bezpieczny do połączenia z przekaźnikiem bezpieczeństwa oraz zestyk sygnałowy do sygnalizacji lub połączenia z przekaźnikiem bezpieczeństwa. Dzięki dużej tolerancji wynoszącej 12 mm dla załączenia i 23 mm dla wyłączenia, wyłączniki można wykorzystywać w większości zastosowań. Wyłącznik magnetyczny Ferrogard nie wymaga specjalnie przystosowanego przekaźnika bezpieczeństwa i można go podłączyć do dowolnego przekaźnika bezpieczeństwa, np. jednego z przekaźników z serii MSR. Zestyk bezpieczny jest zamknięty, dopóki czujnik i magnes znajdują się blisko siebie (osłona/bramka zamknięta).

Dane techniczne

Funkcje zestyków

1NC + 1NC

Stopień ochrony

IP67

Temperatura pracy

-10 °C do +65 °C

Przewód

2m kabel

Materiał obudowy

Stal nierdzewna

Trwałość

>106

Zestyki bezpieczeństwa :

Maks. napięcie AC/DC

250 V/24 V

Maks. prąd AC/DC

2 A/1 A

Zalecane bezpieczniki AC/DC

1.6 A/0.8 A (szybkie)

Zestyki sygnałowe :

Maks. napięcie AC/DC

250 V/300 V

Maks. prąd AC/DC

15 VA/10 W

Montaż

4 x M4

Standard

EN1088,EN292 ,EN60204-1

PFHd

3x10-7

MTTFd

385 lat

B10d

2x106

Zgodność z

MD, EMC, LVD

Atesty

Ce-marking, UL508 File number:E198865

Strefa działania :

Załączenie

12 mm

Wyłączenie

23 mm

 

Funkcja zestyków
osłona/bramka zamknięta

(szary-czarny=sygnał)

 

Wymiary

(mm)

 

Montaż

 

Schematy połączeń

1.
Dwukanałowe połączenie wyłącznika magnetycznego.
Nadzorowane kasowanie ręczne.
Nadzorowanie styczników zewnętrznych.

2.
Dwukanałowe połączenie wyłącznika magnetycznego.
Kasowanie automatyczne.
Nadzorowanie styczników zewnętrznych.

 

 

3.
Jednokanałowe połączenie wyłącznika magnetycznego.
Nadzorowane kasowanie ręczne.
Nadzorowanie styczników zewnętrznych.

4.
Jednokanałowe połączenie wyłącznika magnetycznego.
Kasowanie automatyczne.
Nadzorowanie styczników zewnętrznych.

 

Nr katalgowy

Nr katalogowy

Opis

Funkcja zestyków

Typ

440N-G02154

Ferrogard FRS 13-GD2 z kablem 2 m

1NC + 1NC

AC

440N-G02155

Ferrogard FRS 13-GD2 z kablem 4 m

1NC + 1NC

AC

440N-G02160

Ferrogard FRS 13-GD2 ze złączem M12

1NC + 1NC

AC

440N-G02156

Ferrogard FRS 14-GD2 z kablem 2 m

1NC + 1NC

DC

440N-G02157

Ferrogard FRS 14-GD2 z kablem 4 m

1NC + 1NC

DC

440N-G02161

Ferrogard FRS 14-GD2 ze złączem M12

1NC + 1NC

DC

440N-A02165

Aktywator FRS 13, 14

 

 

 

Download

Instrukcje

 

Produkt

Opis

Format pliku

 

Ferrogard

Instrukcja instalacji

PDF

Pobierz

 

Rysunki CAD

 

Produkt

Opis

Format pliku

 

Ferrogard 13/14 wyłącznik

Rysunek CAD

STEP

 

Ferrogard 13/14 aktywator

Rysunek CAD

STEP

 

   

Certyfikat

 

Produkt

Opis

Format pliku

 

Ferrogard

Deklaracja zgodności

PDF

Pobierz

 

Akcesoria

Powiązane

Nowości

Wielofunkcyjne urządzenie dostępu UGB-KLTM

UGB-KLTM to wielofunkcyjne urządzenie, zapewniające zintegrowaną ochronę i kompleksową kontrolę dostępu. Produkt jest przeznaczony do aplikacji, w których operator ma pełny dostęp do niebezpiecznej strefy.

Nowości

Nowy Skaner laserowy bezpieczeństwa UAM-05LPA z rozszerzoną funkcjonalnością

Popularny skaner laserowy bezpieczeństwa UAM-05 został zmodernizowany i teraz jest dostępny w nowej, ulepszonej wersji – UAM-05LPA. Dzięki zastosowaniu najnowocześniejszych technologii i udoskonalonym funkcjom jest on dostosowany do przyszłych wymagań w automatyce przemysłowej.

Akademia OEM

Systemy kontroli dostępu

Mechaniczne systemy kontroli dostępu są łatwe w instalacji i służą do otwierania włazów i bram w aplikacjach, w których występuje zagrożenie powodowane przez ruchome części maszyn. W tym artykule dowiesz się więcej o zaletach systemów kontroli dostępu.

Nowości

Kurtyny świetlne bezpieczeństwa w przemyśle

Seria SH4 to kompletna rodzina kurtyn świetlnych bezpieczeństwa, które nie tylko spełniają wysokie wymagania dotyczące działania i odporności na warunki otoczenia w przemyśle, ale także przenoszą bezpieczeństwo na nowy poziom.

Nowości

Programowalny sterownik bezpieczeństwa HSC-A100-ENC do aplikacji AGV

HSC-A100-ENC jest programowalnym sterownikiem bezpieczeństwa, który umożliwia sterowanie pracą do 6 skanerów bezpieczeństwa połączonych interfejsem komunikacyjnym. Zawiera interfejsy pozwalające na podłączenie do 4 enkoderów. Posiada 16 cyfrowych wejść bezpieczeństwa, 6 bezpiecznych wyjść cyfrowych, 2 wyjścia przekaźnikowe oraz 2 wyjścia testowe.

Nowości

Safety Netbox – rozproszone We/Wy poprzez Profinet, PROFIsafe lub Ethernet/IP, CIP Safety

Netboxy marki IDEM mają w pełni konfigurowalne We/Wy, które mogą być ustawione jako 3 dwukanałowe wejścia bezpieczne lub wejścia sygnałowe. Modułowe przyciski można skonfigurować poprzez CIP Safety lub PROFIsafe.

Warianty produktu Maks. napięcie styku Maks. prąd zestyku Podłączenie kabla Typ Cena
250 V AC
2 A
Kabel 2 m
AC
250 V AC
2 A
Kabel 4 m
AC
24 V DC
1 A
Kabel 2 m
DC
24 V DC
1 A
Kabel 4 m
DC
24 V DC
1 A
Złącze 4-pin
DC

Wybrany wariant

Wybierz wariant produktu z listy

Wsparcie techniczne

Jarosław Kalista

Business Area Manager BEZPIECZEŃSTWO

Wsparcie Klienta
Aby uzyskać informacje dotyczące zamówień i dostępności produktów, skontaktuj się z działem obsługi Klienta:
22 863 27 22
Wyślij e-mail
Potrzebujesz pomocy?
Logo

Ustawienia plików cookie w serwisie oemautomatic.pl

Pliki cookie pomagają nam usprawniać serwis i dostosowywać go do Państwa oczekiwań. Wykorzystujemy pliki cookie aby móc obsługiwać dane logowania i oferować spersonalizowane treści. Niektóre pliki cookie są wymagane dla podstawowej funkcjonalności witryny.

Informacje uzyskane za pośrednictwem plików cookie nigdy nie będą przedmiotem sprzedaży.

Mogą Państwo zaakceptować wszystkie pliki cookie lub spersonalizować swoje preferencje dotyczące określonych plików cookie. Mogą Państwo również zmienić ustawienia dotyczące plików cookie w dowolnym momencie, odwiedzając naszą stronę kontaktową.

Niezbędne pliki cookie

Te pliki cookie są niezbędne dla funkcjonowania strony internetowej i nie mogą być wyłączone w naszych systemach. Są one zazwyczaj ustawiane tylko w odpowiedzi na działania podejmowane przez użytkownika, które sprowadzają się do zapytania o usługi, takie jak ustawienie preferencji prywatności, logowanie lub wypełnianie formularzy. Te pliki cookie nie przechowują żadnych danych osobowych.

Pliki cookie dotyczące wydajności

Te pliki cookie umożliwiają nam zliczanie wizyt i źródeł ruchu, dzięki czemu możemy mierzyć i poprawiać wydajność naszej witryny. Pomagają ustalić, które strony są najbardziej i najmniej popularne i zobaczyć, jak odwiedzający poruszają się po stronie. Wszystkie informacje zbierane przez te pliki cookie są agregowane i tym samym anonimowe. Jeśli użytkownik nie zezwoli na stosowanie tych plików cookie, nie będziemy wiedzieli, kiedy odwiedził naszą stronę internetową.

Pliki cookie związane z reklamami i ich odbiorcami

Te pliki cookie mogą być ustawiane przez naszych partnerów reklamowych za pośrednictwem naszej strony internetowej. Mogą one być wykorzystywane przez te firmy do budowania profilu zainteresowań użytkownika i wyświetlania odpowiednich reklam na innych stronach. Nie przechowują one bezpośrednio danych osobowych, lecz opierają się na jednoznacznej identyfikacji przeglądarki i sprzętu internetowego. Jeśli użytkownik nie zezwoli na stosowanie tych plików cookie, doświadcza mniej ukierunkowanych reklam.