AUER SIGNAL

Smart Indicator 50

Smart Indicator 50

Smart Indicator 50 to zaawansowane rozwiązanie sygnalizacyjne z serii Smart Series, zaprojektowane z myślą o zastosowaniach przemysłowych, gdzie liczy się niezawodność, widoczność i kompaktowa forma. Urządzenie może pełnić funkcję zarówno lampy ostrzegawczej, jak i miniaturowej wieży sygnalizacyjnej, idealnej tam, gdzie nie ma potrzeby jednoczesnego wskazywania wielu kolorów.

Wysoka wydajność świetlna i energooszczędność

  • Smart Indicator 50 oferuje do czterech razy większą jasność niż porównywalne produkty na rynku, zapewniając doskonałą widoczność.
  • Wysokie odwzorowanie kolorów oraz energooszczędna technologia LED czynią go idealnym wyborem tam, gdzie ograniczenie poboru mocy jest istotnym czynnikiem, np. w zautomatyzowanych systemach o dużej liczbie punktów sygnalizacyjnych.
  • Lampy dostępne są w wersjach z 3 lub 7 kolorami. Na przykład, model SI50-GYR to to trójkolorowa lampa z pięcioma trybami animacji, która łączy funkcjonalność tradycyjnego wskaźnika z powiększoną, bardziej widoczną soczewką, zachowując jednocześnie niewielki rozmiar montażowy.

Inteligentna ochrona (Smart Protection) i niezawodność:

  • Smart Indicator 50 jest wyposażona w inteligentne zarządzanie prądem. Aktywnie kontroluje i ogranicza prąd rozruchowy (załączenia), co skutecznie zmniejsza obciążenie sterowników (kontrolerów) i chroni wrażliwą elektronikę.
  • Wbudowana kontrola temperatury monitoruje i reguluje pracę urządzenia, zapobiegając przegrzewaniu. Funkcja ta przyczynia się do wydłużonej żywotności i wysokiej niezawodności operacyjnej.
  • Urządzenie zostało również zaprojektowane tak, aby charakteryzować się wysoką odpornością na prądy upływowe (wyciekowe), co jest kluczowe w złożonych lub narażonych na zakłócenia systemach elektrycznych.

Łatwość instalacji i ekstremalna trwałość:

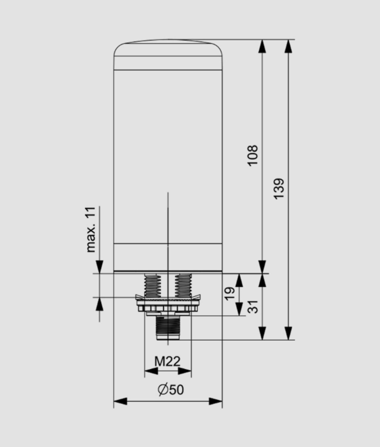
  • Instalacja jest szybka i bezpieczna dzięki standardowemu 5-pinowemu złączu M12 oraz gwintowaniu M22. Montaż jest możliwy w konwencjonalnym otworze o średnicy 22,5 mm.
  • Obudowa i soczewka są wykonane z poliwęglanu, a lampy Smart Dot 50 dostępne są w wariantach z czarną lub białą obudową.
  • Wytrzymałość w trudnych warunkach środowiskowych potwierdzają stopnie ochrony od IP66 do IP69K. Urządzenia te mogą pracować w szerokim zakresie temperatur, od -40 °C do +70 °C

Pokaż więcej
  • Inteligentne sterowanie, diagnostyka i ochrona
  • Bardzo wysoka jasność, intensywność kolorów, energooszczędność
  • Szeroki wybór efektów świetlnych
  • Montaż w otworze 22,5 mm lub gwincie M22, 5-pinowe złącze M12
  • IP66, IP67, IP69 oraz IP69K / -40°+70°C / IK08

Wybrany wariant produktu

smartIndikator_sw_300dpi_green.png

SI5B3 Smart Indicator 50 Basic GYR

Nr produktu:

Wybrany wariant produktu

Specyfikacja techniczna

Efekt świetlny 1,45 W
Kolor obudowy Czarny
Kolor soczewki Biały
Masa 91 g
Napięcie zasilania DC max. 30 V DC
Napięcie zasilania DC min. 18 V DC
Napięcie zasilania nominalne 18-30 V DC
Średnica 50 mm
Stopień ochrony IK 8
Stopień ochrony IP IP66, IP67, IP69K, IP6K9K
Temperatura pracy -40 °C - +70 °C
Typ światła Wielofunkcyjne, Wielokolorowy
Wysokość 108 mm
Źródło światła LED
Żywotność 60000 h

Opis produktu

Smart Indicator 50 to zaawansowane rozwiązanie sygnalizacyjne z serii Smart Series, zaprojektowane z myślą o zastosowaniach przemysłowych, gdzie liczy się niezawodność, widoczność i kompaktowa forma. Urządzenie może pełnić funkcję zarówno lampy ostrzegawczej, jak i miniaturowej wieży sygnalizacyjnej, idealnej tam, gdzie nie ma potrzeby jednoczesnego wskazywania wielu kolorów.

Wysoka wydajność świetlna i energooszczędność

  • Smart Indicator 50 oferuje do czterech razy większą jasność niż porównywalne produkty na rynku, zapewniając doskonałą widoczność.
  • Wysokie odwzorowanie kolorów oraz energooszczędna technologia LED czynią go idealnym wyborem tam, gdzie ograniczenie poboru mocy jest istotnym czynnikiem, np. w zautomatyzowanych systemach o dużej liczbie punktów sygnalizacyjnych.
  • Lampy dostępne są w wersjach z 3 lub 7 kolorami. Na przykład, model SI50-GYR to to trójkolorowa lampa z pięcioma trybami animacji, która łączy funkcjonalność tradycyjnego wskaźnika z powiększoną, bardziej widoczną soczewką, zachowując jednocześnie niewielki rozmiar montażowy.

Inteligentna ochrona (Smart Protection) i niezawodność:

  • Smart Indicator 50 jest wyposażona w inteligentne zarządzanie prądem. Aktywnie kontroluje i ogranicza prąd rozruchowy (załączenia), co skutecznie zmniejsza obciążenie sterowników (kontrolerów) i chroni wrażliwą elektronikę.
  • Wbudowana kontrola temperatury monitoruje i reguluje pracę urządzenia, zapobiegając przegrzewaniu. Funkcja ta przyczynia się do wydłużonej żywotności i wysokiej niezawodności operacyjnej.
  • Urządzenie zostało również zaprojektowane tak, aby charakteryzować się wysoką odpornością na prądy upływowe (wyciekowe), co jest kluczowe w złożonych lub narażonych na zakłócenia systemach elektrycznych.

Łatwość instalacji i ekstremalna trwałość:

  • Instalacja jest szybka i bezpieczna dzięki standardowemu 5-pinowemu złączu M12 oraz gwintowaniu M22. Montaż jest możliwy w konwencjonalnym otworze o średnicy 22,5 mm.
  • Obudowa i soczewka są wykonane z poliwęglanu, a lampy Smart Dot 50 dostępne są w wariantach z czarną lub białą obudową.
  • Wytrzymałość w trudnych warunkach środowiskowych potwierdzają stopnie ochrony od IP66 do IP69K. Urządzenia te mogą pracować w szerokim zakresie temperatur, od -40 °C do +70 °C

Akcesoria

Powiązane

Nowości

Smart Signaling 50 – nowa generacja sygnalizacji przemysłowej od Auer Signal

Auer Signal – jeden z wiodących światowych producentów urządzeń sygnalizacyjnych i ostrzegawczych, w 2025 roku wprowadza na rynek nową linię produktów, Smart Signaling 50.

Nowości

Sangel LED DualLight – dwie funkcje w jednej lampie

Lampy Sangel z serii DualLight zapewniają wysokiej jakości białe światło LED do oświetlenia maszyny oraz jednoczesną sygnalizację stanu przy wykorzystaniu diod LED RGB. Zwiększa to nie tylko wydajność, ale także poprawia bezpieczeństwo w miejscu pracy.

Nowości

Lampy ostrzegawcze serii Q firmy Auer Signal – gwarancja najwyższej jakości i niezawodności

Szukasz lamp ostrzegawczych, które oferują intensywne światło, doskonałe rozproszenie oraz wysoki stopień ochrony IP? Lampy serii Q Auer Signal to idealny wybór.

Nowości

PC7 MODUL PERFECT 70 – doskonałe wieże sygnalizacyjne

Ze swoją wyjątkową jasnością i mnogością dodatkowych funkcji, Modul Perfect 70 PC7 marki Auer jest najlepszą i najbardziej przyszłościową wieżą sygnalizacyjną na rynku.

Nowości

Lampy LED do oświetlenia maszyn

Lampy LED marki SANGEL charakteryzują się bardzo dobrymi parametrami światła, długą żywotnością oraz dedykowane są do pracy w ciężkich warunkach środowiska. Dzięki zastosowaniu najlepszych materiałów oraz nowoczesnego wzornictwa spełniają najwyższe wymagania klientów.

Akademia OEM

Najjaśniejsze lampy LED dostępne na rynku. Nowa seria R Ø110 mm (opcjonalnie również z syreną)

Nowa seria R lamp LED firmy Auer Signal to nie tylko najjaśniejsza lampa LED w swojej kategorii, to także niewiarygodny zakres możliwości.

Wsparcie techniczne

Mariusz Szabłowski

Product Manager MASZYNY

Wsparcie Klienta
Aby uzyskać informacje dotyczące zamówień i dostępności produktów, skontaktuj się z działem obsługi Klienta:
22 863 27 22
Wyślij e-mail
Potrzebujesz pomocy?
Logo

Ustawienia plików cookie w serwisie oemautomatic.pl

Pliki cookie pomagają nam usprawniać serwis i dostosowywać go do Państwa oczekiwań. Wykorzystujemy pliki cookie aby móc obsługiwać dane logowania i oferować spersonalizowane treści. Niektóre pliki cookie są wymagane dla podstawowej funkcjonalności witryny.

Informacje uzyskane za pośrednictwem plików cookie nigdy nie będą przedmiotem sprzedaży.

Mogą Państwo zaakceptować wszystkie pliki cookie lub spersonalizować swoje preferencje dotyczące określonych plików cookie. Mogą Państwo również zmienić ustawienia dotyczące plików cookie w dowolnym momencie, odwiedzając naszą stronę kontaktową.

Niezbędne pliki cookie

Te pliki cookie są niezbędne dla funkcjonowania strony internetowej i nie mogą być wyłączone w naszych systemach. Są one zazwyczaj ustawiane tylko w odpowiedzi na działania podejmowane przez użytkownika, które sprowadzają się do zapytania o usługi, takie jak ustawienie preferencji prywatności, logowanie lub wypełnianie formularzy. Te pliki cookie nie przechowują żadnych danych osobowych.

Pliki cookie dotyczące wydajności

Te pliki cookie umożliwiają nam zliczanie wizyt i źródeł ruchu, dzięki czemu możemy mierzyć i poprawiać wydajność naszej witryny. Pomagają ustalić, które strony są najbardziej i najmniej popularne i zobaczyć, jak odwiedzający poruszają się po stronie. Wszystkie informacje zbierane przez te pliki cookie są agregowane i tym samym anonimowe. Jeśli użytkownik nie zezwoli na stosowanie tych plików cookie, nie będziemy wiedzieli, kiedy odwiedził naszą stronę internetową.

Pliki cookie związane z reklamami i ich odbiorcami

Te pliki cookie mogą być ustawiane przez naszych partnerów reklamowych za pośrednictwem naszej strony internetowej. Mogą one być wykorzystywane przez te firmy do budowania profilu zainteresowań użytkownika i wyświetlania odpowiednich reklam na innych stronach. Nie przechowują one bezpośrednio danych osobowych, lecz opierają się na jednoznacznej identyfikacji przeglądarki i sprzętu internetowego. Jeśli użytkownik nie zezwoli na stosowanie tych plików cookie, doświadcza mniej ukierunkowanych reklam.