CROUZET CONTROL

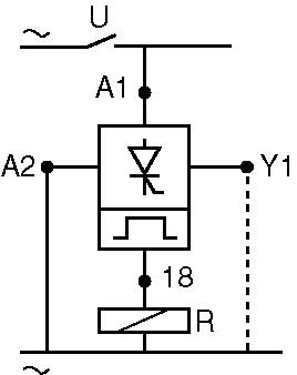
Przekaźniki czasowe z wyjściem SSR

Seria Chronos 2

  • Szeroki zakres napięć zasilania
  • Zakresy nastaw 0,1s - 100godz.
  • Szerokość 17,5mm
  • Wyjście półprzewodnikowe

Wybrany wariant produktu

Wybrany wariant produktu

Specyfikacja techniczna

Dopuszczenia CE, Lloyd´s, RoHS, UL
Funkcja L - przerwa-praca (cykl asymetryczny), Li - praca-przerwa (cykl asymetryczny)
Max. temperatura pracy 60 °C
Max. temperatura składowania 60 °C
Min. temperatura pracy -20 °C
Min. temperatura składowania -30 °C
Moc min. 0,01 A
Montaż szyna DIN
Napięcie zasilania 24-240V AC
Obciążalność wyjścia 0,7 A
Opóźnienie od skoku 350 ms
Opóźnienie zamknięcia 50 ms
Powtarzalność 0,5 %
Prąd przełączania Max. 0,7 A
Przekrój przewodu 2 x 1,5 mm²
Przekrój przewodu 2 x 2,5 mm²
Stopień ochrony : front IP50
Stopień ochrony: zaciski IP20
Wielofunkcyjny Nie
Wyjście Półprzewodnikowe
Zakresy czasowe 0,1-1s, 1-10s, 6-60s, 1-10min, 6-60min, 1-10h, 10-100h

Akcesoria

Powiązane

Nowości

Komponenty przemysłowe do rozdzielnic niskiego napięcia od ISKRA

OEM Automatic jest dystrybutorem komponentów słoweńskiego producenta ISKRA dedykowanych do rozdzielnic niskiego napięcia. Przedstawimy ofertę do instalacji przemysłowych.

Nowości

Nowy przetwornik temperatury od PR Electronics: 5450 PROFIBUS PA

Przedstawiamy nowy przetwornik temperatury PR Electronics 5450 PROFIBUS PA — zaprojektowany, aby zapewnić wyjątkową dokładność, niezawodność i wydajność dla branży automatyki i procesowej.

Akademia OEM

Zastosowanie wyłączników nadprądowych firmy ISKRA RI73N C63 oraz RI113N C125

Wyłączniki nadprądowe firmy ISKRA RI73N C63 oraz RI113N C125 znalazły zastosowanie jako zabezpieczenie układu podgrzewacza w kotłach wodnych zasilanych napięciem 3-fazowym.

Nowości

Moduł do monitorowania napięć i prądów AC od PR electronics

4179B to wprowadzony ostatnio do oferty PR Electronics moduł do monitorowania napięć i prądów AC pod kątem ustawionych przez użytkownika limitów.

Nowości

Największa oferta przekaźników w Polsce

Nasz wiodący dostawca Comat Releco oferuje kompletną gamę przekaźników. Oferowane przez nas przekaźniki przemysłowe są przeznaczone do zastosowań w aplikacjach z obciążeniami od zaledwie kilku mA do 16 A.

Nowości

Dlaczego PR 5437 może usprawnić Twoją pracę? Poznaj wyjątkowy przetwornik od PR electronics

PR 5437 jest dwuprzewodowym przetwornikiem z komunikacją HART 7, który oferuje wyjątkową dokładność, możliwość redundancji czujników oraz dodatkowe funkcje wyróżniające go na tle konkurencji.

Warianty produktu Funkcja Napięcie zasilania Wielofunkcyjny Cena
A - opóźnienie włączenia, Ac - opóźnienie po zadziałaniu sterowania, At - Opóźnienie załączenia suma (blokowanie), B - Czas załączania, Bw - impuls na wyjściu (regulowany), C- odliczanie po nadaniu impulsu, D - symetryczne pulsowanie, Di - symetryczne pulsowanie, H- wyłączenie po czasie, Ht - Opóźnienie wyłączenia po czasie
24-240V AC
Tak
A - opóźnienie włączenia, At - Opóźnienie załączenia suma (blokowanie)
24-240V AC/DC
Nie
H- wyłączenie po czasie, Ht - Opóźnienie wyłączenia po czasie
24-240V AC
Nie
L - przerwa-praca (cykl asymetryczny), Li - praca-przerwa (cykl asymetryczny)
24-240V AC
Nie

Wybrany wariant

Wybierz wariant produktu z listy

Wsparcie techniczne

Artur Kampczyk

Wsparcie Klienta
Aby uzyskać informacje dotyczące zamówień i dostępności produktów, skontaktuj się z działem obsługi Klienta:
22 863 27 22
Wyślij e-mail
Potrzebujesz pomocy?
Logo

Ustawienia plików cookie w serwisie oemautomatic.pl

Pliki cookie pomagają nam usprawniać serwis i dostosowywać go do Państwa oczekiwań. Wykorzystujemy pliki cookie aby móc obsługiwać dane logowania i oferować spersonalizowane treści. Niektóre pliki cookie są wymagane dla podstawowej funkcjonalności witryny.

Informacje uzyskane za pośrednictwem plików cookie nigdy nie będą przedmiotem sprzedaży.

Mogą Państwo zaakceptować wszystkie pliki cookie lub spersonalizować swoje preferencje dotyczące określonych plików cookie. Mogą Państwo również zmienić ustawienia dotyczące plików cookie w dowolnym momencie, odwiedzając naszą stronę kontaktową.

Niezbędne pliki cookie

Te pliki cookie są niezbędne dla funkcjonowania strony internetowej i nie mogą być wyłączone w naszych systemach. Są one zazwyczaj ustawiane tylko w odpowiedzi na działania podejmowane przez użytkownika, które sprowadzają się do zapytania o usługi, takie jak ustawienie preferencji prywatności, logowanie lub wypełnianie formularzy. Te pliki cookie nie przechowują żadnych danych osobowych.

Pliki cookie dotyczące wydajności

Te pliki cookie umożliwiają nam zliczanie wizyt i źródeł ruchu, dzięki czemu możemy mierzyć i poprawiać wydajność naszej witryny. Pomagają ustalić, które strony są najbardziej i najmniej popularne i zobaczyć, jak odwiedzający poruszają się po stronie. Wszystkie informacje zbierane przez te pliki cookie są agregowane i tym samym anonimowe. Jeśli użytkownik nie zezwoli na stosowanie tych plików cookie, nie będziemy wiedzieli, kiedy odwiedził naszą stronę internetową.

Pliki cookie związane z reklamami i ich odbiorcami

Te pliki cookie mogą być ustawiane przez naszych partnerów reklamowych za pośrednictwem naszej strony internetowej. Mogą one być wykorzystywane przez te firmy do budowania profilu zainteresowań użytkownika i wyświetlania odpowiednich reklam na innych stronach. Nie przechowują one bezpośrednio danych osobowych, lecz opierają się na jednoznacznej identyfikacji przeglądarki i sprzętu internetowego. Jeśli użytkownik nie zezwoli na stosowanie tych plików cookie, doświadcza mniej ukierunkowanych reklam.