CROUZET CONTROL

3-fazowy przekaźnik nad/podnapięciowy M3US

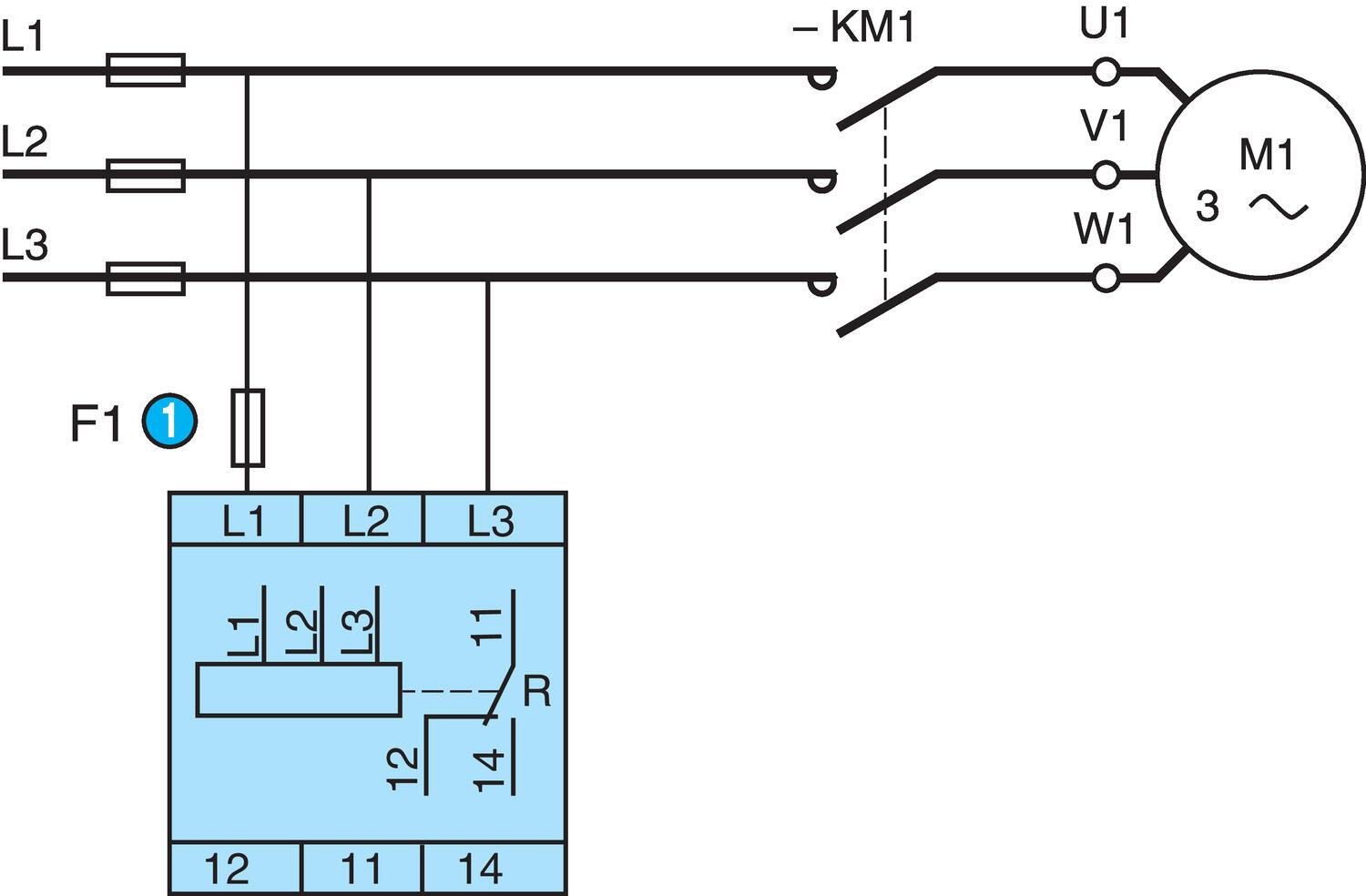
Przekaźnik sterujący do monitorowania sieci trójfazowych bez przewodu neutralnego. Regulowany przełącznik z przodu do ustawiania prawidłowego napięcia w sieci trójfazowej. Pozycja przełącznika nie jest rejestrowana do momentu załączenia napięcia roboczego. Jeśli pozycja przełącznika zostanie zmieniona podczas pracy, wszystkie diody LED zaczną migać, ale produkt będzie nadal działał normalnie z napięciem ustawionym podczas ostatniego załączenia. Monitoruje spadek napięcia międzyfazowego w zakresie od -2% do -20% Un (napięcia pomiarowego) oraz wzrost napięcia w zakresie od 2% do 20% Un. Opóźnienie czasowe Tt zapobiega przełączeniu przekaźnika w przypadku chwilowych zakłóceń i jest regulowane w zakresie od 0,3 do 30 s. Zielona dioda LED (Un) sygnalizuje prawidłowe napięcie sterujące. Żółta dioda LED (R) sygnalizuje aktywne wyjście przekaźnikowe.

Pokaż więcej
  • Kontrola fazy napięcia sieciowego
  • Szeroki zakres napięcia wejściowego
  • Montaż na szynie DIN 17.5 mm
  • Wskaźniki LED

Wybrany wariant produktu

Control relay

PRZEK. KONTR. M3US 208-480VAC

Nr produktu:

Wybrany wariant produktu

Specyfikacja techniczna

Wybór napięcia znamionowego 208, 220, 380, 400, 415, 440, 480V
Dolna granica -2 - -20%
Górna granica 2 - 20%
Opóźnienie przy starcie 0,5 s
Opóźnienie po przekr. nastawy 0,3-30s
Wyjście 2x przekaźnik
Obciążalność wyjścia 5A, 250V AC/DC
Napięcie zasilania 3 x 208-480V AC
Stopień ochrony: zaciski IP20
Stopień ochrony: obudowa IP30
Min. temperatura pracy -20 °C
Max. temperatura pracy 50 °C
Min. temperatura składowania -40 °C
Max. temperatura składowania 70 °C
Masa 80 g
Dopuszczenia CE, CSA, RoHS, UL

Wymiary i połączenia

Rysunki techniczne

Opis produktu

Przekaźnik sterujący do monitorowania sieci trójfazowych bez przewodu neutralnego. Regulowany przełącznik z przodu do ustawiania prawidłowego napięcia w sieci trójfazowej. Pozycja przełącznika nie jest rejestrowana do momentu załączenia napięcia roboczego. Jeśli pozycja przełącznika zostanie zmieniona podczas pracy, wszystkie diody LED zaczną migać, ale produkt będzie nadal działał normalnie z napięciem ustawionym podczas ostatniego załączenia. Monitoruje spadek napięcia międzyfazowego w zakresie od -2% do -20% Un (napięcia pomiarowego) oraz wzrost napięcia w zakresie od 2% do 20% Un. Opóźnienie czasowe Tt zapobiega przełączeniu przekaźnika w przypadku chwilowych zakłóceń i jest regulowane w zakresie od 0,3 do 30 s. Zielona dioda LED (Un) sygnalizuje prawidłowe napięcie sterujące. Żółta dioda LED (R) sygnalizuje aktywne wyjście przekaźnikowe.

Akcesoria

Powiązane

Akademia OEM

Elektroniczny bezpiecznik LOCC-Box w porównaniu ze zwykłymi wyłącznikami MCB

LOCC-Box firmy Lütze to inteligentny bezpiecznik do monitorowania prądu, zapewniający niezawodną ochronę obwodów prądu stałego (DC) w wąskiej obudowie o szerokości 8,1 mm.

Nowości

Zasilacz TP960 z nowej serii PLANET

Nowa rodzina zasilaczy PLANET wyznacza nowy standard wydajności. PULS poczynił znaczny postęp zarówno pod względem łatwości obsługi, jak i kluczowych parametrów konstrukcji zasilacza.

Nowości

Komponenty przemysłowe do rozdzielnic niskiego napięcia od ISKRA

OEM Automatic jest dystrybutorem komponentów słoweńskiego producenta ISKRA dedykowanych do rozdzielnic niskiego napięcia. Przedstawimy ofertę do instalacji przemysłowych.

Nowości

Półprzewodnikowe przekaźniki do pracy w niesprzyjających warunkach

Delcon od ponad 40 lat specjalizuje się w produkcji wysokiej jakości przekaźników półprzewodnikowych. Jego produkty wyróżniają się wyjątkową żywotnością oraz przystosowaniem do pracy w niesprzyjających warunkach.

Nowości

Komponenty modułowe do rozdzielnic niskiego napięcia od ISKRA

ISKRA d.o.o. to słoweński producent komponentów elektrycznych. Nieprzerwanie od blisko 80 lat produkuje w Europie wysokiej jakości wyroby, które sprzedawane są na całym świecie.

Nowości

Nowy przetwornik temperatury od PR Electronics: 5450 PROFIBUS PA

Przedstawiamy nowy przetwornik temperatury PR Electronics 5450 PROFIBUS PA — zaprojektowany, aby zapewnić wyjątkową dokładność, niezawodność i wydajność dla branży automatyki i procesowej.

Wsparcie techniczne

Artur Kampczyk

Product Specialist STEROWANIE

Wsparcie Klienta
Aby uzyskać informacje dotyczące zamówień i dostępności produktów, skontaktuj się z działem obsługi Klienta:
22 863 27 22
Wyślij e-mail
Potrzebujesz pomocy?
Logo

Ustawienia plików cookie w serwisie oemautomatic.pl

Pliki cookie pomagają nam usprawniać serwis i dostosowywać go do Państwa oczekiwań. Wykorzystujemy pliki cookie aby móc obsługiwać dane logowania i oferować spersonalizowane treści. Niektóre pliki cookie są wymagane dla podstawowej funkcjonalności witryny.

Informacje uzyskane za pośrednictwem plików cookie nigdy nie będą przedmiotem sprzedaży.

Mogą Państwo zaakceptować wszystkie pliki cookie lub spersonalizować swoje preferencje dotyczące określonych plików cookie. Mogą Państwo również zmienić ustawienia dotyczące plików cookie w dowolnym momencie, odwiedzając naszą stronę kontaktową.

Niezbędne pliki cookie

Te pliki cookie są niezbędne dla funkcjonowania strony internetowej i nie mogą być wyłączone w naszych systemach. Są one zazwyczaj ustawiane tylko w odpowiedzi na działania podejmowane przez użytkownika, które sprowadzają się do zapytania o usługi, takie jak ustawienie preferencji prywatności, logowanie lub wypełnianie formularzy. Te pliki cookie nie przechowują żadnych danych osobowych.

Pliki cookie dotyczące wydajności

Te pliki cookie umożliwiają nam zliczanie wizyt i źródeł ruchu, dzięki czemu możemy mierzyć i poprawiać wydajność naszej witryny. Pomagają ustalić, które strony są najbardziej i najmniej popularne i zobaczyć, jak odwiedzający poruszają się po stronie. Wszystkie informacje zbierane przez te pliki cookie są agregowane i tym samym anonimowe. Jeśli użytkownik nie zezwoli na stosowanie tych plików cookie, nie będziemy wiedzieli, kiedy odwiedził naszą stronę internetową.

Pliki cookie związane z reklamami i ich odbiorcami

Te pliki cookie mogą być ustawiane przez naszych partnerów reklamowych za pośrednictwem naszej strony internetowej. Mogą one być wykorzystywane przez te firmy do budowania profilu zainteresowań użytkownika i wyświetlania odpowiednich reklam na innych stronach. Nie przechowują one bezpośrednio danych osobowych, lecz opierają się na jednoznacznej identyfikacji przeglądarki i sprzętu internetowego. Jeśli użytkownik nie zezwoli na stosowanie tych plików cookie, doświadcza mniej ukierunkowanych reklam.