CROUZET CONTROL

Kontrola napięcia AC/DC - MUS, MUSF

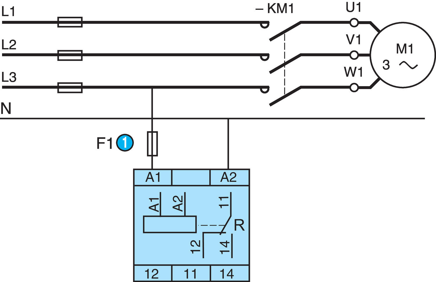
MUS - wybór trybu pracy nadnapięciowy i podnapięciowy, a także z pamięcią lub bez. Jeśli nastawy są błędne przekaźnik pozostaje w pozycji spoczynkowej, a dioda LED miga sygnalizując złe nastawy. Zmiana funkcji podczas pracy przekaźnika jest również sygnalizowana miganiem diody LED. Wartość graniczną i histerezę (od 5 do 20% wart. granicznej) ustawiamy za pomocą potencjometrów. Nastawiona histereza nie może być większa niż nastawiona wartość graniczna. Praca „bez pamięci” . Jak tylko wartość napięcia przekroczy ustaloną granicę przekaźnik zostanie otwarty po ustalonym czasie opóźnienia (0,1 ...10s), a dioda LED R gaśnie. Podczas odliczania czasu Dane techniczne opóźnienia dioda LED miga. Powrót do zakresu nastaw powoduje natychmiastowe zamknięcie przekaźnika. Tryb „z pamięcią”. Po przekroczeniu ustalonej granicy przekaźnik otwiera się po ustalonym czasie I pozostaje w tym stanie aż do odłączenia go od napięcia zasilania. W przypadku wykrycia przekroczenia nastawionej wartości minimalnej lub maksymalnej napięcia przekaźnik otwiera się po nastawionym czasie opóźnienia (zakres do 0,3s do 30s). W wypadku zaniku fazy przekaźnik otwiera się natychmiast. Załączenie przekaźnika kontrolny podczas występowania stanu awaryjnego - przekaźnik wyjściowy pozostanie otwarty.

 

MUS - pod/nadnapięciowy bez pamięci

MUS - pod/nadnapięciowy z pamięcią

MUSF

1: Wartość graniczna

1: Wartość graniczna

1: Wartość graniczna górna

2: Histereza

2: Histereza

2: Wartość graniczna dolna

3: Funkcja nadnapięciowa przekaźnika

3: Funkcja nadnapięciowa przekaźnika

3: Histereza

4: Funkcja podnapięciowa przekaźnika

4: Funkcja podnapięciowa przekaźnika

4: Kontrolowane napięcie

5: Kontrolowane napięcie

5: Kontrolowane napięcie

5: Opóźnienie zadziałania (Tt)

6: Opóźnienie zadziałania

6: Opóźnienie zadziałania

6: Przekaźnik

 

Pokaż więcej
  • Automatyczne rozpoznawanie napięcia AC/DC
  • Pomiar rzeczywistych wartości skutecznych
  • Regulowany czas opóźnienia zadziałania
  • Kontrola wart. maks lub min. napięcia
  • Szerokość 17,5 mm

Wybrany wariant produktu

Wybrany wariant produktu

Specyfikacja techniczna

Dolna granica 9 V DC
Górna granica 15 V DC
Opóźnienie przy starcie 0,5 s
Opóźnienie po przekr. nastawy 0,1-10s
Wyjście Przekaźnik 1-polowy C/O
Obciążalność wyjścia 5A, 250V AC/DC
Napięcie zasilania 12V dc
Min. temperatura pracy -20 °C
Max. temperatura pracy 50 °C
Min. temperatura składowania -40 °C
Max. temperatura składowania 70 °C
Masa 80 g

Opis produktu

MUS - wybór trybu pracy nadnapięciowy i podnapięciowy, a także z pamięcią lub bez. Jeśli nastawy są błędne przekaźnik pozostaje w pozycji spoczynkowej, a dioda LED miga sygnalizując złe nastawy. Zmiana funkcji podczas pracy przekaźnika jest również sygnalizowana miganiem diody LED. Wartość graniczną i histerezę (od 5 do 20% wart. granicznej) ustawiamy za pomocą potencjometrów. Nastawiona histereza nie może być większa niż nastawiona wartość graniczna. Praca „bez pamięci” . Jak tylko wartość napięcia przekroczy ustaloną granicę przekaźnik zostanie otwarty po ustalonym czasie opóźnienia (0,1 ...10s), a dioda LED R gaśnie. Podczas odliczania czasu Dane techniczne opóźnienia dioda LED miga. Powrót do zakresu nastaw powoduje natychmiastowe zamknięcie przekaźnika. Tryb „z pamięcią”. Po przekroczeniu ustalonej granicy przekaźnik otwiera się po ustalonym czasie I pozostaje w tym stanie aż do odłączenia go od napięcia zasilania. W przypadku wykrycia przekroczenia nastawionej wartości minimalnej lub maksymalnej napięcia przekaźnik otwiera się po nastawionym czasie opóźnienia (zakres do 0,3s do 30s). W wypadku zaniku fazy przekaźnik otwiera się natychmiast. Załączenie przekaźnika kontrolny podczas występowania stanu awaryjnego - przekaźnik wyjściowy pozostanie otwarty.

 

MUS - pod/nadnapięciowy bez pamięci

MUS - pod/nadnapięciowy z pamięcią

MUSF

1: Wartość graniczna

1: Wartość graniczna

1: Wartość graniczna górna

2: Histereza

2: Histereza

2: Wartość graniczna dolna

3: Funkcja nadnapięciowa przekaźnika

3: Funkcja nadnapięciowa przekaźnika

3: Histereza

4: Funkcja podnapięciowa przekaźnika

4: Funkcja podnapięciowa przekaźnika

4: Kontrolowane napięcie

5: Kontrolowane napięcie

5: Kontrolowane napięcie

5: Opóźnienie zadziałania (Tt)

6: Opóźnienie zadziałania

6: Opóźnienie zadziałania

6: Przekaźnik

 

Akcesoria

Powiązane

Akademia OEM

Elektroniczny bezpiecznik LOCC-Box w porównaniu ze zwykłymi wyłącznikami MCB

LOCC-Box firmy Lütze to inteligentny bezpiecznik do monitorowania prądu, zapewniający niezawodną ochronę obwodów prądu stałego (DC) w wąskiej obudowie o szerokości 8,1 mm.

Nowości

Zasilacz TP960 z nowej serii PLANET

Nowa rodzina zasilaczy PLANET wyznacza nowy standard wydajności. PULS poczynił znaczny postęp zarówno pod względem łatwości obsługi, jak i kluczowych parametrów konstrukcji zasilacza.

Nowości

Komponenty przemysłowe do rozdzielnic niskiego napięcia od ISKRA

OEM Automatic jest dystrybutorem komponentów słoweńskiego producenta ISKRA dedykowanych do rozdzielnic niskiego napięcia. Przedstawimy ofertę do instalacji przemysłowych.

Nowości

Półprzewodnikowe przekaźniki do pracy w niesprzyjających warunkach

Delcon od ponad 40 lat specjalizuje się w produkcji wysokiej jakości przekaźników półprzewodnikowych. Jego produkty wyróżniają się wyjątkową żywotnością oraz przystosowaniem do pracy w niesprzyjających warunkach.

Nowości

Komponenty modułowe do rozdzielnic niskiego napięcia od ISKRA

ISKRA d.o.o. to słoweński producent komponentów elektrycznych. Nieprzerwanie od blisko 80 lat produkuje w Europie wysokiej jakości wyroby, które sprzedawane są na całym świecie.

Nowości

Nowy przetwornik temperatury od PR Electronics: 5450 PROFIBUS PA

Przedstawiamy nowy przetwornik temperatury PR Electronics 5450 PROFIBUS PA — zaprojektowany, aby zapewnić wyjątkową dokładność, niezawodność i wydajność dla branży automatyki i procesowej.

Warianty produktu Dolna granica Górna granica Opóźnienie przy starcie Opóźnienie po przekr. nastawy Wyjście Obciążalność wyjścia Napięcie zasilania Min. temperatura pracy Max. temperatura pracy Min. temperatura składowania Max. temperatura składowania Masa Cena
9 V DC
15 V DC
0,5 s
0,1-10s
Przekaźnik 1-polowy C/O
5A, 250V AC/DC
12V dc
-20 °C
50 °C
-40 °C
70 °C
80 g
20 V AC/DC
80 V AC/DC
0,5 s
0,1-10s
Przekaźnik 1-polowy C/O
5A, 250V AC/DC
24-48V ac/dc
-20 °C
50 °C
-40 °C
70 °C
80 g
20 V AC/DC
80 V AC/DC
0,5 s
0,1-10s
Przekaźnik 1-polowy C/O
5A, 250V AC/DC
24-48V ac/dc
-20 °C
50 °C
-40 °C
70 °C
80 g
65 V AC/DC
260 V AC/DC
0,5 s
0,1-10s
Przekaźnik 1-polowy C/O
5A, 250V AC/DC
110-240V ac/dc
-20 °C
50 °C
-40 °C
70 °C
80 g
65 V AC/DC
260 V AC/DC
0,5 s
0,1-10s
Przekaźnik 1-polowy C/O
5A, 250V AC/DC
110-240V ac/dc
-20 °C
50 °C
-40 °C
70 °C
80 g

Wybrany wariant

Wybierz wariant produktu z listy

Wsparcie techniczne

Artur Kampczyk

Product Specialist STEROWANIE

Wsparcie Klienta
Aby uzyskać informacje dotyczące zamówień i dostępności produktów, skontaktuj się z działem obsługi Klienta:
22 863 27 22
Wyślij e-mail
Potrzebujesz pomocy?
Logo

Ustawienia plików cookie w serwisie oemautomatic.pl

Pliki cookie pomagają nam usprawniać serwis i dostosowywać go do Państwa oczekiwań. Wykorzystujemy pliki cookie aby móc obsługiwać dane logowania i oferować spersonalizowane treści. Niektóre pliki cookie są wymagane dla podstawowej funkcjonalności witryny.

Informacje uzyskane za pośrednictwem plików cookie nigdy nie będą przedmiotem sprzedaży.

Mogą Państwo zaakceptować wszystkie pliki cookie lub spersonalizować swoje preferencje dotyczące określonych plików cookie. Mogą Państwo również zmienić ustawienia dotyczące plików cookie w dowolnym momencie, odwiedzając naszą stronę kontaktową.

Niezbędne pliki cookie

Te pliki cookie są niezbędne dla funkcjonowania strony internetowej i nie mogą być wyłączone w naszych systemach. Są one zazwyczaj ustawiane tylko w odpowiedzi na działania podejmowane przez użytkownika, które sprowadzają się do zapytania o usługi, takie jak ustawienie preferencji prywatności, logowanie lub wypełnianie formularzy. Te pliki cookie nie przechowują żadnych danych osobowych.

Pliki cookie dotyczące wydajności

Te pliki cookie umożliwiają nam zliczanie wizyt i źródeł ruchu, dzięki czemu możemy mierzyć i poprawiać wydajność naszej witryny. Pomagają ustalić, które strony są najbardziej i najmniej popularne i zobaczyć, jak odwiedzający poruszają się po stronie. Wszystkie informacje zbierane przez te pliki cookie są agregowane i tym samym anonimowe. Jeśli użytkownik nie zezwoli na stosowanie tych plików cookie, nie będziemy wiedzieli, kiedy odwiedził naszą stronę internetową.

Pliki cookie związane z reklamami i ich odbiorcami

Te pliki cookie mogą być ustawiane przez naszych partnerów reklamowych za pośrednictwem naszej strony internetowej. Mogą one być wykorzystywane przez te firmy do budowania profilu zainteresowań użytkownika i wyświetlania odpowiednich reklam na innych stronach. Nie przechowują one bezpośrednio danych osobowych, lecz opierają się na jednoznacznej identyfikacji przeglądarki i sprzętu internetowego. Jeśli użytkownik nie zezwoli na stosowanie tych plików cookie, doświadcza mniej ukierunkowanych reklam.