PULS

FIEPOS 3-fazowy seria eFused

24-28 V DC, 300W lub 500W

  • IP54 lub IP65 / 67
  • Sprawność >95%
  • Bonuspower 600 lub 1000 W do 5s
  • Zintegrowane bezpieczniki elektroniczne

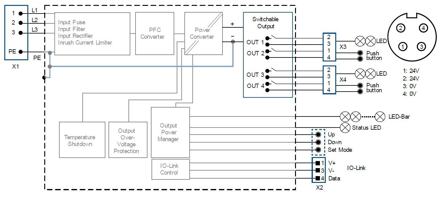
Wybrany wariant produktu

Wybrany wariant produktu

Specyfikacja techniczna

Aktywny filtr (PFC) Tak
Back-feeding loads 35V / 4 J
Czas podtrzymania przy 400 VAC, pełne obciążenie, typowo 24 ms
Częstotliwość zasilania 50-60 Hz ±6 %
DC-OK/IO-link connector M12-A
Dopuszczenia CB, CE, cULus
Głębokość 59 mm
Input connector M12-S
IO-LINK Tak
Liczba faz 3
Maksymalne napięcie wyjściowe 28 V DC
Masa 1,2 kg
Materiał obudowy Aluminium
Max. Current per output 10 A
Minimalne napięcie wyjściowe 24 V DC
Moc 500 W
MTBF (IEC 61709) 400 V AC, max. obciążenie +40 °C 253000 h
Napięcie wyjściowe 24 V DC
Napięcie zasilania AC 380-480
Napięcie zasilania AC (max) 552 V AC
Napięcie zasilania AC (min) 323 V AC
Output connectors 2x 7/8"
Power drop from +55 °C to + 70 °C 10 W/°C
Prąd rozruchowy przy 400VAC (typowo) 2 A
Prąd wyjściowy 20,8 A
Prąd wyjściowy max. 41,7 A
Seria FIEPOS eFuse
Sprawność przy 400 VAC, typowo 94,2 %
Sprawność przy 400 VAC, pełne obciążenie, typowo 95,8 %
Stopień ochrony IP IP65, IP67
Szerokość 182 mm
Temperatura maksymalna bez redukcji mocy 55 °C
Temperatura minimalna bez redukcji mocy -25 °C
Tętnienia max. 100 mV pp
Total output power <+45°C 600 W
Total output power <+55°C 500 W
Total output power <+70°C 350 W
Total output power <5 s, <+55°C 1000 W
Total output power <5 s, <+70°C 700 W
Typowy współczynnik mocy przy 400 VAC, przy pełnym obciążeniu 0,94
Wyjście przekaźnikowe DC-OK Nie
Wysokość 183 mm
Zużycie mocy przy 400 VAC 0,8 A
Żywotność przy 400VAC, pełnym obciążeniu i temp. +40° C 43000 h

Opis produktu

 

Akcesoria

Podobne produkty

Powiązane

Nowości

Komponenty przemysłowe do rozdzielnic niskiego napięcia od ISKRA

OEM Automatic jest dystrybutorem komponentów słoweńskiego producenta ISKRA dedykowanych do rozdzielnic niskiego napięcia. Przedstawimy ofertę do instalacji przemysłowych.

Nowości

Nowy przetwornik temperatury od PR Electronics: 5450 PROFIBUS PA

Przedstawiamy nowy przetwornik temperatury PR Electronics 5450 PROFIBUS PA — zaprojektowany, aby zapewnić wyjątkową dokładność, niezawodność i wydajność dla branży automatyki i procesowej.

Akademia OEM

Zastosowanie wyłączników nadprądowych firmy ISKRA RI73N C63 oraz RI113N C125

Wyłączniki nadprądowe firmy ISKRA RI73N C63 oraz RI113N C125 znalazły zastosowanie jako zabezpieczenie układu podgrzewacza w kotłach wodnych zasilanych napięciem 3-fazowym.

Nowości

Moduł do monitorowania napięć i prądów AC od PR electronics

4179B to wprowadzony ostatnio do oferty PR Electronics moduł do monitorowania napięć i prądów AC pod kątem ustawionych przez użytkownika limitów.

Nowości

Największa oferta przekaźników w Polsce

Nasz wiodący dostawca Comat Releco oferuje kompletną gamę przekaźników. Oferowane przez nas przekaźniki przemysłowe są przeznaczone do zastosowań w aplikacjach z obciążeniami od zaledwie kilku mA do 16 A.

Nowości

Dlaczego PR 5437 może usprawnić Twoją pracę? Poznaj wyjątkowy przetwornik od PR electronics

PR 5437 jest dwuprzewodowym przetwornikiem z komunikacją HART 7, który oferuje wyjątkową dokładność, możliwość redundancji czujników oraz dodatkowe funkcje wyróżniające go na tle konkurencji.

Warianty produktu Back-feeding loads Czas podtrzymania przy 400 VAC, pełne obciążenie, typowo Dopuszczenia Głębokość Input connector IO-LINK Masa Max. Current per output Moc MTBF (IEC 61709) 400 V AC, max. obciążenie +40 °C Output connectors Power drop from +55 °C to + 70 °C Prąd wyjściowy Prąd wyjściowy max. Sprawność przy 400 VAC, typowo Sprawność przy 400 VAC, pełne obciążenie, typowo Stopień ochrony IP Total output power <+45°C Total output power <+55°C Total output power <+70°C Total output power <1 min Total output power <1 s Total output power <5 s, <+55°C Total output power <5 s, <+70°C Typowy współczynnik mocy przy 400 VAC, przy pełnym obciążeniu Wyjście przekaźnikowe DC-OK Wysokość Zużycie mocy przy 400 VAC Żywotność przy 400VAC, pełnym obciążeniu i temp. +40° C Cena
35V / 4,3 J
25 ms
CB, CE, cULus, NEC Class 2
70 mm
HAN Q5/0
Nie
1,55 kg
3,9 A
300 W
625000 h
4x M12-A
6 W/°C
12,5 A
25 A
93,5 %
95,1 %
IP54
300 W
150 W
450 W
600 W
0,9
Tak
272 mm
0,53 A
312000 h
35V / 4 J
24 ms
CB, CE, cULus
59 mm
M12-S
Tak
1,2 kg
10 A
500 W
253000 h
2x 7/8"
10 W/°C
20,8 A
41,7 A
94,2 %
95,8 %
IP65, IP67
600 W
500 W
350 W
1000 W
700 W
0,94
Nie
183 mm
0,8 A
43000 h
35V / 4 J
24 ms
CB, CE, cULus
59 mm
M12-S
Tak
1,2 kg
10 A
500 W
253000 h
2x M12-L
10 W/°C
20,8 A
41,7 A
94,2 %
95,8 %
IP65, IP67
600 W
500 W
350 W
1000 W
700 W
0,94
Nie
183 mm
0,8 A
43000 h

Wybrany wariant

Wybierz wariant produktu z listy

Wsparcie techniczne

Artur Kampczyk

Wsparcie Klienta
Aby uzyskać informacje dotyczące zamówień i dostępności produktów, skontaktuj się z działem obsługi Klienta:
22 863 27 22
Wyślij e-mail
Potrzebujesz pomocy?
Logo

Ustawienia plików cookie w serwisie oemautomatic.pl

Pliki cookie pomagają nam usprawniać serwis i dostosowywać go do Państwa oczekiwań. Wykorzystujemy pliki cookie aby móc obsługiwać dane logowania i oferować spersonalizowane treści. Niektóre pliki cookie są wymagane dla podstawowej funkcjonalności witryny.

Informacje uzyskane za pośrednictwem plików cookie nigdy nie będą przedmiotem sprzedaży.

Mogą Państwo zaakceptować wszystkie pliki cookie lub spersonalizować swoje preferencje dotyczące określonych plików cookie. Mogą Państwo również zmienić ustawienia dotyczące plików cookie w dowolnym momencie, odwiedzając naszą stronę kontaktową.

Niezbędne pliki cookie

Te pliki cookie są niezbędne dla funkcjonowania strony internetowej i nie mogą być wyłączone w naszych systemach. Są one zazwyczaj ustawiane tylko w odpowiedzi na działania podejmowane przez użytkownika, które sprowadzają się do zapytania o usługi, takie jak ustawienie preferencji prywatności, logowanie lub wypełnianie formularzy. Te pliki cookie nie przechowują żadnych danych osobowych.

Pliki cookie dotyczące wydajności

Te pliki cookie umożliwiają nam zliczanie wizyt i źródeł ruchu, dzięki czemu możemy mierzyć i poprawiać wydajność naszej witryny. Pomagają ustalić, które strony są najbardziej i najmniej popularne i zobaczyć, jak odwiedzający poruszają się po stronie. Wszystkie informacje zbierane przez te pliki cookie są agregowane i tym samym anonimowe. Jeśli użytkownik nie zezwoli na stosowanie tych plików cookie, nie będziemy wiedzieli, kiedy odwiedził naszą stronę internetową.

Pliki cookie związane z reklamami i ich odbiorcami

Te pliki cookie mogą być ustawiane przez naszych partnerów reklamowych za pośrednictwem naszej strony internetowej. Mogą one być wykorzystywane przez te firmy do budowania profilu zainteresowań użytkownika i wyświetlania odpowiednich reklam na innych stronach. Nie przechowują one bezpośrednio danych osobowych, lecz opierają się na jednoznacznej identyfikacji przeglądarki i sprzętu internetowego. Jeśli użytkownik nie zezwoli na stosowanie tych plików cookie, doświadcza mniej ukierunkowanych reklam.